Lo sto cercando... Ho ricontrollato tutta la Power Amp, dove sono i transistor di potenza, ho pensato: "avessi invertito un NPN con PNP?"... No, questa non lo fatta!
Tutti i valori di resistenza sono OK, ho sostituito tutto ma rispettando i valori; la resistenza dell'emettitore non è più una 0,47ohm X2 da 2w ma due da =0,47ohm da 5w... è l'unica variante che non pregiudica il progetto:
Transistor Nuovi
Power Board riassembleta
Power Board Originale
I due fusibili da 800mA non si sono bruciati ma questi dovrebbero essere a servizio del Display dell'ampli... quindi fin qui nulla è arrivato ed ha fatto danni!
Sostituzione componenti discreti Pioneer M90
Moderatori:
carloc,
g.schgor,
BrunoValente,
IsidoroKZ
0
voti
Correggetemi se mal interpreto:
sulla AWZ1026 (canale DX) i Pin d'ingresso tra 160 e 161 sono anch'essi al servizio del Display, quindi diciamo a valle del problema... escludo anche questa zona della scheda!
E se fosse il PA0016? Ho riserve sulla sua originalità... però su due uno è originale se fosse questo non dovrebbe saltare il fusibile collegato alla sua board ma solo quello del fake... ma non è così!
sulla AWZ1026 (canale DX) i Pin d'ingresso tra 160 e 161 sono anch'essi al servizio del Display, quindi diciamo a valle del problema... escludo anche questa zona della scheda!
E se fosse il PA0016? Ho riserve sulla sua originalità... però su due uno è originale se fosse questo non dovrebbe saltare il fusibile collegato alla sua board ma solo quello del fake... ma non è così!
-

Luridbeatle
215 2 5 - Frequentatore

- Messaggi: 256
- Iscritto il: 19 ago 2018, 10:34
0
voti
I pin da 132 a 135 e tra 104 e 110 sono per il flusso audio... quindi escluderei anche questa sezione del PCB, diciamo sino all' IC (PA0016)!
Bene sono al centro del PCB... che cavolo cerco???
Comincio dai transistor...
Bene sono al centro del PCB... che cavolo cerco???
Comincio dai transistor...
-

Luridbeatle
215 2 5 - Frequentatore

- Messaggi: 256
- Iscritto il: 19 ago 2018, 10:34
0
voti
Controlla lo stadio di potenza, ricontrolla anche di aver sostituito le resistenze con resistenze dello stesso valore
-

SediciAmpere
4.187 5 5 8 - Master

- Messaggi: 4848
- Iscritto il: 31 ott 2013, 15:00
0
voti
È possibile togliere l'alimentazione ad ogni singolo stadio, o sono tutti su un unico circuito stampato?
-

SediciAmpere
4.187 5 5 8 - Master

- Messaggi: 4848
- Iscritto il: 31 ott 2013, 15:00
0
voti
Riguarda in particolare i componenti intorno agli integrati ic101/102 e tra l'integrato e la morsettiera dei finali.
-

SediciAmpere
4.187 5 5 8 - Master

- Messaggi: 4848
- Iscritto il: 31 ott 2013, 15:00
0
voti
SediciAmpere ha scritto:È possibile togliere l'alimentazione ad ogni singolo stadio, o sono tutti su un unico circuito stampato?
Posso dissaldare dalla Power Board D (quella dei transistor di potenza) i pin 140, 141, A1 e A2... idem per Power Board C... è sufficiente?
Verifico i componenti che mi hai indicato.
Grazie
-

Luridbeatle
215 2 5 - Frequentatore

- Messaggi: 256
- Iscritto il: 19 ago 2018, 10:34
0
voti
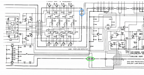
prova a staccare quelli cerchiati in azzurro (le alimentazioni dei transistor finali) e vediamo se saltano i fusibili
-

SediciAmpere
4.187 5 5 8 - Master

- Messaggi: 4848
- Iscritto il: 31 ott 2013, 15:00
0
voti
Fatto!
Data tensione i fusibili non sono saltati... L'ampli si è acceso, ovviamente con la spia della "protezione" accesa! Un paio di resistenze hanno fumato ma sapevo che poteva succedere, erano di basso potenza ma avevo solo quelle, ora le cambio.
Ed ora che faccio sulle PowerBoard? Le resistenze sono corrette... che siano le resistenze a filo che ho scelto? I valori ohminici sono esattamente quelli originali tutte da 0,25W (qualcosa dovresti riuscire a vedere nelle foto che ho postato poco sopra).
Data tensione i fusibili non sono saltati... L'ampli si è acceso, ovviamente con la spia della "protezione" accesa! Un paio di resistenze hanno fumato ma sapevo che poteva succedere, erano di basso potenza ma avevo solo quelle, ora le cambio.
Ed ora che faccio sulle PowerBoard? Le resistenze sono corrette... che siano le resistenze a filo che ho scelto? I valori ohminici sono esattamente quelli originali tutte da 0,25W (qualcosa dovresti riuscire a vedere nelle foto che ho postato poco sopra).
-

Luridbeatle
215 2 5 - Frequentatore

- Messaggi: 256
- Iscritto il: 19 ago 2018, 10:34
Chi c’è in linea
Visitano il forum: Nessuno e 181 ospiti

Elettrotecnica e non solo (admin)
Un gatto tra gli elettroni (IsidoroKZ)
Esperienza e simulazioni (g.schgor)
Moleskine di un idraulico (RenzoDF)
Il Blog di ElectroYou (webmaster)
Idee microcontrollate (TardoFreak)
PICcoli grandi PICMicro (Paolino)
Il blog elettrico di carloc (carloc)
DirtEYblooog (dirtydeeds)
Di tutto... un po' (jordan20)
AK47 (lillo)
Esperienze elettroniche (marco438)
Telecomunicazioni musicali (clavicordo)
Automazione ed Elettronica (gustavo)
Direttive per la sicurezza (ErnestoCappelletti)
EYnfo dall'Alaska (mir)
Apriamo il quadro! (attilio)
H7-25 (asdf)
Passione Elettrica (massimob)
Elettroni a spasso (guidob)
Bloguerra (guerra)