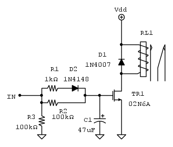
ok passiamo agli esempi,
da REMOTO invio il comando che stacca l'alimentazione, (e quindi la scollega anche al ESP8266) poi che faccio se non ho alimentazione nel ESP ? (vi ricordo che non è accessibile fisicamente, quindi devo gestire TUTTO da remoto) inoltre non posso scollegarla per una frazione di secondo, il sistema deve poter effettuare un riavvio "pulito" ovvero tolgo alimentazione, si spenge/scarica tutto e dopo riparte, quindi ;
mi occorreva un comando per dare il consenso per scollegare l'alimentazione ma solo dopo qualche secondo la
attivava nuovamente per far ripartire il tutto (il sistema quando attivi l'alimentazione parte in automatico, ovvero; cerca la WiFI e si collega, fa uno scan degli ingressi/uscite digitali e le setta etc...) cosa che non fa in maniera efficiente se fai uno stacca/attacca di pochi decimi di secondo
La descrivo anche in questo modo;
-Via remoto mando al' ESP un impulso per far aprire il rele a cui è collegata l'alimentazione
-Di conseguenza Taglio l'alimentazione anche al ESP e quindi si richiude immediatamente il rele ridando alimentazione dopo un decimo di secondo

Elettrotecnica e non solo (admin)
Un gatto tra gli elettroni (IsidoroKZ)
Esperienza e simulazioni (g.schgor)
Moleskine di un idraulico (RenzoDF)
Il Blog di ElectroYou (webmaster)
Idee microcontrollate (TardoFreak)
PICcoli grandi PICMicro (Paolino)
Il blog elettrico di carloc (carloc)
DirtEYblooog (dirtydeeds)
Di tutto... un po' (jordan20)
AK47 (lillo)
Esperienze elettroniche (marco438)
Telecomunicazioni musicali (clavicordo)
Automazione ed Elettronica (gustavo)
Direttive per la sicurezza (ErnestoCappelletti)
EYnfo dall'Alaska (mir)
Apriamo il quadro! (attilio)
H7-25 (asdf)
Passione Elettrica (massimob)
Elettroni a spasso (guidob)
Bloguerra (guerra)



pigreco]=π


