Cos'è ElectroYou | Login Iscriviti

ElectroYou - la comunità dei professionisti del mondo elettrico

Collegamento Mosfet P Channel

Elettronica lineare e digitale: didattica ed applicazioni

Moderatori: Foto Utentecarloc, Foto Utenteg.schgor, Foto UtenteBrunoValente, Foto UtenteIsidoroKZ

0
voti

[31] Re: Collegamento Mosfet P Channel

Messaggioda Foto UtenteAleEl » 20 apr 2020, 8:56

marioursino ha scritto:ma se hai altre connessioni queste ti salgono a 50 V quando spegni.

In che senso? Non ho capito.. Scusa
Puoi spiegarmelo?

Comunque volendo io farei anche il circuito con il MOS N, ma ho solo un IRFZ44N.
Avatar utente
Foto UtenteAleEl
782 1 5 13
Sostenitore
Sostenitore
 
Messaggi: 818
Iscritto il: 9 ago 2016, 20:22

0
voti

[32] Re: Collegamento Mosfet P Channel

Messaggioda Foto Utentemarioursino » 20 apr 2020, 10:22

Sei troppo vicino a breakdown. Comunque, interrompendo in low side, tutto il circuito sale a 50 V e devi valutare cosa questo comporti. Se nel tuo caso stai solo interrompendo l'alimentazione, allora non ti cambia nulla.
Avatar utente
Foto Utentemarioursino
5.687 3 9 13
G.Master EY
G.Master EY
 
Messaggi: 1598
Iscritto il: 5 dic 2009, 4:32

0
voti

[33] Re: Collegamento Mosfet P Channel

Messaggioda Foto UtenteAleEl » 20 apr 2020, 11:21

marioursino ha scritto:Se nel tuo caso stai solo interrompendo l'alimentazione, allora non ti cambia nulla.


Interrompo la linea positiva del 50 volt che va ai driver dei led, e dall'alimentatore prendo comunque un'altra linea da 50 volt per alimentare un altro circuito.

In modo sintetico, ho una cosa del genere:

Avatar utente
Foto UtenteAleEl
782 1 5 13
Sostenitore
Sostenitore
 
Messaggi: 818
Iscritto il: 9 ago 2016, 20:22

0
voti

[34] Re: Collegamento Mosfet P Channel

Messaggioda Foto UtenteAleEl » 20 apr 2020, 14:05

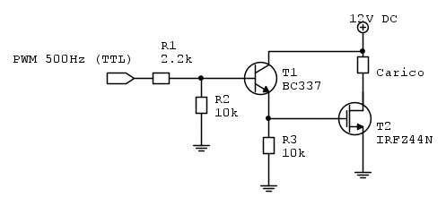
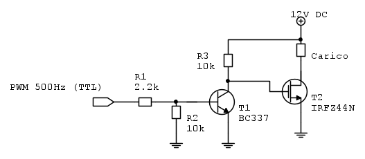
Provo a fare un esempio di circuito per un mosfet a canale N che dovrei utilizzare stavolta in PWM per regolare la luminositá di una strip led.
Restando in tema Mosfet, tengo qui questo post. Nel caso fosse offtopic, chiedo scusa: lo sposteró subito.

Ora provo a postare un circuito e ad analizzarlo per dirti quale ragionamento ho seguito per farlo. Se ho sbagliato in qualcosa, per favore non uccidermi :cry:



Allora: alimentazione 12v dc.
Carico da 12V anche lui, quindi nessuna resistenza di limitazione o limitazioni nel PWM: duty cycle completo da 0 a 100%.

Stato ON: (PWM livello alto a 5V)
Il transistor va in saturazione, chiudendo il circuito.
Se Vce é pari a 0,7V, sulla resistenza ho:
Vr = 12V - 0,7V = 11,3V
In tal caso la tensione della resistenza equivale a quella sul gate del mosfet, quindi:

Vg = Vr = 11,3V

Il mosfet va quindi in conduzione, e mi accende il carico.

Stato OFF: (PWM livello basso a 0V)
Il transistor equivale ad un interruttore aperto, quindi:
Ir = 0A
Di conseguenza:
Vr = 0V = Vg

Il gate si trova quindi a GND, quindi:
Icarico = 0A

Le strip sono spente.



La corrente della resistenza con livello alto di commutazione, dovrebbe essere:
I = V/R = 11,3V / 10k = 1,1mA

Il guadagno del transistor, con Ic = 100mA e Vce = 1V, é di 100.
Ipotizzando che sia di 100 anche la mia, la corrente di base risulta:

Ib = Ic / hfe = 1mA / 100 = 10uA

Per avere una corrente di 10uA minima sulla base, per assicurarmi la saturazione, ho una resistenza di base da:
Rb = (Vpwm - Vbe)/Ib = (5V - 1,2V)/10uA = 380k

Vbe = 1,2V dal datasheet

La resistenza di base dovrebbe quindi essere di massimo 380k. Corretto? Io ho messo 2,2k senza fare i conti. Con tale resistenza ho una corrente di base del:

Ib = (Vpwm - Vbe)/Rb = 3,8V/2200 = 1,7mA



Quanti errori ho fatto? :? :?
Avatar utente
Foto UtenteAleEl
782 1 5 13
Sostenitore
Sostenitore
 
Messaggi: 818
Iscritto il: 9 ago 2016, 20:22

0
voti

[35] Re: Collegamento Mosfet P Channel

Messaggioda Foto UtenteMarcoD » 20 apr 2020, 14:13

Stato ON: (PWM livello alto a 5V)
Il transistor va in saturazione, chiudendo il circuito.
Se Vce é pari a 0,7V, sulla resistenza ho:
Vr = 12V - 0,7V = 11,3V


No.
La tensione di base andrà quasi a 5 x 10/(10+2,2) = circa 4,5 V
La Vemettitore andra a 4,5 - 0,6 = circa 4 V.
Non è detto che il MOS saturi.
Monta il circuito e provalo...
Avatar utente
Foto UtenteMarcoD
12,2k 5 9 13
Master EY
Master EY
 
Messaggi: 6696
Iscritto il: 9 lug 2015, 16:58
Località: Torino

0
voti

[36] Re: Collegamento Mosfet P Channel

Messaggioda Foto UtenteAleEl » 20 apr 2020, 14:16

MarcoD ha scritto:La tensione di base andrà quasi a 5 x 10/(10+2,2) = circa 4,5 V
La Vemettitore andra a 4,5 - 0,6 = circa 4 V.


Mi puoi spiegare le formule? Che dati hai usato?



Cosí dovrei avere 12V sul gate con funzione invertita del PWM.
Andrebbe bene?
Ultima modifica di Foto UtenteAleEl il 20 apr 2020, 14:37, modificato 1 volta in totale.
Avatar utente
Foto UtenteAleEl
782 1 5 13
Sostenitore
Sostenitore
 
Messaggi: 818
Iscritto il: 9 ago 2016, 20:22

0
voti

[37] Re: Collegamento Mosfet P Channel

Messaggioda Foto UtenteMarcoD » 20 apr 2020, 14:24

Cosi, va meglio, potrebbe funzionare.
Ti scriverò le formule quando battezzerai i resistorei sullo schema: esemoi R1, R2, R..., b. e. c. T1, ecc...
Avatar utente
Foto UtenteMarcoD
12,2k 5 9 13
Master EY
Master EY
 
Messaggi: 6696
Iscritto il: 9 lug 2015, 16:58
Località: Torino

0
voti

[38] Re: Collegamento Mosfet P Channel

Messaggioda Foto UtenteAleEl » 20 apr 2020, 14:37

:-| :-| Fatto..

Circuito vecchio:
Avatar utente
Foto UtenteAleEl
782 1 5 13
Sostenitore
Sostenitore
 
Messaggi: 818
Iscritto il: 9 ago 2016, 20:22

0
voti

[39] Re: Collegamento Mosfet P Channel

Messaggioda Foto UtenteMarcoD » 20 apr 2020, 14:47

La Vb, se il hfe di T1 fosse infinito, sarebbe la Vi (al max 5V) per il partitore R1,R2:
Vb = Vi x ( R2)/(R1+R2).
Si potrebbe calcolarla tenendo conto dello hfe finito e della tensione ai capi di R3, ma troppo difficile.. :-) ,
non ne ho voglia...
La Ve è uguale alla Vb meno la Vce, di solito approssimata a 0,6 o 0,7 V.... :-) O_/
...
Avatar utente
Foto UtenteMarcoD
12,2k 5 9 13
Master EY
Master EY
 
Messaggi: 6696
Iscritto il: 9 lug 2015, 16:58
Località: Torino

0
voti

[40] Re: Collegamento Mosfet P Channel

Messaggioda Foto Utenteboiler » 20 apr 2020, 14:59

A parte che come ti è stato detto, l'IRFZ44N è un po' tirato per il collo in questa applicazione, si potrebbe pilotarlo anche direttamente (è questo il vantaggio del pilotaggio low-side), magari con un resistore di gate e null'altro.
Il Vgs th massimo è 4V e quindi lavorando a 5V è sufficiente.

Boiler
Avatar utente
Foto Utenteboiler
26,4k 5 9 13
G.Master EY
G.Master EY
 
Messaggi: 5617
Iscritto il: 9 nov 2011, 12:27

PrecedenteProssimo

Torna a Elettronica generale

Chi c’è in linea

Visitano il forum: Nessuno e 123 ospiti