Circuiti zener di potenza equivalenti e regolabili
Moderatori:
carloc,
g.schgor,
BrunoValente,
IsidoroKZ
1
voti
Vero che la tensione del riferimento del TL431 è 2,5 V ma ogni tanto mi confondo anche io
comunque agli Zener generalmente si calcola e mette un resistore di limitazione in serie altrimenti chi controlla la corrente che gli attraversa?
OT, mi chiedo che tipo di impianto valvolare abbia quel tuo amico che abbisogni di uno Zener di potenza
comunque agli Zener generalmente si calcola e mette un resistore di limitazione in serie altrimenti chi controlla la corrente che gli attraversa?
OT, mi chiedo che tipo di impianto valvolare abbia quel tuo amico che abbisogni di uno Zener di potenza
"Non farei mai parte di un club che accettasse la mia iscrizione" (G. Marx)
-

claudiocedrone
21,3k 4 7 9 - Master EY

- Messaggi: 15303
- Iscritto il: 18 gen 2012, 13:36
0
voti
Ciao Claudio, si, ho corretto il circuito. In teoria lo "zener" equivalente era costruito correttamente ma utilizzato in modo improprio. Per quanto riguarda il posizionamento dello zener nel circuito del valvolare non saprei dare altre indicazioni, me lo avrà anche detto ma non lo ricordo. Chiederò all'amico di ricordarmelo...
1
voti
Elidur ha scritto: ...Chiederò all'amico di ricordarmelo...
No tranquillo non preoccupartene... preferisco non saperlo
"Non farei mai parte di un club che accettasse la mia iscrizione" (G. Marx)
-

claudiocedrone
21,3k 4 7 9 - Master EY

- Messaggi: 15303
- Iscritto il: 18 gen 2012, 13:36
1
voti
Ma no, guarda ti spiego: uno Zener di potenza in un valvolare mi porta a pensare ad una alimentazione stabilizzata del finale di potenza che potrebbe forse avere senso solo in caso di un finale di potenza in classe A (a proposito di stufe... ) e se così fosse... preferisco non saperlo!

"Non farei mai parte di un club che accettasse la mia iscrizione" (G. Marx)
-

claudiocedrone
21,3k 4 7 9 - Master EY

- Messaggi: 15303
- Iscritto il: 18 gen 2012, 13:36
1
voti
Per stabilizzare delle tensioni attorno a 90V nei valvolari si usavano dei tubi a scarica nel gas, le sigle iniziavano con OA, costavano un accidenti, 8 o 12 mila lire.
Penso servissero per degli stadi oscillatori o forse preamplificatori o per le griglie schermo dei finali.
Penso servissero per degli stadi oscillatori o forse preamplificatori o per le griglie schermo dei finali.
0
voti
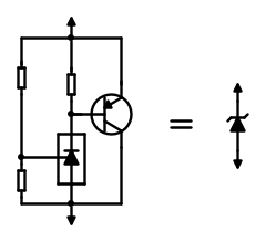
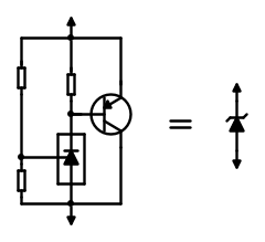
Dovrei aver terminato. Mi sono arrangiato come da schema allegato.
Ho autocostruito la resistenza Rx con alcune spire di costantana perché non avevo il valore giusto, sia come resistenza sia come potenza. Ho fatto in modo che in tutto il circuito equivalente “TransZener” venisse dissipata una potenza di circa 45W. La resistenza scalda ma tutto sommato, per il tempo delle misurazioni, tiene bene. Il finale si scalda in modo poco significativo.
Con il transistor che ho utilizzato (200W - 30A) forse potrei anche aumentare la potenza e tutti i valori in esame ma trattandosi di una prova fine a se stessa mi accontenterei anche dei risultati così ottenuti, con la convinzione che mediante qualche modifica riuscirei a riadattare il circuito anche per altre esigenze e valori.
Nel frattempo, mi hanno inviato via mail lo schema dove risulta l’impiego dello zener da 8V. 50W.
Si tratta di un amplificatore RF. Nel circuito viene usato un TRIODO DI POTENZA della EIMAC, il cui punto di lavoro è determinato dal diodo Zener catodico che porta la valvola a lavorare in Classe AB2.
Sembrerebbe che uno zener di tale potenza sia stato utilizzato soltanto per non dover introdurre un dissipatore in quanto quella valvola non potrebbe assorbire una corrente superiore ad 1 Ampere e uno zener da 50W s’intiepidisce appena, forse…
Quello che non riesco a capire è come collegare il TransZener al circuito catodico in caso di necessità.
Qualche suggerimento?
Grazie.
Ho autocostruito la resistenza Rx con alcune spire di costantana perché non avevo il valore giusto, sia come resistenza sia come potenza. Ho fatto in modo che in tutto il circuito equivalente “TransZener” venisse dissipata una potenza di circa 45W. La resistenza scalda ma tutto sommato, per il tempo delle misurazioni, tiene bene. Il finale si scalda in modo poco significativo.
Con il transistor che ho utilizzato (200W - 30A) forse potrei anche aumentare la potenza e tutti i valori in esame ma trattandosi di una prova fine a se stessa mi accontenterei anche dei risultati così ottenuti, con la convinzione che mediante qualche modifica riuscirei a riadattare il circuito anche per altre esigenze e valori.
Nel frattempo, mi hanno inviato via mail lo schema dove risulta l’impiego dello zener da 8V. 50W.
Si tratta di un amplificatore RF. Nel circuito viene usato un TRIODO DI POTENZA della EIMAC, il cui punto di lavoro è determinato dal diodo Zener catodico che porta la valvola a lavorare in Classe AB2.
Sembrerebbe che uno zener di tale potenza sia stato utilizzato soltanto per non dover introdurre un dissipatore in quanto quella valvola non potrebbe assorbire una corrente superiore ad 1 Ampere e uno zener da 50W s’intiepidisce appena, forse…
Quello che non riesco a capire è come collegare il TransZener al circuito catodico in caso di necessità.
Qualche suggerimento?
Grazie.
Ultima modifica di
edgar il 13 gen 2021, 0:37, modificato 2 volte in totale.
Motivazione: Sostituito immagine schema incompleto
Motivazione: Sostituito immagine schema incompleto
1
voti
Elidur ha scritto:Quello che non riesco a capire è come collegare il TransZener al circuito catodico in caso di necessità
Non è detto che il trapianto abbia successo: la 3CX1500 è una bestia da 1,5 kW. Potenze RF di quell'ordine possono comodamente mandare in tilt circuiti attivi come questo. Per contro lo zener, essendo un componente passivo, potrebbe essere più adatto. Con la dissipazione ci sono andati larghi: se c'è un fusibile da 1 A in serie, il circuito lavorerà al massimo a 3/4 di quella corrente, forse anche meno. Uno zener da una ventina di watt sarebbe stato già comodo
Chi c’è in linea
Visitano il forum: Nessuno e 160 ospiti

Elettrotecnica e non solo (admin)
Un gatto tra gli elettroni (IsidoroKZ)
Esperienza e simulazioni (g.schgor)
Moleskine di un idraulico (RenzoDF)
Il Blog di ElectroYou (webmaster)
Idee microcontrollate (TardoFreak)
PICcoli grandi PICMicro (Paolino)
Il blog elettrico di carloc (carloc)
DirtEYblooog (dirtydeeds)
Di tutto... un po' (jordan20)
AK47 (lillo)
Esperienze elettroniche (marco438)
Telecomunicazioni musicali (clavicordo)
Automazione ed Elettronica (gustavo)
Direttive per la sicurezza (ErnestoCappelletti)
EYnfo dall'Alaska (mir)
Apriamo il quadro! (attilio)
H7-25 (asdf)
Passione Elettrica (massimob)
Elettroni a spasso (guidob)
Bloguerra (guerra)






