Proverei così
Domanda su circuito
Moderatori:
carloc,
g.schgor,
BrunoValente,
IsidoroKZ
32 messaggi
• Pagina 4 di 4 • 1, 2, 3, 4
0
voti
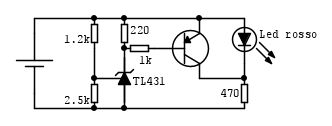
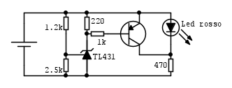
BrunoValente ha scritto:Non mi pare possa funzionare con tensione così bassa...
Sono assolutamente d'accordo infatti mi sembra che sia progettato per una batteria Pb 12V.
Era giusto per dare un idea alternativa sviluppata su componenti più adatti allo scopo.
Ciao
600 Elettra
32 messaggi
• Pagina 4 di 4 • 1, 2, 3, 4
Chi c’è in linea
Visitano il forum: Nessuno e 163 ospiti

Elettrotecnica e non solo (admin)
Un gatto tra gli elettroni (IsidoroKZ)
Esperienza e simulazioni (g.schgor)
Moleskine di un idraulico (RenzoDF)
Il Blog di ElectroYou (webmaster)
Idee microcontrollate (TardoFreak)
PICcoli grandi PICMicro (Paolino)
Il blog elettrico di carloc (carloc)
DirtEYblooog (dirtydeeds)
Di tutto... un po' (jordan20)
AK47 (lillo)
Esperienze elettroniche (marco438)
Telecomunicazioni musicali (clavicordo)
Automazione ed Elettronica (gustavo)
Direttive per la sicurezza (ErnestoCappelletti)
EYnfo dall'Alaska (mir)
Apriamo il quadro! (attilio)
H7-25 (asdf)
Passione Elettrica (massimob)
Elettroni a spasso (guidob)
Bloguerra (guerra)



