Ricombinare ingressi e uscite a 24 Vac
Moderatori:
carloc,
g.schgor,
BrunoValente,
IsidoroKZ
38 messaggi
• Pagina 4 di 4 • 1, 2, 3, 4
1
voti
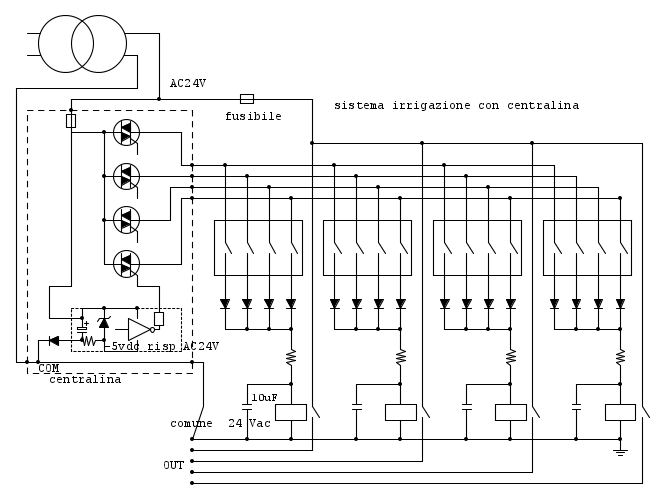
Aggiorno per passatempo lo schema dopo aver esaminato lo schema della centralina a 12 uscite. Se il trasformatore è esterno, quello supplementare può venire omesso.
Osservazioni ?
1
voti
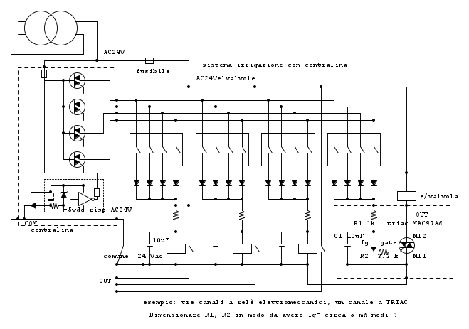
In alternativa alla soluzione con relè elettromeccanico, riporto lo schema del pilotaggio con triac che avrei progettato; ho dimensionato i valori a "naso".
Il triac pare costare meno di 0,2 €, mentre un relè almeno 2 €
Può funzionare ? Mi piacerebbe sentire i vostri commenti.
Serve un gruppo RC "snubber" per neutralizzare l'induttanza della e/v ?
Si deve mettere un diodo in serie al collettore in modo che la Vce non cambi polarità nella semionda negativa?
0
voti
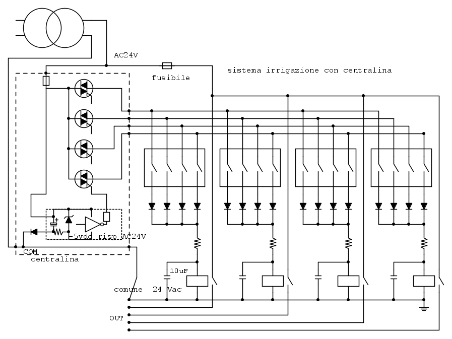
MarcoD ha scritto:Se sull'etichetta è scritto cha la centralina assorbe 26 V 50 Hz 600 mA
allora il trasformatore da 220 Vac a 26 V è esterno alla centralina.
consuma 26 x 0,6 = 16 VA supponiamo 16 watt.
Supponiamo che l'elettronica consumi quasi nulla, ognuna delle 4 elettrovalvole
consuma 16/4 = 4 watt
4 watt /26 volt = 0,15 ampere.
26/0,15 = 173 ohm resistenza dell'avvolgimento della bobina di una elettrovalvola.
(sarebbe interessante verificarlo con un multimetro/ohmmetro).
Possono venire comandate da un relè " piccolino" con corrente massima nei contatti di
supponiamo solo 2 A.
Posta una immagine della morsettiera della centralina.
Forse è possibile utilizzare il solo trasformatore di alimentazione.
Mi sa che avete ragione a dire che i 24 Vac sono esterni. Non ricordavo come era stato fatto tutto il cablaggio ma a vedere bene la morsettiera e a seguire i vostri ragionamenti si finisce li.
Sicuro che il trasformatore, se c'è, è nel quadro principale che però non oso smontare, almeno per ora.
Marco, grazie per aver ridisegnato con questa alimentazione e anche per aver disegnato un possibile circuito a triac, così vedo di imparare qualcosa anche su quel componente che fino ad ora non avevo mai usato.
Mi studio il tuo circuito, se poi nel frattempo arriva qualche feedback da qualcuno di più esperto, tanto meglio.
grazie ancora a tutti gli intervenuti.
Maurizio
0
voti
Probabilmente, il circuito schematizzato nel post 32 funziona male.
Chiude il triac solo nelle semionde positive.
Poi, forse, Il resistore R1 da 2,2 k dovrebbe venire posto a un valore maggiore, per esempio 47kohm.
Chiude il triac solo nelle semionde positive.
Poi, forse, Il resistore R1 da 2,2 k dovrebbe venire posto a un valore maggiore, per esempio 47kohm.
0
voti
Buongiorno,
scusa @MarcoD, il relay non andrebbe collegato tra +24 ed MT2, mettendo MT1 a massa?
scusa @MarcoD, il relay non andrebbe collegato tra +24 ed MT2, mettendo MT1 a massa?
Alex
https://www.facebook.com/Elettronicaeelettrotecnica
<< vedi di pigliare arditamente in mano, il dizionario che ti suona in bocca,
se non altro è schietto e paesano.
(Giuseppe Giusti) <<
https://www.facebook.com/Elettronicaeelettrotecnica
<< vedi di pigliare arditamente in mano, il dizionario che ti suona in bocca,
se non altro è schietto e paesano.
(Giuseppe Giusti) <<
0
voti
Le bobine delle elettrovalvole avranno in comune il 24VAC e non il COM (comune),
e i triac avranno in comune il COM al posto del 24AC.
Il transistor invertitore non serve più.
Occorre modificare lo schema generale di principio del post 20.
0
voti
Nel post 32 vedo qualcosa che non mi convince.
Il triac non è polarizzato correttamente.
Il solenoide lo sposterei sul lato MT2.
MT1 lo metterei in parallelo al l'emettitore del transistor.
Ciao
Il triac non è polarizzato correttamente.
Il solenoide lo sposterei sul lato MT2.
MT1 lo metterei in parallelo al l'emettitore del transistor.
Ciao
600 Elettra
0
voti
Ho corretto lo schema, dovrebbe funzionare.
Resterebbero da definire i valori migliori di R1,R2,C1 cosa mettereste?
38 messaggi
• Pagina 4 di 4 • 1, 2, 3, 4
Chi c’è in linea
Visitano il forum: Nessuno e 79 ospiti

Elettrotecnica e non solo (admin)
Un gatto tra gli elettroni (IsidoroKZ)
Esperienza e simulazioni (g.schgor)
Moleskine di un idraulico (RenzoDF)
Il Blog di ElectroYou (webmaster)
Idee microcontrollate (TardoFreak)
PICcoli grandi PICMicro (Paolino)
Il blog elettrico di carloc (carloc)
DirtEYblooog (dirtydeeds)
Di tutto... un po' (jordan20)
AK47 (lillo)
Esperienze elettroniche (marco438)
Telecomunicazioni musicali (clavicordo)
Automazione ed Elettronica (gustavo)
Direttive per la sicurezza (ErnestoCappelletti)
EYnfo dall'Alaska (mir)
Apriamo il quadro! (attilio)
H7-25 (asdf)
Passione Elettrica (massimob)
Elettroni a spasso (guidob)
Bloguerra (guerra)









