
8 postazioni temporizzate
Moderatori:
carloc,
g.schgor,
BrunoValente,
IsidoroKZ
0
voti
Ciao @edgar, dici bene, ma non sono un artista con il PC nell'uso dei software, anche creare una PCB da inviare mi rimane ostica, ma vedremo.


Alex
https://www.facebook.com/Elettronicaeelettrotecnica
<< vedi di pigliare arditamente in mano, il dizionario che ti suona in bocca,
se non altro è schietto e paesano.
(Giuseppe Giusti) <<
https://www.facebook.com/Elettronicaeelettrotecnica
<< vedi di pigliare arditamente in mano, il dizionario che ti suona in bocca,
se non altro è schietto e paesano.
(Giuseppe Giusti) <<
0
voti
edgar ha scritto:Se vuoi/devi rimanere con l'IDE arduino potresti comprarne uno per sviluppare l'applicazione e poi caricarla sulle MCU che metterai sulle schedine realizzate.
Confermo, qui la pagina di riferimento: Link
Un altro vantaggio della scheda custom rispetto ad usare un "arduino" è che puoi togliere tutto ciò che non ti serve
Cosi a naso: Convertitore seriale, connettore USB, led user/power, LDO (in base alla applicazione).
JLC PCB il 328p (Link) lo considera "basic" perciò non prevede il costo di inserimento nella P&P
EDIT: non farti scoraggiare dal SMD è saldabilissimo a mano.
Tu pensa che i primi circuiti che ho fatto assemblare da loro erano proprio gli USBasp (con piccole modifiche), tuttora funzionante
Con un po' di astuzia riesci a creare il circuito con tutti i componenti "basic" spendendo solo qualche centesimo per le saldature.
EDIT: Se ti serve una mano a districarti nei loro portali (JLC+LCSC) per trovare i pezzi chiedi pure, pultroppo il loro motore di ricerca fa molto molto pena. Sembra che il pezzo non sia disponibile basic ma devi essere "artistico" nella ricerca.
Anche il loro cad è comodo, non a livello di altri prodotti... ma con un click fai tutto

0
voti
aggiungo un'altra "comodità" di Easy EDA è avere il modello 3D eventualemente esportabile su altro cad per creare gli involucri.
Metto l'esempio della mia prima realizazione,
Personalmente non vedo un reale risparmio di tempo, se farlo a mano ci metto 10 ore... farlo fare ci metto sempre 10 ore perché ricontrollo 100000 volte il PCB

Metto l'esempio della mia prima realizazione,
Personalmente non vedo un reale risparmio di tempo, se farlo a mano ci metto 10 ore... farlo fare ci metto sempre 10 ore perché ricontrollo 100000 volte il PCB

0
voti
setteali ha scritto:
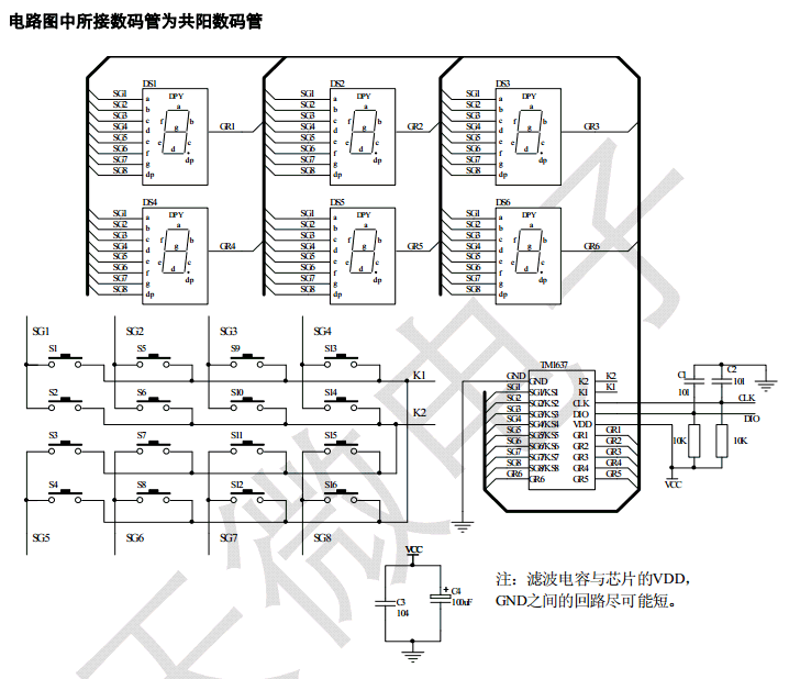
Ho visto, grazie, ma io ho a disposizione i MAN 6960, sono display 12mm x 19mm ad anodo comune e utilizzerei questi.
Ma il TM1637 è proprio un driver per LED 7 segmenti, ci metti i LED che vuoi:
1
voti
>
setteali , tanto per essere sicuro ... al termine del conteggio devono fare qualcosa ? (accendere un led, suonare un cicalino, aprire un rele', o simile ?
Perche' mi e' venuto il sospetto che potrebbero essere anche piu semplici di quello che pensavo, se li fai come unita' separate.
Ad esempio, il 328P standalone, anche togliendo dal conteggio i pin necessari per programmarlo con un'ISP, avanzano 17 pin utilizzabili come I-O, quindi, 14 per i segmenti dei due display (niente multiplex, niente shift register, solo le resistenze per limitare la corrente massima dei segmenti a 10 o 12 mA massimi, cosi anche con tutti e 14 rimane entro il massimo gestibile dal chip, ed ormai sono disponibili display che con 10 o 12 mA sono molto visibili), uno per il pulsante, ne avanzano due, dei quali uno potrebbe pilotare led o cicalino e l'altro se necessario un rele' o qualcos'altro.
Sempre che il tutto non vada usato in pieno sole, perche' cosi anche sovralimentandoli, i display da 7 segmenti non sono il massimo e tocca pensare a qualcos'altro.
Inoltre come unita' separate, ne puoi fare qualcuno in piu da tenere "di scorta" nel caso qualche "gorilla" (utilizzatore non troppo delicato
) ne scassasse uno, o si rompesse per qualsiasi altra ragione.
Perche' mi e' venuto il sospetto che potrebbero essere anche piu semplici di quello che pensavo, se li fai come unita' separate.
Ad esempio, il 328P standalone, anche togliendo dal conteggio i pin necessari per programmarlo con un'ISP, avanzano 17 pin utilizzabili come I-O, quindi, 14 per i segmenti dei due display (niente multiplex, niente shift register, solo le resistenze per limitare la corrente massima dei segmenti a 10 o 12 mA massimi, cosi anche con tutti e 14 rimane entro il massimo gestibile dal chip, ed ormai sono disponibili display che con 10 o 12 mA sono molto visibili), uno per il pulsante, ne avanzano due, dei quali uno potrebbe pilotare led o cicalino e l'altro se necessario un rele' o qualcos'altro.
Sempre che il tutto non vada usato in pieno sole, perche' cosi anche sovralimentandoli, i display da 7 segmenti non sono il massimo e tocca pensare a qualcos'altro.
Inoltre come unita' separate, ne puoi fare qualcuno in piu da tenere "di scorta" nel caso qualche "gorilla" (utilizzatore non troppo delicato
"Sopravvivere" e' attualmente l'unico lusso che la maggior parte dei Cittadini italiani,
sia pure a costo di enormi sacrifici, riesce ancora a permettersi.
sia pure a costo di enormi sacrifici, riesce ancora a permettersi.
-

Etemenanki
9.527 3 6 10 - Master

- Messaggi: 5951
- Iscritto il: 2 apr 2021, 23:42
- Località: Dalle parti di un grande lago ... :)
3
voti
Data la domenica afosa sono rimasto al fresco col condizionatore e per ammazzare il tempo ho buttato giù un layout minimo minimo per capire gli ingombri di un modulino singolo. Manca il pulsante, i collegamenti delle alimentazioni e qualche condensatore di bypass ma rende l'idea. Sono stato comodo, volendo lo si può ridurre ancora.
Pilotaggio diretto dei display, niente multiplex. Non ho inserito il connettore ISP, necessario invece se usi una MCU SMD.
Immagino si veda la mano di chi è abituato a farsi in casa i PCB monofaccia

Pilotaggio diretto dei display, niente multiplex. Non ho inserito il connettore ISP, necessario invece se usi una MCU SMD.
Immagino si veda la mano di chi è abituato a farsi in casa i PCB monofaccia
1
voti
edgar ha scritto:Manca il pulsante, i collegamenti delle alimentazioni e qualche condensatore di bypass
E i fori per le viti per il montaggio
Pilotaggio diretto dei display, niente multiplex. Non ho inserito il connettore ISP, necessario invece se usi una MCU SMD.
Posso chiedere il perché dei ponticelli orizzontali? È un microcontroller, i GPIOs (a meno di funzioni particolari) sono tutti uguali e posso assegnarli in software. Io sarei sceso direttamente dalla resistenza al pin piú o meno sotto di essa.
Boiler
0
voti
Etemenanki ha scritto:... tanto per essere sicuro ... al termine del conteggio devono fare qualcosa ? (accendere un led, suonare un cicalino, aprire un rele', o simile ?.....
Anch'io gli avevo proposto un cicalino al termine del conteggio, ma ha detto di no, è sufficiente un led che si accende, ma credo che sia migliore la soluzione di far lampeggiare i due zero. Se poi c'è la possibilità di mettere anche in un secondo tempo, un cicalino, lo farei.
Perche' mi e' venuto il sospetto che potrebbero essere anche piu semplici di quello che pensavo, se li fai come unita' separate.
Sì le unità devono essere separate, non interagire tra di loro.
Inoltre come unita' separate, ne puoi fare qualcuno in piu da tenere "di scorta" nel caso qualche "gorilla" (utilizzatore non troppo delicato) ne scassasse uno, o si rompesse per qualsiasi altra ragione.
Io avevo pensato che anzichè fare la consolle con 8 postazioni, di farla con 10 postazioni, in modo di averne due di scorta per eventuali guasti e/o estensioni di giocatori.
edgar ha scritto:Data la domenica afosa sono rimasto al fresco col condizionatore e per ammazzare il tempo ho buttato giù un layout minimo minimo per capire gli ingombri di un modulino singolo. Manca il pulsante, i collegamenti delle alimentazioni e qualche condensatore di bypass ma rende l'idea. Sono stato comodo, volendo lo si può ridurre ancora.
Ottimo lavoro e utile per ragionarci sopra.
Difatti, io terrei display accoppiati, per avere una misura più stretta e poter fare una consolle 4+1 postazioni affiancate ed altrettante di sotto.
Per non farla troppo larga e poco lunga, che sarebbe meno stabile.
Grazie ragazzi

Alex
https://www.facebook.com/Elettronicaeelettrotecnica
<< vedi di pigliare arditamente in mano, il dizionario che ti suona in bocca,
se non altro è schietto e paesano.
(Giuseppe Giusti) <<
https://www.facebook.com/Elettronicaeelettrotecnica
<< vedi di pigliare arditamente in mano, il dizionario che ti suona in bocca,
se non altro è schietto e paesano.
(Giuseppe Giusti) <<
0
voti
boiler ha scritto:Posso chiedere il perché dei ponticelli orizzontali? È un microcontroller, i GPIOs (a meno di funzioni particolari) sono tutti uguali e posso assegnarli in software. Io sarei sceso direttamente dalla resistenza al pin piú o meno sotto di essa
Ho riesumato con poche modifiche un vecchio progetto di anni fa in cui avevo assegnato i pin da 0 a 6 ai segmenti A-G.
Devi capire che le mie conoscenze -specie software- sono limitate
Ai tempi usavo una lookup table per tradurre il numero da visualizzare nella combinazione di segmenti da accendere e questa configurazione mi sembrava comoda.
Diciamo che a parte l'aver praticamente già il layout pronto, se dovessi scrivere io il firmware mi troverei meglio perché potrei riciclare anche parte del codice di allora.
0
voti
@Boiler: in effetti hai ragione, se elimino buona parte dei ponticelli si risparmia spazio.
Stamattina ho poco da fare, ci ragiono sopra.
Nella BOM in [28] manca lo zoccolo a 28 pin. Non penso valga la pena di installare un connettore per la programmazione ISP una tantum.
Stamattina ho poco da fare, ci ragiono sopra.
Nella BOM in [28] manca lo zoccolo a 28 pin. Non penso valga la pena di installare un connettore per la programmazione ISP una tantum.
Chi c’è in linea
Visitano il forum: Nessuno e 110 ospiti

Elettrotecnica e non solo (admin)
Un gatto tra gli elettroni (IsidoroKZ)
Esperienza e simulazioni (g.schgor)
Moleskine di un idraulico (RenzoDF)
Il Blog di ElectroYou (webmaster)
Idee microcontrollate (TardoFreak)
PICcoli grandi PICMicro (Paolino)
Il blog elettrico di carloc (carloc)
DirtEYblooog (dirtydeeds)
Di tutto... un po' (jordan20)
AK47 (lillo)
Esperienze elettroniche (marco438)
Telecomunicazioni musicali (clavicordo)
Automazione ed Elettronica (gustavo)
Direttive per la sicurezza (ErnestoCappelletti)
EYnfo dall'Alaska (mir)
Apriamo il quadro! (attilio)
H7-25 (asdf)
Passione Elettrica (massimob)
Elettroni a spasso (guidob)
Bloguerra (guerra)






