In un primo momento, per chi come me non conosce bene l’integrato, poteva anche essere plausibile una simile ipotesi, ma se il tuo parere è contrario rinuncio all’idea e continuo con il miglioramento del mio schema. In primo luogo eliminerò quei due diodi sulla base del TR3 che anch’io considero una soluzione un po’ troppo “eretica”. Vorrà dire che modificherò lo schema in modo un po’ più tecnicamente “ortodosso” che sicuramente sarà un po’ più apprezzabile, anche se dell’attuale (quanto a funzionamento) non mi potrei lamentare.
Relay Carica batterie LX 327 (NE)
Moderatori:
carloc,
g.schgor,
BrunoValente,
IsidoroKZ
0
voti
Grazie ugualmente
g.schgor, pensavo di ricevere qualche conferma positiva e invece mi sbagliavo. Quel che mi ha indotto in errore l’ho ricavato dall'estratto di schema che allego, in cui, mediante la polarizzazione del pin 7 del NE555 ed ulteriori eventuali collegamenti, si poteva ottenere un ritardo.
In un primo momento, per chi come me non conosce bene l’integrato, poteva anche essere plausibile una simile ipotesi, ma se il tuo parere è contrario rinuncio all’idea e continuo con il miglioramento del mio schema. In primo luogo eliminerò quei due diodi sulla base del TR3 che anch’io considero una soluzione un po’ troppo “eretica”. Vorrà dire che modificherò lo schema in modo un po’ più tecnicamente “ortodosso” che sicuramente sarà un po’ più apprezzabile, anche se dell’attuale (quanto a funzionamento) non mi potrei lamentare.
In un primo momento, per chi come me non conosce bene l’integrato, poteva anche essere plausibile una simile ipotesi, ma se il tuo parere è contrario rinuncio all’idea e continuo con il miglioramento del mio schema. In primo luogo eliminerò quei due diodi sulla base del TR3 che anch’io considero una soluzione un po’ troppo “eretica”. Vorrà dire che modificherò lo schema in modo un po’ più tecnicamente “ortodosso” che sicuramente sarà un po’ più apprezzabile, anche se dell’attuale (quanto a funzionamento) non mi potrei lamentare.
-

gianniniivo
9.070 7 11 13 - No Rank
- Messaggi: 2875
- Iscritto il: 5 feb 2019, 23:50
0
voti
Ho trovato lo schema su google, anche se non trovo più l'articolo.
Va bene, grazie ugualmente, se ti viene in mente qualche idea che sia compatibile con la PCB, sono disponibile a testarla.
Va bene, grazie ugualmente, se ti viene in mente qualche idea che sia compatibile con la PCB, sono disponibile a testarla.
-

gianniniivo
9.070 7 11 13 - No Rank
- Messaggi: 2875
- Iscritto il: 5 feb 2019, 23:50
1
voti
Ciao Ivo,
sei poi riuscito a trovare il modo di dargli un'isteresi adeguata?
Dovresti essere ad un buon punto, di questo caricabatterie dovrai fare una produzione in serie, mi sembra che venga perfetto.
Io non vedo controindicazioni sulla fattibilità di autocostruirlo, anzi mi sembra un progetto che possa essere autocostruito facilmente, forse perché ricorda il modo di fare elettronica come nei tempi passati, ma direi che è sempre un modo valido e che andrebbe anche riproposto.

sei poi riuscito a trovare il modo di dargli un'isteresi adeguata?
Dovresti essere ad un buon punto, di questo caricabatterie dovrai fare una produzione in serie, mi sembra che venga perfetto.
Io non vedo controindicazioni sulla fattibilità di autocostruirlo, anzi mi sembra un progetto che possa essere autocostruito facilmente, forse perché ricorda il modo di fare elettronica come nei tempi passati, ma direi che è sempre un modo valido e che andrebbe anche riproposto.

Alex
https://www.facebook.com/Elettronicaeelettrotecnica
<< vedi di pigliare arditamente in mano, il dizionario che ti suona in bocca,
se non altro è schietto e paesano.
(Giuseppe Giusti) <<
https://www.facebook.com/Elettronicaeelettrotecnica
<< vedi di pigliare arditamente in mano, il dizionario che ti suona in bocca,
se non altro è schietto e paesano.
(Giuseppe Giusti) <<
0
voti
Ciao Alex,
si adesso il dispositivo è stabile in tutte le condizioni. Ho scoperto anche perché s’interrompeva la carica commutando la portata della corrente con S1. Era troppo basso il valore della resistenza R5. Per ottenere maggior erogazione di corrente avevo ridotto il valore a 56 Ohm e me n’ero dimenticato...
Sto preparando un post integrativo con l’introduzione delle ultime novità; appena trovo un po’ di tempo per terminarlo lo pubblico.
Grazie Alex, e un saluto.
si adesso il dispositivo è stabile in tutte le condizioni. Ho scoperto anche perché s’interrompeva la carica commutando la portata della corrente con S1. Era troppo basso il valore della resistenza R5. Per ottenere maggior erogazione di corrente avevo ridotto il valore a 56 Ohm e me n’ero dimenticato...
Sto preparando un post integrativo con l’introduzione delle ultime novità; appena trovo un po’ di tempo per terminarlo lo pubblico.
Grazie Alex, e un saluto.
-

gianniniivo
9.070 7 11 13 - No Rank
- Messaggi: 2875
- Iscritto il: 5 feb 2019, 23:50
1
voti
Ciao Ivo,
come sempre lavorando molto su un apparecchio, si fanno delle migliorie, ma anche dei disastri

come sempre lavorando molto su un apparecchio, si fanno delle migliorie, ma anche dei disastri

Alex
https://www.facebook.com/Elettronicaeelettrotecnica
<< vedi di pigliare arditamente in mano, il dizionario che ti suona in bocca,
se non altro è schietto e paesano.
(Giuseppe Giusti) <<
https://www.facebook.com/Elettronicaeelettrotecnica
<< vedi di pigliare arditamente in mano, il dizionario che ti suona in bocca,
se non altro è schietto e paesano.
(Giuseppe Giusti) <<
2
voti
Buona sera Forum,
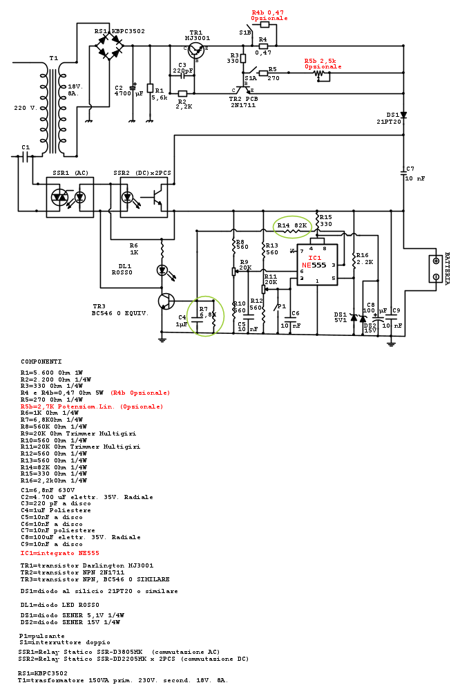
pubblico un ulteriore aggiornamento con le relative modifiche allo schema e all'elenco componenti.
Qualche parola sull'intervento eseguito, per chi ne fosse interessato, iniziando dall'alimentazione.
Ho aumentato la tensione di alimentazione in alternata portandola a 18V, utilizzando un trasformatore in grado di erogare 8 Ampere. Una corrente di 8 Ampere non è indispensabile ma avendo soltanto un trasformatore con quelle caratteristiche l’ho utilizzato.
La tensione, è stato proprio inevitabile aumentarla a 18 volt e, occorrendo, (trasformatore permettendo) potrebbe essere anche ulteriormente aumentata perché l’integrato regolatore, unico componente delicato, è stato protetto con uno zener.
Ho utilizzato l’aggettivo inevitabile perché tra PONTE, SSR, DARLINGTON e DIODO DS1, si verifica una caduta di tensione non indifferente in uscita: circa 5 volt. La conseguenza era la difficoltà di ottenere, all’occorrenza, corrente più elevata.
La corrente erogabile è condizionata da un insieme di elementi concorrenti, tutti comunque modificabili a seconda delle esigenze. Per la realizzazione con i componenti dello schema attuale, si ottiene una corrente che va da circa 1 Ampere a circa 5 Ampere, anche se non sono valori tassativi in quanto influenzati anche dal tipo di batteria.
Per opportuna utilità, ho introdotto un interruttore doppio che determina l’inserimento in parallelo della resistenza di potenza R4B e il collegamento della resistenza R5, ma con l’aggiunta del potenziometro lineare R5B da 2,5K, collegato in serie a quest’ultima. Questa modifica risulta utile qualora s’intenda ottenere una corrente elevata ma che non superi un determinato valore deciso dall'Utente. Infatti inserendo le predette resistenze, la corrente aumenterebbe notevolmente ma regolando il potenziometro R5B è possibile contenerla entro i limiti preferiti.
E in fine due parole anche sull'isteresi. Rispetto allo schema precedente, ho rimosso i due diodi in serie alla base di TR3, che hanno determinato la garbata e legittima obiezione di
setteali e di
g.schgor. Per compensare la rimozione dei due diodi, è stato necessario ritoccare i valori di R14 e R7, lasciando invariato il condensatore C4. Questi tre componenti determinano il tempo di isteresi che, da quanto ho potuto valutare, si aggira attorno a 0,5 secondi. In realtà il circuito impiega un tempo leggermente superiore a scaricare i condensatori, ma dopo 0,5 secondi l’energia della carica dei condensatori non è più sufficiente a far ripartire il funzionamento del dispositivo in caso di distacco accidentale delle pinze e fintanto che le pinze rimangono scollegate dalla batteria.
Credo di aver descritto tutti gli interventi fino ad ora testati ed allego lo schema.
Sto anche modificando lo schema e la PCB realizzati anche con Eagle e sto verificando se il programma DipTrace possa garantire migliori risultati rispetto ad Eagle. Appena possibile pubblicherò anche la PCB modificata e, occorrendo, anche il sorgente.
pubblico un ulteriore aggiornamento con le relative modifiche allo schema e all'elenco componenti.
Qualche parola sull'intervento eseguito, per chi ne fosse interessato, iniziando dall'alimentazione.
Ho aumentato la tensione di alimentazione in alternata portandola a 18V, utilizzando un trasformatore in grado di erogare 8 Ampere. Una corrente di 8 Ampere non è indispensabile ma avendo soltanto un trasformatore con quelle caratteristiche l’ho utilizzato.
La tensione, è stato proprio inevitabile aumentarla a 18 volt e, occorrendo, (trasformatore permettendo) potrebbe essere anche ulteriormente aumentata perché l’integrato regolatore, unico componente delicato, è stato protetto con uno zener.
Ho utilizzato l’aggettivo inevitabile perché tra PONTE, SSR, DARLINGTON e DIODO DS1, si verifica una caduta di tensione non indifferente in uscita: circa 5 volt. La conseguenza era la difficoltà di ottenere, all’occorrenza, corrente più elevata.
La corrente erogabile è condizionata da un insieme di elementi concorrenti, tutti comunque modificabili a seconda delle esigenze. Per la realizzazione con i componenti dello schema attuale, si ottiene una corrente che va da circa 1 Ampere a circa 5 Ampere, anche se non sono valori tassativi in quanto influenzati anche dal tipo di batteria.
Per opportuna utilità, ho introdotto un interruttore doppio che determina l’inserimento in parallelo della resistenza di potenza R4B e il collegamento della resistenza R5, ma con l’aggiunta del potenziometro lineare R5B da 2,5K, collegato in serie a quest’ultima. Questa modifica risulta utile qualora s’intenda ottenere una corrente elevata ma che non superi un determinato valore deciso dall'Utente. Infatti inserendo le predette resistenze, la corrente aumenterebbe notevolmente ma regolando il potenziometro R5B è possibile contenerla entro i limiti preferiti.
E in fine due parole anche sull'isteresi. Rispetto allo schema precedente, ho rimosso i due diodi in serie alla base di TR3, che hanno determinato la garbata e legittima obiezione di
Credo di aver descritto tutti gli interventi fino ad ora testati ed allego lo schema.
Sto anche modificando lo schema e la PCB realizzati anche con Eagle e sto verificando se il programma DipTrace possa garantire migliori risultati rispetto ad Eagle. Appena possibile pubblicherò anche la PCB modificata e, occorrendo, anche il sorgente.
-

gianniniivo
9.070 7 11 13 - No Rank
- Messaggi: 2875
- Iscritto il: 5 feb 2019, 23:50
1
voti
gianniniivo ha scritto:Sto anche modificando lo schema e la PCB realizzati anche con Eagle e sto verificando se il programma DipTrace possa garantire migliori risultati rispetto ad Eagle
Per un circuito semplice come questo non penso ci siano significativi vantaggi di uno sull'altro. Usa quello che conosci meglio e/o che ha le librerie per tutti i componenti richiesti
1
voti
Bellissimo lavoro e dettagliato come sempre.
Il nuovo programma CAD non lo conosco, però non lascerei Eagle visto che lo hai già usato e ci hai più pratica, anche se probabilmente tutti i CAD saranno simili, dipende molto dal tipo di librerie che ha come dice
edgar.
Immagino che il C.B. sia sempre al lavoro e superi sempre i nuovi test.
Il nuovo programma CAD non lo conosco, però non lascerei Eagle visto che lo hai già usato e ci hai più pratica, anche se probabilmente tutti i CAD saranno simili, dipende molto dal tipo di librerie che ha come dice
Immagino che il C.B. sia sempre al lavoro e superi sempre i nuovi test.
Alex
https://www.facebook.com/Elettronicaeelettrotecnica
<< vedi di pigliare arditamente in mano, il dizionario che ti suona in bocca,
se non altro è schietto e paesano.
(Giuseppe Giusti) <<
https://www.facebook.com/Elettronicaeelettrotecnica
<< vedi di pigliare arditamente in mano, il dizionario che ti suona in bocca,
se non altro è schietto e paesano.
(Giuseppe Giusti) <<
1
voti
Grazie per il suggerimento
edgar e
setteali,
in realtà io ho una conoscenza superficiale di entrambi i programmi, conosco un po’ meglio Eagle ma non di molto. Tuttavia, anche se devo ancora effettuare degli approfondimenti, ho colto l’impressione che DipTrace offra una migliore gestione dei Gerber. Per il resto su DipTrace non posso aggiungere altro. In effetti lo schema è semplice e, non essendo richieste elaborazioni particolari, possono andar bene entrambi.
Vedrò più avanti, dopo aver studiato un po’ più a fondo DipTrace, se la mia impressione collimerà con qualche esito un po’ più concreto.
Confermo il perfetto funzionamento, Alex.
Sto continuando a scaricare e ricaricare la batteria, con la mal celata ambiguità di chi cerca a tutti i costi di evidenziare (senza ammetterlo esplicitamente) qualche problema occulto. Niente da fare, svolge il suo onesto servizio snobbando le mie perfide intenzioni, e a questo punto credo di poter dire con tranquillità che il giocattolo è stabile. E’ vero che l’obbiettivo all'origine della discussione era un po’ diverso ma la soluzione è stata comunque trovata ed ha fornito buoni risultati. Del resto, l’integrato originale è praticamente introvabile ad un prezzo accettabile, gli SSR funzionano regolarmente e il problema dello stop & go in caso di distacco accidentale delle pinze è stato risolto. Il concetto circuitale non è molto differente dall'originale ed è simile anche visivamente.
Ovviamente è differente l’integrato regolatore ma il funzionamento è identico e l’insieme è anche più economico e non c’è più il relay che sfiamma…
in realtà io ho una conoscenza superficiale di entrambi i programmi, conosco un po’ meglio Eagle ma non di molto. Tuttavia, anche se devo ancora effettuare degli approfondimenti, ho colto l’impressione che DipTrace offra una migliore gestione dei Gerber. Per il resto su DipTrace non posso aggiungere altro. In effetti lo schema è semplice e, non essendo richieste elaborazioni particolari, possono andar bene entrambi.
Vedrò più avanti, dopo aver studiato un po’ più a fondo DipTrace, se la mia impressione collimerà con qualche esito un po’ più concreto.
Confermo il perfetto funzionamento, Alex.
Sto continuando a scaricare e ricaricare la batteria, con la mal celata ambiguità di chi cerca a tutti i costi di evidenziare (senza ammetterlo esplicitamente) qualche problema occulto. Niente da fare, svolge il suo onesto servizio snobbando le mie perfide intenzioni, e a questo punto credo di poter dire con tranquillità che il giocattolo è stabile. E’ vero che l’obbiettivo all'origine della discussione era un po’ diverso ma la soluzione è stata comunque trovata ed ha fornito buoni risultati. Del resto, l’integrato originale è praticamente introvabile ad un prezzo accettabile, gli SSR funzionano regolarmente e il problema dello stop & go in caso di distacco accidentale delle pinze è stato risolto. Il concetto circuitale non è molto differente dall'originale ed è simile anche visivamente.
Ovviamente è differente l’integrato regolatore ma il funzionamento è identico e l’insieme è anche più economico e non c’è più il relay che sfiamma…
-

gianniniivo
9.070 7 11 13 - No Rank
- Messaggi: 2875
- Iscritto il: 5 feb 2019, 23:50
Chi c’è in linea
Visitano il forum: Nessuno e 68 ospiti

Elettrotecnica e non solo (admin)
Un gatto tra gli elettroni (IsidoroKZ)
Esperienza e simulazioni (g.schgor)
Moleskine di un idraulico (RenzoDF)
Il Blog di ElectroYou (webmaster)
Idee microcontrollate (TardoFreak)
PICcoli grandi PICMicro (Paolino)
Il blog elettrico di carloc (carloc)
DirtEYblooog (dirtydeeds)
Di tutto... un po' (jordan20)
AK47 (lillo)
Esperienze elettroniche (marco438)
Telecomunicazioni musicali (clavicordo)
Automazione ed Elettronica (gustavo)
Direttive per la sicurezza (ErnestoCappelletti)
EYnfo dall'Alaska (mir)
Apriamo il quadro! (attilio)
H7-25 (asdf)
Passione Elettrica (massimob)
Elettroni a spasso (guidob)
Bloguerra (guerra)





