Commutatore stadio d'ingresso Preampli
Moderatori:
carloc,
g.schgor,
BrunoValente,
IsidoroKZ
0
voti
Anche oggi NON ho potuto dedicarmi alle modifiche perché ho dovuto lavorare.
In serata ho dato un’occhiata al preampli con il supporto di schema modificato e rivista ed ho riscontrato un problema che non saprei bene come risolvere, oltre ad una curiosità/stranezza imprevista che invece è risolvibile ma che per il momento preferirei accantonare per dare la precedenza al problema.
In base alle modifiche introdotte nello schema teorico dello stadio d’ingresso, dovremmo disaccoppiare l’uscita di S2C e S2D, con un condensatore da 22uF e una resistenza da 100K per ogni uscita. Dallo schema teorico è semplice farlo perché i componenti vengono piazzati anche secondo comodità. Nella pratica, invece, la situazione si complica perché al contrario dello schema elettrico, sulla PCB abbiamo le uscite che sono ovviamente posizionate prima del commutatore e tali uscite sono tre. Abbiamo due uscite per ogni canale (uscita Pickup separata da uscita micro) che soltanto dopo il selettore queste vengono commutate su un solo cavetto per ogni canale. Poi ci sono altre due uscite con la stessa sigla che collegano il selettore ai pin 1 e 13 dell’integrato. Adesso non saprei se sia meglio saldare condensatori e resistenze in cima al commutatore (ma questa soluzione non mi entusiasma) oppure se devo aggiungere condensatori e resistenze sulla PCB per ogni singola suscita, vale a dire, sei condensatori e sei resistenze per le commutazioni S2C e S2D.
Cosa è meglio fare?
Non sono sicuro di essermi spiegato nel migliore dei modi e per maggiore comprensione allego l’immagine della PCB con la cerchiatura dei punti da esaminare per decidere come procedere. Per la parte restante dello stadio d’ingresso mi sembra non ci siano problemi.
In serata ho dato un’occhiata al preampli con il supporto di schema modificato e rivista ed ho riscontrato un problema che non saprei bene come risolvere, oltre ad una curiosità/stranezza imprevista che invece è risolvibile ma che per il momento preferirei accantonare per dare la precedenza al problema.
In base alle modifiche introdotte nello schema teorico dello stadio d’ingresso, dovremmo disaccoppiare l’uscita di S2C e S2D, con un condensatore da 22uF e una resistenza da 100K per ogni uscita. Dallo schema teorico è semplice farlo perché i componenti vengono piazzati anche secondo comodità. Nella pratica, invece, la situazione si complica perché al contrario dello schema elettrico, sulla PCB abbiamo le uscite che sono ovviamente posizionate prima del commutatore e tali uscite sono tre. Abbiamo due uscite per ogni canale (uscita Pickup separata da uscita micro) che soltanto dopo il selettore queste vengono commutate su un solo cavetto per ogni canale. Poi ci sono altre due uscite con la stessa sigla che collegano il selettore ai pin 1 e 13 dell’integrato. Adesso non saprei se sia meglio saldare condensatori e resistenze in cima al commutatore (ma questa soluzione non mi entusiasma) oppure se devo aggiungere condensatori e resistenze sulla PCB per ogni singola suscita, vale a dire, sei condensatori e sei resistenze per le commutazioni S2C e S2D.
Cosa è meglio fare?
Non sono sicuro di essermi spiegato nel migliore dei modi e per maggiore comprensione allego l’immagine della PCB con la cerchiatura dei punti da esaminare per decidere come procedere. Per la parte restante dello stadio d’ingresso mi sembra non ci siano problemi.
0
voti
Bel casino, anche il cablaggio è degno di NE!
Attenzione, i punti in basso contrassegnati con S2C e S2D non mi pare siano utilizzabili perché non sono uscite degli operazionali.
Direi che il modo migliore sia quello di inserire i componenti a ridosso dei commutatori in questo modo
Oppure dall'altro capo dei cavi schermati in prossimità degli stampati ma non credo convenga, anzi per come sono incasinate le connessioni mi pare che dall'altro capo dei cavi non si possa fare.
La connessione al riferimento dei resistori da 100k sarebbe meglio farla sulla calza del relativo cavo schermato.
Questo è il cablaggio originale da cui ho estratto il particolare in questione.
Attenzione, i punti in basso contrassegnati con S2C e S2D non mi pare siano utilizzabili perché non sono uscite degli operazionali.
Direi che il modo migliore sia quello di inserire i componenti a ridosso dei commutatori in questo modo
Oppure dall'altro capo dei cavi schermati in prossimità degli stampati ma non credo convenga, anzi per come sono incasinate le connessioni mi pare che dall'altro capo dei cavi non si possa fare.
La connessione al riferimento dei resistori da 100k sarebbe meglio farla sulla calza del relativo cavo schermato.
Questo è il cablaggio originale da cui ho estratto il particolare in questione.
-

BrunoValente
39,6k 7 11 13 - G.Master EY

- Messaggi: 7796
- Iscritto il: 8 mag 2007, 14:48
0
voti
Grazie Bruno, un vero dedalo. Cercherò di ragionarci su perché il tuo schema, al primo sguardo non mi quadra. Io avrei scollegato dal commutatore solo i due fili uniti entrambi sulla stessa connessione e li avrei saldati al condensatore che a sua volta lo avrei collegato alla connessione dove prima erano saldati i due fili.
Tra i il punto di unione del condensatore e il commutatore, avrei saldato un reoforo della resistenza e l'altro reoforo al riferimento. Non so se in pratica hai fatto la stessa manovra e non la capisco oppure ho trascurato qualche dettaglio nella mia ipotesi. Potrei fare un disegno di come avrei fatto io.
Tra i il punto di unione del condensatore e il commutatore, avrei saldato un reoforo della resistenza e l'altro reoforo al riferimento. Non so se in pratica hai fatto la stessa manovra e non la capisco oppure ho trascurato qualche dettaglio nella mia ipotesi. Potrei fare un disegno di come avrei fatto io.
0
voti
Ah, forse ho capito. Mi hai fatto collegare addirittura il secondo condensatore, quello sull'uscita?
Ma qualora avessi compreso le tue indicazioni, il secondo condensatore non sarebbe possibile collegarlo direttamente in serie alla porta di uscita? Quel commutatore meno lo tocco e meglio è...
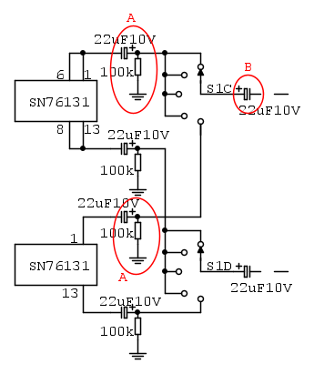
Quello che non mi quadra è il primo quadrante [A] in alto. Quel filo non dovrebbe essere lasciato collegato direttamente come era in origine? Non mi sembra che ci vadano componenti su quella connessione.
Ma qualora avessi compreso le tue indicazioni, il secondo condensatore non sarebbe possibile collegarlo direttamente in serie alla porta di uscita? Quel commutatore meno lo tocco e meglio è...
Quello che non mi quadra è il primo quadrante [A] in alto. Quel filo non dovrebbe essere lasciato collegato direttamente come era in origine? Non mi sembra che ci vadano componenti su quella connessione.
0
voti
Elidur ha scritto:Ah, forse ho capito. Mi hai fatto collegare addirittura il secondo condensatore, quello sull'uscita?
Ma qualora avessi compreso le tue indicazioni, il secondo condensatore non sarebbe possibile collegarlo direttamente in serie alla porta di uscita? Quel commutatore meno lo tocco e meglio è...
Sì, va comunque messo in serie all'uscita del commutatore, a ridosso del commutatore oppure in ingresso alla scheda del controllo dei toni.
Elidur ha scritto:Quello che non mi quadra è il primo quadrante [A] in alto. Quel filo non dovrebbe essere lasciato collegato direttamente come era in origine? Non mi sembra che ci vadano componenti su quella connessione.
Il quadrato in alto comprende i componenti che andrebbero mesi in serie tra l'uscita (pin1) del primo integrato e i quattro ingressi del commutatore collegati insieme
Ho rappresentato solo i componenti da aggiungere ad un canale, lo stesso va fatto per l'altro.
-

BrunoValente
39,6k 7 11 13 - G.Master EY

- Messaggi: 7796
- Iscritto il: 8 mag 2007, 14:48
0
voti
Mi sa che ho sbagliato: ho messo il condensatore (blocco B) in serie all'uscita della sezione relativa all'altro canale, questo è il collegamento corretto.
Comunque va tutto replicato anche sull'altro canale, quindi il condensatore va anche dove lo avevo messo prima
Comunque va tutto replicato anche sull'altro canale, quindi il condensatore va anche dove lo avevo messo prima
-

BrunoValente
39,6k 7 11 13 - G.Master EY

- Messaggi: 7796
- Iscritto il: 8 mag 2007, 14:48
0
voti
Ci sarebbe ancora da verificare se i collegamenti delle calze dei cavi schermati siano corretti, nel layout di NE ci sono delle inesattezze:
NE forniva nel kit i connettori RCA per gli ingressi del tipo assemblato a coppia su una piastrina di bachelite, come quelli raffigurati sulla rivista nel disegno del layout.
Quel tipo di connettori (peraltro di pessima qualità) erano fatti per essere fissati su delle asole rettangolari che andavano praticate nel pannello posteriore del contenitore e garantivano, giustamente, l'isolamento tra il telaio metallico del contenitore e il riferimento comune dei connettori.
Il collegamento tra la parte circolare esterna dei connettori e il riferimento del circuito andava quindi assicurato attraverso la calza del cavo schermato che da una parte andava saldata all'apposito pin del connettore (chiamato massa nel disegno del layout di NE) e dall'altra al riferimento sul circuito stampato.
Però, osservando il disegno del layout di NE, si può notare come invece dal lato opposto ai connettori le calze dei cavi siano isolate e questo ovviamente non va bene.
Il collegamento corretto quindi prevede che al livello del commutatore le calze dei cavi schermati non siano isolate ma che invece siano tra loro collegate, fermo restando che la parte metallica esterna dei connettori non sia in contatto con il telaio metallico del contenitore.
NE forniva nel kit i connettori RCA per gli ingressi del tipo assemblato a coppia su una piastrina di bachelite, come quelli raffigurati sulla rivista nel disegno del layout.
Quel tipo di connettori (peraltro di pessima qualità) erano fatti per essere fissati su delle asole rettangolari che andavano praticate nel pannello posteriore del contenitore e garantivano, giustamente, l'isolamento tra il telaio metallico del contenitore e il riferimento comune dei connettori.
Il collegamento tra la parte circolare esterna dei connettori e il riferimento del circuito andava quindi assicurato attraverso la calza del cavo schermato che da una parte andava saldata all'apposito pin del connettore (chiamato massa nel disegno del layout di NE) e dall'altra al riferimento sul circuito stampato.
Però, osservando il disegno del layout di NE, si può notare come invece dal lato opposto ai connettori le calze dei cavi siano isolate e questo ovviamente non va bene.
Il collegamento corretto quindi prevede che al livello del commutatore le calze dei cavi schermati non siano isolate ma che invece siano tra loro collegate, fermo restando che la parte metallica esterna dei connettori non sia in contatto con il telaio metallico del contenitore.
-

BrunoValente
39,6k 7 11 13 - G.Master EY

- Messaggi: 7796
- Iscritto il: 8 mag 2007, 14:48
0
voti
Ciao Bruno, ho visto ma procediamo per piccoli passi altrimenti mi perdo.
Per me andava bene in parte anche il collegamento di prima perché tanto andava replicato per entrambi i canali. Quello che non mi sembra corretto è l’aggiunta di un condensatore (credo) sul cavo contrassegnato da una X. A mio modo di vedere quel cavo deve rimanere collegato al commutatore senza componenti intermedi, mentre gli altri sono giusti e vanno replicati.
Per me andava bene in parte anche il collegamento di prima perché tanto andava replicato per entrambi i canali. Quello che non mi sembra corretto è l’aggiunta di un condensatore (credo) sul cavo contrassegnato da una X. A mio modo di vedere quel cavo deve rimanere collegato al commutatore senza componenti intermedi, mentre gli altri sono giusti e vanno replicati.
0
voti
Forse adesso ho capito perché hai messo il condensatore anche sul filo rosso. Quel cavo rappresenta l'uscita dell'altro integrato ma il disegno mi ha ingannato perché quel condensatore lo avrei messo sulla PCB, che è anche più facile piazzare il resistore... 
Chi c’è in linea
Visitano il forum: Majestic-12 [Bot] e 66 ospiti

Elettrotecnica e non solo (admin)
Un gatto tra gli elettroni (IsidoroKZ)
Esperienza e simulazioni (g.schgor)
Moleskine di un idraulico (RenzoDF)
Il Blog di ElectroYou (webmaster)
Idee microcontrollate (TardoFreak)
PICcoli grandi PICMicro (Paolino)
Il blog elettrico di carloc (carloc)
DirtEYblooog (dirtydeeds)
Di tutto... un po' (jordan20)
AK47 (lillo)
Esperienze elettroniche (marco438)
Telecomunicazioni musicali (clavicordo)
Automazione ed Elettronica (gustavo)
Direttive per la sicurezza (ErnestoCappelletti)
EYnfo dall'Alaska (mir)
Apriamo il quadro! (attilio)
H7-25 (asdf)
Passione Elettrica (massimob)
Elettroni a spasso (guidob)
Bloguerra (guerra)


