Relay Carica batterie LX 327 (NE)
Moderatori:
carloc,
g.schgor,
BrunoValente,
IsidoroKZ
0
voti
In realtà sono gradi dello US Army,non c'è corrispondenza diretta con quelli nostrani vedi qui p. es.
la assegnazione comunque è automatica e mi pare dipenda semplicemente dal numero di post inseriti* indipendentemente dai meriti, a parte quello della grande attività protratta nel tempo sul forum.
*Naturalmente non bisogna però trolleggiare altrimenti si incorre nel plotone di esecuzione (virtuale)
la assegnazione comunque è automatica e mi pare dipenda semplicemente dal numero di post inseriti* indipendentemente dai meriti, a parte quello della grande attività protratta nel tempo sul forum.
*Naturalmente non bisogna però trolleggiare altrimenti si incorre nel plotone di esecuzione (virtuale)
"Non farei mai parte di un club che accettasse la mia iscrizione" (G. Marx)
-

claudiocedrone
21,3k 4 7 9 - Master EY

- Messaggi: 15303
- Iscritto il: 18 gen 2012, 13:36
0
voti

"Non farei mai parte di un club che accettasse la mia iscrizione" (G. Marx)
-

claudiocedrone
21,3k 4 7 9 - Master EY

- Messaggi: 15303
- Iscritto il: 18 gen 2012, 13:36
2
voti
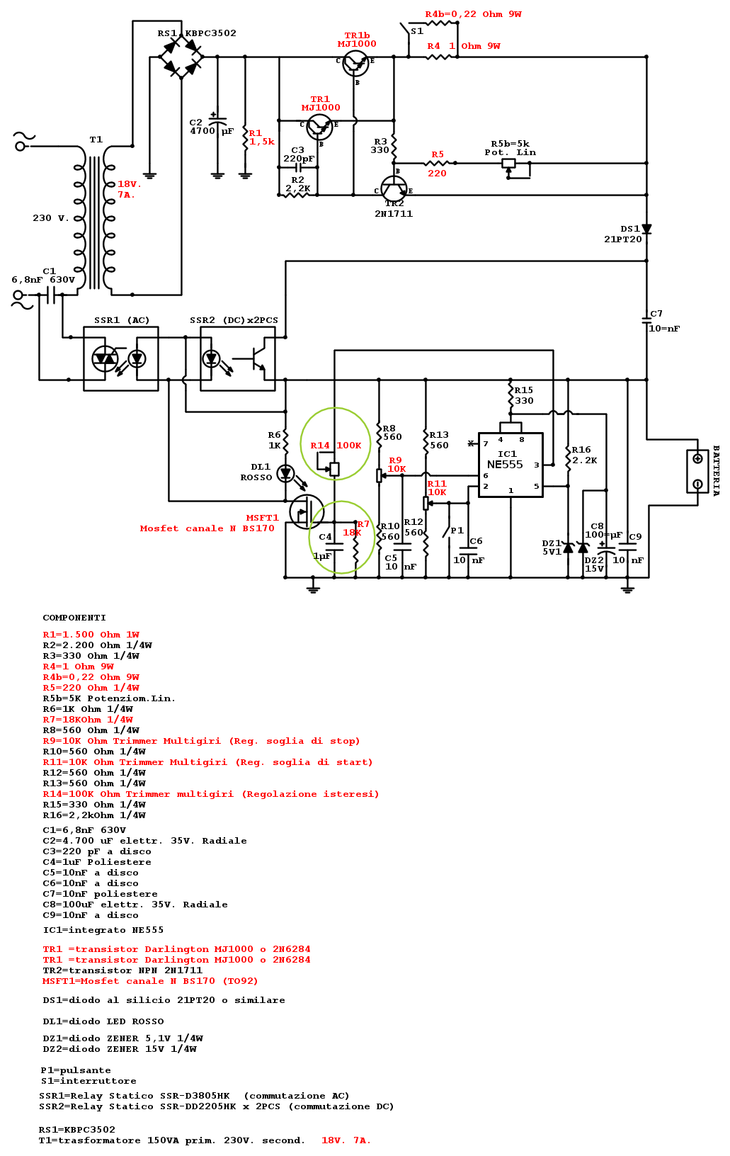
Rieccomi, un saluto a tutti, sarò un po’ meno breve del solito...
Come “minacciato” al punto 378, ritorno in argomento per delineare le modifiche eseguite e i risultati ottenuti.
In primo luogo devo evidenziare il ripristino del trasformatore e il raddrizzatore.
L’alimentatore switching da 24 V, con cui avevo sostituiti il trasformatore, il ponte e l’elettrolitico, pur funzionando di per sé molto bene, erogava una tensione stabilizzata troppo elevata per il circuito a valle, e si determinava un riscaldamento eccessivo di alcuni componenti in caso di assorbimento significativo di corrente. Anche se, con il trasformatore, la tensione ai capi del condensatore di livellamento (senza carico) non è molto inferiore a quella erogata dallo switching, va considerato che tale tensione non è stabilizzata e con l’aumentare del carico questa diminuisce, mentre con lo switching la tensione rimaneva stabile a 24 V, con conseguente ed inutile dissipazione di calore. Ho cercato di reperire uno switching da 18V DC ma non ho trovato niente di interessante, dunque, gioco forza e obtorto collo, è ritornato il pesante trasformatore, almeno per ora…
Ho effettuato anche la rivalutazione di alcuni componenti come di seguito descriverò, senza che le modifiche abbiano tuttavia influito sul disegno della PCB, trattandosi soltanto di una messa a punto e ulteriore personalizzazione.
1) Per maggiore tranquillità, ho raddoppiato lo stadio finale. Poteva non essere un intervento indispensabile ma dal momento che il dispositivo potrebbe essere facilmente modificato per erogare anche 6 o 7 Ampere, ho preferito anticipare gli eventi e mantenere tiepidi i finali. Ho utilizzato una coppia di Darlington MJ1000 perché li avevo già disponibili su un dissipatore ma andranno benissimo anche altri Darlington in TO3, ad esempio, il 2N6284 o quant’altro.
2) Ho modificato il valore delle resistenze di sensing per avere due opzioni di potenza regolabili mediante S1 e il potenziometro R5b (BASSA POTENZA E ALTA POTENZA). Con la sola resistenza da 1 Ohm e il potenziometro R5b, si ottiene una regolazione della corrente che va da 0,5A a 1,5A circa. Commutando in parallelo la resistenza da 0,22 Ohm, la corrente erogata può essere variata da 3 a 4A. Il dispositivo potrebbe erogare anche correnti superiori ma ho ritenuto personalmente sufficienti gli Ampere attualmente erogati. Ovviamente questi valori di corrente sono facilmente modificabili con semplici interventi da parte dell’utente a seconda delle esigenze.
3) Ridotto il valore della resistenza R5 da 270 a 220 Ohm. Dallo schema si potrebbe percepire che tale resistenza risulti saldata direttamente al potenziometro R5b ma in pratica non è così. Avendo eliminato dalla PCB l’interruttore S1a, le connessioni provenienti dal potenziometro R5b vanno collegate al morsetto sulla PCB, originariamente riservato all'interruttore S1a. In questo modo, ribadisco, è possibile regolare (linearmente) sia la bassa corrente sia l’alta corrente; ritengo sia una funzione utile.
4) Modificato il valore dei trimmer di start & stop R11 e R9, portandoli entrambi da 20K a 10K. Il valore di 20K, era stato predeterminato per ottenere un range maggiore e consentire al circuito (con una modifica susseguente) di regolare tensioni per la carica di batterie da 6, 12, 24 V (commutando le prese del trasformatore e i trimmer di soglia aggiuntivi) ma ripensandoci e constatando che dimezzando il valore di tali trimmer, la regolazione delle soglie risultava molto più morbida, ho optato per la selezione del valore da 10K, destinando il carica batterie alla sola carica di accumulatori da 12V.
Personalmente, ho regolato la soglia di start a 12,7V e la soglia di stop a 14,7V.
5) Ho sostituito la resistenza R14 con un trimmer multigiri da 100k Ohm in quanto tale resistore concorre per la gestione dell’isteresi. L’isteresi, lo ricordo per chi non avesse letto tutta la discussione, è utile in caso di distacco voluto o accidentale delle pinze dalla batteria durante la carica, evitando, così, che si inneschi una commutazione ciclica degli SSR per via del raggiungimento della soglia minima e massima dovuta alla carica e scarica dei condensatori. Scollegando le pinze e grazie all'isteresi, s’interrompe il funzionamento del circuito fino al ripristino delle predette pinze sui poli della batteria, impedendo, appunto, che gli SSR si attivino e si disattivino "all'infinito". La resistenza a valore fisso (R14) precedentemente adottata, non rendeva affidabile la funzione dell’isteresi con i valori di soglia (predeterminati) a causa delle tolleranze intrinseche dei componenti. L’inserimento del trimmer, invece (dopo aver regolato le soglie di intervento per lo start & stop) ha reso possibile, “sintonizzare” il partitore RC dell’isteresi nella zona d’influenza preferita dall'utente per le predette soglie, annullando così il problema delle tolleranze.
Il trimmer R14 risulta tarato ad un valore resistivo di 34,5k, tuttavia ho preferito non sostituirlo con un esemplare di valore inferiore perché non escludo che modificando R14, R7 e C4, sia possibile migliorare ulteriormente le prestazioni dell’isteresi. Per il momento non ho ritenuto tuttavia opportuno modificare l’insieme di tali valori in quanto, certe operazioni di modifica richiedono un certo impegno di tempo nella fase di debug e, se protratte per ripetuti tentativi, mettono a rischio l’integrità delle piste della PCB.
Anche il condensatore C7 del partitore, si è rivelato un componente importante per l’isteresi. Ho tribolato un po’ per determinarne il valore in quanto, essendo un componente non regolabile, ho dovuto procedere con un po’ di sostituzioni. Un valore inadeguato (in caso di distacco delle pinze) poteva risultare di capacità insufficiente ad una tensione di carica alta e di capacità eccessiva a tensione di carica bassa. Il valore di 1uF si è rivelato essere la capacità ideale per lavorare in sinergia con il resto del partitore. Ho considerato quindi meritevole il risultato attualmente ottenuto sia per l’isteresi sia per l’attivabilità del dispositivo.
Collegando le pinze alla batteria da ricaricare, il dispositivo è in grado di attivarsi automaticamente ma la tensione residua di carica della batteria non deve risultare inferiore ai 10,5V.
6) Ed ora cercherò di descrivere i motivi all'origine della sostituzione del transistor TR3 con il mosfet a canale N MSFT1, (BS170) sperando di non commettere errori descrittivi e cercando di spiegare in modo appropriato le ragioni dell’avvicendamento. Diciamo che ci provo, eventualmente qualche amico mi correggerà.
Dopo aver assemblato la PCB definitiva, mi sono accorto che la funzione di isteresi era diventata critica da regolare per l’intero range dello start & stop, nonostante l’aggiunta del trimmer R14, molto probabilmente a causa del ripristino del condensatore C2 e della sua capacità più che raddoppiata a 4.700uF, nonché per l’influenza della corrente di base di TR3 (variabile a seconda della tensione di carica della batteria e delle capacità presenti).
Come risulta evidente dallo schema, l’ottenimento dell’isteresi non viene raggiunto mediante una soluzione tecnica “ortodossa” ma attraverso un artificio “eretico”. Tale artificio consente di mantenere in interdizione per una manciata di millisecondi il semiconduttore di commutazione, dando il tempo alle capacita circuitali di scaricarsi prima dell’esaurimento dell’effetto interdittivo del partitore RC.
Con il transistor bastava superare gli 0,6/0,7V per mandarlo in saturazione, ma per mantenerlo in interdizione fino all’esaurimento dell’energia posseduta dai condensatori, occorreva un tempo maggiore, dovendolo mantenere in interdizione fino ad una caduta di energia, da parte dei condensatori, prossima allo zero. Questa circostanza sommata alle altre citate, rendeva impossibile ottenere un effetto isteresi lineare, o il più lineare possibile. Il mosfet si è rivelato essere meno sensibile a tali variazioni, non essendoci un ulteriore consumo di corrente da parte della Base (grazie al Gate). Inoltre, occorrendo una tensione di saturazione di circa 3V, anche il tempo d’interdizione richiesto diventa più breve, dato che quando l’energia dei condensatori non è più sufficiente a risaturare il mosfet (3V) il circuito non riparte più e gli SSR rimangono aperti se le pinze risultano scollegate dai poli.
Giunti a questo punto, esaurita la descrizione degli interventi, vorrei spendere qualche parola un po’ più in generale sui carica batterie ma senza escludere dal principio generale anche l’esemplare facente parte di questo progetto.
Oggi, benché mi renda perfettamente conto di non aver realizzato un dispositivo ad elevata tecnologia, credo di poter affermare con umana certezza che non sempre ciò che appaia come tecnologicamente superiore debba necessariamente corrispondere ad un criterio di qualità ed affidabilità.
Di carica batterie ne ho costruiti parecchi ma è mia ferma convinzione che un carica batterie che ad attività conclusa interrompa anche l’alimentazione di rete sia migliore di tanti prodotti analoghi più blasonati che però non svolgono tale funzione. Non ho inventato niente, prima di me ci aveva pensato N.E. e chissà chi altro ma con questo progetto ho modernizzato un’idea andata oltre le intenzioni, rinnovandola e realizzandola con dei componenti a basso costo (anche di recupero) e che sono quasi tutti presenti nei cassettini di ogni appassionato di elettronica. Oltre a ciò, aggiungo anche la soddisfazione di costruire sia per divertimento sia per utilità.
Ciò premesso, ammetto di essere un po’ un “fanatico” degli alimentatori e dei carica batterie perché oltre ad aver costruito un certo numero di carica batterie, ne ho anche acquistati tre modelli di marca differente (sia pur di costo contenuto) ma tutti basati su tecnologia switching. Ecco, non posso negare il valore di certe caratteristiche di pregio come la leggerezza, la tecnologia più moderna, i display e quant'altro, eppure ho dovuto accusare anche delle delusioni, non tanto sulle caratteristiche precedentemente accennate ma per metodo di carica degli accumulatori, che poi è il requisito più importante.
Colgo l’occasione per confrontare alcuni esemplari.
Ad esempio, i seguenti:
costano poco e dalla descrizione sembrerebbero anche buoni prodotti ma non è così. Il primo, quando la batteria è scarica eroga una corrente di 10 Ampere per circa un’ora, poi la corrente comincia lentamente a scendere. Il secondo, anche lui stesso difetto del precedente ma invece di erogare una corrente di 10 Ampere si limita a 6 Ampere, ma soltanto perché quella è la sua portata massima. In compenso tale erogazione ha una durata temporale superiore al precedente; non credo che sia un buon modo di caricare un accumulatore.
Poi c’è anche quest’ultimo:
anche lui switching. Ecco, questo è già migliore ma anche questo nella carica a bassa corrente, indicata per le batterie da moto, eroga sempre 2,5 Ampere a batteria scarica e per una batteria da 10 Ampere/Ora non è l’ideale per la vita della batteria. Anche per la carica delle batteria da automobile, a batteria molto scarica, eroga 5 Ampere per parecchio tempo.
In sostanza, intendo dire che ritengo preferibile un dispositivo che permetta di impostare la corrente costante da erogare a seconda delle necessita e del tipo di accumulatore, oltre a togliere l’alimentazione di rete a carica avvenuta. Poi, si possono trovare in commercio anche dispositivi decisamente superiori, sostenendo comunque anche un costo sensibilmente maggiore. Credo tuttavia che alcune caratteristiche particolari andrebbero molto probabilmente a coincidere con le peculiarità del dispositivo autocostruito e qui presentato.
Il progetto, dunque, credo possa ritenersi completato. Rimango tuttavia a disposizione per ricevere ulteriori suggerimenti sempre graditi. Allego l’ultima versione dello schema elettrico e una fotografia della PCB completata.
Mi sto chiedendo se tale dispositivo, essendo stato completamente riprogettato, sia anche possibile pubblicarlo, ex novo, nella mia sezione articoli, tralasciando, ovviamente, tutto il pregresso inerente il travaglio sul dispositivo originale di N.E.
Domando: si può fare?
Non so se mi capiterà un’altra occasione…
Come “minacciato” al punto 378, ritorno in argomento per delineare le modifiche eseguite e i risultati ottenuti.
In primo luogo devo evidenziare il ripristino del trasformatore e il raddrizzatore.
L’alimentatore switching da 24 V, con cui avevo sostituiti il trasformatore, il ponte e l’elettrolitico, pur funzionando di per sé molto bene, erogava una tensione stabilizzata troppo elevata per il circuito a valle, e si determinava un riscaldamento eccessivo di alcuni componenti in caso di assorbimento significativo di corrente. Anche se, con il trasformatore, la tensione ai capi del condensatore di livellamento (senza carico) non è molto inferiore a quella erogata dallo switching, va considerato che tale tensione non è stabilizzata e con l’aumentare del carico questa diminuisce, mentre con lo switching la tensione rimaneva stabile a 24 V, con conseguente ed inutile dissipazione di calore. Ho cercato di reperire uno switching da 18V DC ma non ho trovato niente di interessante, dunque, gioco forza e obtorto collo, è ritornato il pesante trasformatore, almeno per ora…
Ho effettuato anche la rivalutazione di alcuni componenti come di seguito descriverò, senza che le modifiche abbiano tuttavia influito sul disegno della PCB, trattandosi soltanto di una messa a punto e ulteriore personalizzazione.
1) Per maggiore tranquillità, ho raddoppiato lo stadio finale. Poteva non essere un intervento indispensabile ma dal momento che il dispositivo potrebbe essere facilmente modificato per erogare anche 6 o 7 Ampere, ho preferito anticipare gli eventi e mantenere tiepidi i finali. Ho utilizzato una coppia di Darlington MJ1000 perché li avevo già disponibili su un dissipatore ma andranno benissimo anche altri Darlington in TO3, ad esempio, il 2N6284 o quant’altro.
2) Ho modificato il valore delle resistenze di sensing per avere due opzioni di potenza regolabili mediante S1 e il potenziometro R5b (BASSA POTENZA E ALTA POTENZA). Con la sola resistenza da 1 Ohm e il potenziometro R5b, si ottiene una regolazione della corrente che va da 0,5A a 1,5A circa. Commutando in parallelo la resistenza da 0,22 Ohm, la corrente erogata può essere variata da 3 a 4A. Il dispositivo potrebbe erogare anche correnti superiori ma ho ritenuto personalmente sufficienti gli Ampere attualmente erogati. Ovviamente questi valori di corrente sono facilmente modificabili con semplici interventi da parte dell’utente a seconda delle esigenze.
3) Ridotto il valore della resistenza R5 da 270 a 220 Ohm. Dallo schema si potrebbe percepire che tale resistenza risulti saldata direttamente al potenziometro R5b ma in pratica non è così. Avendo eliminato dalla PCB l’interruttore S1a, le connessioni provenienti dal potenziometro R5b vanno collegate al morsetto sulla PCB, originariamente riservato all'interruttore S1a. In questo modo, ribadisco, è possibile regolare (linearmente) sia la bassa corrente sia l’alta corrente; ritengo sia una funzione utile.
4) Modificato il valore dei trimmer di start & stop R11 e R9, portandoli entrambi da 20K a 10K. Il valore di 20K, era stato predeterminato per ottenere un range maggiore e consentire al circuito (con una modifica susseguente) di regolare tensioni per la carica di batterie da 6, 12, 24 V (commutando le prese del trasformatore e i trimmer di soglia aggiuntivi) ma ripensandoci e constatando che dimezzando il valore di tali trimmer, la regolazione delle soglie risultava molto più morbida, ho optato per la selezione del valore da 10K, destinando il carica batterie alla sola carica di accumulatori da 12V.
Personalmente, ho regolato la soglia di start a 12,7V e la soglia di stop a 14,7V.
5) Ho sostituito la resistenza R14 con un trimmer multigiri da 100k Ohm in quanto tale resistore concorre per la gestione dell’isteresi. L’isteresi, lo ricordo per chi non avesse letto tutta la discussione, è utile in caso di distacco voluto o accidentale delle pinze dalla batteria durante la carica, evitando, così, che si inneschi una commutazione ciclica degli SSR per via del raggiungimento della soglia minima e massima dovuta alla carica e scarica dei condensatori. Scollegando le pinze e grazie all'isteresi, s’interrompe il funzionamento del circuito fino al ripristino delle predette pinze sui poli della batteria, impedendo, appunto, che gli SSR si attivino e si disattivino "all'infinito". La resistenza a valore fisso (R14) precedentemente adottata, non rendeva affidabile la funzione dell’isteresi con i valori di soglia (predeterminati) a causa delle tolleranze intrinseche dei componenti. L’inserimento del trimmer, invece (dopo aver regolato le soglie di intervento per lo start & stop) ha reso possibile, “sintonizzare” il partitore RC dell’isteresi nella zona d’influenza preferita dall'utente per le predette soglie, annullando così il problema delle tolleranze.
Il trimmer R14 risulta tarato ad un valore resistivo di 34,5k, tuttavia ho preferito non sostituirlo con un esemplare di valore inferiore perché non escludo che modificando R14, R7 e C4, sia possibile migliorare ulteriormente le prestazioni dell’isteresi. Per il momento non ho ritenuto tuttavia opportuno modificare l’insieme di tali valori in quanto, certe operazioni di modifica richiedono un certo impegno di tempo nella fase di debug e, se protratte per ripetuti tentativi, mettono a rischio l’integrità delle piste della PCB.
Anche il condensatore C7 del partitore, si è rivelato un componente importante per l’isteresi. Ho tribolato un po’ per determinarne il valore in quanto, essendo un componente non regolabile, ho dovuto procedere con un po’ di sostituzioni. Un valore inadeguato (in caso di distacco delle pinze) poteva risultare di capacità insufficiente ad una tensione di carica alta e di capacità eccessiva a tensione di carica bassa. Il valore di 1uF si è rivelato essere la capacità ideale per lavorare in sinergia con il resto del partitore. Ho considerato quindi meritevole il risultato attualmente ottenuto sia per l’isteresi sia per l’attivabilità del dispositivo.
Collegando le pinze alla batteria da ricaricare, il dispositivo è in grado di attivarsi automaticamente ma la tensione residua di carica della batteria non deve risultare inferiore ai 10,5V.
6) Ed ora cercherò di descrivere i motivi all'origine della sostituzione del transistor TR3 con il mosfet a canale N MSFT1, (BS170) sperando di non commettere errori descrittivi e cercando di spiegare in modo appropriato le ragioni dell’avvicendamento. Diciamo che ci provo, eventualmente qualche amico mi correggerà.
Dopo aver assemblato la PCB definitiva, mi sono accorto che la funzione di isteresi era diventata critica da regolare per l’intero range dello start & stop, nonostante l’aggiunta del trimmer R14, molto probabilmente a causa del ripristino del condensatore C2 e della sua capacità più che raddoppiata a 4.700uF, nonché per l’influenza della corrente di base di TR3 (variabile a seconda della tensione di carica della batteria e delle capacità presenti).
Come risulta evidente dallo schema, l’ottenimento dell’isteresi non viene raggiunto mediante una soluzione tecnica “ortodossa” ma attraverso un artificio “eretico”. Tale artificio consente di mantenere in interdizione per una manciata di millisecondi il semiconduttore di commutazione, dando il tempo alle capacita circuitali di scaricarsi prima dell’esaurimento dell’effetto interdittivo del partitore RC.
Con il transistor bastava superare gli 0,6/0,7V per mandarlo in saturazione, ma per mantenerlo in interdizione fino all’esaurimento dell’energia posseduta dai condensatori, occorreva un tempo maggiore, dovendolo mantenere in interdizione fino ad una caduta di energia, da parte dei condensatori, prossima allo zero. Questa circostanza sommata alle altre citate, rendeva impossibile ottenere un effetto isteresi lineare, o il più lineare possibile. Il mosfet si è rivelato essere meno sensibile a tali variazioni, non essendoci un ulteriore consumo di corrente da parte della Base (grazie al Gate). Inoltre, occorrendo una tensione di saturazione di circa 3V, anche il tempo d’interdizione richiesto diventa più breve, dato che quando l’energia dei condensatori non è più sufficiente a risaturare il mosfet (3V) il circuito non riparte più e gli SSR rimangono aperti se le pinze risultano scollegate dai poli.
Giunti a questo punto, esaurita la descrizione degli interventi, vorrei spendere qualche parola un po’ più in generale sui carica batterie ma senza escludere dal principio generale anche l’esemplare facente parte di questo progetto.
Oggi, benché mi renda perfettamente conto di non aver realizzato un dispositivo ad elevata tecnologia, credo di poter affermare con umana certezza che non sempre ciò che appaia come tecnologicamente superiore debba necessariamente corrispondere ad un criterio di qualità ed affidabilità.
Di carica batterie ne ho costruiti parecchi ma è mia ferma convinzione che un carica batterie che ad attività conclusa interrompa anche l’alimentazione di rete sia migliore di tanti prodotti analoghi più blasonati che però non svolgono tale funzione. Non ho inventato niente, prima di me ci aveva pensato N.E. e chissà chi altro ma con questo progetto ho modernizzato un’idea andata oltre le intenzioni, rinnovandola e realizzandola con dei componenti a basso costo (anche di recupero) e che sono quasi tutti presenti nei cassettini di ogni appassionato di elettronica. Oltre a ciò, aggiungo anche la soddisfazione di costruire sia per divertimento sia per utilità.
Ciò premesso, ammetto di essere un po’ un “fanatico” degli alimentatori e dei carica batterie perché oltre ad aver costruito un certo numero di carica batterie, ne ho anche acquistati tre modelli di marca differente (sia pur di costo contenuto) ma tutti basati su tecnologia switching. Ecco, non posso negare il valore di certe caratteristiche di pregio come la leggerezza, la tecnologia più moderna, i display e quant'altro, eppure ho dovuto accusare anche delle delusioni, non tanto sulle caratteristiche precedentemente accennate ma per metodo di carica degli accumulatori, che poi è il requisito più importante.
Colgo l’occasione per confrontare alcuni esemplari.
Ad esempio, i seguenti:
costano poco e dalla descrizione sembrerebbero anche buoni prodotti ma non è così. Il primo, quando la batteria è scarica eroga una corrente di 10 Ampere per circa un’ora, poi la corrente comincia lentamente a scendere. Il secondo, anche lui stesso difetto del precedente ma invece di erogare una corrente di 10 Ampere si limita a 6 Ampere, ma soltanto perché quella è la sua portata massima. In compenso tale erogazione ha una durata temporale superiore al precedente; non credo che sia un buon modo di caricare un accumulatore.
Poi c’è anche quest’ultimo:
anche lui switching. Ecco, questo è già migliore ma anche questo nella carica a bassa corrente, indicata per le batterie da moto, eroga sempre 2,5 Ampere a batteria scarica e per una batteria da 10 Ampere/Ora non è l’ideale per la vita della batteria. Anche per la carica delle batteria da automobile, a batteria molto scarica, eroga 5 Ampere per parecchio tempo.
In sostanza, intendo dire che ritengo preferibile un dispositivo che permetta di impostare la corrente costante da erogare a seconda delle necessita e del tipo di accumulatore, oltre a togliere l’alimentazione di rete a carica avvenuta. Poi, si possono trovare in commercio anche dispositivi decisamente superiori, sostenendo comunque anche un costo sensibilmente maggiore. Credo tuttavia che alcune caratteristiche particolari andrebbero molto probabilmente a coincidere con le peculiarità del dispositivo autocostruito e qui presentato.
Il progetto, dunque, credo possa ritenersi completato. Rimango tuttavia a disposizione per ricevere ulteriori suggerimenti sempre graditi. Allego l’ultima versione dello schema elettrico e una fotografia della PCB completata.
Mi sto chiedendo se tale dispositivo, essendo stato completamente riprogettato, sia anche possibile pubblicarlo, ex novo, nella mia sezione articoli, tralasciando, ovviamente, tutto il pregresso inerente il travaglio sul dispositivo originale di N.E.
Domando: si può fare?
Non so se mi capiterà un’altra occasione…
-

gianniniivo
9.045 7 11 13 - No Rank
- Messaggi: 2875
- Iscritto il: 5 feb 2019, 23:50
1
voti
gianniniivo ha scritto: ...Ho cercato di reperire uno switching da 18V DC ma non ho trovato niente di interessante...
19 V e 6,3 A non andrebbero bene? E' l'alimentatore del mio ex NB Asus...
"Non farei mai parte di un club che accettasse la mia iscrizione" (G. Marx)
-

claudiocedrone
21,3k 4 7 9 - Master EY

- Messaggi: 15303
- Iscritto il: 18 gen 2012, 13:36
0
voti
Ciao
claudiocedrone, andrebbe bene si. Ma sei sicuro degli Ampere? Immagino che per NB tu intenda NoteBook o NetBook.
-

gianniniivo
9.045 7 11 13 - No Rank
- Messaggi: 2875
- Iscritto il: 5 feb 2019, 23:50
1
voti
Notebook, I dati sono quelli di targa non li ho mai verificati ma non credo siano mendaci 
i nuovi NB usano tensioni più elevate e correnti minori ma quelli vecchi ciucciavano parecchio, potresti cercare di recuperarne uno o alle brutte ti spedisco il mio che giace inutilizzato da tempo e mi impiccia pure
è solo evirato dello spinotto e della seconda ferrite del cavo in DC perché ho riciclato quel pezzo per sostituire l'alimentatore smarrito del mio Fender MiniMustang
i nuovi NB usano tensioni più elevate e correnti minori ma quelli vecchi ciucciavano parecchio, potresti cercare di recuperarne uno o alle brutte ti spedisco il mio che giace inutilizzato da tempo e mi impiccia pure
è solo evirato dello spinotto e della seconda ferrite del cavo in DC perché ho riciclato quel pezzo per sostituire l'alimentatore smarrito del mio Fender MiniMustang
"Non farei mai parte di un club che accettasse la mia iscrizione" (G. Marx)
-

claudiocedrone
21,3k 4 7 9 - Master EY

- Messaggi: 15303
- Iscritto il: 18 gen 2012, 13:36
1
voti
Ciao Ivo,
imperterrito sei arrivato alla fine e vincente!
Ottime le ultime modifiche apportate e buona l'idea dell'articolo da scrivere.
Io credo che puoi metterlo benissimo sul tuo blog e fare un articolo veramente buono.
imperterrito sei arrivato alla fine e vincente!
Ottime le ultime modifiche apportate e buona l'idea dell'articolo da scrivere.
Io credo che puoi metterlo benissimo sul tuo blog e fare un articolo veramente buono.
Alex
https://www.facebook.com/Elettronicaeelettrotecnica
<< vedi di pigliare arditamente in mano, il dizionario che ti suona in bocca,
se non altro è schietto e paesano.
(Giuseppe Giusti) <<
https://www.facebook.com/Elettronicaeelettrotecnica
<< vedi di pigliare arditamente in mano, il dizionario che ti suona in bocca,
se non altro è schietto e paesano.
(Giuseppe Giusti) <<
0
voti
Chiedo scusa se rispondo in ritardo ma credevo di aver sistemato tutti gli adempimenti, invece, mi sono accorto che qualcosa mi era sfuggito. Ho dovuto completare…
claudiocedrone, per l’alimentatore, ho capito. Sono rimasto un po’ perplesso in quanto di quegli alimentatori ne ho anch’io ma sono tutti da 3 Ampere o poco più e scaldano anche con i portatili. Di alimentatori da oltre 6 Ampere credo di non averne tuttavia controllerò meglio nello scatolone degli “orfani” poi ti ragguaglierò, ma se il tuo può funzionare, ok, tanto lo dovrei aprire per migliorare la circolazione d’aria e inserirlo in una scatola di plastica più ampia con la PCB e gli strumentini del carica batterie. Se non trovo altro e il tuo superstite non ti occorre, potresti spedirmelo per posta contrassegno, cosi te lo potrei pagare mediante il servizio postale.
Hola Alex. Si è andato tutto a buon fine e il giocattolo adesso è stabile e preciso, grazie anche alla tua proverbiale tenacia che ha impedito che buttassi tutto alle ortiche.
In merito all'articolo non saprei cosa fare, non dal lato pratico ma da quello regolamentare. Non saprei se è consentito esporre lo stesso progetto in due sezioni differenti anche se, l’articolo, sarebbe molto più sintetico e magari potrebbe comprendere anche la realizzazione pratica del dispositivo. Boh, vediamo se interviene qualcuno più informato, eventualmente potrei tentare di far uso della pseudo regola del silenzio / assenso…
A dopo…
Hola Alex. Si è andato tutto a buon fine e il giocattolo adesso è stabile e preciso, grazie anche alla tua proverbiale tenacia che ha impedito che buttassi tutto alle ortiche.
In merito all'articolo non saprei cosa fare, non dal lato pratico ma da quello regolamentare. Non saprei se è consentito esporre lo stesso progetto in due sezioni differenti anche se, l’articolo, sarebbe molto più sintetico e magari potrebbe comprendere anche la realizzazione pratica del dispositivo. Boh, vediamo se interviene qualcuno più informato, eventualmente potrei tentare di far uso della pseudo regola del silenzio / assenso…
A dopo…
-

gianniniivo
9.045 7 11 13 - No Rank
- Messaggi: 2875
- Iscritto il: 5 feb 2019, 23:50
Chi c’è in linea
Visitano il forum: Nessuno e 164 ospiti

Elettrotecnica e non solo (admin)
Un gatto tra gli elettroni (IsidoroKZ)
Esperienza e simulazioni (g.schgor)
Moleskine di un idraulico (RenzoDF)
Il Blog di ElectroYou (webmaster)
Idee microcontrollate (TardoFreak)
PICcoli grandi PICMicro (Paolino)
Il blog elettrico di carloc (carloc)
DirtEYblooog (dirtydeeds)
Di tutto... un po' (jordan20)
AK47 (lillo)
Esperienze elettroniche (marco438)
Telecomunicazioni musicali (clavicordo)
Automazione ed Elettronica (gustavo)
Direttive per la sicurezza (ErnestoCappelletti)
EYnfo dall'Alaska (mir)
Apriamo il quadro! (attilio)
H7-25 (asdf)
Passione Elettrica (massimob)
Elettroni a spasso (guidob)
Bloguerra (guerra)



