gianniniivo ha scritto:era una battuta
fertile battuta, ad una MCU ci si potrebbe anche pensare, magari non necessariamente Arduino.
Moderatori:
carloc,
g.schgor,
BrunoValente,
IsidoroKZ
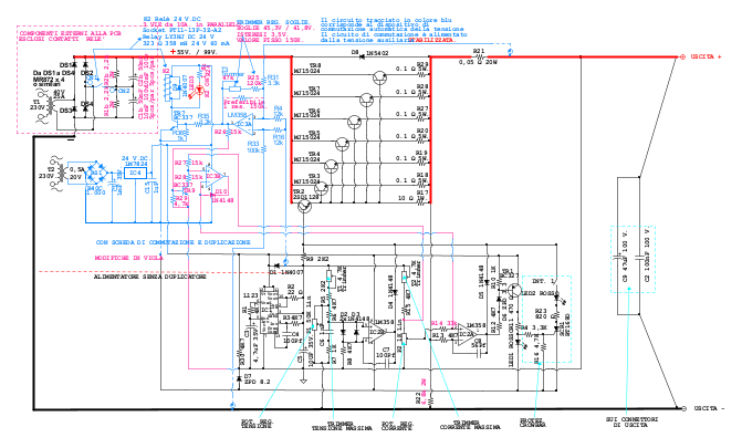
IsidoroKZ ha scritto:Questa e` una soluzione che avevo scartato perche' quando passi a tensione alta, viene ridotta la corrente erogabile, qualunque valore sia impostato
BrunoValente ha scritto:In certe condizioni mi pare possa indurre un pendolamento: poniamo che il limite sia di 10A da 0V a 50V e di 5 A da 50V a 100V, se ad esempio venisse impostato un valore di 55V per la tensione e di 10A per la corrente e venisse collegato un carico di 8ohm, in queste condizioni, siccome siamo tra 50V e 100V, interverrebbe la limitazione di corrente a 5A che farebbe scendere la tensione a 40V ma a 40V il limite passerebbe a 10A, quindi la tensione tenderebbe di nuovo a portarsi a 55V e così via.

gianniniivo ha scritto:con gli MCU, non vorrei che si complicasse troppo il circuito


gianniniivo ha scritto:Si tratta di utilizzare un linguaggio dedicato o c'è la possibilità di sceglierlo il linguaggio di programmazione?

Visitano il forum: Nessuno e 66 ospiti