Regolatore LDO e stabilizzazione a 5V
Moderatori:
carloc,
g.schgor,
BrunoValente,
IsidoroKZ
1
voti
Esatto David. Io partirei dalla frequenza di 1 kHz, ed osserverei le forme d'onda di tensione all'uscita degli operazionali per vedere se ci siamo come resistenza d'uscita. A presto!
Alberto.
2
voti
Brabus, niente da fare! Gli operazionali non hanno abbastanza "grinta" e come collego il carico la tensione d' uscita crolla. In realtà la situazione è migliorata rispetto alla volta scorsa ma siamo ancora lontani.... ci vuole più corrente, molta più corrente.
Nel frattempo mi sono procurato anche il TDA2822 che indicavi così proviamo anche quello, quando arrivo a casa gli collego il generatore di funzioni e valutiamo quale sia la caduta tra ingresso e uscita, se è accettabile lo mettiamo sotto .....
Appena ho un' attimo ti rispondo decentemente documentando per bene le prove che ho fatto. Volevo farlo questa mattina ma mi hanno chiamato al lavoro per un' urgenza
... pazienza!
A dopo!
Nel frattempo mi sono procurato anche il TDA2822 che indicavi così proviamo anche quello, quando arrivo a casa gli collego il generatore di funzioni e valutiamo quale sia la caduta tra ingresso e uscita, se è accettabile lo mettiamo sotto .....
Appena ho un' attimo ti rispondo decentemente documentando per bene le prove che ho fatto. Volevo farlo questa mattina ma mi hanno chiamato al lavoro per un' urgenza
A dopo!
1
voti
OK David, allora attendo un resoconto in merito!
Sei stato bravissimo a fare queste prove, almeno hai trovato il tempo e ti sei piazzato
Sono molto curioso di capire cosa sia successo, e soprattutto di conoscere le frequenze sulle quali hai lavorato.
Tornando alle alternative, stavo pensando ai driver per i Gate dei MOSFET. Li ho visti usare come finalini di potenza in classe D, sono proprio fatti apposta!
Se troviamo un "doppio driver invertente" in singolo contenitore, possiamo realizzare la stessa struttura del CD40106, con uno stadio driver/oscillatore e uno stadio driver invertente.
La prima sigla che mi viene in mente è IR2111, facilmente reperibile: http://www.irf.com/product-info/datashe ... ir2111.pdf
Ho controllato su RS, il costo dell'IR2111 è un po' elevato (3 Euro al pezzo), ma esistono molte alternative decisamente più economiche. Mi faccio un giro e torno con qualche sigla.
EDIT:
Ecco qualche sigla "interessante":
TPS2814 - Driver da 2 A, estremamente economico (0,52 € per confezione da 5) - Dubbio sulla tensione minima di alimentazione (4 V).
Link RS package SOIC: http://it.rs-online.com/web/search/sear ... &R=6613028
Link RS package DIP: http://it.rs-online.com/web/search/sear ... &R=6613019
Datasheet: http://docs-europe.electrocomponents.co ... c91a9c.pdf
UCC37323DG4 - Driver da 4.5 A, 1,52 € per confezione da 5, sempre alimentazione minima a 4 V.
Link RS: http://it.rs-online.com/web/search/sear ... &R=6613258
Datasheet: http://docs-europe.electrocomponents.co ... c92709.pdf
Link alla pagina di RS con tutti i driver doppi e invertenti: http://it.rs-online.com/web/search/searchBrowseAction.html?method=retrieveTfg&Nr=AND(avl%3ait%2csearchDiscon_it%3aN)&N=4294920878+4294955753+4294752394+4294684851&multiselectParam=4294920878%204294955753&multiselectParam=4294920878%204294955753&No=0
Notavo come l'alimentazione minima di tutti i driver sia fissa a 4 V. Saremmo "giusti giusti"...
Sempre sulla stessa pagina di RS, noto che esistono dei driver auto-oscillanti, ma accettano tensioni di alimentazione di almeno una decina di V... A questo punto, però, tanto vale tornare all'ADM860.
Sei stato bravissimo a fare queste prove, almeno hai trovato il tempo e ti sei piazzato
Sono molto curioso di capire cosa sia successo, e soprattutto di conoscere le frequenze sulle quali hai lavorato.
Tornando alle alternative, stavo pensando ai driver per i Gate dei MOSFET. Li ho visti usare come finalini di potenza in classe D, sono proprio fatti apposta!
Se troviamo un "doppio driver invertente" in singolo contenitore, possiamo realizzare la stessa struttura del CD40106, con uno stadio driver/oscillatore e uno stadio driver invertente.
La prima sigla che mi viene in mente è IR2111, facilmente reperibile: http://www.irf.com/product-info/datashe ... ir2111.pdf
Ho controllato su RS, il costo dell'IR2111 è un po' elevato (3 Euro al pezzo), ma esistono molte alternative decisamente più economiche. Mi faccio un giro e torno con qualche sigla.
EDIT:
Ecco qualche sigla "interessante":
TPS2814 - Driver da 2 A, estremamente economico (0,52 € per confezione da 5) - Dubbio sulla tensione minima di alimentazione (4 V).
Link RS package SOIC: http://it.rs-online.com/web/search/sear ... &R=6613028
Link RS package DIP: http://it.rs-online.com/web/search/sear ... &R=6613019
Datasheet: http://docs-europe.electrocomponents.co ... c91a9c.pdf
UCC37323DG4 - Driver da 4.5 A, 1,52 € per confezione da 5, sempre alimentazione minima a 4 V.
Link RS: http://it.rs-online.com/web/search/sear ... &R=6613258
Datasheet: http://docs-europe.electrocomponents.co ... c92709.pdf
Link alla pagina di RS con tutti i driver doppi e invertenti: http://it.rs-online.com/web/search/searchBrowseAction.html?method=retrieveTfg&Nr=AND(avl%3ait%2csearchDiscon_it%3aN)&N=4294920878+4294955753+4294752394+4294684851&multiselectParam=4294920878%204294955753&multiselectParam=4294920878%204294955753&No=0
Notavo come l'alimentazione minima di tutti i driver sia fissa a 4 V. Saremmo "giusti giusti"...
Sempre sulla stessa pagina di RS, noto che esistono dei driver auto-oscillanti, ma accettano tensioni di alimentazione di almeno una decina di V... A questo punto, però, tanto vale tornare all'ADM860.
Alberto.
2
voti
Brabus scrive:
Sono molto curioso di capire cosa sia successo, e soprattutto di conoscere le frequenze sulle quali hai lavorato.
Aggiornamento veloce:
ho fatto lavorare gli operazionali partendo da 1KHz fino ad arrivare (per step intermedi) a circa 80KHz. Stando sulle frequenze basse la situazione è peggiore ovvero caricando l' uscita la tensione scende fino a quella di alimentazione.
A frequenze più elevate invece si migliora ma sotto carico non si superano i 7V. Purtroppo a frequenze elevate cominciano anche ad evidenziarsi i problemi legati allo slew rate degli operazionali che fanno diventare l' onda più che quadra trapezoidale diminuendo il rendimento della pompa di carica. Le capacità dei condensatori le ho variate secondo quanto detto l' altra volta e sono andato (per step intermedi) da 2,2uF fino a 10uF.
Alla luce di quanto ho osservato mi è venuto in mente un' aspetto, se la corrente massima erogata dall' operazionale si aggira sugli 80mA (e questo vale per entrambe i modelli che avevo indicato, a 175mA il TLV2462CP non ci arriva) e noi lavoriamo con un duty cycle dell' 50% non potremmo mai sperare di ottenere una corrente d' uscita superiore ai 40mA indipendentemente dalla velocità alla quale si caricano i condensatori. In più possiamo aggiungerci tutte le perdite di rendimento dovute ai diodi. Sbaglio ?
I driver che hai indicato sono molto interessanti e probabilmente la soluzione è da cercare in quuella direzione. L' unico aspetto che mi preoccupa è quello che hai indicato anche tu ovvero lavorare un' altra volta al limite della tensione di alimentazione, infatti quasi tutti funzionano dai 4V in su ...
I modelli che richiedono tensioni di alimentazioni inferiori hanno una pompa di carica interna; converrai con me che non possiamo adoperarli ..... sarebbe come barare
Mi chiedevo allora se non ci convenisse trovare un contenitore che includa due semplici mosfet (o due transistor) complementari in modo da non aver problemi con la tensione di alimentazione. Li collegheremo poi noi a semi ponte per ottenere l' uscita di potenza.
A dopo.
1
voti
davidde ha scritto:ho fatto lavorare gli operazionali partendo da 1KHz fino ad arrivare (per step intermedi) a circa 80KHz. Stando sulle frequenze basse la situazione è peggiore ovvero caricando l' uscita la tensione scende fino a quella di alimentazione.
Credo di aver capito perché. Alle basse frequenze siamo costretti ad utilizzare condensatori più grossi.
Cerchiamo di buttare giù qualche calcolo più preciso di quelli fatti finora.
Riporto lo schema di riferimento, così ragioniamo sulla catena D-C:

Supponiamo di utilizzare dei diodi Schottky, tipo 1N5819, in modo da trascurarne le cadute.
Ammettendo che il condensatore C4 si carichi nel semiperiodo
e si scarichi nel semiperiodo
, supponendo un assorbimento di corrente costante Iout durante la fase di scarica, abbiamo:
Stimiamo l'ondulazione di tensione
. Al termine della fase di scarica dobbiamo garantire almeno 7 V al regolatore 7805. In questa situazione l'uscita del secondo driver è "alta", quindi si trova ad una tensione ipoteticamente Vcc = 4 V. Supponendo che la batteria non sia proprio a 4 V, e che il driver non sia perfettamente rail-to-rail, possiamo supporre che la tensione stia sui 3,5 V. Quindi sul condensatore devono rimanere almeno altri 3,5 V.Durante la fase di carica, invece, il driver è a livello "basso" (supponiamo +0,5 V), e C4 viene caricato da C2 attraverso il diodo D4. La tensione su C4 al termine della fase di carica potrà essere vicina a 2*Vcc solo se C2 è molto più grande di C4.
Sempre supponendo di avere la pila con una tensione di 4 V scarsi, considerate le cadute sui diodi D1 e D4 e le non idealità legate alla carica di C2, possiamo stimare che su C4 si arrivi ad una tensione "di fine carica" attorno ai 7 V.
In questo modo la tensione sul condensatore C4 oscilla fra un minimo di 3.5 V ed un massimo di 7 V. Avremo

Riprendendo la formula precedente
, possiamo costruire una tabella frequenza -> capacità:F C
10 k 1.4 u
20 k 700 n
5 k 2.8 u
1 k 14 u
Alla frequenza di 1 kHz dobbiamo caricare una capacità di ben 14 uF. Suppongo che tu abbia usato delle capacità da 10 uF, che quindi non potevano garantire le ipotesi fatte finora.
A frequenze più elevate invece si migliora ma sotto carico non si superano i 7V. Purtroppo a frequenze elevate cominciano anche ad evidenziarsi i problemi legati allo slew rate degli operazionali che fanno diventare l' onda più che quadra trapezoidale diminuendo il rendimento della pompa di carica. Le capacità dei condensatori le ho variate secondo quanto detto l' altra volta e sono andato (per step intermedi) da 2,2uF fino a 10uF.
Ho notato anche io questo problema durante una simulazione SPICE. Anche cambiando l'operazionale (ho provato i classici LM358, il vetusto uA741, fino ai vari LTxxxx) ho notato questa non idealità, accentuata dal fatto che il carico è capacitivo.
C'è da dire un'altra cosa, tuttavia. La carica del condensatore avviene sfruttando la massima corrente erogabile dall'operazionale, e nelle simulazioni la corrente aveva un andamento estremamente "piccato". Questo si spiega molto semplicemente, poiché la carica dei condensatori avviene mediante "brutali" connessioni a Vcc.
L'ipotesi di corrente costante in fase di scarica non può essere fatta anche in fase di carica, ma questo non è un problema in quanto la carica avviene alla massima corrente erogabile dall'operazionale, e seguendo l'andamento dettato dall'operazionale in fase slew-rate. Questo significa che dobbiamo cercare un operazionale che fornisca una corrente largamente superiore a quella di carico
Alla luce di quanto ho osservato mi è venuto in mente un' aspetto, se la corrente massima erogata dall' operazionale si aggira sugli 80mA (e questo vale per entrambe i modelli che avevo indicato, a 175mA il TLV2462CP non ci arriva) e noi lavoriamo con un duty cycle dell' 50% non potremmo mai sperare di ottenere una corrente d' uscita superiore ai 40mA indipendentemente dalla velocità alla quale si caricano i condensatori. In più possiamo aggiungerci tutte le perdite di rendimento dovute ai diodi. Sbaglio ?
Ottima osservazione. In effetti finora abbiamo considerato il carico come una resistenza, preoccupandoci unicamente del comportamento in fase di "scarica di C4", ed assumendo una tensione di 7 V al termine della fase di scarica. Durante la successiva fase di "ricarica" è necessario ovviamente fornire corrente al carico. Da qui nasceva l'idea di mettere un condensatore in parallelo alla resistenza di carico, in modo da smussare l'ondulazione di tensione.
Questo tuttavia cambia le ipotesi che abbiamo fatto precedentemente, e ci costringe ad utilizzare condensatori più grossi per gli stadi della pompa di carica.
Personalmente io volevo "verificare se tutto funzionava" con un carico puramente resistivo, in modo da trovare un riscontro pratico alle nostre supposizioni teoriche. Poi possiamo dimensionare ed aggiungere il condensatore, rivedendo anche le capacità da usare nella pompa di carica. Per ora non ho approntato alcun dimensionamento che tenga conto di un carico capacitivo, in quanto le forme d'onda non sono più approssimabili sbrigativamente come delle rette (come ho fatto io).
I driver che hai indicato sono molto interessanti e probabilmente la soluzione è da cercare in quuella direzione. L' unico aspetto che mi preoccupa è quello che hai indicato anche tu ovvero lavorare un' altra volta al limite della tensione di alimentazione, infatti quasi tutti funzionano dai 4V in su ...
I modelli che richiedono tensioni di alimentazioni inferiori hanno una pompa di carica interna; converrai con me che non possiamo adoperarli ..... sarebbe come barare.
Mi chiedevo allora se non ci convenisse trovare un contenitore che includa due semplici mosfet (o due transistor) complementari in modo da non aver problemi con la tensione di alimentazione. Li collegheremo poi noi a semi ponte per ottenere l' uscita di potenza.
A dopo.
Io credo che stiamo girando attorno ai mosfet, quando per la loro accensione è necessaria una tensione Vgs>Vt. Tenendo conto che le tensioni di soglia si attestano sui 3 ~ 4 V, credo che le limitazioni dei driver di potenza derivino proprio da questo. Anche utilizzando dei mosfet discreti non miglioriamo la situazione, a meno che non troviamo dispositivi a bassa Vt... Ma credo che a questo punto sia da valutare una soluzione a BJT. Non credo che esistano in commercio driver del genere, se non operazionali
Tagliamo la testa al toro: Sei sicuro David che la tensione della batteria scenda addirittura sotto i 4 V? Oppure ci arriva solo in condizioni di "forte scarica", al limite del danneggiamento?
Ecco, secondo me dobbiamo fissare un "tetto minimo" definitivo per questa Vcc.
Alberto.
2
voti
Ciao David, ciao brabus, scusate l'intromissione,
non vorrei passare per guasta mestieri ma vorrei proporvi in alternativa quest'ideuccia che mi è venuta oggi in un momento di ispirazione
E' abbastanza semplice e anche a tensioni di ingresso di 3V dovrebbe pilotare i mosfet senza problemi perché tutto il circuito pilota è alimentato dalla tensione di uscita, che è alta, anzichè da quella di ingresso che invece non sarebbe sufficiente.
All'inizio in uscita si ha la stessa tensione dell' ingresso attraverso l'avvolgimento e i diodi ma poi, appena parte l'oscillatore, la tensione d'uscita sale.
L'avvolgimento deve essere bifilare per garantire il massimo accoppiamento e la massima simmetria e avvolto su un piccolo toroide (ormai David è un artista dell'argomento).
Per una semplice duplicazione della tensione, si può fare a meno della presa intermedia per drain dei mosfet che si possono invece collegare insieme agli anodi dei diodi. Viceversa, se necessita un ulteriore innalzamento della tensione, si possono collegare ad una opportuna presa intermedia degli avvolgimenti come ho rappresentato nella figura.
Anche l'onda quadra sui gates deve essere perfettamente simmetrica e per questo ho previsto un flip-flop del quale penso non si possa fare ameno e quindi occorrono due integrati, l'uno per l'oscillatore e l'altro per il divisore, o forse esistono altri integrati che realizzano entrambi le funzioni...non ho cercato.
Penso non vi sia altro da dire.
Che ve ne sembra?
non vorrei passare per guasta mestieri ma vorrei proporvi in alternativa quest'ideuccia che mi è venuta oggi in un momento di ispirazione
E' abbastanza semplice e anche a tensioni di ingresso di 3V dovrebbe pilotare i mosfet senza problemi perché tutto il circuito pilota è alimentato dalla tensione di uscita, che è alta, anzichè da quella di ingresso che invece non sarebbe sufficiente.
All'inizio in uscita si ha la stessa tensione dell' ingresso attraverso l'avvolgimento e i diodi ma poi, appena parte l'oscillatore, la tensione d'uscita sale.
L'avvolgimento deve essere bifilare per garantire il massimo accoppiamento e la massima simmetria e avvolto su un piccolo toroide (ormai David è un artista dell'argomento).
Per una semplice duplicazione della tensione, si può fare a meno della presa intermedia per drain dei mosfet che si possono invece collegare insieme agli anodi dei diodi. Viceversa, se necessita un ulteriore innalzamento della tensione, si possono collegare ad una opportuna presa intermedia degli avvolgimenti come ho rappresentato nella figura.
Anche l'onda quadra sui gates deve essere perfettamente simmetrica e per questo ho previsto un flip-flop del quale penso non si possa fare ameno e quindi occorrono due integrati, l'uno per l'oscillatore e l'altro per il divisore, o forse esistono altri integrati che realizzano entrambi le funzioni...non ho cercato.
Penso non vi sia altro da dire.
Che ve ne sembra?
-

BrunoValente
39,6k 7 11 13 - G.Master EY

- Messaggi: 7796
- Iscritto il: 8 mag 2007, 14:48
2
voti
Ciao a tutti... Bruno come ormai sai è sempre un vero piacere leggere i tuoi interventi quindi non preoccuparti affatto, non passi sicuramente per guasta mestieri. Ho visto proprio ora il tuo schema, ci ragiono un' attimo e poi ti faccio sapere. Grazie!
Si hai ragione, cominciamo a definire qualche variabile altrimenti non ci saltiamo più fuori. Allora la tensione di alimentazione minima raggiunta quando la batteria è al limite della scarica è esattamente di 4V.
Detto questo però secondo me dobbiamo valutare con discreto margine la scelta dei componenti. Non vorrei che scegliendo componenti con tensione di alimentazione minima di 4V ci mettimo in una condizione "poco sicura".
Fissiamo anche la corrente a 100mA.
Ho letto con interesse il resto del tuo messaggio e direi che hai fatto un' ottimo lavoro !
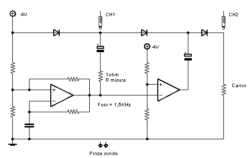
Perfetto, ti faccio vedere cosa succede in pratica, considera che ho portato la frequenza dell' oscillatore a 1,5KHz in modo che sia sufficiente una capacità di 10µF (10µF è il valore di entrambi i condensatori):
Questo è quello che succede con un carico minimo (40Kohm):
Mentre questo succede quando si carica più intensamente l' uscita (1Kohm):
Aggiungo soltanto un' osservazione per chiarire i due oscillogrammi; quella che si nota (quando le due onde quadre si avvicinano) è una sovrapposizione di circa 1V dovuta alla caduta di tensione sui due diodi.
Ecco invece la tensione e la corrente nel condensatore C2 cioè quello collegato all' uscita del primo operazionale, considera che in questo caso la resistenza di carico è stata messa da 100 ohm per mettere "in crisi" la pompa di carica:
Vorrei aggiungere delle considerazioni ma aspetto prima una risposta per evitare di confondere i tuoi ragionamenti.
So che è difficile capire cosa succeda da questi pochi dati quindi se servono chiarimenti o altro fammi sapere...
Brabus scrive:
Tagliamo la testa al toro: Sei sicuro David che la tensione della batteria scenda addirittura sotto i 4 V? Oppure ci arriva solo in condizioni di "forte scarica", al limite del danneggiamento?
Ecco, secondo me dobbiamo fissare un "tetto minimo" definitivo per questa Vcc.
Si hai ragione, cominciamo a definire qualche variabile altrimenti non ci saltiamo più fuori. Allora la tensione di alimentazione minima raggiunta quando la batteria è al limite della scarica è esattamente di 4V.
Detto questo però secondo me dobbiamo valutare con discreto margine la scelta dei componenti. Non vorrei che scegliendo componenti con tensione di alimentazione minima di 4V ci mettimo in una condizione "poco sicura".
Fissiamo anche la corrente a 100mA.
Ho letto con interesse il resto del tuo messaggio e direi che hai fatto un' ottimo lavoro !
Brabus scrive:
Personalmente io volevo "verificare se tutto funzionava" con un carico puramente resistivo, in modo da trovare un riscontro pratico alle nostre supposizioni teoriche. Poi possiamo dimensionare ed aggiungere il condensatore, rivedendo anche le capacità da usare nella pompa di carica. Per ora non ho approntato alcun dimensionamento che tenga conto di un carico capacitivo, in quanto le forme d'onda non sono più approssimabili sbrigativamente come delle rette (come ho fatto io).
Perfetto, ti faccio vedere cosa succede in pratica, considera che ho portato la frequenza dell' oscillatore a 1,5KHz in modo che sia sufficiente una capacità di 10µF (10µF è il valore di entrambi i condensatori):
Questo è quello che succede con un carico minimo (40Kohm):
Mentre questo succede quando si carica più intensamente l' uscita (1Kohm):
Aggiungo soltanto un' osservazione per chiarire i due oscillogrammi; quella che si nota (quando le due onde quadre si avvicinano) è una sovrapposizione di circa 1V dovuta alla caduta di tensione sui due diodi.
Ecco invece la tensione e la corrente nel condensatore C2 cioè quello collegato all' uscita del primo operazionale, considera che in questo caso la resistenza di carico è stata messa da 100 ohm per mettere "in crisi" la pompa di carica:
Vorrei aggiungere delle considerazioni ma aspetto prima una risposta per evitare di confondere i tuoi ragionamenti.
So che è difficile capire cosa succeda da questi pochi dati quindi se servono chiarimenti o altro fammi sapere...
0
voti
bruno valente ha scritto:Anche l'onda quadra sui gates deve essere perfettamente simmetrica e per questo ho previsto un flip-flop del quale penso non si possa fare ameno e quindi occorrono due integrati, l'uno per l'oscillatore e l'altro per il divisore, o forse esistono altri integrati che realizzano entrambi le funzioni...non ho cercato.
Penso non vi sia altro da dire.
Che ve ne sembra?
Ascolta Bruno, lasciamo perdere questi due perche' ormai si sono lanciati nei loro duplcatori a pompa, e non ascoltano piu' nessuno
(naturalmente scherzo, anzi la trattazione e' molto interessante se ne avessi capito qualcosa .....)
Piuttosto, Bruno nel tuo circuito mi chiedevo una cosa: perche' hai usato un CD4027 quando avevi disponibili ancora cinque porte del 40106 ?
Inoltre una pignoleria: mi sembra che la freccia del i MOS canale N dovrebbe essere al contrario.
PS Pensi che su quell'dea del mio post num. 24 possa dare buoni risultati e che valga la pena di perderci sopra un po' di tempo ? Se poi mi spieghi a cosa servono quei due diodi (contrapposti poi) dello schema originale del contatore geiger ti sarei grato.
1
voti
ginfizz ha scritto:...Piuttosto, Bruno nel tuo circuito mi chiedevo una cosa: perche' hai usato un CD4027 quando avevi disponibili ancora cinque porte del 40106 ?
Inoltre una pignoleria: mi sembra che la freccia del i MOS canale N dovrebbe essere al contrario.
PS Pensi che su quell'dea del mio post num. 24 possa dare buoni risultati e che valga la pena di perderci sopra un po' di tempo ? Se poi mi spieghi a cosa servono quei due diodi (contrapposti poi) dello schema originale del contatore geiger ti sarei grato.
Si hai ragione, la freccia va al contrario, vedo di correggere lo schema appena posso.
L'uso del 4027 ritengo sia necessario perché la simmetria dell'onda quadra occorre che sia massima al fine di evitare componenti continue nella tensione sul primario che darebbero luogo a correnti continue altissime. Utilizzando semplicemente delle porte NOT non si riesce ad ottenerla perché rimarrebbe invariato il grado di simmetria imposto dall'oscillatore che non è il massimo. La simmetria dell'onda quadra nell'oscillatore dipende da quanto sono simmetriche le due soglie del trigger rispetto all'alimentazione e quindi non ci si può aspettare una gran precisione.
Se non interpreto male il tuo circuito, il diodo DS5 dovrebbe servire inizialmente, prima che l'oscillazione si inneschi, a generare una tensione di circa +0.7V sul condensatore C11 necessaria a polarizzare correttamente TR3 affinchè l'innesco possa avvenire. Ad innesco avvenuto la tensione continua su C11 dovrebbe tendere a scendere e ad assumere valori negativi a causa del raddrizzamento del segnale ad opera della giunzione BE del transistor e qui dovrebbe intervenire DS6 che limiterebbe la discesa a circa -0.7V. In questo modo l'oscillatore, affinchè l'innesco possa avvenire, inizialmente sarebbe polarizzato in classe A e, ad innesco avvenuto, in classe C al fine di migliorare il rendimento.
-

BrunoValente
39,6k 7 11 13 - G.Master EY

- Messaggi: 7796
- Iscritto il: 8 mag 2007, 14:48
2
voti
Bruno, stavo cercando di capire bene il principio di funzionamento dello schema che hai postato.
Per quanto riguarda la parte della logica mi sembra tutto chiaro, hai inserito il flip flop per evitare che i mosfet durante lo switching si possano trovare in conduzione nello stesso momento. Se infatti entrano in conduzione nello stesso istante (anche per brevissimi periodi) ci troviamo sugli avvolgimenti due correnti opposte che annullano l' effetto "frenante" del nucleo e quindi l' alimentazione va in corto circuito. Per la parte di potenza invece usi un trasformatore a doppio primario avvolto in modo che quando un' avvolgimento è portato a massa dalla chiusura del mosfet l' altro generi una tensione opposta che attraverso il diodo viene riportata all' uscita raddoppiando la tensione di alimentazione (questo nel caso di doppio avvolgimento senza prese intermedie).Lavorando poi sulla frequenza d' oscillazione si potrà portare il trasformatore a lavorare in condizioni al "limite" della saturazione in modo da ottenere un' ottimizzazione delle dimensioni del nucleo. E' corretta la mia interpretazione ?
Volevo poi farti un paio di domandine riguardanti il pilotaggio dei mosfet... tutti quei componenti mi danno alla testa
.
-Se non sbaglio le resistenze servono per garantire la scarica del gate.
-I condensatori in uscita dal CD4027 invece li hai messi per evitare che le componenti continue che escono dall' integrato quando l' uscita è bassa possano caricare il gate del mosfet ?
-Invece i diodi servono per permettere una veloce interdizione del mosfet quando l' uscita commuta da alta a bassa ?
A titolo informativo credo di aver trovato un' integrato che sembrerebbe fatto apposta per questo circuito perché integra entrambi i dispositivi: SN74HC109DRG4 almeno così mi è sembrato guardando lo schema a blocchi (pagina 2) del datasheet.
Grazie!
Per quanto riguarda la parte della logica mi sembra tutto chiaro, hai inserito il flip flop per evitare che i mosfet durante lo switching si possano trovare in conduzione nello stesso momento. Se infatti entrano in conduzione nello stesso istante (anche per brevissimi periodi) ci troviamo sugli avvolgimenti due correnti opposte che annullano l' effetto "frenante" del nucleo e quindi l' alimentazione va in corto circuito. Per la parte di potenza invece usi un trasformatore a doppio primario avvolto in modo che quando un' avvolgimento è portato a massa dalla chiusura del mosfet l' altro generi una tensione opposta che attraverso il diodo viene riportata all' uscita raddoppiando la tensione di alimentazione (questo nel caso di doppio avvolgimento senza prese intermedie).Lavorando poi sulla frequenza d' oscillazione si potrà portare il trasformatore a lavorare in condizioni al "limite" della saturazione in modo da ottenere un' ottimizzazione delle dimensioni del nucleo. E' corretta la mia interpretazione ?
Volevo poi farti un paio di domandine riguardanti il pilotaggio dei mosfet... tutti quei componenti mi danno alla testa
-Se non sbaglio le resistenze servono per garantire la scarica del gate.
-I condensatori in uscita dal CD4027 invece li hai messi per evitare che le componenti continue che escono dall' integrato quando l' uscita è bassa possano caricare il gate del mosfet ?
-Invece i diodi servono per permettere una veloce interdizione del mosfet quando l' uscita commuta da alta a bassa ?
A titolo informativo credo di aver trovato un' integrato che sembrerebbe fatto apposta per questo circuito perché integra entrambi i dispositivi: SN74HC109DRG4 almeno così mi è sembrato guardando lo schema a blocchi (pagina 2) del datasheet.
Grazie!
Chi c’è in linea
Visitano il forum: Nessuno e 160 ospiti

Elettrotecnica e non solo (admin)
Un gatto tra gli elettroni (IsidoroKZ)
Esperienza e simulazioni (g.schgor)
Moleskine di un idraulico (RenzoDF)
Il Blog di ElectroYou (webmaster)
Idee microcontrollate (TardoFreak)
PICcoli grandi PICMicro (Paolino)
Il blog elettrico di carloc (carloc)
DirtEYblooog (dirtydeeds)
Di tutto... un po' (jordan20)
AK47 (lillo)
Esperienze elettroniche (marco438)
Telecomunicazioni musicali (clavicordo)
Automazione ed Elettronica (gustavo)
Direttive per la sicurezza (ErnestoCappelletti)
EYnfo dall'Alaska (mir)
Apriamo il quadro! (attilio)
H7-25 (asdf)
Passione Elettrica (massimob)
Elettroni a spasso (guidob)
Bloguerra (guerra)


