il datasheet si contraddice un po' sui numeri, infatti prima dice
(senza la Rc dello schema sopra) e poi invece TR1 è internamente collegato ad una sorgente di tensione di 3V a bassa impedenza e la frequenza dipende dalla corrente "estratta" come
mA,uF,Hzma considerato Vt=3V e valida la prima, nella seconda la costante sarebbe 333 invece di 320.. che comunque rientra nelle tolleranze dichiarate
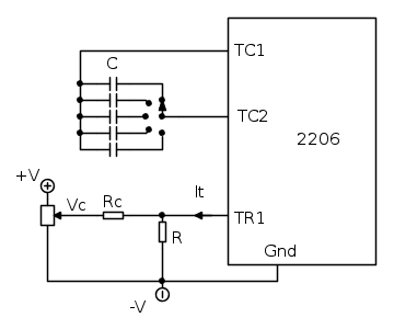
Partendo dalla gamma minima che voglio (0.9 - 11 Hz) e da un condensatore che sia ragionevole -direi 10uF- si ottiene che la corrente It deve variare tra 28uA e 344uA.
Intanto vediamo che stiamo dentro il range consigliato di 1uA - 3mA e poi anche che i condensatori per coprire le 5 gamme di frequenza saranno 10uF...1nF ... e direi che sono valori accettabili

Facendo due conti risulterebbe -salvo errori-

da cui Rc=57kohm e R=10.3kohm per avere da 0.9 a 11Hz con tutta la corsa del potenziometro alimentando a +/-9V.
Ora naturalmete dobbiamo considerare le tolleranze dell'integrato 4%, delle resistenze 5%, del condensatore 10% ....
mettendo insieme alla formula della frequenza e invertendo...
dove Vt sono i famosi 3V e k=320dove calcolando le variazioni
cioè
dove si vede che il range di variazione dipende dall'inverso di Rc... quindi per avere più margine per compensare le tolleranze devo diminuire Rc... poi "centro" il range con R..... per ora buona notte....

Elettrotecnica e non solo (admin)
Un gatto tra gli elettroni (IsidoroKZ)
Esperienza e simulazioni (g.schgor)
Moleskine di un idraulico (RenzoDF)
Il Blog di ElectroYou (webmaster)
Idee microcontrollate (TardoFreak)
PICcoli grandi PICMicro (Paolino)
Il blog elettrico di carloc (carloc)
DirtEYblooog (dirtydeeds)
Di tutto... un po' (jordan20)
AK47 (lillo)
Esperienze elettroniche (marco438)
Telecomunicazioni musicali (clavicordo)
Automazione ed Elettronica (gustavo)
Direttive per la sicurezza (ErnestoCappelletti)
EYnfo dall'Alaska (mir)
Apriamo il quadro! (attilio)
H7-25 (asdf)
Passione Elettrica (massimob)
Elettroni a spasso (guidob)
Bloguerra (guerra)






instead of
(Anonimo).
ain't
, right?
in lieu of
.
for
arithm.