Regolatore LM338T
Moderatori:
carloc,
g.schgor,
BrunoValente,
IsidoroKZ
0
voti
Ok. Domattina vedo di ricostruire lo schema dalle foto, ma non ti aspettare granche' perche, come detto, sara' comunque difficile una modifica.
Molti componenti, per l'eta', sono da cambiare e ci sarebbe da vedere se il regolatore ed i due transistor sono ancora efficienti.
In definitiva, meglio fare tutto da zero.
Molti componenti, per l'eta', sono da cambiare e ci sarebbe da vedere se il regolatore ed i due transistor sono ancora efficienti.
In definitiva, meglio fare tutto da zero.
marco
0
voti

"Non farei mai parte di un club che accettasse la mia iscrizione" (G. Marx)
-

claudiocedrone
21,3k 4 7 9 - Master EY

- Messaggi: 15303
- Iscritto il: 18 gen 2012, 13:36
0
voti
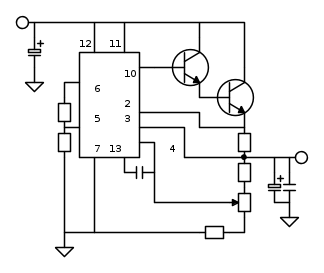
Ho esaminato la scheda e lo schema relativo dovrebbe essere il seguente:
Credo sia possibile modificare alcuni valori di resistenza ad ottenere le tensioni che desideri ma, per fare i calcoli, ho bisogno di sapere i valori di tutte le resistenze indicate, non essendo possibile rilevarlo dalla foto.
Naturalmente, per fare la modifica, e' necessario che - attualmente - il circuito sia funzionante in tutte le sue parti; poi sarebbe utile vedere anche il trasformatore ed i suoi collegamenti e sapere se la regolazione avviene solo in virtu' del trimmer sulla basetta o se esiste anche un potenziometro esterno.
Per ultimo conoscere la sigla dei due transistor impiegati.
Non so se sarai in grado di dare tutte le informazioni e tutto considerato (visto quanto gia' detto in precedenza) converrebbe portare tutto al piu' vicino centro ecologico tenendo solo il contenitore (se non presenta ruggine) il dissipatore ed il trasformatore; con quelli e pochi euro in piu' potresti montare l'altro circuito su una nuova basetta millefori.
Per finire, rendendo l'alimentatore "diverso" da come e' stato concepito e supponendo i transistor impiegati, non credo si possano raggiungere i valori di corrente che tu inizialmente hai indicato.
Credo sia possibile modificare alcuni valori di resistenza ad ottenere le tensioni che desideri ma, per fare i calcoli, ho bisogno di sapere i valori di tutte le resistenze indicate, non essendo possibile rilevarlo dalla foto.
Naturalmente, per fare la modifica, e' necessario che - attualmente - il circuito sia funzionante in tutte le sue parti; poi sarebbe utile vedere anche il trasformatore ed i suoi collegamenti e sapere se la regolazione avviene solo in virtu' del trimmer sulla basetta o se esiste anche un potenziometro esterno.
Per ultimo conoscere la sigla dei due transistor impiegati.
Non so se sarai in grado di dare tutte le informazioni e tutto considerato (visto quanto gia' detto in precedenza) converrebbe portare tutto al piu' vicino centro ecologico tenendo solo il contenitore (se non presenta ruggine) il dissipatore ed il trasformatore; con quelli e pochi euro in piu' potresti montare l'altro circuito su una nuova basetta millefori.
Per finire, rendendo l'alimentatore "diverso" da come e' stato concepito e supponendo i transistor impiegati, non credo si possano raggiungere i valori di corrente che tu inizialmente hai indicato.
marco
0
voti
marco438 ha scritto:rendendo l'alimentatore "diverso" da come e' stato concepito e supponendo i transistor impiegati, non credo si possano raggiungere i valori di corrente che tu inizialmente hai indicato.
Se il trasformatore è quello che si intravede in [42] temo proprio di no, sembra un po' piccolo
0
voti
Grazie per avermelo fatto notare
edgar, non lo avevo visto.
Sara' bene allora verificarlo e quindi sono necessarie le misure dell'avvolgimento, il peso ed il diametro dei cavi uscenti dal secondario.
Sara' bene allora verificarlo e quindi sono necessarie le misure dell'avvolgimento, il peso ed il diametro dei cavi uscenti dal secondario.
marco
0
voti
Si potrebbe sostituire le parti obsolete del vecchio ali e lasciare gli elementi buoni, quindi sostituire elettrolitici, controllare se i BJT sono buoni, e ricalcolare il pot per i valori di tensione richiesti, fermo restando che le correnti max sono limitate dal trafo impiegato. se ci mandasse le misure dello spessore del traferro, potremmo ipotizzare una potenza di massima e risalire alle correnti utili.
Oltre a postare i valori dei componenti montati, R e C, e magari metterci anche una regolazione della corrente...
Facci sapere quanto chiesto...
Oltre a postare i valori dei componenti montati, R e C, e magari metterci anche una regolazione della corrente...
Facci sapere quanto chiesto...
1
voti
Ti sei dimenticato di specificare che bisognerebbe anche controllare ed eventualmente sostituire l'integrato regolatore e che, volendo aggiungere una regolazione della corrente, occorrerebbe rifare il circuito da zero PCB compreso.
Per il resto, peraltro gia' richiesto, siamo in attesa delle risposte dell'OP.
Per il resto, peraltro gia' richiesto, siamo in attesa delle risposte dell'OP.
marco
Chi c’è in linea
Visitano il forum: Nessuno e 34 ospiti

Elettrotecnica e non solo (admin)
Un gatto tra gli elettroni (IsidoroKZ)
Esperienza e simulazioni (g.schgor)
Moleskine di un idraulico (RenzoDF)
Il Blog di ElectroYou (webmaster)
Idee microcontrollate (TardoFreak)
PICcoli grandi PICMicro (Paolino)
Il blog elettrico di carloc (carloc)
DirtEYblooog (dirtydeeds)
Di tutto... un po' (jordan20)
AK47 (lillo)
Esperienze elettroniche (marco438)
Telecomunicazioni musicali (clavicordo)
Automazione ed Elettronica (gustavo)
Direttive per la sicurezza (ErnestoCappelletti)
EYnfo dall'Alaska (mir)
Apriamo il quadro! (attilio)
H7-25 (asdf)
Passione Elettrica (massimob)
Elettroni a spasso (guidob)
Bloguerra (guerra)





