Non potendo simulare TL331 ho provato
con LM339 (X3):
V4 genera un segnale triangolare tra 0 e 4V
R2 rappresenta il carico dell'uscita (traccia rossa).
Si vede nettamente l'effetto di isteresi
provocato dalla R6
Crepuscolare con fotodiodo e operazionale
Moderatori:
carloc,
g.schgor,
BrunoValente,
IsidoroKZ
1
voti
Quando
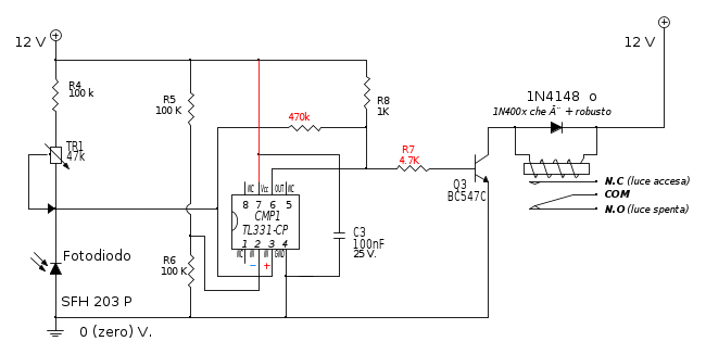
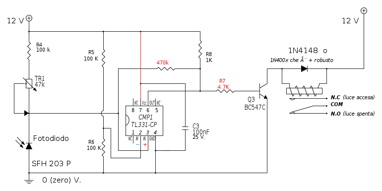
giorgio25760 in [10] ti ha fatto notare che R7 era troppo grossa, ritengo non intendesse quella che poi hai cambiato ma quella in base al transistor, visto che nel tuo schema c'erano DUE R7.
Per questa volta ho messo le mani su quella schifezza di schema FidocadJ, visto che avevo un po' di tempo...però ormai sei un abitudinario del forum ti pregherei di imparare a postare schemi decenti..leggi per bene le guide e le regole su come disegnare gli schemi.
ti ho segnato le modifiche da fare in rosso:
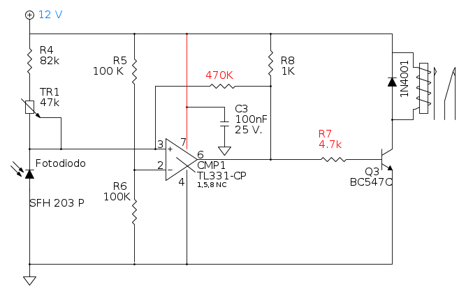
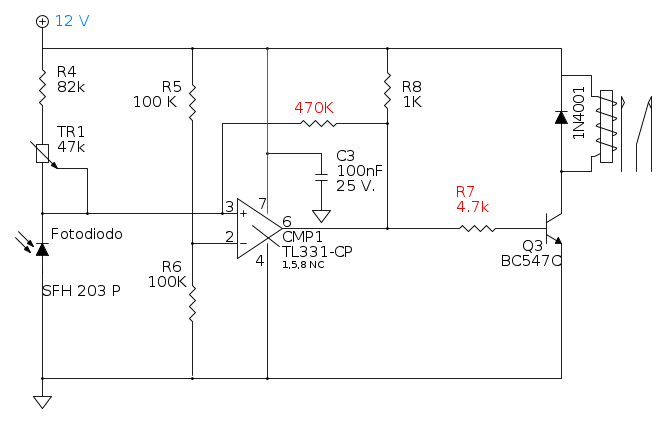
questo è come avresti dovuto disegnarlo:
come vedi contiene le stesse informazioni ma è 1000 volte più leggibile.
Per questa volta ho messo le mani su quella schifezza di schema FidocadJ, visto che avevo un po' di tempo...però ormai sei un abitudinario del forum ti pregherei di imparare a postare schemi decenti..leggi per bene le guide e le regole su come disegnare gli schemi.
ti ho segnato le modifiche da fare in rosso:
questo è come avresti dovuto disegnarlo:
come vedi contiene le stesse informazioni ma è 1000 volte più leggibile.
_______________________________________________________
Gli oscillatori non oscillano mai, gli amplificatori invece sempre
Io HO i poteri della supermucca, e ne vado fiero!
Gli oscillatori non oscillano mai, gli amplificatori invece sempre
Io HO i poteri della supermucca, e ne vado fiero!
0
voti
Salve,
ho provato realizzare il circuito aimè non funziona
che novità
Ho provato vedere quanta corrente esce dall trimmer mi sembra tanto poca il multimetro mi rileva al minimo 0,31 ed al massimo 0,35V può essere? c'è qualcosa che non va ho ricontrollato tutto non so piu cosa verificare
ho provato realizzare il circuito aimè non funziona
Ho provato vedere quanta corrente esce dall trimmer mi sembra tanto poca il multimetro mi rileva al minimo 0,31 ed al massimo 0,35V può essere? c'è qualcosa che non va ho ricontrollato tutto non so piu cosa verificare

0
voti
ho provato prendere i valori spero nelle modo piu coretto
SENZA CORRENTE:
- illuminato = arriva a dare picchi secondo di come punto la luce fino 270mV
- coperto = 1,6 mV
CON CORRENTE:
- illuminato = 0,40 V.
- coperto = 0,36 V.
Possono essere questi valori?
SENZA CORRENTE:
- illuminato = arriva a dare picchi secondo di come punto la luce fino 270mV
- coperto = 1,6 mV
CON CORRENTE:
- illuminato = 0,40 V.
- coperto = 0,36 V.
Possono essere questi valori?
Chi c’è in linea
Visitano il forum: Nessuno e 54 ospiti

Elettrotecnica e non solo (admin)
Un gatto tra gli elettroni (IsidoroKZ)
Esperienza e simulazioni (g.schgor)
Moleskine di un idraulico (RenzoDF)
Il Blog di ElectroYou (webmaster)
Idee microcontrollate (TardoFreak)
PICcoli grandi PICMicro (Paolino)
Il blog elettrico di carloc (carloc)
DirtEYblooog (dirtydeeds)
Di tutto... un po' (jordan20)
AK47 (lillo)
Esperienze elettroniche (marco438)
Telecomunicazioni musicali (clavicordo)
Automazione ed Elettronica (gustavo)
Direttive per la sicurezza (ErnestoCappelletti)
EYnfo dall'Alaska (mir)
Apriamo il quadro! (attilio)
H7-25 (asdf)
Passione Elettrica (massimob)
Elettroni a spasso (guidob)
Bloguerra (guerra)






