Scusa mi sono dimenticato di postare lo schema.....
ecco secondo mè fa corto.
relè spdt.
Moderatori:
carloc,
g.schgor,
BrunoValente,
IsidoroKZ
1
voti
[42] Re: relè spdt.
In quel modo senza dubbio!
Se dico eliminare il doppio deviatore, intendo cosi':
Ho dimenticato di eliminare dai terminali + e - che non dovrebbero essere indicati, considerato che ai due terminali si alternano il positivo ed il negativo.

Se dico eliminare il doppio deviatore, intendo cosi':
Ho dimenticato di eliminare dai terminali + e - che non dovrebbero essere indicati, considerato che ai due terminali si alternano il positivo ed il negativo.

marco
0
voti
[44] Re: relè spdt.
Devi prendere due rele' che abbiano la bobina a 9VCC ( e' questa la tensione che esce dalla scheda di comando? anche se sono solo 8V la bobina si eccita ugualmente) ed i contatti che possano supportare 10/15A.
Vanno bene due rele' ad uno scambio, i cui contatti andranno collegati come si vede nello schema che hai postato tu all'inizio.

Vanno bene due rele' ad uno scambio, i cui contatti andranno collegati come si vede nello schema che hai postato tu all'inizio.

marco
0
voti
[45] Re: relè spdt.
ok quindi due relè spdt con bobina 9vcc e contatti che supportano 10/15 A.
ok e i due diodi vanno bene 1n7004??

ok e i due diodi vanno bene 1n7004??
0
voti
[46] Re: relè spdt.
Vuoi dire gli 1N4007. Dovrebbero andare bene, sono lì apposta
. Se non sbaglio anche gli 1N4148, che sono più veloci..
Riassumendo, stai pilotanto i relè direttamente con gli output della centralina ricevente, corretto? In tal caso hai valutato l'idea di usare diodi di protezione? Se non erro servono o la centralina farà puff, ed i due diodi in quella posizione non svolgono questo compito, dico bene o sbaglio?
Riassumendo, stai pilotanto i relè direttamente con gli output della centralina ricevente, corretto? In tal caso hai valutato l'idea di usare diodi di protezione? Se non erro servono o la centralina farà puff, ed i due diodi in quella posizione non svolgono questo compito, dico bene o sbaglio?
0
voti
[47] Re: relè spdt.
Si tutto corretto. Quindi io meglio se metto 1N4148 perché voglio evitare che la ricevente faccia puff .... grazie a tutti domani metto lo schema del circuito finito
0
voti
[48] Re: relè spdt.
No no no... Ti stai confondendo, e comunque i diodi di protezione vanno scelti a dovere e secondo certi parametri che bisogna attentamente calcolare, altrimenti il diodo farà fumo pure lui!
Ora, ti chiedo scusa ma devo andare perché ho del dovere da fare, per il momento. Rileggiti il secondo link che ti postai! O vedi qui.
Ora, ti chiedo scusa ma devo andare perché ho del dovere da fare, per il momento. Rileggiti il secondo link che ti postai! O vedi qui.
0
voti
[49] Re: relè spdt.
scusa ma non ho letto la seconda parte del messaggio. allora quale sarebbe lo shcem agiusto? per proteggere la ricevente??
0
voti
[50] Re: relè spdt.
Riguardo alla protezione, forse sono io che ho fatto leggermente confusione, chiedo scusa.
Mi chiarisco riportando qui un mio ragionamento.
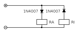
Osservando il circuito del messaggio #42 da marco438, supponendo che ad RA vada a OFF, l'energia della bobina, per come la vedo io, comincerebbe a scaricarsi attraverso RI ed il diodo in serie ad esso (essendo altrettanto in antiparallelo con RA), così:
però, bisogna anche tenere conto che subito dopo che RA vada a OFF, RI passi ad ON (con conseguente cambio di polarità dei terminali) e magari in un tempo inferiore al tempo di scarica.. Ovviamente il discorso sarebbe analogo a partire dalla situazione contraria. Potrebbe causare problemi questo comportamento? È giusto il mio ragionamento o sto facendo confusione?
teo125, ci tengo a precisare che questo è un mio ragionamento sul possibile comportamento del circuito, quindi mi piacerebbe che fosse confermato da una persona più esperta, (per esempio marco438 o chi passi per primo di quà) prima di prendere delle decisioni finali.
Nel caso che il mio ragionamento fosse corretto perché il comportamento del circuito potrebbe creare problemi, io proporrei questa soluzione:
nel quale sarebbe interessante, come già chiesto, di conoscere il valore della tensione di output dei terminali, sia quando è positiva che no (chiamiamole ON - OFF). Si suppone che OFF sia di un valore molto vicino a gli 0V, se è continua. La ON è di 8V??
Per sicurezza, le puoi misurare entrambe con il tester per favore?
Se si sceglie di optare per quest'ultima soluzione, una volta che si conoscono i valori delle tensioni ON - OFF si possono quindi determinare i valori di R1 & R2 e gli NPN da usare.
Nel mio ultimo schema, per convenzione, come diodo di protezione ho messo gli 1N4007, ma non è sempre detto che vadano bene. Qui è spiegato altrettanto facilmente il perché della loro funzione.

Mi chiarisco riportando qui un mio ragionamento.
Osservando il circuito del messaggio #42 da marco438, supponendo che ad RA vada a OFF, l'energia della bobina, per come la vedo io, comincerebbe a scaricarsi attraverso RI ed il diodo in serie ad esso (essendo altrettanto in antiparallelo con RA), così:
però, bisogna anche tenere conto che subito dopo che RA vada a OFF, RI passi ad ON (con conseguente cambio di polarità dei terminali) e magari in un tempo inferiore al tempo di scarica.. Ovviamente il discorso sarebbe analogo a partire dalla situazione contraria. Potrebbe causare problemi questo comportamento? È giusto il mio ragionamento o sto facendo confusione?
teo125, ci tengo a precisare che questo è un mio ragionamento sul possibile comportamento del circuito, quindi mi piacerebbe che fosse confermato da una persona più esperta, (per esempio marco438 o chi passi per primo di quà) prima di prendere delle decisioni finali.
Nel caso che il mio ragionamento fosse corretto perché il comportamento del circuito potrebbe creare problemi, io proporrei questa soluzione:
nel quale sarebbe interessante, come già chiesto, di conoscere il valore della tensione di output dei terminali, sia quando è positiva che no (chiamiamole ON - OFF). Si suppone che OFF sia di un valore molto vicino a gli 0V, se è continua. La ON è di 8V??
Per sicurezza, le puoi misurare entrambe con il tester per favore?
Se si sceglie di optare per quest'ultima soluzione, una volta che si conoscono i valori delle tensioni ON - OFF si possono quindi determinare i valori di R1 & R2 e gli NPN da usare.
Nel mio ultimo schema, per convenzione, come diodo di protezione ho messo gli 1N4007, ma non è sempre detto che vadano bene. Qui è spiegato altrettanto facilmente il perché della loro funzione.

Chi c’è in linea
Visitano il forum: Nessuno e 153 ospiti

Elettrotecnica e non solo (admin)
Un gatto tra gli elettroni (IsidoroKZ)
Esperienza e simulazioni (g.schgor)
Moleskine di un idraulico (RenzoDF)
Il Blog di ElectroYou (webmaster)
Idee microcontrollate (TardoFreak)
PICcoli grandi PICMicro (Paolino)
Il blog elettrico di carloc (carloc)
DirtEYblooog (dirtydeeds)
Di tutto... un po' (jordan20)
AK47 (lillo)
Esperienze elettroniche (marco438)
Telecomunicazioni musicali (clavicordo)
Automazione ed Elettronica (gustavo)
Direttive per la sicurezza (ErnestoCappelletti)
EYnfo dall'Alaska (mir)
Apriamo il quadro! (attilio)
H7-25 (asdf)
Passione Elettrica (massimob)
Elettroni a spasso (guidob)
Bloguerra (guerra)







