Strumenti indispensabili
Moderatori:
carloc,
g.schgor,
BrunoValente,
IsidoroKZ
0
voti
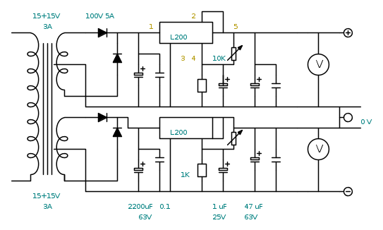
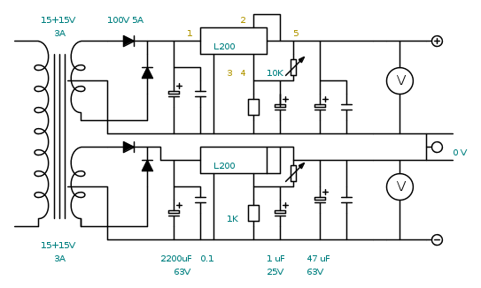
Io avevo fatto una regolazione di corrente utilizzando un potenziometro da 1K (se non ricordo male). Giustamente, come dice
marco438, è una regolazione manuale.
"La follia sta nel fare sempre la stessa cosa aspettandosi risultati diversi".
"Parla soltanto quando sei sicuro che quello che dirai è più bello del silenzio".
Rispondere è cortesia, ma lasciare l'ultima parola ai cretini è arte.
"Parla soltanto quando sei sicuro che quello che dirai è più bello del silenzio".
Rispondere è cortesia, ma lasciare l'ultima parola ai cretini è arte.
-

TardoFreak
73,9k 8 12 13 - -EY Legend-

- Messaggi: 15754
- Iscritto il: 16 dic 2009, 11:10
- Località: Torino - 3° pianeta del Sistema Solare
0
voti
TardoFreak ha scritto:Io avevo fatto una regolazione di corrente utilizzando un potenziometro da 1K (se non ricordo male). Giustamente, come dicemarco438, è una regolazione manuale.
Si 1000 ohm credo sia la scelta migliore; ma il problema resta.

marco
0
voti
Ma tornare alla cara vecchia idea di
Candy di mettere solamente una protezione elettromeccanica alla corrente?
PS per quello che riguarda la regolazione manuale, la struttura ad albero di natale con amperometri un po da tutte le parti non dovrebbe sopperire al problema?
PS per quello che riguarda la regolazione manuale, la struttura ad albero di natale con amperometri un po da tutte le parti non dovrebbe sopperire al problema?
C. America: Sei grosso con l'armatura; senza quella cosa sei?
Tony Stark: Un genio, miliardario playboy filantropo
Sfodera un autocompiacimento da manuale... Concordo
Se i miei calcoli non sono errati, e non lo sono mai, 3 Giga Joule al secondo
Tony Stark: Un genio, miliardario playboy filantropo
Sfodera un autocompiacimento da manuale... Concordo
Se i miei calcoli non sono errati, e non lo sono mai, 3 Giga Joule al secondo
0
voti
TONYSTARK ha scritto:Ma tornare alla cara vecchia idea diCandy di mettere solamente una protezione elettromeccanica alla corrente?
PS per quello che riguarda la regolazione manuale, la struttura ad albero di natale con amperometri un po da tutte le parti non dovrebbe sopperire al problema?
Gli amperometri ti indicano quanta corrente esce dall'alimentatore e non la corrente impostata oltre la quale
l'alimentatore non puo' andare.
Sei tu che hai deciso per la regolazione della corrente; sei padrone di cambiare idea quando vuoi.
marco
0
voti
mettere solamente una protezione elettromeccanica
Elettromeccanica no. E' difficile da trovare e, sopratutto, l'elettronica hai dei margini generalmente più risicati.
No, io avevo detto: una protezione ON/OFF; sì regolabile, ma con intervento netto nel rimuovere tensione, da ripristinare successivamente con un pulsante.
La limitazione di corrente cosa fa? Se il carico assorbe più corrente del voluto, invece di togliere energia ad un circuito potenzialmente guasto, aggiusta i parametri, (la tensione), riducendola fino a che la corrente rientra entro il limite. E fa bene questa tecnica al circuito? Io dico no due volte:
- il circuito viene alimentato ad un valore di tensione sconosciuto, con comportamenti ignoti...;
- l'alimentatore funge da stufa per tutte le stagioni e, invece di salvare il circuito in odore di guasto, si scalda il mondo...
-

Candy
32,5k 7 10 13 - CRU - Account cancellato su Richiesta utente
- Messaggi: 10123
- Iscritto il: 14 giu 2010, 22:54
0
voti
... ed è facile che si metta ad oscillare. 

"La follia sta nel fare sempre la stessa cosa aspettandosi risultati diversi".
"Parla soltanto quando sei sicuro che quello che dirai è più bello del silenzio".
Rispondere è cortesia, ma lasciare l'ultima parola ai cretini è arte.
"Parla soltanto quando sei sicuro che quello che dirai è più bello del silenzio".
Rispondere è cortesia, ma lasciare l'ultima parola ai cretini è arte.
-

TardoFreak
73,9k 8 12 13 - -EY Legend-

- Messaggi: 15754
- Iscritto il: 16 dic 2009, 11:10
- Località: Torino - 3° pianeta del Sistema Solare
2
voti
I circuiti elettronici hanno bisogno di funzionare a tensione praticamente costante. Un voltmetro minimamente serio, per un alimentatore, è necessario.
L'amperometro molto meno dico io. Il più delle volte ti troverai ad alimentare circuiti che assorbono pochi milliampere, e, se come presumo, monterai uno strumento analogico con fondo scala 5 A, non lo vedrai mai muovere. (In odore di inutilità).
Se invece hai tutti i soldi da spendere che vuoi, (e non mi pare sia questa la tua posizione), puoi mettere uno strumento a scala automatica, ma ne vale veramente la pena? Fare misure di precisione con l'alimentatore? Io dico, l'alimentatore alimenta, poi le misure di precisione le farai, se servono, con gli strumenti appropriati... quindi, direi, togli l'amperometro.
L'amperometro molto meno dico io. Il più delle volte ti troverai ad alimentare circuiti che assorbono pochi milliampere, e, se come presumo, monterai uno strumento analogico con fondo scala 5 A, non lo vedrai mai muovere. (In odore di inutilità).
Se invece hai tutti i soldi da spendere che vuoi, (e non mi pare sia questa la tua posizione), puoi mettere uno strumento a scala automatica, ma ne vale veramente la pena? Fare misure di precisione con l'alimentatore? Io dico, l'alimentatore alimenta, poi le misure di precisione le farai, se servono, con gli strumenti appropriati... quindi, direi, togli l'amperometro.
-

Candy
32,5k 7 10 13 - CRU - Account cancellato su Richiesta utente
- Messaggi: 10123
- Iscritto il: 14 giu 2010, 22:54
0
voti
C. America: Sei grosso con l'armatura; senza quella cosa sei?
Tony Stark: Un genio, miliardario playboy filantropo
Sfodera un autocompiacimento da manuale... Concordo
Se i miei calcoli non sono errati, e non lo sono mai, 3 Giga Joule al secondo
Tony Stark: Un genio, miliardario playboy filantropo
Sfodera un autocompiacimento da manuale... Concordo
Se i miei calcoli non sono errati, e non lo sono mai, 3 Giga Joule al secondo
0
voti
Allora si torna alla schema dell'articolo di
marco438 con aggiunta di voltmetri.
Ora mancano due cose, come fare la protezione suggerita da
Candy e il modo di far diventare un regolatore master in caso di utilizzo dei due canali in serie.
Io avrei pensato ad un deviatore che mi apre i circuiti del voltmetro e del potenziometro di un canale e mi inserisce quelli del canale master.
Ora mancano due cose, come fare la protezione suggerita da
Io avrei pensato ad un deviatore che mi apre i circuiti del voltmetro e del potenziometro di un canale e mi inserisce quelli del canale master.
C. America: Sei grosso con l'armatura; senza quella cosa sei?
Tony Stark: Un genio, miliardario playboy filantropo
Sfodera un autocompiacimento da manuale... Concordo
Se i miei calcoli non sono errati, e non lo sono mai, 3 Giga Joule al secondo
Tony Stark: Un genio, miliardario playboy filantropo
Sfodera un autocompiacimento da manuale... Concordo
Se i miei calcoli non sono errati, e non lo sono mai, 3 Giga Joule al secondo
Chi c’è in linea
Visitano il forum: Nessuno e 133 ospiti

Elettrotecnica e non solo (admin)
Un gatto tra gli elettroni (IsidoroKZ)
Esperienza e simulazioni (g.schgor)
Moleskine di un idraulico (RenzoDF)
Il Blog di ElectroYou (webmaster)
Idee microcontrollate (TardoFreak)
PICcoli grandi PICMicro (Paolino)
Il blog elettrico di carloc (carloc)
DirtEYblooog (dirtydeeds)
Di tutto... un po' (jordan20)
AK47 (lillo)
Esperienze elettroniche (marco438)
Telecomunicazioni musicali (clavicordo)
Automazione ed Elettronica (gustavo)
Direttive per la sicurezza (ErnestoCappelletti)
EYnfo dall'Alaska (mir)
Apriamo il quadro! (attilio)
H7-25 (asdf)
Passione Elettrica (massimob)
Elettroni a spasso (guidob)
Bloguerra (guerra)



