Scusate se intervengo con una domanda che...centra e non centra...
Se mi ricordo bene, avevo letto che in una configurazione di ponte H, tenendo chiusi insieme i due interruttori alti (o bassi) cioè mettendo in corto il motorino, praticamente è frenato.
Invece, lasciando tutti gli switch aperti, è "in folle", cioè, penso, s'intende libero di muoversi.
Sempre se ricordo bene, mi pare che il circuito equivalente di un motore dc sia cosi:
Provo a dare una spiegazione:
- con switch tutti aperti, Vin è "aperto", se io ruoto l'albero del motorino, Vm cresce, corrente nulla
- Se invece il motore "è in corto" ai suoi terminali, quando forzo la rotazione, in questo caso si genera una corrente. Però non mi spiego perché dovrebbe tenere bloccato il motore...
Ciao
Stefano
PONTE AD H con NPN e PNP niente da fare...
Moderatori:
carloc,
g.schgor,
BrunoValente,
IsidoroKZ
0
voti
Frenato non vuol dire bloccato. Vuol dire che se lo si fa girare, si deve vincere una coppia proporzionale alla velocita` di rotazione. La coppia frenante vale

Dove
e` la resistenza di armatura e
il coefficiente del motore che dice la tensione generata in funzione della velocita` di rotazione oppure la coppia in funzione della corrente. Il segno meno dipende dalle convenzioni di segno di velocita` angolare e coppia, lo si puo` anche togliere.
Il motore si presenta come un freno "lineare" con coefficiente di attrito pari a
che non e` nient'altro che la resistenza di armatura vista dal lato meccanico.
Il coefficiente di trasformazione
e` quello di un "trasformatore" tensione<->velocita` oppure corrente<->coppia ed e` al quadrato perche' si sta trasportando una impedenza da un lato all'altro di un "trasformatore".

Dove
e` la resistenza di armatura e
il coefficiente del motore che dice la tensione generata in funzione della velocita` di rotazione oppure la coppia in funzione della corrente. Il segno meno dipende dalle convenzioni di segno di velocita` angolare e coppia, lo si puo` anche togliere.Il motore si presenta come un freno "lineare" con coefficiente di attrito pari a
che non e` nient'altro che la resistenza di armatura vista dal lato meccanico. Il coefficiente di trasformazione
e` quello di un "trasformatore" tensione<->velocita` oppure corrente<->coppia ed e` al quadrato perche' si sta trasportando una impedenza da un lato all'altro di un "trasformatore".Per usare proficuamente un simulatore, bisogna sapere molta più elettronica di lui
Plug it in - it works better!
Il 555 sta all'elettronica come Arduino all'informatica! (entrambi loro malgrado)
Se volete risposte rispondete a tutte le mie domande
Plug it in - it works better!
Il 555 sta all'elettronica come Arduino all'informatica! (entrambi loro malgrado)
Se volete risposte rispondete a tutte le mie domande
0
voti
Grazie.
Quindi se suppongo di avere un sistema cosi:
Il motore DC, alimentato, vince la coppia resistente data dal peso della massa M e riesce a sollevarla ad una certa altezza h.
A questo punto metto in "freno" il motore DC, praticamente mettendo in corto i suoi terminali.
Ad un primo istante, il peso, per gravità, tende a far ruotare il motore generando una omega.
A questo punto, sapendo il coefficente k di quel motore, nasce una coppia resistente di valore
.
Se questo valore è uguale alla coppia generata dal peso, rimane tutto fermo? Come se io mettessi un mazzo di carte su un oggetto su un piano inclinato e grazie all'attrito, rimane li dove l'ho messo...
Però mi puzza un po'... perché se le due coppie si egualiano, torno a omega=0 e ricomincio.
E forse pian piano torno "per terra".
Mi sto incasinando... praticamente vorrei capire se un sistema come quello disegnato sopra, conoscendo i parametri del motore (K) e M posso ottenere di alzare il peso in una prima fase, poi mi metto in modalità freno e tutto rimane li.
Bah!
Senno che si deve fare? Controllare in feedback il "moto" e inverire nel caso il senso di marcia?
Passare a tipo diverso di motore (passo passo)?
Ciao
Stefano
Quindi se suppongo di avere un sistema cosi:
Il motore DC, alimentato, vince la coppia resistente data dal peso della massa M e riesce a sollevarla ad una certa altezza h.
A questo punto metto in "freno" il motore DC, praticamente mettendo in corto i suoi terminali.
Ad un primo istante, il peso, per gravità, tende a far ruotare il motore generando una omega.
A questo punto, sapendo il coefficente k di quel motore, nasce una coppia resistente di valore
.Se questo valore è uguale alla coppia generata dal peso, rimane tutto fermo? Come se io mettessi un mazzo di carte su un oggetto su un piano inclinato e grazie all'attrito, rimane li dove l'ho messo...
Però mi puzza un po'... perché se le due coppie si egualiano, torno a omega=0 e ricomincio.
E forse pian piano torno "per terra".
Mi sto incasinando... praticamente vorrei capire se un sistema come quello disegnato sopra, conoscendo i parametri del motore (K) e M posso ottenere di alzare il peso in una prima fase, poi mi metto in modalità freno e tutto rimane li.
Bah!
Senno che si deve fare? Controllare in feedback il "moto" e inverire nel caso il senso di marcia?
Passare a tipo diverso di motore (passo passo)?
Ciao
Stefano
Ultima modifica di
Candy il 25 gen 2012, 13:18, modificato 1 volta in totale.
Motivazione: Quote inutile del post precedente.
Motivazione: Quote inutile del post precedente.
"perché un uomo è grande, GRANDE davvero, quando ritorna bambino di nuovo". Zecchino d'oro '87
1
voti
Coppia netta nulla non vuol dire puleggia ferma, vuol dire che ruota a velocita` costante.
Se metti una massa
con una puleggia di raggio
a regime la coppia generata dalla massa sara`
e questa, sempre a regime sara` uguale a
Se sommi le due espressioni e imponi che il risultato sia nulla (regime) trovi la velocita` angolare
e la velocita` di discesa della massa
.
Se metti una massa
con una puleggia di raggio
a regime la coppia generata dalla massa sara`
e questa, sempre a regime sara` uguale a
Se sommi le due espressioni e imponi che il risultato sia nulla (regime) trovi la velocita` angolare
e la velocita` di discesa della massa
.Per usare proficuamente un simulatore, bisogna sapere molta più elettronica di lui
Plug it in - it works better!
Il 555 sta all'elettronica come Arduino all'informatica! (entrambi loro malgrado)
Se volete risposte rispondete a tutte le mie domande
Plug it in - it works better!
Il 555 sta all'elettronica come Arduino all'informatica! (entrambi loro malgrado)
Se volete risposte rispondete a tutte le mie domande
0
voti
Che pistola che sono.
Grazie!
Grazie!
Ultima modifica di
Candy il 25 gen 2012, 13:20, modificato 1 volta in totale.
Motivazione: Quote inutile del post precedente.
Motivazione: Quote inutile del post precedente.
"perché un uomo è grande, GRANDE davvero, quando ritorna bambino di nuovo". Zecchino d'oro '87
0
voti
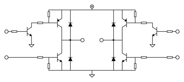
IsidoroKZ ha scritto:... non mi sembra che quello schema generi dei picchi di corrente: che cosa mi sono perso nello schema?
Mmmm... mi sembra che il casino si possa fare invertendo il verso di rotazione al volo: se il motore ha inerzia, e se genera durante la manovra di inversione, i transistor di sopra commuterebbero solo dopo che il motore avesse rallantato a sufficienza, quindi con troppo ritardo rispetto a quelli di sotto. Dovrebbe andare come se al posto del motore ci fosse un condensatore
-

BrunoValente
39,6k 7 11 13 - G.Master EY

- Messaggi: 7796
- Iscritto il: 8 mag 2007, 14:48
0
voti
Ricapitolo un attimino.
Io dovrei comandare un pistone elettrico a 12 volt che consuma 2A.
Devo poter invertire la direzione del motore del pistone per farlo "scendere" o "salire".
Devo anche poter variare la velocità, pensavo per quello di utilizzare il PWM del chip.
Posso quindi utilizzare questo schema postato da
Candy per il mio progetto definitivo?
... nella parte bassa dello schema ci sono delle resistenze che non mi convincono
o una in più o 1 in meno...
O si può ancora migliorare?
Qualcuno ha altre soluzioni?
Io dovrei comandare un pistone elettrico a 12 volt che consuma 2A.
Devo poter invertire la direzione del motore del pistone per farlo "scendere" o "salire".
Devo anche poter variare la velocità, pensavo per quello di utilizzare il PWM del chip.
Posso quindi utilizzare questo schema postato da
... nella parte bassa dello schema ci sono delle resistenze che non mi convincono
O si può ancora migliorare?
Qualcuno ha altre soluzioni?
0
voti
Ho osservato lo schema attentamente e ragionato mentalmente questo:
1) Con entrambi i due transistor NPN aperti, i due PNP sono obbligati ad autoestinguersi, trovandosi le due basi ai potenziali di collettore del reciproco;
2) Il motore non ha modo di mantenere un transistor in conduzione, è semplicemente libero di ruotar eessenso il circuito aperto;
3) Se, con motore in rotazione per inerzia, si chiude la copia di transitor opposti, un terminale del motore finisce prossimo a 0 V, il terminale opposto avrà potenziale negativo, inducendo maggiore corrente nel circuito per il transitorio di frenata ed inversione di marcia. (Ma questo succede comunque in tutti i casi, con qualunque ponte).
No, rispetto alla versione classica del ponte ad H, questo ha solo lo svantaggio che occorre un minimo dead-time tra le commutazioni. Se i due NPN si trovano polarizzati contemporaneamente è l'unica condizione di "corto".
-

Candy
32,5k 7 10 13 - CRU - Account cancellato su Richiesta utente
- Messaggi: 10123
- Iscritto il: 14 giu 2010, 22:54
0
voti
Con le porta di Arduino od altri micro puoi usare lo schema in [18]. In tutti i casi introduce un dead-time di commutazione, passando sempre per il tutto aperto prima di invertire il senso di marcia.
Il PWM te lo costruisci a bassa frequenza: 100 Hz o dintorni.
Il PWM te lo costruisci a bassa frequenza: 100 Hz o dintorni.
-

Candy
32,5k 7 10 13 - CRU - Account cancellato su Richiesta utente
- Messaggi: 10123
- Iscritto il: 14 giu 2010, 22:54
0
voti
Ciao,
non hai considerato la soluzione, ( un po' Gordiana ) di utilizzare un ponte ad H integrato ?.
Alla fine quello che vedo con i vari stadi di amplificazione e di traslazione dei livelli altro non è che quello che troveresti integrato in un multiwatt od altro case.
Poi sia bene inteso apprezzo il tuo sforzo di arrivare ad un oggetto costruito di persona che sicuramente nel momento in cui lo realizzerai appagherà le tue fatiche.
Personalmente anche per motivi di affidabilità darei la preferenza all'integrato.
Se proprio vuoi "discretizzare" un driver per 4 NMOS, sia l'highside che il lowside con un minimo di intelligenza a bordo e ti togli il problema ( 5 componenti da montare o 10 nel caso tu metta anche il sense di corrente e 4 diodi di ricircolo non facendo affidamento su quelli che Ti verrebbero gratis dall'utilizzo degli NMOS ) .
Allegro, ST, Infineon ( se si possono menzionare ) ne fanno un po' per tutte le esigenze ( compatibili con le tue ).
Certamente soluzione un po' più dispendiosa, ma della quale poi te ne dimenticherai in futuo quanto ad affidabilità.
Ciao e buona serata.
non hai considerato la soluzione, ( un po' Gordiana ) di utilizzare un ponte ad H integrato ?.
Alla fine quello che vedo con i vari stadi di amplificazione e di traslazione dei livelli altro non è che quello che troveresti integrato in un multiwatt od altro case.
Poi sia bene inteso apprezzo il tuo sforzo di arrivare ad un oggetto costruito di persona che sicuramente nel momento in cui lo realizzerai appagherà le tue fatiche.
Personalmente anche per motivi di affidabilità darei la preferenza all'integrato.
Se proprio vuoi "discretizzare" un driver per 4 NMOS, sia l'highside che il lowside con un minimo di intelligenza a bordo e ti togli il problema ( 5 componenti da montare o 10 nel caso tu metta anche il sense di corrente e 4 diodi di ricircolo non facendo affidamento su quelli che Ti verrebbero gratis dall'utilizzo degli NMOS ) .
Allegro, ST, Infineon ( se si possono menzionare ) ne fanno un po' per tutte le esigenze ( compatibili con le tue ).
Certamente soluzione un po' più dispendiosa, ma della quale poi te ne dimenticherai in futuo quanto ad affidabilità.
Ciao e buona serata.

-

DesmoDromik
79 1 - Messaggi: 33
- Iscritto il: 19 gen 2012, 0:41
Chi c’è in linea
Visitano il forum: Nessuno e 120 ospiti

Elettrotecnica e non solo (admin)
Un gatto tra gli elettroni (IsidoroKZ)
Esperienza e simulazioni (g.schgor)
Moleskine di un idraulico (RenzoDF)
Il Blog di ElectroYou (webmaster)
Idee microcontrollate (TardoFreak)
PICcoli grandi PICMicro (Paolino)
Il blog elettrico di carloc (carloc)
DirtEYblooog (dirtydeeds)
Di tutto... un po' (jordan20)
AK47 (lillo)
Esperienze elettroniche (marco438)
Telecomunicazioni musicali (clavicordo)
Automazione ed Elettronica (gustavo)
Direttive per la sicurezza (ErnestoCappelletti)
EYnfo dall'Alaska (mir)
Apriamo il quadro! (attilio)
H7-25 (asdf)
Passione Elettrica (massimob)
Elettroni a spasso (guidob)
Bloguerra (guerra)




