Si puo' risolvere con uno start/stop, che interrompa il clock tramite una logica collegata alle uscite del 4510 ; la ripartenza avverrebbe con pulsante NO.
Questa la mia versione; poi vediamo se [user]gohan[/user] decide diversamente.
CD 4093 (C-mos)
Moderatori:
carloc,
g.schgor,
BrunoValente,
IsidoroKZ
0
voti
[42] Re: CD 4093 (C-mos)
Anche io avevo pensato a questo.
Si può lavorare grazie all'uscita 7 Terminal Count attiva a stato logico basso, mi sembra il metodo migliore e più economico.
Più tardi potrò fare uno schema, ora non posso e devo uscire, se Marco per il momento propone il suo ben venga.
Si può lavorare grazie all'uscita 7 Terminal Count attiva a stato logico basso, mi sembra il metodo migliore e più economico.
Più tardi potrò fare uno schema, ora non posso e devo uscire, se Marco per il momento propone il suo ben venga.

0
voti
[44] Re: CD 4093 (C-mos)
Salve son appena tornato... dovrei creare un qualcosa del genere ? http://www.dii.unina2.it/Utenti/clandi/Altro%20MEL/Tempo%20e%20frequenza.pdf pagina 2 secondo riquadro
-

carlomusumeci
353 5 7 - Sostenitore

- Messaggi: 526
- Iscritto il: 8 apr 2011, 0:35
0
voti
[45] Re: CD 4093 (C-mos)
E non e' quello che ho detto io?
Tra l'atro, se ben ricordo, lo abbiamo gia' fatto nell'orologio ma, come sembra, non ricordi piu' nulla.
P.S. I circuiti non si creano, si costruiscono.
Tra l'atro, se ben ricordo, lo abbiamo gia' fatto nell'orologio ma, come sembra, non ricordi piu' nulla.
P.S. I circuiti non si creano, si costruiscono.
marco
0
voti
[46] Re: CD 4093 (C-mos)
Nell'orologio dovevo fare una cosa del genere per impostare le ore e i minuti ma che poi ho fatto semplicemente con dei pulsanti dal Vcc ai clock con i circuiti antirimbalzo...proprio perche non capisco come farlo...
-

carlomusumeci
353 5 7 - Sostenitore

- Messaggi: 526
- Iscritto il: 8 apr 2011, 0:35
0
voti
[48] Re: CD 4093 (C-mos)
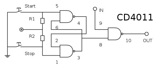
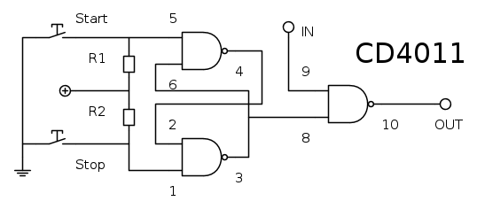
la parte del cd4011 è molto interessante...credo sia proprio quella la parte che mi serve giusto?
-

carlomusumeci
353 5 7 - Sostenitore

- Messaggi: 526
- Iscritto il: 8 apr 2011, 0:35
0
voti
[49] Re: CD 4093 (C-mos)
in una cosa sono incerto...li noto due tasti uno start e uno stop...ma lo stop io anzichè collegarlo ad un pulsante dovrei collegarlo alle uscite binarie giusto?
-

carlomusumeci
353 5 7 - Sostenitore

- Messaggi: 526
- Iscritto il: 8 apr 2011, 0:35
0
voti
[50] Re: CD 4093 (C-mos)
Infatti; al pin di stop, perche' il conteggio si arresti deve pervenire un segnale a livello logico 0.
Questo e' possibile andandosi a studiare la tavola delle verita' relativa all'integrato contatore ed individuando le uscite da usare per ricavarne l'impulso necessario tramite una logica.
La ripartenza avverra' premendo l'apposito pulsante di start.
Questo e' possibile andandosi a studiare la tavola delle verita' relativa all'integrato contatore ed individuando le uscite da usare per ricavarne l'impulso necessario tramite una logica.
La ripartenza avverra' premendo l'apposito pulsante di start.
marco
Chi c’è in linea
Visitano il forum: Nessuno e 56 ospiti

Elettrotecnica e non solo (admin)
Un gatto tra gli elettroni (IsidoroKZ)
Esperienza e simulazioni (g.schgor)
Moleskine di un idraulico (RenzoDF)
Il Blog di ElectroYou (webmaster)
Idee microcontrollate (TardoFreak)
PICcoli grandi PICMicro (Paolino)
Il blog elettrico di carloc (carloc)
DirtEYblooog (dirtydeeds)
Di tutto... un po' (jordan20)
AK47 (lillo)
Esperienze elettroniche (marco438)
Telecomunicazioni musicali (clavicordo)
Automazione ed Elettronica (gustavo)
Direttive per la sicurezza (ErnestoCappelletti)
EYnfo dall'Alaska (mir)
Apriamo il quadro! (attilio)
H7-25 (asdf)
Passione Elettrica (massimob)
Elettroni a spasso (guidob)
Bloguerra (guerra)



