Cos'è ElectroYou | Login Iscriviti

ElectroYou - la comunità dei professionisti del mondo elettrico

Thread sugli operazionali

Elettronica lineare e digitale: didattica ed applicazioni

Moderatori: Foto Utentecarloc, Foto Utenteg.schgor, Foto UtenteBrunoValente, Foto UtenteIsidoroKZ

3
voti

[41] Re: Neofita di questo mondo :)

Messaggioda Foto UtentePietroBaima » 2 feb 2013, 22:54

Ottimo, hai trovato la formula corretta.

Allora cominciamo a scrivere la formula come la scriverebbe un elettronico.

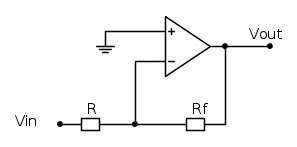
Se chiamiamo le resistenze così:



dove si è nominata Rf per ricordarsi che quella è la resistenza a cavallo del feedback e l'altra è stata nominata genericamente R, si ha che:

A_v=1+\frac{R_f}{R}

Questo si chiama amplificatore non invertente.

Si vede che l'amplificatore non invertente non può amplificare meno di uno (a meno di stranezze le R non possono essere negative), cioè non può attenuare.

Vedrai che se pongo Rf=R ottengo un amplificatore che guadagna 2, mentre se metto Rf=0 (e R un circuito aperto, cioè infinita) ottengo che Av=1.

Esiste anche un altro tipo di amplificatore, l'amplificatore invertente.

Per capirlo però devo spiegarti il principio di sovrapposizione degli effetti, anche se ti converrebbe studiare un minimo di elettrotecnica, per capire qualcosa in più.

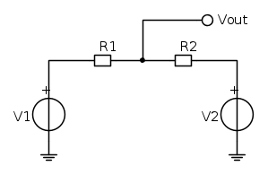
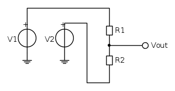
Supponiamo di prendere il nostro partitore di tensione e di caricarlo con due tensioni di ingresso, chiamiamole V1 e V2.

Lo schema diventa questo:



O meglio, evidenziando i generatori di tensione, lo schema è questo:



Questo secondo schema è preferibile perché ho evidenziato che c'è un generatore che impone una tensione, chiamata V1 o V2 rispetto a massa.

Stilisticamente è ancora meglio questo :D :



Adesso la legge del partitore non si può più applicare, così com'è.
Dobbiamo ricorrere ad un trucco:

La rete elettrica è lineare. Come ti ricorderai da matematica, una funzione lineare è una funzione che gode di questa proprietà:
f\left(a x_1+b x_2\right)=af\left(x_1\right)+bf\left(x_2\right)
In pratica la soluzione è composta dalla somma dei singoli contributi, considerati separatamente.

Posso quindi considerare un solo generatore per volta, prima V1, poi V2, azzerando la variabile indipendente dell'altro per fare il calcolo.

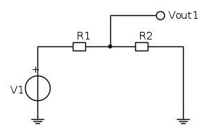
Azzeriamo V2 e teniamo solo V1.



Adesso posso applicare il partitore e la tensione Vout1 risulta essere:

V_{out1}=V_1\frac{R_2}{R_1+R_2}

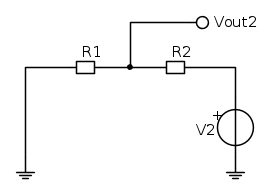
Adesso consideriamo il secondo contributo, tenendo solo V2:



Adesso, per come è fatta la rete, abbiamo che

V_{out2}=V_2\frac{R_1}{R_1+R_2}

Ora abbiamo trovato i singoli contributi per la sovrapposizione degli effetti.
La soluzione complessiva è data dalla loro somma:

V_{out}=V_1\frac{R_2}{R_1+R_2}+V_2\frac{R_1}{R_1+R_2}

Appena ti sarà chiaro questo procediamo!
Generatore codice per articoli:
nomi
Sul forum:
[pigreco]=π
[ohm]=Ω
[quadrato]=²
[cubo]=³
Avatar utente
Foto UtentePietroBaima
90,7k 7 12 13
G.Master EY
G.Master EY
 
Messaggi: 12206
Iscritto il: 12 ago 2012, 1:20
Località: Londra

0
voti

[42] Re: Neofita di questo mondo :)

Messaggioda Foto Utenteelegos » 2 feb 2013, 23:05

Credo di aver capito tutto. Ora però devi spiegarmi perché si chiamano "amplificatori non invertenti" ed "amplificatori invertenti" :)
Avatar utente
Foto Utenteelegos
335 3 6
Frequentatore
Frequentatore
 
Messaggi: 183
Iscritto il: 29 gen 2013, 19:43
Località: Milano

2
voti

[43] Re: Neofita di questo mondo :)

Messaggioda Foto UtentePietroBaima » 2 feb 2013, 23:12

Ottimo.

Se ti è tutto chiaro, allora calcola l'amplificazione A per questo amplificatore, con la stessa strategia di prima:

Generatore codice per articoli:
nomi
Sul forum:
[pigreco]=π
[ohm]=Ω
[quadrato]=²
[cubo]=³
Avatar utente
Foto UtentePietroBaima
90,7k 7 12 13
G.Master EY
G.Master EY
 
Messaggi: 12206
Iscritto il: 12 ago 2012, 1:20
Località: Londra

0
voti

[44] Re: Neofita di questo mondo :)

Messaggioda Foto Utenteelegos » 2 feb 2013, 23:29

Se al polo non invertente (+) ci metti la terra, l'amplificatore operazionale non restituirà sempre 0, essendo (presumibilmente) Vin > 0, per qualsiasi fattore di riduzione attui il partitore di tensione? Quindi polo invertente (-) > polo non invertente (+)...

Secondo questo ragionamento possiamo trattare quel partitore come partitore non invertente, quindi A_v = 1 + \frac{R}{R_f} - evidentemente mi son perso qualche concetto :P
Avatar utente
Foto Utenteelegos
335 3 6
Frequentatore
Frequentatore
 
Messaggi: 183
Iscritto il: 29 gen 2013, 19:43
Località: Milano

1
voti

[45] Re: Neofita di questo mondo :)

Messaggioda Foto UtentePietroBaima » 2 feb 2013, 23:32

No, sei fuori strada, calcola prima la tensione V-
Generatore codice per articoli:
nomi
Sul forum:
[pigreco]=π
[ohm]=Ω
[quadrato]=²
[cubo]=³
Avatar utente
Foto UtentePietroBaima
90,7k 7 12 13
G.Master EY
G.Master EY
 
Messaggi: 12206
Iscritto il: 12 ago 2012, 1:20
Località: Londra

2
voti

[46] Re: Neofita di questo mondo :)

Messaggioda Foto Utenteelegos » 2 feb 2013, 23:40

V- =V-_1 + V-_2 = V_{in}\frac{R_f}{R+R_f}+V_{out}\frac{R}{R+R_f}

V- = \frac{V_{in}R_f+V{out}R}{R+R_f}

Se questo è corretto tento di calcolare A :-)
Avatar utente
Foto Utenteelegos
335 3 6
Frequentatore
Frequentatore
 
Messaggi: 183
Iscritto il: 29 gen 2013, 19:43
Località: Milano

0
voti

[47] Re: Neofita di questo mondo :)

Messaggioda Foto UtentePietroBaima » 2 feb 2013, 23:45

Bene. Procedi.
Generatore codice per articoli:
nomi
Sul forum:
[pigreco]=π
[ohm]=Ω
[quadrato]=²
[cubo]=³
Avatar utente
Foto UtentePietroBaima
90,7k 7 12 13
G.Master EY
G.Master EY
 
Messaggi: 12206
Iscritto il: 12 ago 2012, 1:20
Località: Londra

0
voti

[48] Re: Neofita di questo mondo :)

Messaggioda Foto Utenteelegos » 2 feb 2013, 23:55

Ma se l'amplificatore operazionale funziona in saturazione... Vout non sarà sempre a 0? Oppure passa la corrente da Vin a Vout direttamente? Ed anche in quel caso, il contributo dell'opamp non rimarrebbe 0, essendo sempre V- > V+? Questo mi sfugge...
Avatar utente
Foto Utenteelegos
335 3 6
Frequentatore
Frequentatore
 
Messaggi: 183
Iscritto il: 29 gen 2013, 19:43
Località: Milano

2
voti

[49] Re: Neofita di questo mondo :)

Messaggioda Foto UtentePietroBaima » 3 feb 2013, 0:05

Se funzionasse in saturazione, come abbiamo visto, la tensione di uscita potrebbe essere solo o GND o Vcc.
L'amplificatore, qui, non funziona in saturazione, ma in linearità.
Questo perché se la tensione di uscita sale aumenta anche la tensione al morsetto invertente (considera sempre la sovrapposizione degli effetti e il partitore) e quando questa raggiunge il morsetto non invertente l'uscita non si muove più da lì, come abbiamo visto per l'inseguitore di tensione.

Guarda questo schema, dove evidenzio l'effetto dell'uscita sull'ingresso (Vin spento perché ho applicato la sovrapposizione degli effetti)



Le frecce rosse indicano che se l'uscita sale, anche V- sale, in modo tale da spingere l'operazionale nel verso opposto. La cosa funziona come nel caso dell'inseguitore.

Non ti fare problemi a porre domande!
Generatore codice per articoli:
nomi
Sul forum:
[pigreco]=π
[ohm]=Ω
[quadrato]=²
[cubo]=³
Avatar utente
Foto UtentePietroBaima
90,7k 7 12 13
G.Master EY
G.Master EY
 
Messaggi: 12206
Iscritto il: 12 ago 2012, 1:20
Località: Londra

0
voti

[50] Re: Neofita di questo mondo :)

Messaggioda Foto Utenteelegos » 3 feb 2013, 0:56

Allora... ho provato a fare una simulazione step-by-step che mi ha (forse) chiarito l'andamento della funzione, ma non ho ancora afferrato quale sia il fattore moltiplicativo.

Per semplicità ho imposto le seguenti variabili:

V_{in} = 1
A_{opamp} = 1

Step 1:
V_{out} = 0
V+ = 0
V- = \frac{1R_f + 0R}{R+R_f} = \frac{R_f}{R+R_f}
\Delta V = -\frac{R_f}{R+R_f}

Step 2:
V_{out} = A_{opamp} ((V+) - (V-)) = -\frac{R_f}{R+R_f}
V+ = 0
V- = \frac{R_f - \frac{R_fR}{R+R_f}}{R+R_f} = \frac{RR_f+{R_f}^2-RR_f}{(R+R_f)^2} = \frac{{R_f}^2}{(R+R_f)^2}
\Delta V = -\frac{{R_f}^2}{(R+R_f)^2}


Ora, tenendo conto delle mie premesse, ne viene fuori che \lim_{k \rightarrow + \infty}{V-_{(k)}} = 0 (per k = numero dello step) e che V_{out} sarà sempre negativo (e sempre più piccolo, tendente anch'esso a 0).

E' corretto?
Avatar utente
Foto Utenteelegos
335 3 6
Frequentatore
Frequentatore
 
Messaggi: 183
Iscritto il: 29 gen 2013, 19:43
Località: Milano

PrecedenteProssimo

Torna a Elettronica generale

Chi c’è in linea

Visitano il forum: Nessuno e 51 ospiti