Cos'è ElectroYou | Login Iscriviti

ElectroYou - la comunità dei professionisti del mondo elettrico

Bobina accensione candele

Elettronica lineare e digitale: didattica ed applicazioni

Moderatori: Foto Utentecarloc, Foto Utenteg.schgor, Foto UtenteBrunoValente, Foto UtenteIsidoroKZ

0
voti

[41] Re: Bobina accensione candele

Messaggioda Foto Utentethunderbolt128 » 27 ago 2013, 22:19

stefanob70 ha scritto:Si ma hai visto i componenti?
il carburatore sembra costruito con la "chewingum" la biella con un pezzo di tubo.... :shock:

Mi interessa più dal punto di vista didattico che funzionale :-) , per quello che riguarda la qualità dei componenti non posso contraddirti :mrgreen:
Temo che Foto UtenteCandy abbia frainteso ed abbia abbandonato la discussione..... :(
Vabbè, comunque spero di riuscire nella realizzazione di questo motore 2t.
Anche a me sembrava impossibile che potesse funzionare, ma dal video sembra proprio che funzioni :shock:
:D
Alla fine, non ricorderemo le parole dei nostri nemici, ma i silenzi dei nostri amici.
Martin Luther King
Avatar utente
Foto Utentethunderbolt128
1.640 1 8 13
Expert
Expert
 
Messaggi: 721
Iscritto il: 4 set 2012, 13:57

1
voti

[42] Re: Bobina accensione candele

Messaggioda Foto Utentestefanob70 » 27 ago 2013, 22:23

beh comunque sarebbe un esperienza interessante oltre che didattica.
Se hai la possibilita' di dedicarci del tempo..fallo.
ƎlectroYou
Avatar utente
Foto Utentestefanob70
14,1k 5 11 13
Master EY
Master EY
 
Messaggi: 3190
Iscritto il: 14 lug 2012, 13:14
Località: Roma

0
voti

[43] Re: Bobina accensione candele

Messaggioda Foto UtenteCandy » 27 ago 2013, 22:23

Quale discussione mi sono perso? Non vedo novità interessanti a cosa mi interessava. La bobina abbiamo capito come collegarla, abbiamo sommariamente capito la sua resistenza, non conosciamo ancora la sua induttanza, abbiamo visto un orrendo schema con quattro BJT in parallelo come ipotesi di pilotaggio, e poi?
Onestamente, non vedo nulla di utile e proficuo di cui dover discutere.
Avatar utente
Foto UtenteCandy
32,5k 7 10 13
CRU - Account cancellato su Richiesta utente
 
Messaggi: 10123
Iscritto il: 14 giu 2010, 22:54

0
voti

[44] Re: Bobina accensione candele

Messaggioda Foto Utentethunderbolt128 » 27 ago 2013, 22:31

Candy ha scritto:Onestamente, non vedo nulla di utile e proficuo di cui dover discutere.

:D Su questo hai ragione, ormai ho capito come effettuare il collegamento quindi suppongo che gli argomenti principali di cui parlare si siano esauriti.... :-)
A questo punto non mi resta che ringraziare tutti voi per l'aiuto datomi fin ora :ok:
Ciao a tutti e alla prossima :D
Alla fine, non ricorderemo le parole dei nostri nemici, ma i silenzi dei nostri amici.
Martin Luther King
Avatar utente
Foto Utentethunderbolt128
1.640 1 8 13
Expert
Expert
 
Messaggi: 721
Iscritto il: 4 set 2012, 13:57

1
voti

[45] Re: Bobina accensione candele

Messaggioda Foto Utentebabbucciodonosor » 28 ago 2013, 7:16

thunderbolt128 ha scritto:Foto UtenteCandy, credo che tu abbia ragione :ok:
Ho provato a dare piccoli impulsi di 12 volt alla bobina ed ho potuto vedere delle piccole scintille tra massa e cavo HV
Nonostante tutto mi rimane una domanda: possibile che le scintille generate siano cosi piccole?
Mi mette in dubbio che quella piccola scintilla riesca a provocare la combustione nel cilindro....
A proposito chissà che ne pensa Foto Utentebabbucciodonosor :D
Per ora grazie :D

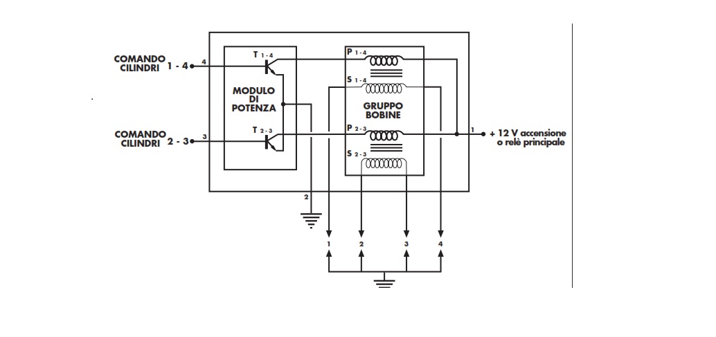
Non mi strillate ma non ho tempo per Fidocad, eccovi uno schema di come funzionano queste bobine, sia una sia 2 o 4 bobine
Allegati
Modulo accensione.jpg
Modulo accensione.jpg (45.97 KiB) Osservato 1988 volte
Ceterum censeo Cartagho delendam esse
Avatar utente
Foto Utentebabbucciodonosor
7.942 5 9 12
G.Master EY
G.Master EY
 
Messaggi: 1508
Iscritto il: 9 mar 2008, 17:47

0
voti

[46] Re: Bobina accensione candele

Messaggioda Foto Utentethunderbolt128 » 28 ago 2013, 16:38

Foto Utentebabbucciodonosor, stamattina ho prestato ad un mio amico la bobina e lui ha provato a scaricare sulla bobina un condensatore carico a 200-300 volt di un paio di uf. Sorprendentemente ha ottenuto una scintilla che ricordava proprio quella della candela di un auto :? .
Possibile che funzioni scaricando un condensatore ad alta tensione su di essa?
:D
Alla fine, non ricorderemo le parole dei nostri nemici, ma i silenzi dei nostri amici.
Martin Luther King
Avatar utente
Foto Utentethunderbolt128
1.640 1 8 13
Expert
Expert
 
Messaggi: 721
Iscritto il: 4 set 2012, 13:57

2
voti

[47] Re: Bobina accensione candele

Messaggioda Foto UtenteIsidoroKZ » 28 ago 2013, 16:44

Si`, sono le accensioni a scarica capacitiva, CDI.

Invece per quelle "tradizionali" si sta andando verso l'uso di IGBT al posto dei transistori bipolari.
Per usare proficuamente un simulatore, bisogna sapere molta più elettronica di lui
Plug it in - it works better!
Il 555 sta all'elettronica come Arduino all'informatica! (entrambi loro malgrado)
Se volete risposte rispondete a tutte le mie domande
Avatar utente
Foto UtenteIsidoroKZ
121,2k 1 3 8
G.Master EY
G.Master EY
 
Messaggi: 21059
Iscritto il: 17 ott 2009, 0:00

0
voti

[48] Re: Bobina accensione candele

Messaggioda Foto Utentethunderbolt128 » 28 ago 2013, 16:47

IsidoroKZ ha scritto:Si`, sono le accensioni a scarica capacitiva, CDI.

Allora credo proprio che sia ad accensione cdi, dato che riprovando il risultato sembra piuttosto stazionario
:D
Alla fine, non ricorderemo le parole dei nostri nemici, ma i silenzi dei nostri amici.
Martin Luther King
Avatar utente
Foto Utentethunderbolt128
1.640 1 8 13
Expert
Expert
 
Messaggi: 721
Iscritto il: 4 set 2012, 13:57

1
voti

[49] Re: Bobina accensione candele

Messaggioda Foto Utentebabbucciodonosor » 28 ago 2013, 18:50

Mi pare di avertelo detto che con 12 V non ci tiravi fuori una scintilla, la tensione di quei condensatori è sui 400 V che mi ricordi :mrgreen:
Ceterum censeo Cartagho delendam esse
Avatar utente
Foto Utentebabbucciodonosor
7.942 5 9 12
G.Master EY
G.Master EY
 
Messaggi: 1508
Iscritto il: 9 mar 2008, 17:47

1
voti

[50] Re: Bobina accensione candele

Messaggioda Foto UtenteCandy » 28 ago 2013, 19:50

Foto Utentebabbucciodonosor ha scritto:Mi pare di avertelo detto che con 12 V non ci tiravi fuori una scintilla, la tensione di quei condensatori è sui 400 V che mi ricordi :mrgreen:


E' difficile conciliare questa ultima affermazione, col post [45].
Avatar utente
Foto UtenteCandy
32,5k 7 10 13
CRU - Account cancellato su Richiesta utente
 
Messaggi: 10123
Iscritto il: 14 giu 2010, 22:54

PrecedenteProssimo

Torna a Elettronica generale

Chi c’è in linea

Visitano il forum: Nessuno e 73 ospiti