Pilotare display 7 segmenti con STM32
Moderatori:
carloc,
g.schgor,
BrunoValente,
IsidoroKZ
45 messaggi
• Pagina 5 di 5 • 1, 2, 3, 4, 5
0
voti
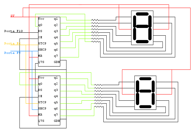
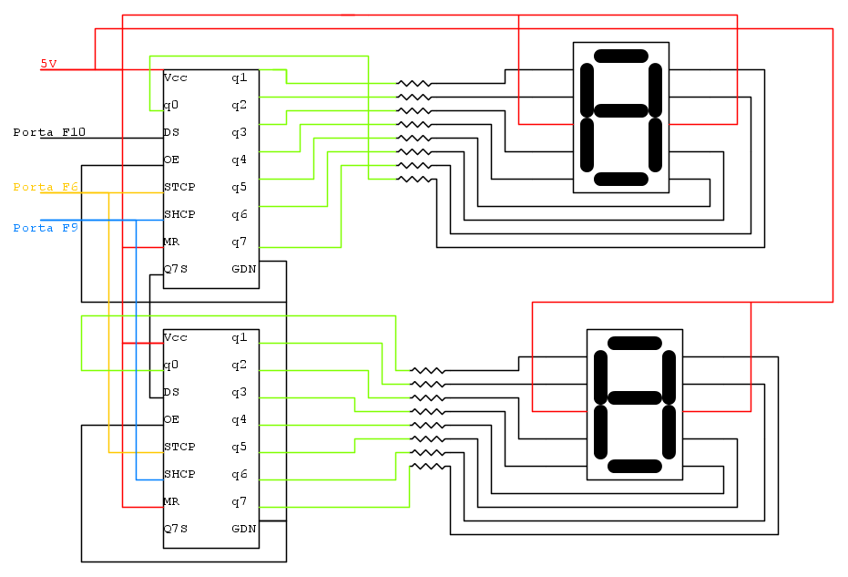
Eccolo lo schema...
comunque io sbaglio qualcosa a livello software me lo sento!
Ultima modifica di
Vibia il 17 mag 2014, 17:41, modificato 1 volta in totale.
0
voti
Intanto toglierei quelle due resistenze in serie al positivo di alimentazione dei display; oltre che inutili sono dannose.
E' sufficiente dimensionare bene le altre 14 resistenze dei vari segmenti.
Poi bisognerebbe che tu dicessi quali sono i problemi che incontri; non mi pare di averlo letto da nessuna parte.
E' sufficiente dimensionare bene le altre 14 resistenze dei vari segmenti.
Poi bisognerebbe che tu dicessi quali sono i problemi che incontri; non mi pare di averlo letto da nessuna parte.
marco
0
voti
Ok ho tolto le resistenze...
Il mio problema è che, quando immetto nello shift register i 16 bit,il secondo shift register non fa nulla. Per questo credo che il problema sia la comunicazione seriale...
Il mio problema è che, quando immetto nello shift register i 16 bit,il secondo shift register non fa nulla. Per questo credo che il problema sia la comunicazione seriale...
0
voti
Spulciando un po su internet ho capito come scrivere a livello software la procedura corretta per l'utilizzo dello shift register.
Mettendo basse tutte le uscite un display si accende ed un altro no, quello che non si accende probabilmente si è danneggiato? ho controllato con un led e la corrente scorre in tutti i suoi pin.
Lo schema di collegamento è come quello che vi ho allegato prima....
Se lo volessi dissaldare come faccio?
Mettendo basse tutte le uscite un display si accende ed un altro no, quello che non si accende probabilmente si è danneggiato? ho controllato con un led e la corrente scorre in tutti i suoi pin.
Lo schema di collegamento è come quello che vi ho allegato prima....
Se lo volessi dissaldare come faccio?
45 messaggi
• Pagina 5 di 5 • 1, 2, 3, 4, 5
Chi c’è in linea
Visitano il forum: Google Adsense [Bot] e 221 ospiti

Elettrotecnica e non solo (admin)
Un gatto tra gli elettroni (IsidoroKZ)
Esperienza e simulazioni (g.schgor)
Moleskine di un idraulico (RenzoDF)
Il Blog di ElectroYou (webmaster)
Idee microcontrollate (TardoFreak)
PICcoli grandi PICMicro (Paolino)
Il blog elettrico di carloc (carloc)
DirtEYblooog (dirtydeeds)
Di tutto... un po' (jordan20)
AK47 (lillo)
Esperienze elettroniche (marco438)
Telecomunicazioni musicali (clavicordo)
Automazione ed Elettronica (gustavo)
Direttive per la sicurezza (ErnestoCappelletti)
EYnfo dall'Alaska (mir)
Apriamo il quadro! (attilio)
H7-25 (asdf)
Passione Elettrica (massimob)
Elettroni a spasso (guidob)
Bloguerra (guerra)



