da
rukkino » 4 dic 2014, 21:22
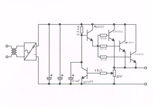
Il trimmer l'ho cambiato con un potenziometro da 10k e andava tutto bene poi ho sistemato i fili e non riuscivo più a regolare la tensione in uscita.
il transistor MJ300i l'ho testato in questo modo:
ho settato il tester su ohmx1,(tester analogico)
ho toccato la base con il terminale nero ed l'emettitore con quello rosso, conduce
Ho invertito i puntali e non conduce.
Ho messo i puntali tra collettore ed emettitore e non conduce, non conduce neanche se inverto i puntali.
Per quanto ne so io questo è uno dei metodi per testare un transistor.
Il transistor funziona.
Il transistor c548b l'ho cambiato proprio.
Ma non riesco ancora a regolare la tensione.
Domani vorrei testare alla stessa maniera i transistor 2N3055 e anche tutte le resistenze voi cosa ne dite
