Cos'è ElectroYou | Login Iscriviti

ElectroYou - la comunità dei professionisti del mondo elettrico

Collegamento in serie led

Elettronica lineare e digitale: didattica ed applicazioni

Moderatori: Foto Utentecarloc, Foto Utenteg.schgor, Foto UtenteBrunoValente, Foto UtenteIsidoroKZ

0
voti

[41] Re: Collegamento in serie led

Messaggioda Foto Utentemarco438 » 28 ago 2015, 11:52

Per prima cosa, se devi disegnare degli schemi, e' meglio farlo con FidoCadJ, messo gratuitamente a disposizione dal forum (leggi le istruzioni in regole del forum).
Tornando al circuito, mi pare che tu abbia intenzione di mettere 18 serie di tre LED (io avevo capito solo 18 led) e da quanto vedo tutte le serie sarebbero in parallelo.
Se ho interpretato bene il tuo disegno, il consumo complessivo sarebbe di 360/450mA e cio' sconsiglia l'uso di batterie che, anche accendendoli ogni tanto, durerebbero ben poco.
Naturalmente sta a te decidere ma credo che la cosa migliore sarebbe un alimentatorino da 12V 1A.
Per il resto ti ha gia' risposto Foto UtenteRussell.
marco
Avatar utente
Foto Utentemarco438
37,1k 7 11 13
-EY Legend-
-EY Legend-
 
Messaggi: 16323
Iscritto il: 24 mar 2010, 15:09
Località: Versilia

0
voti

[42] Re: Collegamento in serie led

Messaggioda Foto UtenteRussell » 28 ago 2015, 12:03

sorvolo un attimo sulla questione elettronica, per soffermarmi un attimo su quella estetica.

Sicuro che 3 LED a finestra siano la scelta giusta? Sono tanta luce... non è che fai una cosa un po' troppo pacchiana e rovini un po' la tua opera?

Considera che in chiesa raramente ho notato fari da stadio ad illuminare l'interno... quindi è possibile che una decina di LED complessivamente, collocati bene, ti diano l'effetto che cerchi.

Magari fai delle prove, visto che hai i 100 LED e le relative 100 resistenze (alimentazione 12V)
ciao
Avatar utente
Foto UtenteRussell
3.373 3 5 9
Master
Master
 
Messaggi: 2193
Iscritto il: 4 ott 2009, 10:25

0
voti

[43] Re: Collegamento in serie led

Messaggioda Foto Utentemarco438 » 28 ago 2015, 12:16

Sono d'accordo; non mi sembra poi cosi' grande da richiedere simile illuminazione.
marco
Avatar utente
Foto Utentemarco438
37,1k 7 11 13
-EY Legend-
-EY Legend-
 
Messaggi: 16323
Iscritto il: 24 mar 2010, 15:09
Località: Versilia

0
voti

[44] Re: Collegamento in serie led

Messaggioda Foto Utentefabsterfabster » 28 ago 2015, 12:23

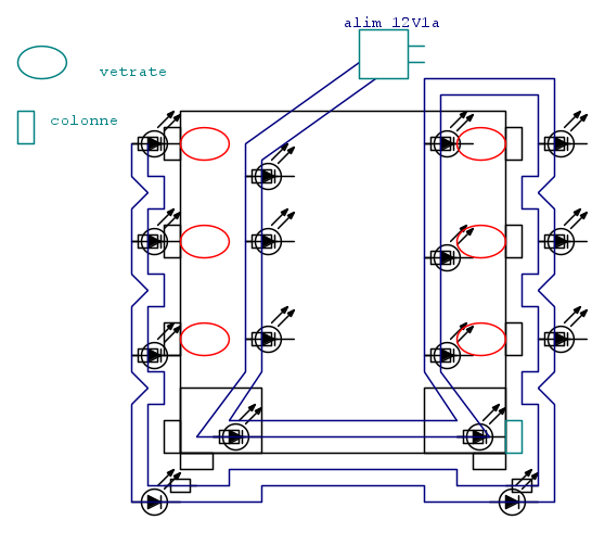
Niente batterie. Reperirò alimentatore 12v 1a in negozio di elettronica. (Devo semplicemente dare questi due dati?)
Nel disegno ho previsto rami di tre led perche avevo capito che ne potevo mettere solo tre :P . se posso usare ilmmio schema e usare rami da un solo led sarebbe ottimo! Se poi tre fanno troppa luce ne fascerò qualcuno con del nastro nero.
La resistenza messa a ogni ramo posso usare quella in dotazione? (Bianco viola viola oro)
NON devo chiudere il circuito ma lasciare i fili staccati isolandoli con del nastro !
Avatar utente
Foto Utentefabsterfabster
15 3
 
Messaggi: 40
Iscritto il: 27 ago 2015, 11:42

0
voti

[45] Re: Collegamento in serie led

Messaggioda Foto Utentemarco438 » 28 ago 2015, 12:34

Con alimentazione da rete puoi metterne sia tre che uno ma a me tre paiono eccessivi da punto di vista estetico; comunque fai delle prove.
Come alimentatore puoi metterne uno simile a questo.
Le resistenze che ti hanno dato sono da 470 ohm (probabilmente ed i colori che hai scritto non sono coerenti) e non vanno bene se fai le serie. Il valore esatto (mi pare 120 ohm) lo avevo scritto in precedenza. Se metti led unici in parallelo tra loro allora il valore e' consono.
Per quanto riguarda i fili, e sufficiente che tu li faccia finire sull'ultima serie di led.
marco
Avatar utente
Foto Utentemarco438
37,1k 7 11 13
-EY Legend-
-EY Legend-
 
Messaggi: 16323
Iscritto il: 24 mar 2010, 15:09
Località: Versilia

0
voti

[46] Re: Collegamento in serie led

Messaggioda Foto Utentefabsterfabster » 28 ago 2015, 13:11

i colori sulle resistenze sono talmente leggeri che è difficile capirli. Sicuramente giallo il primo e oro l'ultimo ma il secondo e il terzo sembrano uguali. Pare viola il secondo e marrone/nero il secondo.

comunque ragazzi, inutile dirlo, siete fantastici e vi ringrazio moltissimo per le dritte e i consigli. Oggi vado a comprare l'alimentatore e faccio un bell'impianto in parallelo con singoli led e resistenza in dotazione per ogni ramo.

Ultima domandinainaina :oops: i fili elettrici di rame del circuito li collego all'alimentatore tagliando il jack e spellando i fili? come so quale è il positivo e il negativo dei due fili dell'alimentatore?

Appena fatto l'impianto ovviamente posterò la foto!!!

Grazie
Avatar utente
Foto Utentefabsterfabster
15 3
 
Messaggi: 40
Iscritto il: 27 ago 2015, 11:42

0
voti

[47] Re: Collegamento in serie led

Messaggioda Foto Utentemarco438 » 28 ago 2015, 13:21

Di solito gli alimentatori hanno uno spinotto simile a questo:

DSCN0089.JPG
DSCN0089.JPG (85.44 KiB) Osservato 2283 volte



dove il positivo e' rappresentato dal contatto interno (freccia rossa) ed il negativo (GND) dalla parte esterna (freccia nera); a volte i fili d'uscita si distinguono perche' il negativo e' completamente nero ed il positivo, sempre nero, presenta sul fianco una striscia grigia ad intervalli.
Ma, intanto prendilo e posta una foto cosi' possiamo rispondere meglio.
marco
Avatar utente
Foto Utentemarco438
37,1k 7 11 13
-EY Legend-
-EY Legend-
 
Messaggi: 16323
Iscritto il: 24 mar 2010, 15:09
Località: Versilia

0
voti

[48] Re: Collegamento in serie led

Messaggioda Foto Utentefabsterfabster » 28 ago 2015, 13:33

ho fatto i compiti e rifatto lo schema in fidocad (fidocadj non me lo fa installare sul mio PC) ma.... secondo me è più bello quello che ho fatto a mano :lol: però non riesco ad allegarlo perché i due formati in cui posso salvare lo schema bmp e fcd non sono supportati sul forum :(
Avatar utente
Foto Utentefabsterfabster
15 3
 
Messaggi: 40
Iscritto il: 27 ago 2015, 11:42

0
voti

[49] Re: Collegamento in serie led

Messaggioda Foto Utentemarco438 » 28 ago 2015, 14:37

Evidentemente non hai letto bene le istruzioni; una volta disegnato lo schema, devi evidenziarlo e quindi copiarlo con Ctrl+C. A questo punto vai nel messaggio, fai clic sul tasto fcd (in alto a destra sopra i messaggi) e per finire incolli con Ctrl+V.
Non devi seguire la procedura precedente che si riferisce alle immagini.
marco
Avatar utente
Foto Utentemarco438
37,1k 7 11 13
-EY Legend-
-EY Legend-
 
Messaggi: 16323
Iscritto il: 24 mar 2010, 15:09
Località: Versilia

0
voti

[50] Re: Collegamento in serie led

Messaggioda Foto Utentefabsterfabster » 28 ago 2015, 15:47

Avatar utente
Foto Utentefabsterfabster
15 3
 
Messaggi: 40
Iscritto il: 27 ago 2015, 11:42

PrecedenteProssimo

Torna a Elettronica generale

Chi c’è in linea

Visitano il forum: Nessuno e 158 ospiti