Tu la spegnevi (o spegni) l'acqua prima di uscire?
In effetti basterebbe solo un semplice interruttore.
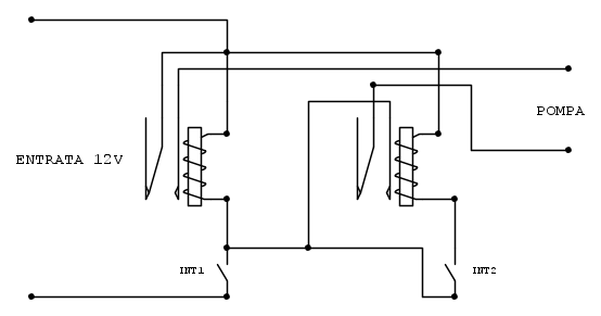
Piccolo circuito per attivare pompa
Moderatori:
carloc,
g.schgor,
BrunoValente,
IsidoroKZ
0
voti
"La follia sta nel fare sempre la stessa cosa aspettandosi risultati diversi".
"Parla soltanto quando sei sicuro che quello che dirai è più bello del silenzio".
Rispondere è cortesia, ma lasciare l'ultima parola ai cretini è arte.
"Parla soltanto quando sei sicuro che quello che dirai è più bello del silenzio".
Rispondere è cortesia, ma lasciare l'ultima parola ai cretini è arte.
-

TardoFreak
73,9k 8 12 13 - -EY Legend-

- Messaggi: 15754
- Iscritto il: 16 dic 2009, 11:10
- Località: Torino - 3° pianeta del Sistema Solare
1
voti
Tipicamente lasciamo acceso, se collegati alla 220, il frigo e le "utenze 12v", la pompa ogni tanto, solo se ci sono "problemi" con perdite di acqua.
Ritengo che, soddisfazione personale a parte, sia inutile "reinventare l'acqua calda".
Ritengo che, soddisfazione personale a parte, sia inutile "reinventare l'acqua calda".
Son quello delle domande strane!
0
voti
E' quello che dico anch'io, ma tant'è ...
Io di solito la spengo (ma anche no, a volte) solo perché un giorno si è sfilato un tubo. Mi ha bagnato il pavimento ma niente di che. Però da allora sto più attento.
Ho un Laika Ecovip 3 del '96 con 32000Km con porta moto
Io di solito la spengo (ma anche no, a volte) solo perché un giorno si è sfilato un tubo. Mi ha bagnato il pavimento ma niente di che. Però da allora sto più attento.
Ho un Laika Ecovip 3 del '96 con 32000Km con porta moto
"La follia sta nel fare sempre la stessa cosa aspettandosi risultati diversi".
"Parla soltanto quando sei sicuro che quello che dirai è più bello del silenzio".
Rispondere è cortesia, ma lasciare l'ultima parola ai cretini è arte.
"Parla soltanto quando sei sicuro che quello che dirai è più bello del silenzio".
Rispondere è cortesia, ma lasciare l'ultima parola ai cretini è arte.
-

TardoFreak
73,9k 8 12 13 - -EY Legend-

- Messaggi: 15754
- Iscritto il: 16 dic 2009, 11:10
- Località: Torino - 3° pianeta del Sistema Solare
0
voti
All'esterno (se ho capito bene) c'è uno sportellino aprendo il quale prendi la manopola doccia
e all'interno che altre utenze acqua hai, solo un rubinetto sul lavello cucina ?
K
e all'interno che altre utenze acqua hai, solo un rubinetto sul lavello cucina ?
K
-

Kagliostro
6.396 4 5 7 - Master

- Messaggi: 4831
- Iscritto il: 19 set 2012, 11:32
0
voti
Forse è questo quello che cercavi? guarda se fa al caso tuo.
P.S ho sbagliato ma ho anche ricorretto
P.S ho sbagliato ma ho anche ricorretto
-

elektronik
7.800 4 6 7 - Master

- Messaggi: 3836
- Iscritto il: 12 mag 2015, 22:26
2
voti
Come detto prima, non mi pare possibile controllare nel dominio del tempo con solo un paio di relè ordinari.
elektronik
int2 non ha effetto se prima non è chiuso int1 e sia aprendo int1 che int2 la pompa si ferma. Ok.
Però Il circuito funziona come i precedenti:
- Se int2 è già chiuso, appena chiudi int1, la pompa si avvia
- il relè su int2 è inutile
Poco di diverso dall' avere i contatti in serie.
Per lo schema di gabriosav, come sopra:
accendo da int2 solo se int1 è chiuso, ma poi posso spegnere solo da int1....
Per lo schema di setteali, che , a ragione, considera di affrontare il problema del tempo con un elemento di tempo, c'è da dire questo: condizionare con un timer una azione che viene fatta da un utente umano è sottomettere l'utente alla regola della macchina (per quanto si possa tarare il timer). Si fa normalmente, ma non è questo il principio su cui si deve basare l'automazione, ovvero quello di far lavorare la macchina per le regole dell'utente e non il contrario. Certo difficile parare la dabbenaggine, però a volte è parzialmente possibile (con un certo sforzo).
Intervengo ancora, anche se, mi sia consentito, mi sono quasi stufato, perché al punto [21] io e prima al punto [19] TardoFreak abbiamo evidenziato che è inutile che emaborsa dichiari non funzionanti secondo il proprio volere le proposte avanzate SE non si decide a chiarire quali sono questi suoi desiderata.
Ora, iddo interviene al punto [28], [29],[30], [32],[34] SENZA MINIMAMENTE CHIARIRE COSA VOGLIA OTTENERE.
Aggiunge, anzi al punto [34] di voler mettere un potenziometro per regolare il motore della pompa....
Andate pure avanti in queste condizioni a combinare relè e pulsanti e quant'altro, se desiderate; è possibile che si arrivi anche a risultati interessanti.
Ma a me pare una PpiK.
elektronik
int2 non ha effetto se prima non è chiuso int1 e sia aprendo int1 che int2 la pompa si ferma. Ok.
Però Il circuito funziona come i precedenti:
- Se int2 è già chiuso, appena chiudi int1, la pompa si avvia
- il relè su int2 è inutile
Poco di diverso dall' avere i contatti in serie.
Per lo schema di gabriosav, come sopra:
accendo da int2 solo se int1 è chiuso, ma poi posso spegnere solo da int1....
Per lo schema di setteali, che , a ragione, considera di affrontare il problema del tempo con un elemento di tempo, c'è da dire questo: condizionare con un timer una azione che viene fatta da un utente umano è sottomettere l'utente alla regola della macchina (per quanto si possa tarare il timer). Si fa normalmente, ma non è questo il principio su cui si deve basare l'automazione, ovvero quello di far lavorare la macchina per le regole dell'utente e non il contrario. Certo difficile parare la dabbenaggine, però a volte è parzialmente possibile (con un certo sforzo).
Intervengo ancora, anche se, mi sia consentito, mi sono quasi stufato, perché al punto [21] io e prima al punto [19] TardoFreak abbiamo evidenziato che è inutile che emaborsa dichiari non funzionanti secondo il proprio volere le proposte avanzate SE non si decide a chiarire quali sono questi suoi desiderata.
Ora, iddo interviene al punto [28], [29],[30], [32],[34] SENZA MINIMAMENTE CHIARIRE COSA VOGLIA OTTENERE.
Aggiunge, anzi al punto [34] di voler mettere un potenziometro per regolare il motore della pompa....
Andate pure avanti in queste condizioni a combinare relè e pulsanti e quant'altro, se desiderate; è possibile che si arrivi anche a risultati interessanti.
Ma a me pare una PpiK.
-

Brianz
5.828 5 10 - CRU - Account cancellato su Richiesta utente
- Messaggi: 858
- Iscritto il: 24 mar 2016, 11:27
0
voti
Area 51 Allora non sei un ufo!, Mi sa che mi sono spaccato le meningi per nulla; Grazie per avermelo fatto notare. ho fatto un sacco di ragionamenti per non risolvere nulla.
-

elektronik
7.800 4 6 7 - Master

- Messaggi: 3836
- Iscritto il: 12 mag 2015, 22:26
0
voti
Vedi quale è il problema? Molti che spendono tempo e capacità e impegno per cercare una risposta ad una domanda che non è neppure chiara.
Ti pare sensato? Resto sul mio giudizio di PpiK.
Ti pare sensato? Resto sul mio giudizio di PpiK.
-

Brianz
5.828 5 10 - CRU - Account cancellato su Richiesta utente
- Messaggi: 858
- Iscritto il: 24 mar 2016, 11:27
0
voti
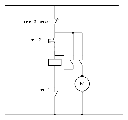
E' un marcia/arresto con una condizione. Ottimo circuito che fa quello per cui è pensato. (Hai però aggiunto un int3 che a (ah,ah) "specifiche" iniziali non c'è...)
Se va? Questo te lo può dire solo emaborsa, dato che come pensa debba funzionare il tutto secondo il suo desiderio è ancora un mistero per il resto dell'ecumene (=PpiK).
Se va? Questo te lo può dire solo emaborsa, dato che come pensa debba funzionare il tutto secondo il suo desiderio è ancora un mistero per il resto dell'ecumene (=PpiK).
-

Brianz
5.828 5 10 - CRU - Account cancellato su Richiesta utente
- Messaggi: 858
- Iscritto il: 24 mar 2016, 11:27
Chi c’è in linea
Visitano il forum: Nessuno e 96 ospiti

Elettrotecnica e non solo (admin)
Un gatto tra gli elettroni (IsidoroKZ)
Esperienza e simulazioni (g.schgor)
Moleskine di un idraulico (RenzoDF)
Il Blog di ElectroYou (webmaster)
Idee microcontrollate (TardoFreak)
PICcoli grandi PICMicro (Paolino)
Il blog elettrico di carloc (carloc)
DirtEYblooog (dirtydeeds)
Di tutto... un po' (jordan20)
AK47 (lillo)
Esperienze elettroniche (marco438)
Telecomunicazioni musicali (clavicordo)
Automazione ed Elettronica (gustavo)
Direttive per la sicurezza (ErnestoCappelletti)
EYnfo dall'Alaska (mir)
Apriamo il quadro! (attilio)
H7-25 (asdf)
Passione Elettrica (massimob)
Elettroni a spasso (guidob)
Bloguerra (guerra)



