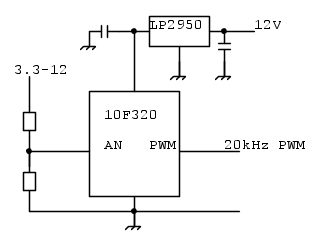
Come progettista analogico valgo poco. Quindi, come mio solito, risolvo con un microcontroller.
Ovviamente lo schema è poco significativo, dato che il lavoro lo fa il firmware
Come funziona, almeno si può provare a tratteggiare:
- un partitore 2.5:1 riduce l'ingresso 3.3-12 a 1.375-5V per entrare in un ingresso AN del micro. Non servono protezioni perché la tensione massima potrà essere solo 12V (se è di più è perché è andato il pws...)
- il firmware misura la tensione con il modulo ADC . 8 bit, ma bastano e avanzano
- si fa corrispondere il conteggio in ingresso con il duty del PWM. Con clock 8MHz, a 20kHz di PWM c'è una corrispondenza semplice tra carico del registro e % del duty. Dato che va via software, il collegamento potrà essere tanto lineare quanto qualsiasi altra cosa.
- l'uscita va al quarto filo di una ventola PWM, facile da reperire in tutti i diametri. Non occorre potenza, dato che è solo un segnale di controllo.
- l'alimentazione del micro, a 5V è realizzata con un semplice tre terminali e un paio di ceramici.
Il tutto, in SMD, dovrebbe occupare non più di un paio di comunque comprese le connessioni.
Non metto numeri ai pin del micro perché tra la versione SMD e quella dip c'è differenza. Comunque ci sono 3 AN e PWM che possono essere usati come meglio si crede.
Ovviamente una versione all-analogic non richiede la scrittura del firmware...
collegare tensioni differenti in parallelo
Moderatori:
carloc,
g.schgor,
BrunoValente,
IsidoroKZ
0
voti
Grazie a tutti per il tempo e per il vostro interesse
ad ogni modo, come avevo già accennato, ho trovato una ventola che dovrebbe partire anche con 3V se funzionasse avrei risolto il problema collegando solo il pin variabile e il gnd escludendo completamente il 12V. Vi tengo aggiornati (ventola ordinata aspetto che arrivi). Se eventualmente non dovesse funzionare allora procederò con le vostre proposte. La nuova richiede al massimo 0.3A, la precedente 0.7A. Teoricamente dovrebbe funzionare, ma non ho alcuna informazione riguardo la corrente erogata dall'alimentatore sul pin variabile quando è a 3.3V
1
voti
si vuole sostituire una ventola proprietaria di caratteristiche (portata d'aria e curva di variazione della stessa rispetto alla variazione di velocità) incognite, controllata con proporzionalità incognita rispetto alla temperatura, originariamente ottenuta da una variazioe di tensione (anche qui con "curva" incognita... almeno per me

"Non farei mai parte di un club che accettasse la mia iscrizione" (G. Marx)
-

claudiocedrone
21,3k 4 7 9 - Master EY

- Messaggi: 15305
- Iscritto il: 18 gen 2012, 13:36
0
voti
l'altro thread volevo eliminarlo perché probabilmente ho espresso male il problema peggio di come ho fatto in questo, ma non so come fare. I CFM della nuova ventola sono superiori alla precedente quindi non ci saranno problemi. Purtroppo per quanto riguarda le "curve" non sono reperibili o io non le ho trovate.. Inoltre, la ventola proprietaria non viene venduta separatamente e sul sito del produttore, ovviamente, non sono elencate le specifiche. Trattandosi di un discreto alimentatore (non da pochi €) le soluzioni erano due: buttarlo o ripararlo. Ho optato per la seconda semplicemente scegliendo una ventola con caratteristiche superiori (Pressione, CFM, ecc) a quelle rilevate da altri nei test effettuati su altri forum.
Comunque non mi pare una "missione impossibile", sono state proposte valide soluzioni da diversi utenti
Comunque non mi pare una "missione impossibile", sono state proposte valide soluzioni da diversi utenti
0
voti
claudiocedrone ha scritto:... arriveremo pure su Titano, ma a me questa pare Mission impossible, non Mission to Mars![]()
Davvero?
"La follia sta nel fare sempre la stessa cosa aspettandosi risultati diversi".
"Parla soltanto quando sei sicuro che quello che dirai è più bello del silenzio".
Rispondere è cortesia, ma lasciare l'ultima parola ai cretini è arte.
"Parla soltanto quando sei sicuro che quello che dirai è più bello del silenzio".
Rispondere è cortesia, ma lasciare l'ultima parola ai cretini è arte.
-

TardoFreak
73,9k 8 12 13 - -EY Legend-

- Messaggi: 15754
- Iscritto il: 16 dic 2009, 11:10
- Località: Torino - 3° pianeta del Sistema Solare
0
voti
Se sono l'oggetto non dichiarato, posso dire che certamente non ho ragione per essere "offeso". perché mai?
Semmai, si può rilevare che in giro si trova di tutto e che, tirando pietre anche virtuali, ritengo essere buona norma associare il lancio ad una dimostrazione chiara della della sua necessità. Se non, non si tratta certo di fatto offendente, solo di una vacuità.
Quanto all'analogico, pur avendo le mani anche in questo, per mia linea di azione privilegio cose ben definibili a priori e quanto più prive di regolazioni e aggiustamenti.
Il fatto digitale, pur non essendo la panacea universale, consente di avere completamente sotto controllo cosa succede, avendolo preventivato nella mente durante la scrittura delle funzioni e, nel contempo, consentire una ampia modulazione sui fatti analogici, evitando i trimmerini er tarature (che sono anch'esse digitali) e permettendo un immediato passaggio da un tipo di risposta ad un altro.
Mi sembra che la differenza tra logica cablata e logica programmabile sia stata oggetto di altro thread. E, dato che il micro integra una mixed signal logic, il principio della digitalizzazione ricade anche su questo tipo di segnali. Siccome, attraverso il programma, posso averne il completo controllo a priori, ecco che preferisco, dove possibile, questo rispetto al concatenare opamp & C.
Ovviamente chi invece ha buona abilità con l'analogico e scarsa con il digitale, privilegerà certamente il primo. A mio parere, va benissimo: l'importante è che il problema sia risolto, possibilmente nel modo migliore
Semmai, si può rilevare che in giro si trova di tutto e che, tirando pietre anche virtuali, ritengo essere buona norma associare il lancio ad una dimostrazione chiara della della sua necessità. Se non, non si tratta certo di fatto offendente, solo di una vacuità.
Quanto all'analogico, pur avendo le mani anche in questo, per mia linea di azione privilegio cose ben definibili a priori e quanto più prive di regolazioni e aggiustamenti.
Il fatto digitale, pur non essendo la panacea universale, consente di avere completamente sotto controllo cosa succede, avendolo preventivato nella mente durante la scrittura delle funzioni e, nel contempo, consentire una ampia modulazione sui fatti analogici, evitando i trimmerini er tarature (che sono anch'esse digitali) e permettendo un immediato passaggio da un tipo di risposta ad un altro.
Mi sembra che la differenza tra logica cablata e logica programmabile sia stata oggetto di altro thread. E, dato che il micro integra una mixed signal logic, il principio della digitalizzazione ricade anche su questo tipo di segnali. Siccome, attraverso il programma, posso averne il completo controllo a priori, ecco che preferisco, dove possibile, questo rispetto al concatenare opamp & C.
Ovviamente chi invece ha buona abilità con l'analogico e scarsa con il digitale, privilegerà certamente il primo. A mio parere, va benissimo: l'importante è che il problema sia risolto, possibilmente nel modo migliore
-

Brianz
5.828 5 10 - CRU - Account cancellato su Richiesta utente
- Messaggi: 858
- Iscritto il: 24 mar 2016, 11:27
2
voti
Brianz ha scritto:...Il fatto digitale, pur non essendo la panacea universale, consente di avere completamente sotto controllo cosa succede, avendolo preventivato nella mente durante la scrittura delle funzioni e... Siccome, attraverso il programma, posso averne il completo controllo a priori, ecco che preferisco, dove possibile, questo rispetto al concatenare opamp & C.
In linea di principio non fa una piega, il fatto grave però è che nei fatti alcuni (molti) digitofili non hanno il senso del limite e, non capendo proprio nulla di analogico, o meglio, non capendo proprio nulla di elettricità, si spingono troppo oltre con la fantasia: mi è capitato di vedere utilizzare PLC con tanto di ingresso e uscita analogica solo per dividere per due una tensione, quando un partitore con due resistenze di uguale valore sarebbe stato più che sufficiente, per non parlare di computer (PC) nascosti nei controsoffitti per convertire RS232 in qualcos'altro.
Io non disdegno il digitale ma solo quando non è utilizzato a sproposito e, al contrario di te, quando posso farne a meno preferisco evitarlo: all'asetticità e al determinismo che lo connotano, preferisco il sapore dell'indeterminazione e il brivido dell'incertezza dell'analogico.
Nel digitale per vincere è sufficiente non fare errori mentre nell'analogico non basta, serve anche dell'altro, per questo lo trovo più intrigante
-

BrunoValente
39,6k 7 11 13 - G.Master EY

- Messaggi: 7796
- Iscritto il: 8 mag 2007, 14:48
Chi c’è in linea
Visitano il forum: Nessuno e 115 ospiti

Elettrotecnica e non solo (admin)
Un gatto tra gli elettroni (IsidoroKZ)
Esperienza e simulazioni (g.schgor)
Moleskine di un idraulico (RenzoDF)
Il Blog di ElectroYou (webmaster)
Idee microcontrollate (TardoFreak)
PICcoli grandi PICMicro (Paolino)
Il blog elettrico di carloc (carloc)
DirtEYblooog (dirtydeeds)
Di tutto... un po' (jordan20)
AK47 (lillo)
Esperienze elettroniche (marco438)
Telecomunicazioni musicali (clavicordo)
Automazione ed Elettronica (gustavo)
Direttive per la sicurezza (ErnestoCappelletti)
EYnfo dall'Alaska (mir)
Apriamo il quadro! (attilio)
H7-25 (asdf)
Passione Elettrica (massimob)
Elettroni a spasso (guidob)
Bloguerra (guerra)


