Ecco come ho integrato il nuovo giocattolino in un alimentatore anni 70 che aveva già subito vari rimaneggiamenti...
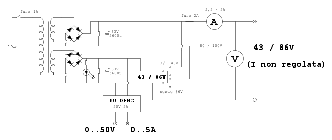
Prima lo schema elettrico, quasi decente:
e poi una foto da mettersi le mani nei capelli
Moderatori:
carloc,
g.schgor,
BrunoValente,
IsidoroKZ




Visitano il forum: Nessuno e 116 ospiti