Credo che il PC non sia per nulla contento con quella resistenza da 220ohm di "pull up". Come hai collegato i riferimenti (ground, zero volt?) Stai cercando di iniettare 12V a bassa impedenza dentro l'uscita del PC, e quest'ultimo, povera bestia, sta assorbendo 30mA.
Meglio mettere un condensatore in serie e fare un partitore per polarizzare l'ingresso dell'op amp usando valori resistivi piu` elevati, cosi` eviti di distruggere l'uscita del PC.
Secondo me ti mancano ancora parecchie conoscenze per arrivare a fare un equalizzatore, forse meglio realizzare uno schema gia` fatto, calcolare la funzione di trasferimento dell'equalizzatore potrebbe essere complicato.
Problema con integrato RC4136N
Moderatori:
carloc,
g.schgor,
BrunoValente,
IsidoroKZ
2
voti
Per usare proficuamente un simulatore, bisogna sapere molta più elettronica di lui
Plug it in - it works better!
Il 555 sta all'elettronica come Arduino all'informatica! (entrambi loro malgrado)
Se volete risposte rispondete a tutte le mie domande
Plug it in - it works better!
Il 555 sta all'elettronica come Arduino all'informatica! (entrambi loro malgrado)
Se volete risposte rispondete a tutte le mie domande
0
voti
Ciao IsidoroKZ!
Hai ragione da vendere, infatti non pretendo di realizzarlo in tempi brevi. Anche se devo metterci un anno per maturare le capacità necessarie direi che non c'è nessun problema, diciamo che non ho fretta
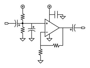
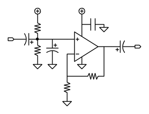
Per tornare al circuito, ho raccolto al volo le tue osservazioni e ripensato lo schema. Ho anche aumentato la tensione di alimentazione a 19.2V per poter estendere le condizioni di funzionamento dell'opamp e modificato la rete di feedback per ottenere un guadagno netto:
In effetti operando in questo modo diventa tutto molto più semplice e le cose funzionano, ho ottenuto un fattore di amplificazione pari a 12:
Secondo me ti mancano ancora parecchie conoscenze per arrivare a fare un equalizzatore, forse meglio realizzare uno schema gia` fatto, calcolare la funzione di trasferimento dell'equalizzatore potrebbe essere complicato.
Hai ragione da vendere, infatti non pretendo di realizzarlo in tempi brevi. Anche se devo metterci un anno per maturare le capacità necessarie direi che non c'è nessun problema, diciamo che non ho fretta
Per tornare al circuito, ho raccolto al volo le tue osservazioni e ripensato lo schema. Ho anche aumentato la tensione di alimentazione a 19.2V per poter estendere le condizioni di funzionamento dell'opamp e modificato la rete di feedback per ottenere un guadagno netto:
In effetti operando in questo modo diventa tutto molto più semplice e le cose funzionano, ho ottenuto un fattore di amplificazione pari a 12:
0
voti
in cui: si lascia semplice semplice il partitore resistivo in feedback, senza l'aggiunta di uteriori polarizzazioni che complicano il calcolo del guadagno, facendo tornare valida la classica formula che ho postato tempo fa;
si applica metà della tensione di alimentazione all'ingresso non invertente tramite un partitore 1:1 "livellato" però tramite un condensatore elettrolitico (un centinaio di uF p. es.);
si disaccoppiano in continua dai circuiti a monte e a valle l'ingresso e l'uscita dove a causa del partitore della alimentazione ci si ritrova appunto metà di tale tensione;
ho inoltre esplicitato anche il famoso condensatorino di bypass sulla alimentazione, quello che va montato il più vicino possibile (proprio appiccicato) ai terminali di alimentazione dell'integrato.

Ps. Ora che ci penso
"Non farei mai parte di un club che accettasse la mia iscrizione" (G. Marx)
-

claudiocedrone
21,3k 4 7 9 - Master EY

- Messaggi: 15303
- Iscritto il: 18 gen 2012, 13:36
0
voti
Ciao Claudio! Esattamente, un quad opamp mi sarebbe particolarmente comodo perché con un singolo integrato potrei realizzare l'amplificazione di entrambi i canali stereo. Venendo al tuo circuito mi sembra tutto piuttosto chiaro, anche se non ho compreso la funzione del condensatore posto tra ingresso non invertente e riferimento. Serve a evitare oscillazioni alle alte frequenze?
Damiano
Damiano
0
voti
Appunto... secondo me meglio tenere i due canali "separati" e usare due doppi opamp però è da verificare; ma tanto è ancora presto 
"Non farei mai parte di un club che accettasse la mia iscrizione" (G. Marx)
-

claudiocedrone
21,3k 4 7 9 - Master EY

- Messaggi: 15303
- Iscritto il: 18 gen 2012, 13:36
0
voti
claudiocedrone ha scritto::-) Io intanto per anticipare i tempi (nel frattempo che si approfondisce la teoria) da vecchio ex praticone, per un generico amplificatore non invertente proporrei il seguente schema:
Nello schema proposto amplifichi anche la continua che applichi sull'ingresso non invertente. Ci vuole un condensatore in serie alla resistenza di retroazione che va a ground.
Ma le alimentazioni duali fanno proprio cosi` schifo?
Per usare proficuamente un simulatore, bisogna sapere molta più elettronica di lui
Plug it in - it works better!
Il 555 sta all'elettronica come Arduino all'informatica! (entrambi loro malgrado)
Se volete risposte rispondete a tutte le mie domande
Plug it in - it works better!
Il 555 sta all'elettronica come Arduino all'informatica! (entrambi loro malgrado)
Se volete risposte rispondete a tutte le mie domande
0
voti
IsidoroKZ ha scritto: ...Ci vuole un condensatore in serie alla resistenza di retroazione che va a ground...
Vero, mi sono scordato un pezzo
IsidoroKZ ha scritto: ...Ma le alimentazioni duali fanno proprio cosi` schifo?...
Certo che no anzi, intendevo proporla come step successivo, anche per eliminare appunto la necessità di un bel po' di condensatori, così come l'adozione di un integrato meno "generico" e più audioso*... non ho visto a fondo il datasheet ma questo mi pare praticamente uno ua741 quadruplo
*Neologismo da me coniato sull'anda di petaloso
"Non farei mai parte di un club che accettasse la mia iscrizione" (G. Marx)
-

claudiocedrone
21,3k 4 7 9 - Master EY

- Messaggi: 15303
- Iscritto il: 18 gen 2012, 13:36
0
voti
Ciao ragazzi! Innanzi tutto grazie, perché mi state insegnando un sacco di cose.
Leggendovi mi sembra di capire che le alimentazioni duali siano da preferire, a tal proposito volevo porvi una domanda: il circuito che ho dsegnato nel post [42] non è da considerarsi esattamente come alimentato in modo duale? Mi spiego meglio, entrambi gli ingressi sono mantenuti esattamente alla metà della tensione di alimentazione. Quello che vedete indicato come riferimento è semplicemente il polo negativo dell'alimentatore, considerarlo uguale a 0V, oppure uguale a -9.6V credo sia (in questo caso) una questione puramente filosofica. Sbaglio?
Leggendovi mi sembra di capire che le alimentazioni duali siano da preferire, a tal proposito volevo porvi una domanda: il circuito che ho dsegnato nel post [42] non è da considerarsi esattamente come alimentato in modo duale? Mi spiego meglio, entrambi gli ingressi sono mantenuti esattamente alla metà della tensione di alimentazione. Quello che vedete indicato come riferimento è semplicemente il polo negativo dell'alimentatore, considerarlo uguale a 0V, oppure uguale a -9.6V credo sia (in questo caso) una questione puramente filosofica. Sbaglio?
0
voti
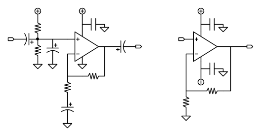
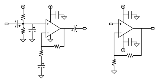
a sinistra lo schema che ho proposto precedentemente (senza dimenticare stavolta di disegnare il disaccoppiamento in continua del partitore di feedback) e a destra uno schema con alimentazione duale... non trovi il secondo lievemente meno complesso ?...
In realtà ho omesso in entrambi un condensatore; un condensatore che va messo in parallelo al resistore di feedback per realizzare un filtro passa basso allo scopo di limitare il guadagno dello stadio in alta frequenza (autooscillazioni sempre in agguato... ).

"Non farei mai parte di un club che accettasse la mia iscrizione" (G. Marx)
-

claudiocedrone
21,3k 4 7 9 - Master EY

- Messaggi: 15303
- Iscritto il: 18 gen 2012, 13:36
0
voti
Al simbolo di ground puoi associare il potenziale che vuoi. In ogni circuito, puoi prendere UN punto ed associarci un potenziale che preferisci, e di solito si prende lo 0V per comodità.
Quello che NON puoi fare se devi analizzare una rete:
1) fissare una differenza di potenziale (tensione) tra due punti del circuito, perché equivarrebbe ad aggiungere un generatore di tensione al circuito di partenza
2) fissare un potenziale in più punti del circuito a piacere, perché equivarrebbe a cortocircuitarli, cioè a modificare il circuito di partenza
Tornando al problema delle due configurazioni.. il segnale che vuoi amplificare ha bisogno di un riferimento (ad esempio, se vuoi amplificare una sinusoide, il suo valore istante per istante è definto rispetto a quel riferimento). Come scegli il riferimento?
Il potenziale di una delle due alimentazioni non può essere preso come riferimento, altrimenti il segnale esce dai limiti del modo comune di ingresso dell'operazionale.
L'unica possibilità è creare un riferimento il cui potenziale stia opportunamente tra le due alimentazioni.
Faccio un esempio buttando due numeri:
immagina di avere due generatori di tensione da 10V ciascuno in serie, che usi per alimentare un operazionale a 20V.
perché usare due generatori di tensione con la stessa tensione impressa, invece che un generatore da 20V?
perché così puoi sfruttare il nodo che si trova tra i due generatori come potenziale di riferimento per il segnale, e se non sei sufficentemente sfortunato riesci ad amplificarlo, senza uscire dai limiti del modo comune di ingresso. Devi solo fare attenzione alla dinamica del segnale, cioè a quanto il segnale si sposta rispetto al suo riferimento: se si sposta troppo potresti nuovamente uscire dai limiti in ingresso dell'operazionale. A quel punto, o attenui il segnale, o aumenti la tensione di alimentazione (ma anche lì ci sono dei limiti massimi).
Nota che in tutto questo non ho mai detto che il riferimento sia a 0V. Se preferisci prenderlo a 3V è lecito, ed in quel caso l'alimentazione positiva dell'operazionale sarà a 13V, quella negativa a -7V. Ma la tensione tra le due alimentazioni (che è quello che conta) è sempre di 20V, e il riferimento si trova sempre a +10V dall'alimentazione negativa, e a -10V da quella positiva
Il problema è che, se non hai due generatori, sei vincolato a farti un riferimento per il segnale col partitore di resistenze.Tutto dipende da quante uscite ha il tuo alimentatore da banco.
Quello che NON puoi fare se devi analizzare una rete:
1) fissare una differenza di potenziale (tensione) tra due punti del circuito, perché equivarrebbe ad aggiungere un generatore di tensione al circuito di partenza
2) fissare un potenziale in più punti del circuito a piacere, perché equivarrebbe a cortocircuitarli, cioè a modificare il circuito di partenza
Tornando al problema delle due configurazioni.. il segnale che vuoi amplificare ha bisogno di un riferimento (ad esempio, se vuoi amplificare una sinusoide, il suo valore istante per istante è definto rispetto a quel riferimento). Come scegli il riferimento?
Il potenziale di una delle due alimentazioni non può essere preso come riferimento, altrimenti il segnale esce dai limiti del modo comune di ingresso dell'operazionale.
L'unica possibilità è creare un riferimento il cui potenziale stia opportunamente tra le due alimentazioni.
Faccio un esempio buttando due numeri:
immagina di avere due generatori di tensione da 10V ciascuno in serie, che usi per alimentare un operazionale a 20V.
perché usare due generatori di tensione con la stessa tensione impressa, invece che un generatore da 20V?
perché così puoi sfruttare il nodo che si trova tra i due generatori come potenziale di riferimento per il segnale, e se non sei sufficentemente sfortunato riesci ad amplificarlo, senza uscire dai limiti del modo comune di ingresso. Devi solo fare attenzione alla dinamica del segnale, cioè a quanto il segnale si sposta rispetto al suo riferimento: se si sposta troppo potresti nuovamente uscire dai limiti in ingresso dell'operazionale. A quel punto, o attenui il segnale, o aumenti la tensione di alimentazione (ma anche lì ci sono dei limiti massimi).
Nota che in tutto questo non ho mai detto che il riferimento sia a 0V. Se preferisci prenderlo a 3V è lecito, ed in quel caso l'alimentazione positiva dell'operazionale sarà a 13V, quella negativa a -7V. Ma la tensione tra le due alimentazioni (che è quello che conta) è sempre di 20V, e il riferimento si trova sempre a +10V dall'alimentazione negativa, e a -10V da quella positiva
Il problema è che, se non hai due generatori, sei vincolato a farti un riferimento per il segnale col partitore di resistenze.Tutto dipende da quante uscite ha il tuo alimentatore da banco.
Chi c’è in linea
Visitano il forum: Nessuno e 148 ospiti

Elettrotecnica e non solo (admin)
Un gatto tra gli elettroni (IsidoroKZ)
Esperienza e simulazioni (g.schgor)
Moleskine di un idraulico (RenzoDF)
Il Blog di ElectroYou (webmaster)
Idee microcontrollate (TardoFreak)
PICcoli grandi PICMicro (Paolino)
Il blog elettrico di carloc (carloc)
DirtEYblooog (dirtydeeds)
Di tutto... un po' (jordan20)
AK47 (lillo)
Esperienze elettroniche (marco438)
Telecomunicazioni musicali (clavicordo)
Automazione ed Elettronica (gustavo)
Direttive per la sicurezza (ErnestoCappelletti)
EYnfo dall'Alaska (mir)
Apriamo il quadro! (attilio)
H7-25 (asdf)
Passione Elettrica (massimob)
Elettroni a spasso (guidob)
Bloguerra (guerra)






