Trasformatore toroidale Eaglerise
Moderatori:
carloc,
g.schgor,
BrunoValente,
IsidoroKZ
0
voti
setteali ha scritto:C'è qualcosa che non mi torna su quello che scrive l'OP, guardando la foto in [ 23 ] dove ci sono a nudo i fili dei secondari, sembrerebbe logico che il secondario 25 0 25 sia formato da doppi avvolgimenti in parallelo e quello arancione sia un solo secondario, ma come dice qui di sottoOrlanD91 ha scritto:..........
Misurando con il voltmetro la tensione tra i fili ho ottenuto i seguenti valori:
giallo-giallo 50V
giallo-marrone 25V
arancio-arancio 28V
arancio-marrone 14V.....
sembrerebbe che anche l'arancione fosse un 14 0 14, cosa che però non mi torna.
Vorrei suggerire all'OP di fare una prova se avesse un altro trasformatore anche più piccolo con un secondario da 12 V A 25 V ed in base a quello che ha metterlo sul secondario da 14 oppure da 25.
E controllare le tensioni che escono sugli altri secondari.
perché secondo me il trasformatore non è bruciato ha soltanto come detto da [user]SediciAmper[/user] il termico interrotto e lo dovrebbe trovare anche facilmente sul primario , perché a questo punto è tutto a giorno, gli auguro che sia così.
Comunque se dando una tensione su un secondario sull'altri secondari se non si discosta di molto il trasformatore è buono, perché o è interrotto il primario, ma senz'altro non sarà in corto-circuito.
Sono curioso di sapere cosa ci diceOrlanD91
Ciao, ho fatto alcune misurazioni e ho rilevato continuità tra i fili del circuito primario quindi scarterei la possibilità che il fusibile sia saltato su questo circuito.
poi ho misurato la continuità sul secondario ed ecco i risultati:
giallo-giallo c'è continuità
giallo-marrone c'è continuità
arancio-arancio c'è continuità
arancio-marrone c'è continuità
arancio-giallo c'è continuità
per curiosità ho misurato l'impedenza tra i fili (non so se possa servire) ed ecco i risultati:
giallo-giallo 1.0 Ohm
giallo-marrone 0.5/0.6 Ohm
arancio-arancio 1.6 Ohm
arancio-marrone 0.8/0.9 Ohm
arancio-giallo in base a come accoppiavo i fili 0.5 oppure 1.3 Ohm
poi mi stavo attrezzando per fare la prova ma in casa ho solo un trasformatore a 12V in continua, va bene lo stesso?
eventualmente dovrei collegare il+ e il - a quali fili e cosa dovrei leggere?
0
voti
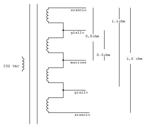
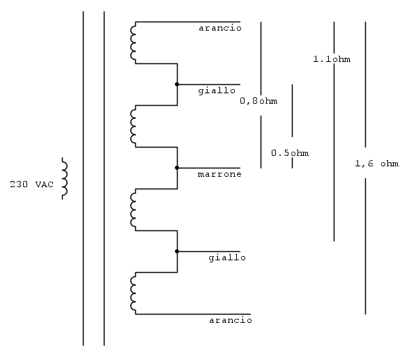
Ciao,
qui sotto ti metto lo schema di come è costruito il tuo trasformatore e dalle misure che hai fatto, torna la sequenza degli avvolgimenti.
Però dato che hai continuità tra primario e secondario, il trasformatore è fuori uso, quindi sono inutili le prove che ti avevo chiesto, ma se ragioni sullo schema e quello che ti avevo detto ci dovresti arrivare, per un altro trasformatore, su questo, con il primario in corto sul secondario c'è poco da fare.
Ti volevo fare 2 appunti:
1 ) Il valore che hai sugli avvolgimenti, è una resistenza, non impedenza.
2 ) In alternata non c'è il + ed il -
qui sotto ti metto lo schema di come è costruito il tuo trasformatore e dalle misure che hai fatto, torna la sequenza degli avvolgimenti.
Però dato che hai continuità tra primario e secondario, il trasformatore è fuori uso, quindi sono inutili le prove che ti avevo chiesto, ma se ragioni sullo schema e quello che ti avevo detto ci dovresti arrivare, per un altro trasformatore, su questo, con il primario in corto sul secondario c'è poco da fare.
Ti volevo fare 2 appunti:
1 ) Il valore che hai sugli avvolgimenti, è una resistenza, non impedenza.
2 ) In alternata non c'è il + ed il -
Alex
https://www.facebook.com/Elettronicaeelettrotecnica
<< vedi di pigliare arditamente in mano, il dizionario che ti suona in bocca,
se non altro è schietto e paesano.
(Giuseppe Giusti) <<
https://www.facebook.com/Elettronicaeelettrotecnica
<< vedi di pigliare arditamente in mano, il dizionario che ti suona in bocca,
se non altro è schietto e paesano.
(Giuseppe Giusti) <<
0
voti
Perché dici che ho continuità tra il primario e il secondario? io ho continuità tra i 2 fili del primario (L-N) ma non tra uno di loro e un qualsiasi filo dei secondari…scusate le lacune ma nasco come perito meccanico e non elettronico 
Adesso vi giro la frittata, ma secondo voi ho la possibilità di trovare un trasformatore che possa sostituire il mio o è uno speciale costruito apposta per la cassa Behringer? Sarebbe ancora valida la soluzione di installare 2 trasformatori? uno per i 25V che ho battezzato da 50/80VA e uno da 14V ma più piccolo da 30VA?
Adesso vi giro la frittata, ma secondo voi ho la possibilità di trovare un trasformatore che possa sostituire il mio o è uno speciale costruito apposta per la cassa Behringer? Sarebbe ancora valida la soluzione di installare 2 trasformatori? uno per i 25V che ho battezzato da 50/80VA e uno da 14V ma più piccolo da 30VA?
0
voti
No scusa, è probabile che mi sia imbrogliato io nel capire che hai continuità tra primario e secondario.
Non ti preoccupare per gli sfondoni che puoi dire , ce li giochiamo a scopa
Se te hai un trasformatore da usare per fare una prova, fai una foto e metti che tensione hai sul secondario.
E' possibile usare due trasformatori, ma bisogna capire bene come vanno collegati, hai lo schema della cassa? non mi ricordo se l'hai scritto.
Mi togli una curiosità, perché hai detto che il trasformatore era bruciato?
Che difetto ti faceva la cassa?
Non ti preoccupare per gli sfondoni che puoi dire , ce li giochiamo a scopa
Se te hai un trasformatore da usare per fare una prova, fai una foto e metti che tensione hai sul secondario.
E' possibile usare due trasformatori, ma bisogna capire bene come vanno collegati, hai lo schema della cassa? non mi ricordo se l'hai scritto.
Mi togli una curiosità, perché hai detto che il trasformatore era bruciato?
Che difetto ti faceva la cassa?
Alex
https://www.facebook.com/Elettronicaeelettrotecnica
<< vedi di pigliare arditamente in mano, il dizionario che ti suona in bocca,
se non altro è schietto e paesano.
(Giuseppe Giusti) <<
https://www.facebook.com/Elettronicaeelettrotecnica
<< vedi di pigliare arditamente in mano, il dizionario che ti suona in bocca,
se non altro è schietto e paesano.
(Giuseppe Giusti) <<
0
voti
l'unico trasformatore che ho in casa è un +12V 3.0A in CC.
Schemi non ne ho e in rete non ho trovato molto, mi vien da dire che sia bruciato perché mi fa saltare il fusibile che c'è attaccato al connettore VDE presente sul pannello posteriore.
le uniche prove che posso fare è sulla cassa gemella che funziona regolarmente.
Schemi non ne ho e in rete non ho trovato molto, mi vien da dire che sia bruciato perché mi fa saltare il fusibile che c'è attaccato al connettore VDE presente sul pannello posteriore.
le uniche prove che posso fare è sulla cassa gemella che funziona regolarmente.
0
voti
OrlanD91 ha scritto:...ma secondo voi ho la possibilità di trovare un trasformatore che possa sostituire il mio o è uno speciale costruito apposta per la cassa Behringer?...
Molto improbabile trovarne uno simile, è un custom?
OrlanD91 ha scritto:... Sarebbe ancora valida la soluzione di installare 2 trasformatori? uno per i 25V che ho battezzato da 50/80VA e uno da 14V ma più piccolo da 30VA?
Forse ancora non ti è chiaro, è l'unica soluzione che hai!
Se quello che funziona basta non lo tocca' sennò te lassa!
0
voti
OrlanD91 ha scritto:l'unico trasformatore che ho in casa è un +12V 3.0A in CC...
Vuoi dire forse "alimentatore"?
Comunque in questo caso ci fai niente!
Se quello che funziona basta non lo tocca' sennò te lassa!
0
voti
Ok, no quello che hai è un alimentatore in CC, cioè un trasformatore con raddrizzatore e filtro e possibile circuito elettronico, niente, non lo usare.
Vediamo se riusciamo a capire se è veramente bruciato, hai un portalampada con una lampada vecchio tipo a filamento da una 40ina di W ??
Riusciresti a metterla in serie al primario?
@abusivo , mi precedi sempre

Vediamo se riusciamo a capire se è veramente bruciato, hai un portalampada con una lampada vecchio tipo a filamento da una 40ina di W ??
Riusciresti a metterla in serie al primario?
@abusivo , mi precedi sempre

Alex
https://www.facebook.com/Elettronicaeelettrotecnica
<< vedi di pigliare arditamente in mano, il dizionario che ti suona in bocca,
se non altro è schietto e paesano.
(Giuseppe Giusti) <<
https://www.facebook.com/Elettronicaeelettrotecnica
<< vedi di pigliare arditamente in mano, il dizionario che ti suona in bocca,
se non altro è schietto e paesano.
(Giuseppe Giusti) <<
Chi c’è in linea
Visitano il forum: Nessuno e 71 ospiti

Elettrotecnica e non solo (admin)
Un gatto tra gli elettroni (IsidoroKZ)
Esperienza e simulazioni (g.schgor)
Moleskine di un idraulico (RenzoDF)
Il Blog di ElectroYou (webmaster)
Idee microcontrollate (TardoFreak)
PICcoli grandi PICMicro (Paolino)
Il blog elettrico di carloc (carloc)
DirtEYblooog (dirtydeeds)
Di tutto... un po' (jordan20)
AK47 (lillo)
Esperienze elettroniche (marco438)
Telecomunicazioni musicali (clavicordo)
Automazione ed Elettronica (gustavo)
Direttive per la sicurezza (ErnestoCappelletti)
EYnfo dall'Alaska (mir)
Apriamo il quadro! (attilio)
H7-25 (asdf)
Passione Elettrica (massimob)
Elettroni a spasso (guidob)
Bloguerra (guerra)




