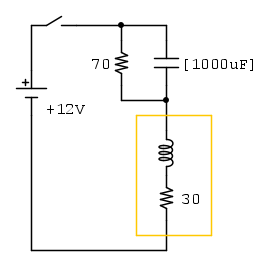
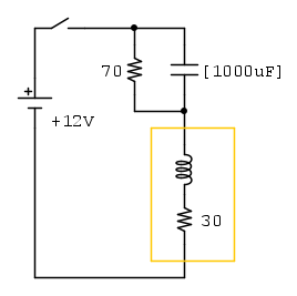
Scusate se mi intrometto, vorrei sapere (per curiosità) se la soluzione del post [18] è tipo questa:
Se così è, mi chiedevo la dimensione del condensatore da inserire. La tensione rimane abbastanza alta (80% della V ?) per poco tempo (Con 1000 uF siamo sui 7 ms) e guardando i tempi di eccitazione dei relè siamo sui 30 ms + il tempo di rimbalzo (altri 10 ms ?) + un minimo di margine ?
(Grazie)
ridurre assorbimento rele 12v
Moderatori:
carloc,
g.schgor,
BrunoValente,
IsidoroKZ
43 messaggi
• Pagina 5 di 5 • 1, 2, 3, 4, 5
0
voti
Tekonoris ha scritto:Scusate se mi intrometto, vorrei sapere (per curiosità) se la soluzione del post [18]...
(Grazie)
Per me non è una soluzione, ma un ripiego. Credo che se andasse darebbe solo problemi.
Per esigenze di assorbimento, si possono usare altri sistemi di controllo, a seconda di ciò che si deve pilotare.
Saluti.
-

lelerelele
4.899 3 7 9 - Master

- Messaggi: 5505
- Iscritto il: 8 giu 2011, 8:57
- Località: Reggio Emilia
43 messaggi
• Pagina 5 di 5 • 1, 2, 3, 4, 5
Chi c’è in linea
Visitano il forum: Nessuno e 111 ospiti

Elettrotecnica e non solo (admin)
Un gatto tra gli elettroni (IsidoroKZ)
Esperienza e simulazioni (g.schgor)
Moleskine di un idraulico (RenzoDF)
Il Blog di ElectroYou (webmaster)
Idee microcontrollate (TardoFreak)
PICcoli grandi PICMicro (Paolino)
Il blog elettrico di carloc (carloc)
DirtEYblooog (dirtydeeds)
Di tutto... un po' (jordan20)
AK47 (lillo)
Esperienze elettroniche (marco438)
Telecomunicazioni musicali (clavicordo)
Automazione ed Elettronica (gustavo)
Direttive per la sicurezza (ErnestoCappelletti)
EYnfo dall'Alaska (mir)
Apriamo il quadro! (attilio)
H7-25 (asdf)
Passione Elettrica (massimob)
Elettroni a spasso (guidob)
Bloguerra (guerra)


