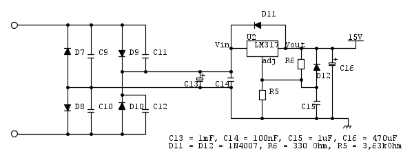
Correzione: l'alimentazione sarebbe da 15V e non 18V
Ho fatto due conti ed una simulazione e, tra livellamento e tutto, penso che partendo dai 17VAC dell'avvolgimento ottenere una quindicina di volt in continua sia la cosa migliore.
Pensavo di farlo, sempre con un ponte diodi, i condensatori di livellamento (uno, 1000uF), un condensatore di bypass da 100nF e poi un LM317
Di seguito, lo schema che rappresenterebbe lo stadio di alimentazione dei circuiti di controllo
Filtro EMI per trasformatore toroidale
Moderatori:
carloc,
g.schgor,
BrunoValente,
IsidoroKZ
0
voti
Se usi gli SCR non serve il mosfet.
Ti allego un'immagine di principio che avevo fatto anni fa (l'avevo gia, non sono stato a rifarla con fidocad), e' solo uno schema di principio ma comunque sempre valida come punto di partenza, in pratica vref e' l'impostazione della tensione di uscita (non la tensione, l'impostazione) fatta dal regolatore finale (che era alimentato a parte da un altro secondario, qui la tensione era derivata con un potenziometro doppio, uno regolava la tensione di uscita e l'altro mandava un riferimento basato su quella regolazione al comparatore) ... fondamentalmente il comparatore non fa altro che compararla con la tensione presente all'uscita del ponte, prima dello stadio di regolazione lineare, ed e' impostato per pochi volt in piu del riferimento, se si abbassa troppo accende gli SCR, se si alza troppo li spegne (avevo anche degli schemi completi ma non li trovo piu)
Ti allego un'immagine di principio che avevo fatto anni fa (l'avevo gia, non sono stato a rifarla con fidocad), e' solo uno schema di principio ma comunque sempre valida come punto di partenza, in pratica vref e' l'impostazione della tensione di uscita (non la tensione, l'impostazione) fatta dal regolatore finale (che era alimentato a parte da un altro secondario, qui la tensione era derivata con un potenziometro doppio, uno regolava la tensione di uscita e l'altro mandava un riferimento basato su quella regolazione al comparatore) ... fondamentalmente il comparatore non fa altro che compararla con la tensione presente all'uscita del ponte, prima dello stadio di regolazione lineare, ed e' impostato per pochi volt in piu del riferimento, se si abbassa troppo accende gli SCR, se si alza troppo li spegne (avevo anche degli schemi completi ma non li trovo piu)
"Sopravvivere" e' attualmente l'unico lusso che la maggior parte dei Cittadini italiani,
sia pure a costo di enormi sacrifici, riesce ancora a permettersi.
sia pure a costo di enormi sacrifici, riesce ancora a permettersi.
-

Etemenanki
9.527 3 6 10 - Master

- Messaggi: 5950
- Iscritto il: 2 apr 2021, 23:42
- Località: Dalle parti di un grande lago ... :)
0
voti
Ah, correggimi se sbaglio: la regolazione grossolana avviene quindi direttamente sul ponte di diodi, e non dopo di esso e dopo i condensatori di livellamento
Quindi, niente mosfet prima del filtro lc, e quindi è direttamente la doppia semionda ad essere "variabile", giusto?
Quindi, niente mosfet prima del filtro lc, e quindi è direttamente la doppia semionda ad essere "variabile", giusto?
0
voti
Si, esatto, e' il ponte che fa la preregolazione, quindi non serve piu il mosfet dopo di esso.
"Sopravvivere" e' attualmente l'unico lusso che la maggior parte dei Cittadini italiani,
sia pure a costo di enormi sacrifici, riesce ancora a permettersi.
sia pure a costo di enormi sacrifici, riesce ancora a permettersi.
-

Etemenanki
9.527 3 6 10 - Master

- Messaggi: 5950
- Iscritto il: 2 apr 2021, 23:42
- Località: Dalle parti di un grande lago ... :)
0
voti
Un tempo si usavano quelli "a bullone" per i sistemi di potenza, ma ormai sono disponibili componenti decenti anche in case piu comodi.
Se ti vanno bene in TO220 (ma da dissipare per bene, con un bel dissipatore abbondante), per gli SCR potresti usare dei CLA30E1200PB, o anche meglio TN5015H-6T, mentre per i diodi userei degli Schottky, tipo SDT40100CTFP o simili.
Saranno da dissipare bene soprattutto gli SCR, purtroppo hanno una caduta che e' sempre maggiore di quella dei normali diodi, e' una caratteristica degli SCR e non ci si puo fare nulla, ma se ben accoppiati ad un robusto dissipatore (isolati elettricamente dal dissipatore ovviamente), il TO220 puo tranquillamente reggere quei livelli di dissipazione di calore.
Per gli opto, personalmente mi orienterei su modelli in grado di reggere una corrente un po maggiore dei classici opto veloci (tanto non serve assolutamente che siano veloci), forse i migliori sarebbero gli IL2-X009T, ma se non si trovano, dovrebbero andare anche LTV752 e LTV852.
Se ti vanno bene in TO220 (ma da dissipare per bene, con un bel dissipatore abbondante), per gli SCR potresti usare dei CLA30E1200PB, o anche meglio TN5015H-6T, mentre per i diodi userei degli Schottky, tipo SDT40100CTFP o simili.
Saranno da dissipare bene soprattutto gli SCR, purtroppo hanno una caduta che e' sempre maggiore di quella dei normali diodi, e' una caratteristica degli SCR e non ci si puo fare nulla, ma se ben accoppiati ad un robusto dissipatore (isolati elettricamente dal dissipatore ovviamente), il TO220 puo tranquillamente reggere quei livelli di dissipazione di calore.
Per gli opto, personalmente mi orienterei su modelli in grado di reggere una corrente un po maggiore dei classici opto veloci (tanto non serve assolutamente che siano veloci), forse i migliori sarebbero gli IL2-X009T, ma se non si trovano, dovrebbero andare anche LTV752 e LTV852.
"Sopravvivere" e' attualmente l'unico lusso che la maggior parte dei Cittadini italiani,
sia pure a costo di enormi sacrifici, riesce ancora a permettersi.
sia pure a costo di enormi sacrifici, riesce ancora a permettersi.
-

Etemenanki
9.527 3 6 10 - Master

- Messaggi: 5950
- Iscritto il: 2 apr 2021, 23:42
- Località: Dalle parti di un grande lago ... :)
0
voti
Dovrebbe andare bene qualsiasi operazionale, anche un banale 741, oppure un comparatore tipo LM393, non serve che sia rail-to-rail o abbia caratteristiche particolari.
"Sopravvivere" e' attualmente l'unico lusso che la maggior parte dei Cittadini italiani,
sia pure a costo di enormi sacrifici, riesce ancora a permettersi.
sia pure a costo di enormi sacrifici, riesce ancora a permettersi.
-

Etemenanki
9.527 3 6 10 - Master

- Messaggi: 5950
- Iscritto il: 2 apr 2021, 23:42
- Località: Dalle parti di un grande lago ... :)
0
voti
nutro dei seri dubbi Etememanki sul circuito di principio che hai postato. Puoi avere in uscita un ripple molto alto di tensione, assorbimenti solo su una semionda di rete, diciamo che quasi tutto è fuori controllo, e molto dipende dalle caratteristiche del trasformatore di rete come resistenza degli avvolgimenti e induttanza di dispersione vista al secondario.
Quando si lavora con gli scr e si vuole parzializzare per ottenere una regolazione bisogna sincronizzarsi con la frequenza di rete.
Un tempo esisteva un integrato della Siemens il TCA785, integrato molto versatile.
A questo link https://www.analog.com/media/en/technic ... /an32f.pdf c'è una nota applicativa dove a pagina 3 si descrive un semplice preregolatore a scr.
Quando si lavora con gli scr e si vuole parzializzare per ottenere una regolazione bisogna sincronizzarsi con la frequenza di rete.
Un tempo esisteva un integrato della Siemens il TCA785, integrato molto versatile.
A questo link https://www.analog.com/media/en/technic ... /an32f.pdf c'è una nota applicativa dove a pagina 3 si descrive un semplice preregolatore a scr.
-

stefanodelfiore
1.673 3 8 - Master

- Messaggi: 569
- Iscritto il: 28 mar 2009, 20:15
- Località: Bologna
0
voti
Ovviamente quello che ho postato non e' il regolatore finale, solo una preregolazione grossolana prima di mandarlo ad uno stadio regolatore lineare ben filtrato, e no, non e' sincronzzato con nulla, ma funzionava abbastanza bene (ovviamente non c'era solo quella manciata di componenti, come ho detto quello e' solo lo schema di principio di come farlo, poi ad esempio servono filtri, i classici condensatorini in parallelo ai diodi ed agli SCR, un filtro in controfase prima del ponte, insomma tutto quello che andrebbe anche in un'alimentatore normale ... quello puo servire come base di partenza per capire come funziona e come realizzarlo.
Purtroppo lo schema completo non lo trovo piu, probabilmente e' andato perso insieme a molta altra roba in un "incidente catastrofico" accaduto ad un mio vecchio disco di archivio un po di tempo fa (avro' perso un centinaio di progetti completi, insieme a lavori ancora a meta' ed a molta altra roba), pero' non dovrebbe essere troppo difficile tirare insieme un altro schema simile.
EDIT: dimenticavo, si puo ridurre la componente di disturbo usando degli optotriac al posto dei normali opto (con un diodo in serie ovviamente), della serie che integra all'interno il circuito di zero-crossing, senza doverlo costruire esternamente.
Purtroppo lo schema completo non lo trovo piu, probabilmente e' andato perso insieme a molta altra roba in un "incidente catastrofico" accaduto ad un mio vecchio disco di archivio un po di tempo fa (avro' perso un centinaio di progetti completi, insieme a lavori ancora a meta' ed a molta altra roba), pero' non dovrebbe essere troppo difficile tirare insieme un altro schema simile.
EDIT: dimenticavo, si puo ridurre la componente di disturbo usando degli optotriac al posto dei normali opto (con un diodo in serie ovviamente), della serie che integra all'interno il circuito di zero-crossing, senza doverlo costruire esternamente.
"Sopravvivere" e' attualmente l'unico lusso che la maggior parte dei Cittadini italiani,
sia pure a costo di enormi sacrifici, riesce ancora a permettersi.
sia pure a costo di enormi sacrifici, riesce ancora a permettersi.
-

Etemenanki
9.527 3 6 10 - Master

- Messaggi: 5950
- Iscritto il: 2 apr 2021, 23:42
- Località: Dalle parti di un grande lago ... :)
Chi c’è in linea
Visitano il forum: Nessuno e 47 ospiti

Elettrotecnica e non solo (admin)
Un gatto tra gli elettroni (IsidoroKZ)
Esperienza e simulazioni (g.schgor)
Moleskine di un idraulico (RenzoDF)
Il Blog di ElectroYou (webmaster)
Idee microcontrollate (TardoFreak)
PICcoli grandi PICMicro (Paolino)
Il blog elettrico di carloc (carloc)
DirtEYblooog (dirtydeeds)
Di tutto... un po' (jordan20)
AK47 (lillo)
Esperienze elettroniche (marco438)
Telecomunicazioni musicali (clavicordo)
Automazione ed Elettronica (gustavo)
Direttive per la sicurezza (ErnestoCappelletti)
EYnfo dall'Alaska (mir)
Apriamo il quadro! (attilio)
H7-25 (asdf)
Passione Elettrica (massimob)
Elettroni a spasso (guidob)
Bloguerra (guerra)

