Cos'è ElectroYou | Login Iscriviti

ElectroYou - la comunità dei professionisti del mondo elettrico

Spia Riserva Carburante

Elettronica lineare e digitale: didattica ed applicazioni

Moderatori: Foto Utentecarloc, Foto Utenteg.schgor, Foto UtenteBrunoValente, Foto UtenteIsidoroKZ

0
voti

[41] Re: Spia Riserva Carburante

Messaggioda Foto Utenteedgar » 9 mar 2023, 21:03

Elidur ha scritto:Adesso sto costruendo il circuito con comparatore LM741

Il 741 non riesce a lavorare correttamente con tensioni in ingresso prossime alle tensioni di alimentazione, e' un vecchio dinosauro con i suoi acciacchi :mrgreen: :mrgreen:
Anche se doppio un LM358 andrebbe molto meglio
Avatar utente
Foto Utenteedgar
10,0k 4 5 8
Master
Master
 
Messaggi: 5230
Iscritto il: 15 set 2012, 22:59

0
voti

[42] Re: Spia Riserva Carburante

Messaggioda Foto Utentestandardoil » 9 mar 2023, 22:17

Elidur ha scritto:Per provarlo ho fatto come segue ma funziona male:

Il led si accende solo se il potenziometro è a zero ma come lo si gira di un niente il led si spegne. Ho provato anche a portare a 1k il potenziometro ma il risultato è sempre lo stesso.
Forse dovrei ridurre la tensione prima del potenziometro per emulare la sonda ma non so quali valori di tensione siano necessari. Non credo che i valori siano uguali per tutti i veicoli.




Per alzare la soglia potrebbe bastare mettere un diodi tra emettitore e massa

Ma per sapere i valori esatti nulla vale come fare le misure direttamente nell'auto

Così magari si può anche misurare la resistenza del potenziometro
E magari anche vedere se è lineare o no
Avatar utente
Foto Utentestandardoil
547 2 4
Stabilizzato
Stabilizzato
 
Messaggi: 424
Iscritto il: 15 lug 2022, 19:14

0
voti

[43] Re: Spia Riserva Carburante

Messaggioda Foto UtenteElidur » 9 mar 2023, 23:55

Ho terminato il circuito con il 741 e funziona. Ho dovuto introdurre delle modifiche ma funziona. Appena ho terminato lo schema con FidoCad lo pubblico.
Avatar utente
Foto UtenteElidur
1.515 2 6 9
Sostenitore
Sostenitore
 
Messaggi: 1126
Iscritto il: 6 mag 2017, 18:10

0
voti

[44] Re: Spia Riserva Carburante

Messaggioda Foto Utenteedgar » 10 mar 2023, 0:05

standardoil ha scritto:Per alzare la soglia potrebbe bastare mettere un diodi tra emettitore e massa

Penso sia meglio in serie alla base, così a transistor saturo, sul led c'è solo la VCEsat del BJT.
Avatar utente
Foto Utenteedgar
10,0k 4 5 8
Master
Master
 
Messaggi: 5230
Iscritto il: 15 set 2012, 22:59

2
voti

[45] Re: Spia Riserva Carburante

Messaggioda Foto UtenteElidur » 10 mar 2023, 0:52

A me funziona ma se qualcuno sa fare di meglio batta un colpo.
Ovviamente la prova da banco potrebbe non essere identica come provare il circuito con il veicolo.
Per il funzionamento confermo che regolando opportunamente il potenziometro (suppongo come farebbe il potenziometro del galleggiante) si accende il led con una tensione d'ingresso che va da 1,2 a 14V. Ovviamente per non superare la tensione di alimentazione dell'integrato ho dovuto zenerare la porta non invertente dell'integrato ma mi sembra che la circostanza non sia molto rilevante perché la spia o è accesa o è spenta, non ci sono fasi intermedie. Comunque pubblico lo schema poi se interessa ne parliamo:
Avatar utente
Foto UtenteElidur
1.515 2 6 9
Sostenitore
Sostenitore
 
Messaggi: 1126
Iscritto il: 6 mag 2017, 18:10

0
voti

[46] Re: Spia Riserva Carburante

Messaggioda Foto UtenteSediciAmpere » 10 mar 2023, 5:39

A cosa serve il DS4?
Avatar utente
Foto UtenteSediciAmpere
4.187 5 5 8
Master
Master
 
Messaggi: 4848
Iscritto il: 31 ott 2013, 15:00

0
voti

[47] Re: Spia Riserva Carburante

Messaggioda Foto Utentealev » 10 mar 2023, 11:01

Inserisco lo schema di principio del sistema adottato sulle Dyane per misurare il carburante nel serbatoio

- - -
in sussidio al @alev, eliminato da qui
lo schema si trova più avanti, al post #53
- - -


In effetti, rispetto a quanto avevo espresso nei precedenti posts, il galleggiante non è collegato ad un potenziometro ma piuttosto ad un reostato (sempre a filo)

Di questo penso si debba tenere conto nello schema elettronico richiesto dall'OP
Ultima modifica di Foto UtenteWALTERmwp il 10 mar 2023, 18:10, modificato 3 volte in totale.
Motivazione: Eliminato schema riproposto più avanti
Avatar utente
Foto Utentealev
5.995 2 9 12
free expert
 
Messaggi: 6284
Iscritto il: 19 lug 2010, 14:38
Località: Altrove

1
voti

[48] Re: Spia Riserva Carburante

Messaggioda Foto UtenteElidur » 10 mar 2023, 13:20

SediciAmpere ha scritto:A cosa serve il DS4?

DS4 serve ad elevare un po' la tensione di Zener portandola a 12,5V. in modo che la tensione ammissibile alla porta non invertente dell'operazionale sia il più possibile vicina al valore della tensione nominale della batteria ma senza superarlo.

Ribadisco che le prove fatte hanno confermato che con il valore del potenziometro utilizzato si riesce a far accendere o spegnere il led entro un range di tensione d'ingresso al potenziometro che va da 1,2V a 14V ma sarebbe da provare su un veicolo. Purtroppo non so se siano note le variazioni di tensione determinate dal potenziometro realmente abbinato al galleggiante e non è noto il valore del predetto potenziometro e se sia di tipo lineare o logaritmico. Personalmente non ho la necessità di applicare ad un veicolo il circuito in prova poiché gli esperimenti al banco li ho realizzati solo per curiosità. La prova pratica, quindi e se il circuito fosse ritenuto utile, dovrà essere fatta dall'Utente interessato.
Avatar utente
Foto UtenteElidur
1.515 2 6 9
Sostenitore
Sostenitore
 
Messaggi: 1126
Iscritto il: 6 mag 2017, 18:10

0
voti

[49] Re: Spia Riserva Carburante

Messaggioda Foto Utentealev » 10 mar 2023, 13:39

Elidur ha scritto:Purtroppo non so se siano note le variazioni di tensione determinate dal potenziometro realmente abbinato al galleggiante e non è noto il valore del predetto potenziometro e se sia di tipo lineare o logaritmico. Personalmente non ho la necessità di applicare ad un veicolo il circuito in prova poiché gli esperimenti al banco li ho realizzati solo per curiosità. La prova pratica, quindi e se il circuito fosse ritenuto utile, dovrà essere fatta dall'Utente interessato.

Non si tratta di un potenziometro ma di una resistenza variabile (nella realtà pratica della Dyane, un reostato)

Il valore di detta resistenza, considerate le sue dimensioni, credo non sia superiore all'ordine di poche decine di ohm e non escluderei anche dell'ordine delle unità, l'OP potrà misurarlo e farci sapere
Avatar utente
Foto Utentealev
5.995 2 9 12
free expert
 
Messaggi: 6284
Iscritto il: 19 lug 2010, 14:38
Località: Altrove

0
voti

[50] Re: Spia Riserva Carburante

Messaggioda Foto UtenteElidur » 10 mar 2023, 14:02

Grazie Alev, non aggiungo altro. Non ho mai visto dal vero un circuito di segnalazione carburante e non so neanche se il metodo di rilevazione sia uguale per tutti i veicoli.

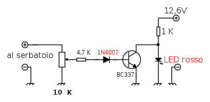
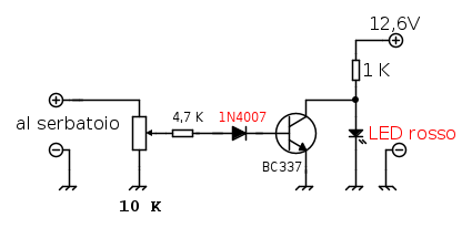
Ho provato anche ad aggiungere il diodo in serie alla base del transistore del circuito semplificato ma cambia poco. Si amplia leggermente la rotazione del potenziometro ma di poco.
Avatar utente
Foto UtenteElidur
1.515 2 6 9
Sostenitore
Sostenitore
 
Messaggi: 1126
Iscritto il: 6 mag 2017, 18:10

PrecedenteProssimo

Torna a Elettronica generale

Chi c’è in linea

Visitano il forum: Nessuno e 132 ospiti