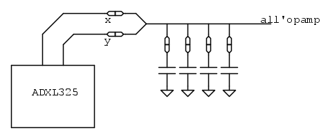
theking0 ha scritto:E come seleziono se configurare per la lettura dell'asse X o Y se non uso un 3 vie ?
Così:
Moderatori:
carloc,
g.schgor,
BrunoValente,
IsidoroKZ
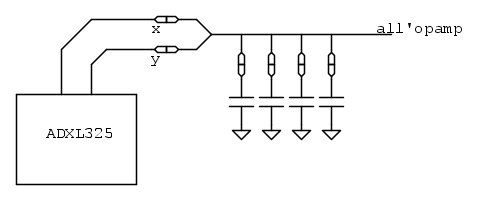
theking0 ha scritto:E come seleziono se configurare per la lettura dell'asse X o Y se non uso un 3 vie ?

theking0 ha scritto:Che ne dici ?
Non avevo mai adottato questa soluzione di estendere il piano di alimentazione.![]()
Per curiosità si applica solo in situazioni in cui ci sono segnali analogici o può essere utile anche più generalmente ?
Potrebbe aiutare se la scheda la facessi fare di spessore 1.2 invece di 1.6 ?
boiler ha scritto:..
Verifica però la direzione dell'asse Y che hai disegnato sul PCB.
Non ne capisco molto di accelerometri, ma mi sembra che nel datasheet le figure 23 e 24 siano in contraddizione tra loro.
...


Visitano il forum: Google [Bot], Google Adsense [Bot] e 108 ospiti