COMMUTAZIONE AUTOMATICA DI TENSIONE
Moderatori:
carloc,
g.schgor,
BrunoValente,
IsidoroKZ
0
voti
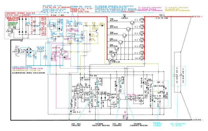
Maledizione! Hai ragione, riguarda solo la grafica ma mi è sfuggito eliminando i componenti colorati e ricolorando le connessioni. Provvedo a correggere. Grazie...
-

gianniniivo
9.070 7 11 13 - No Rank
- Messaggi: 2875
- Iscritto il: 5 feb 2019, 23:50
0
voti
No, no, adesso no... tra poco lo spumantegianniniivo ha scritto:Va bene Bruno, però non posso intervenire adesso... Rischio di prenderle...
-

BrunoValente
39,6k 7 11 13 - G.Master EY

- Messaggi: 7796
- Iscritto il: 8 mag 2007, 14:48
0
voti
Grazie Bruno. Buon anno a te e famiglia e anche in bocca al lupo...
-

gianniniivo
9.070 7 11 13 - No Rank
- Messaggi: 2875
- Iscritto il: 5 feb 2019, 23:50
2
voti
Grazie a bruno, al quale non sfugge niente, pubblico nuovamente lo schema corretto. Peggio del duomo di Milano questo schema...
-

gianniniivo
9.070 7 11 13 - No Rank
- Messaggi: 2875
- Iscritto il: 5 feb 2019, 23:50
2
voti
Fino al messaggio 469 era corretto, l'errore e` entrato nel messaggio 481.
Per usare proficuamente un simulatore, bisogna sapere molta più elettronica di lui
Plug it in - it works better!
Il 555 sta all'elettronica come Arduino all'informatica! (entrambi loro malgrado)
Se volete risposte rispondete a tutte le mie domande
Plug it in - it works better!
Il 555 sta all'elettronica come Arduino all'informatica! (entrambi loro malgrado)
Se volete risposte rispondete a tutte le mie domande
0
voti
Ciao Isidoro, buon anno. Si da quando ho tolto i componenti colorati...
-

gianniniivo
9.070 7 11 13 - No Rank
- Messaggi: 2875
- Iscritto il: 5 feb 2019, 23:50
2
voti
Grazie Ivo, buongiorno e buon anno anche a te e a chi ci legge.
Dovresti anche ripetere la verifica oscillografica sempre con i diodi staccati ma con una corrente al carico di 10A invece che 20A.
Attenzione ad eseguire queste prove perché senza diodi manca la limitazione della corrente, quindi un carico eccessivamente basso o un cortocircuito provocherebbero danni gravi, quindi predisponi anzitutto l'oscilloscopio collegandolo ed impostandolo correttamente per i valori da rilevare, poi parti con un carico alto e riducilo gradualmente, quando arrivi al valore di corrente voluto rileva rapidamente l'oscillogramma e spegni tutto.
Mi lascia perplesso il fatto che tu sia attrezzato per gestire tali correnti e potenze: cosa utilizzi come carico variabile? hai dei grossi reostati? in uno dei precedenti post che non ritrovo hai scritto che utilizzi dei variac ma i variac funzionano solo in alternata...!?
Siccome non ho letto tutti i quasi 500 post precedenti e siccome, comprenderai, non ho né voglia né tempo per farlo, non mi è chiaro come interviene la protezione crowbar: cosa è quel contatto in serie all'SCR? si tratta di un pulsante di reset o di un interruttore (due posizioni ON-OFF) che inserisce e disinserisce la protezione? Se è un interruttore lascia la protezione disinserita durante il test.
Vado al "lavoro"
ci sentiamo stasera
Dovresti anche ripetere la verifica oscillografica sempre con i diodi staccati ma con una corrente al carico di 10A invece che 20A.
Attenzione ad eseguire queste prove perché senza diodi manca la limitazione della corrente, quindi un carico eccessivamente basso o un cortocircuito provocherebbero danni gravi, quindi predisponi anzitutto l'oscilloscopio collegandolo ed impostandolo correttamente per i valori da rilevare, poi parti con un carico alto e riducilo gradualmente, quando arrivi al valore di corrente voluto rileva rapidamente l'oscillogramma e spegni tutto.
Mi lascia perplesso il fatto che tu sia attrezzato per gestire tali correnti e potenze: cosa utilizzi come carico variabile? hai dei grossi reostati? in uno dei precedenti post che non ritrovo hai scritto che utilizzi dei variac ma i variac funzionano solo in alternata...!?
Siccome non ho letto tutti i quasi 500 post precedenti e siccome, comprenderai, non ho né voglia né tempo per farlo, non mi è chiaro come interviene la protezione crowbar: cosa è quel contatto in serie all'SCR? si tratta di un pulsante di reset o di un interruttore (due posizioni ON-OFF) che inserisce e disinserisce la protezione? Se è un interruttore lascia la protezione disinserita durante il test.
Vado al "lavoro"
-

BrunoValente
39,6k 7 11 13 - G.Master EY

- Messaggi: 7796
- Iscritto il: 8 mag 2007, 14:48
1
voti
Eccomi.
1) Chiedo scusa per il ritardo ma qui da me c’è sempre qualche novità. Da dove inizio? Dai diodi. Con i diodi sollevati e senza il relè, il circuito funziona senza regolazioni ma il led di limitazione della corrente si accende ugualmente e, a quanto mi risulta, la corrente viene in qualche modo limitata ancora. Per non far accendere il led non devo superare gli 11,6A con la tensione che misura 50,6V. Superato quel valore di corrente, il led del limitatore nativo è sempre acceso, proprio come nella versione con i diodi e il relè a riposo. Se supero quella portata in Ampere, la tensione inizia a scendere e quando raggiunge i 48,6V. la corrente arriva a 20,2A., sempre con il led acceso. Ci sono delle coincidenze in corrente con la versione comprendente i diodi e il relè, almeno per quanto riguarda l’intervento della protezione e questo mi fa sospettare che più del ripple concorra qualche altro componente o circuito aggiuntivo che influisca sull'intervento del limitatore.
2) Il carico: pur potendo fare prove anche frequenti, devo fare in modo che siano di breve durata perché i dissipatori non sono ideali e i carichi scaldicchiano. Ci sono anche delle ventoline ma meglio non abusare. Comunque quanto ai carichi non sono messo male. Non si tratta di prodotti acquistati o da me costruiti ma di parecchio materiale “ereditato”, compreso un grosso reostato in ceramica, molto robusto, mai visto prima. Poi non vorrei provocare scandalo ma i variac li utilizzo come carico in continua, in parallelo all'uscita con in serie delle resistenze di costantana avvolte su delle provette in pirex per chimica, piccole e grosse in base al valore calcolato. Queste hanno valori fissi e i variac sono comodi perché abbinati ai valori fissi introducono la modalità di regolazione. Ho piazzato anche un grosso diodo in opposizione di polarità sull'uscita dell’alimentatore per scongiurare l’eventuale ritorno di qualche picco di tensione sfasato, simile a quello della bobina di un relè.
3) Per quanto riguarda i post precedenti non è il caso che ti metta a leggerli tutti. Lo dico anche perché l’esordio del thread è differente dal prosieguo e dalle auspicabili conclusioni. Se vuoi sapere qualcosa delle pagine precedenti fai prima a chiedere. Come il crowbar, ad esempio: Arriva da un’idea di
setteali ed è stato progettato da
edgar. Il circuito funziona ma l’ho solo testato e mai utilizzato per le altre prove perché non mi va troppo a genio che tutte le volte che supero di un pelo la corrente tolga l’erogazione. Forse sbaglierò ma lo ritengo utile solo in casi circoscritti. Inoltre andrebbe ricalibrato perché il progetto originale prevedeva una tensione di 30/35V e attualmente il crowbar è un po’ approssimativo, anche se lo ritengo migliorabile sia pur senza urgenza. Quell'interruttore che vedi sullo schema serve soltanto ad inserire o disinserire il crowbar come controllo supplementare di corrente. La soglia d’intervento è determinata dal potenziometro P2 e dall'accensione del diodo LED1. Quando il carico supera la corrente impostata si accende il diodo, se l’interruttore INT.1 è chiuso scatta anche il crowbar e lo stadio finale si spegne. Eliminando il sovraccarico ed aprendo INT.1, si riattiva lo stadio finale.
4) E adesso passiamo alla nota dolente: ti sarai chiesto per quale motivo non ho fatto cenno alla forma d’onda. Il motivo è che ho cercato l’oscilloscopio e non trovandolo mi sono ricordato di averlo prestato. Fin qui niente di nuovo, non sarebbe neanche la prima volta dato che non lo uso quasi mai. Quello che stavolta fa la differenza è che chi si è preso lo strumento è stato inviato a svolgere un lavoro (senza strumento) all'estero. Potrebbe star via mesi e lo strumento non è recuperabile in sua assenza.
Potrei acquistarne uno al volo su Amazon ma poi cosa ne faccio? Non uso neanche quello che ho già, anche perché utilizzandolo raramente non ho mai imparato come si adopera fatta eccezione per la modalità automatica. Con queste parole temo di aver compromesso definitivamente la mia reputazione in ambito tecnico…
5) Ritornando alla forma d’onda, credo che questo sia un bell'imprevisto se ritieni che il ripple possa essere il problema.
Non immaginavo di poter avere un ripple di 2,6V. o magari anche superiore, con tutti quei condensatori in serie/parallelo. Anche
IsidoroKZ ha fatto un cenno a valori di ripple rilevanti ma devo aver frainteso le sue parole, ritenendole più attinenti ad un’ipotesi che alla realtà. Per dirla tutta, ho anche pensato che con tutti quegli elettrolitici, il ripple sarebbe stato l’ultimo dei miei problemi se presente a correnti molto elevate. In quel caso non sarebbe sicuramente derivato dall'utilizzo di un impianto audio. Ma adesso devo fartela io qualche domanda: ma anche se il malfunzionamento dipendesse dal ripple, cosa significherebbe? Forse che 25.000 microFarad non sono sufficienti per una corrente di 20 Ampere? Se cosi fosse la scelta cadrebbe: o sulla riduzione della corrente o sull'aumento delle della capacità dei condensatori. Quando parlo di aumento della capacità non mi riferisco all'aumento del numero dei condensatori ma intendo l’acquisto di 10 elementi da 22.000uF / 63V per sostituire i 10 elementi da 10.000uF / 100V., ottenendo più del doppio della capacità. Cosa ne pensi? C’è anche qualche altro motivo che causa il ripple?
Questa sarà la mia ultima autocostruzione impegnativa e spero di poterla portare a termine. Credo di aver risposto più o meno a tutte le domande. Se ho dimenticato qualcosa cercherò di rimediare…
1) Chiedo scusa per il ritardo ma qui da me c’è sempre qualche novità. Da dove inizio? Dai diodi. Con i diodi sollevati e senza il relè, il circuito funziona senza regolazioni ma il led di limitazione della corrente si accende ugualmente e, a quanto mi risulta, la corrente viene in qualche modo limitata ancora. Per non far accendere il led non devo superare gli 11,6A con la tensione che misura 50,6V. Superato quel valore di corrente, il led del limitatore nativo è sempre acceso, proprio come nella versione con i diodi e il relè a riposo. Se supero quella portata in Ampere, la tensione inizia a scendere e quando raggiunge i 48,6V. la corrente arriva a 20,2A., sempre con il led acceso. Ci sono delle coincidenze in corrente con la versione comprendente i diodi e il relè, almeno per quanto riguarda l’intervento della protezione e questo mi fa sospettare che più del ripple concorra qualche altro componente o circuito aggiuntivo che influisca sull'intervento del limitatore.
2) Il carico: pur potendo fare prove anche frequenti, devo fare in modo che siano di breve durata perché i dissipatori non sono ideali e i carichi scaldicchiano. Ci sono anche delle ventoline ma meglio non abusare. Comunque quanto ai carichi non sono messo male. Non si tratta di prodotti acquistati o da me costruiti ma di parecchio materiale “ereditato”, compreso un grosso reostato in ceramica, molto robusto, mai visto prima. Poi non vorrei provocare scandalo ma i variac li utilizzo come carico in continua, in parallelo all'uscita con in serie delle resistenze di costantana avvolte su delle provette in pirex per chimica, piccole e grosse in base al valore calcolato. Queste hanno valori fissi e i variac sono comodi perché abbinati ai valori fissi introducono la modalità di regolazione. Ho piazzato anche un grosso diodo in opposizione di polarità sull'uscita dell’alimentatore per scongiurare l’eventuale ritorno di qualche picco di tensione sfasato, simile a quello della bobina di un relè.
3) Per quanto riguarda i post precedenti non è il caso che ti metta a leggerli tutti. Lo dico anche perché l’esordio del thread è differente dal prosieguo e dalle auspicabili conclusioni. Se vuoi sapere qualcosa delle pagine precedenti fai prima a chiedere. Come il crowbar, ad esempio: Arriva da un’idea di
4) E adesso passiamo alla nota dolente: ti sarai chiesto per quale motivo non ho fatto cenno alla forma d’onda. Il motivo è che ho cercato l’oscilloscopio e non trovandolo mi sono ricordato di averlo prestato. Fin qui niente di nuovo, non sarebbe neanche la prima volta dato che non lo uso quasi mai. Quello che stavolta fa la differenza è che chi si è preso lo strumento è stato inviato a svolgere un lavoro (senza strumento) all'estero. Potrebbe star via mesi e lo strumento non è recuperabile in sua assenza.
Potrei acquistarne uno al volo su Amazon ma poi cosa ne faccio? Non uso neanche quello che ho già, anche perché utilizzandolo raramente non ho mai imparato come si adopera fatta eccezione per la modalità automatica. Con queste parole temo di aver compromesso definitivamente la mia reputazione in ambito tecnico…
5) Ritornando alla forma d’onda, credo che questo sia un bell'imprevisto se ritieni che il ripple possa essere il problema.
Non immaginavo di poter avere un ripple di 2,6V. o magari anche superiore, con tutti quei condensatori in serie/parallelo. Anche
Questa sarà la mia ultima autocostruzione impegnativa e spero di poterla portare a termine. Credo di aver risposto più o meno a tutte le domande. Se ho dimenticato qualcosa cercherò di rimediare…

-

gianniniivo
9.070 7 11 13 - No Rank
- Messaggi: 2875
- Iscritto il: 5 feb 2019, 23:50
7
voti
Due parole sul Ripple:
è normale che sui condensatori elettrolitici vi sia, è sbagliato tentare di ridurlo aumentando a dismisura la capacità dei condensatori a valle del ponte.
Devi considerare che in generale l'ampiezza del ripple aumenta in proporzione al valore della corrente assorbita dal carico e diminuisce in proporzione a quello della capacità complessiva dei condensatori collegati a valle del ponte, più precisamente per ogni amper assorbito dal carico e con un valore di capacità complessiva di 10mF dei condensatore a valle del ponte, si ha un ripple ampio 1V ai capi dei condensatori a valle del ponte.
Vuol dire che con 2A e 10mF hai un ripple ampio 2V, con 3A e 10mF hai un ripple ampio 3V e così via
Vuol dire anche che con 1A e 20mF hai un ripple ampio 0.5V, con 2A e 20mF hai un ripple ampio 1V ecc...
Nel tuo caso con 10A e 25mF, se fai le proporzioni, hai un ripple ampio 4V e infine, sempre nel tuo caso, con 20A e 25mF hai un ripple ampio 8V.
Tutto questo con la normale configurazione del ponte dove la frequenza della tensione di rete raddrizzata è pari a 100Hz
Con il duplicatore invece devi considerare che la frequenza degli impulsi che caricano i condensatori si dimezza e questo comporta un raddoppio dell'ampiezza del ripple (qualcuno mi corregga se sto sfarfallando)
quindi con il duplicatore acceso e 10A di assorbimento hai un ripple ampio 8V.
Ma noi non vogliamo ripple all'uscita dell'alimentatore, allora come si fa?
Semplice: facciamo in modo che il ripple presente sui condensatori collegati a valle del ponte non si trasferisca all'uscita dell'alimentatore.
A questo ci pensa la stabilizzazione della tensione che provvede a rendere la tensione di uscita dell'alimentatore stabile e indipendente dal valore della tensione ai capi degli elettrolitici.
Devi considerare il ripple come fosse una rapida variazione della tensione ai capi degli elettrolitici che quindi, se la regolazione di tensione è sufficientemente veloce, non si ripercuote sulla tensione di uscita dell'alimentatore.
Tutto questo è vero fin quando la regolazione di tensione riesce a funzionare regolarmente.
La regolazione di tensione comincia a fare acqua quando la tensione di uscita dell'alimentatore si avvicina troppo a quella di ingresso, cioè a quella ai capi degli elettrolitici.
In pratica a causa del ripple la tensione ai capi degli elettrolitici varia rapidamente (100 volte al secondo con il ponte e 50 volte al secondo con il duplicatore) e si sposta da un valore massimo a un valore minimo, la distanza tra massimo e minimo abbiamo visto che dipende dalla corrente assorbita, per l'esattezza all'aumentare della corrente nel carico il valore massimo della tensione ai capi degli elettrolitici resta quasi invariato mentre quello minimo scende in proporzione.
Facciamo un esempio con i numeri.
Immaginiamo di avere una tensione di 50V ai capi degli elettrolitici da 25mF alimentati dal ponte (duplicatore spento).
Se non applichiamo alcun carico, quindi se la corrente è nulla, l'ampiezza del ripple vale 0V, vuol dire che la tensione ai capi degli elettrolitici nel tempo è costantemente pari a 50V.
Se applichiamo un carico che assorbe 10A abbiamo un ripple ampio 4V, vuol dire che la tensione ai capi degli elettrolitici nel tempo varia da 46V a 50V 100 volte al secondo.
Se applichiamo un carico che assorbe 20A abbiamo un ripple ampio 8V, vuol dire che la tensione ai capi degli elettrolitici nel tempo varia da 46V a 50V 100 volte al secondo.
Per evitare che il ripple si trasferisca all'uscita dell'alimentatore, come abbiamo detto, dobbiamo fare in modo che la regolazione di tensione funzioni sempre bene, cioè dobbiamo evitare che la tensione di uscita possa salire fino al valore delle punte basse del ripple.
In pratica se vogliamo che il ripple non si trasferisca in uscita neanche quando ai capi degli elettrolitici è massimo, cioè neanche quando stiamo assorbendo la massima corrente, dobbiamo accontentarci di limitare opportunamente l'escursione della tensione di uscita in modo che il massimo valore che può assumere quando portiamo il potenziometro a fondo corsa, sia un po' più basso di quello delle punte inferiori del ripple, nel caso dell'esempio dobbiamo accontentarci di una tensione massima di uscita inferiore di 42V.
Di quanto inferiore?
Diciamo di alcuni volt, dipende da come si comportano i transistor di potenza quando ai loro capi c'è poca tensione.
La verifica che ti ho chiesto di fare dovrebbe servire proprio a trovare sperimentalmente quel valore, senza farla proprio non saprei come procedere.
Direi che per mettere a punto un circuito come il tuo l'oscilloscopio sia fondamentale, senza si rischia di prendere fischi per fiaschi.
Un altro ottimo motivo per tenere l'oscilloscopio a portata di mano è il rischio di autooscillazioni che nei circuiti di regolazione (retroazione) è sempre in agguato dietro l'angolo: senza oscilloscopio si riesce solo a vedere che il circuito non si comporta come ci si aspetta e non si sa cosa fare.
è normale che sui condensatori elettrolitici vi sia, è sbagliato tentare di ridurlo aumentando a dismisura la capacità dei condensatori a valle del ponte.
Devi considerare che in generale l'ampiezza del ripple aumenta in proporzione al valore della corrente assorbita dal carico e diminuisce in proporzione a quello della capacità complessiva dei condensatori collegati a valle del ponte, più precisamente per ogni amper assorbito dal carico e con un valore di capacità complessiva di 10mF dei condensatore a valle del ponte, si ha un ripple ampio 1V ai capi dei condensatori a valle del ponte.
Vuol dire che con 2A e 10mF hai un ripple ampio 2V, con 3A e 10mF hai un ripple ampio 3V e così via
Vuol dire anche che con 1A e 20mF hai un ripple ampio 0.5V, con 2A e 20mF hai un ripple ampio 1V ecc...
Nel tuo caso con 10A e 25mF, se fai le proporzioni, hai un ripple ampio 4V e infine, sempre nel tuo caso, con 20A e 25mF hai un ripple ampio 8V.
Tutto questo con la normale configurazione del ponte dove la frequenza della tensione di rete raddrizzata è pari a 100Hz
Con il duplicatore invece devi considerare che la frequenza degli impulsi che caricano i condensatori si dimezza e questo comporta un raddoppio dell'ampiezza del ripple (qualcuno mi corregga se sto sfarfallando)
quindi con il duplicatore acceso e 10A di assorbimento hai un ripple ampio 8V.
Ma noi non vogliamo ripple all'uscita dell'alimentatore, allora come si fa?
Semplice: facciamo in modo che il ripple presente sui condensatori collegati a valle del ponte non si trasferisca all'uscita dell'alimentatore.
A questo ci pensa la stabilizzazione della tensione che provvede a rendere la tensione di uscita dell'alimentatore stabile e indipendente dal valore della tensione ai capi degli elettrolitici.
Devi considerare il ripple come fosse una rapida variazione della tensione ai capi degli elettrolitici che quindi, se la regolazione di tensione è sufficientemente veloce, non si ripercuote sulla tensione di uscita dell'alimentatore.
Tutto questo è vero fin quando la regolazione di tensione riesce a funzionare regolarmente.
La regolazione di tensione comincia a fare acqua quando la tensione di uscita dell'alimentatore si avvicina troppo a quella di ingresso, cioè a quella ai capi degli elettrolitici.
In pratica a causa del ripple la tensione ai capi degli elettrolitici varia rapidamente (100 volte al secondo con il ponte e 50 volte al secondo con il duplicatore) e si sposta da un valore massimo a un valore minimo, la distanza tra massimo e minimo abbiamo visto che dipende dalla corrente assorbita, per l'esattezza all'aumentare della corrente nel carico il valore massimo della tensione ai capi degli elettrolitici resta quasi invariato mentre quello minimo scende in proporzione.
Facciamo un esempio con i numeri.
Immaginiamo di avere una tensione di 50V ai capi degli elettrolitici da 25mF alimentati dal ponte (duplicatore spento).
Se non applichiamo alcun carico, quindi se la corrente è nulla, l'ampiezza del ripple vale 0V, vuol dire che la tensione ai capi degli elettrolitici nel tempo è costantemente pari a 50V.
Se applichiamo un carico che assorbe 10A abbiamo un ripple ampio 4V, vuol dire che la tensione ai capi degli elettrolitici nel tempo varia da 46V a 50V 100 volte al secondo.
Se applichiamo un carico che assorbe 20A abbiamo un ripple ampio 8V, vuol dire che la tensione ai capi degli elettrolitici nel tempo varia da 46V a 50V 100 volte al secondo.
Per evitare che il ripple si trasferisca all'uscita dell'alimentatore, come abbiamo detto, dobbiamo fare in modo che la regolazione di tensione funzioni sempre bene, cioè dobbiamo evitare che la tensione di uscita possa salire fino al valore delle punte basse del ripple.
In pratica se vogliamo che il ripple non si trasferisca in uscita neanche quando ai capi degli elettrolitici è massimo, cioè neanche quando stiamo assorbendo la massima corrente, dobbiamo accontentarci di limitare opportunamente l'escursione della tensione di uscita in modo che il massimo valore che può assumere quando portiamo il potenziometro a fondo corsa, sia un po' più basso di quello delle punte inferiori del ripple, nel caso dell'esempio dobbiamo accontentarci di una tensione massima di uscita inferiore di 42V.
Di quanto inferiore?
Diciamo di alcuni volt, dipende da come si comportano i transistor di potenza quando ai loro capi c'è poca tensione.
La verifica che ti ho chiesto di fare dovrebbe servire proprio a trovare sperimentalmente quel valore, senza farla proprio non saprei come procedere.
Direi che per mettere a punto un circuito come il tuo l'oscilloscopio sia fondamentale, senza si rischia di prendere fischi per fiaschi.
Un altro ottimo motivo per tenere l'oscilloscopio a portata di mano è il rischio di autooscillazioni che nei circuiti di regolazione (retroazione) è sempre in agguato dietro l'angolo: senza oscilloscopio si riesce solo a vedere che il circuito non si comporta come ci si aspetta e non si sa cosa fare.
-

BrunoValente
39,6k 7 11 13 - G.Master EY

- Messaggi: 7796
- Iscritto il: 8 mag 2007, 14:48
3
voti
Spiegazione limpida e chiara, ora so dove sono i limiti del filtro!
Io ho un DS-0138 penso che dovrebbe essere sufficiente per queste misure.
Ivo te lo spedisco, in un paio di giorni ce l'hai. Stasera preparo il pacchetto!!!!!!!!
E' una cinesata senza custodia, ma funziona bene.
Io ho un DS-0138 penso che dovrebbe essere sufficiente per queste misure.
Ivo te lo spedisco, in un paio di giorni ce l'hai. Stasera preparo il pacchetto!!!!!!!!
E' una cinesata senza custodia, ma funziona bene.
Alex
https://www.facebook.com/Elettronicaeelettrotecnica
<< vedi di pigliare arditamente in mano, il dizionario che ti suona in bocca,
se non altro è schietto e paesano.
(Giuseppe Giusti) <<
https://www.facebook.com/Elettronicaeelettrotecnica
<< vedi di pigliare arditamente in mano, il dizionario che ti suona in bocca,
se non altro è schietto e paesano.
(Giuseppe Giusti) <<
Chi c’è in linea
Visitano il forum: Nessuno e 128 ospiti

Elettrotecnica e non solo (admin)
Un gatto tra gli elettroni (IsidoroKZ)
Esperienza e simulazioni (g.schgor)
Moleskine di un idraulico (RenzoDF)
Il Blog di ElectroYou (webmaster)
Idee microcontrollate (TardoFreak)
PICcoli grandi PICMicro (Paolino)
Il blog elettrico di carloc (carloc)
DirtEYblooog (dirtydeeds)
Di tutto... un po' (jordan20)
AK47 (lillo)
Esperienze elettroniche (marco438)
Telecomunicazioni musicali (clavicordo)
Automazione ed Elettronica (gustavo)
Direttive per la sicurezza (ErnestoCappelletti)
EYnfo dall'Alaska (mir)
Apriamo il quadro! (attilio)
H7-25 (asdf)
Passione Elettrica (massimob)
Elettroni a spasso (guidob)
Bloguerra (guerra)





