Segnapunti elettronico ping-pong
Moderatori:
carloc,
g.schgor,
BrunoValente,
IsidoroKZ
0
voti
Intanto che aspetto di prendere gli operazionali, mi è venuta in mente una modifica da fare al circuito, però in questo caso non saprei da dove partire.
Vorrei fare che quando una delle 2 coppie di display che contano arriva a 11 anche premendo il bottone dell'incremento i punteggi restino invariati. Per esempio: 11-5 premendo entrambi i bottoni, non incrementa ne i display che segnano 11 e nemmeno quelli che segnano 5.
Vorrei fare che quando una delle 2 coppie di display che contano arriva a 11 anche premendo il bottone dell'incremento i punteggi restino invariati. Per esempio: 11-5 premendo entrambi i bottoni, non incrementa ne i display che segnano 11 e nemmeno quelli che segnano 5.
-

effedue
0 1 3 - CRU - Account cancellato su Richiesta utente
- Messaggi: 96
- Iscritto il: 29 set 2007, 17:39
0
voti
Ciao effedue,
dove vorresti usare gli operazionali ? Di solito nei circuiti logici si utilizzano integrati della stessa famiglia che in questo caso è la CD4000 (per la lista puoi controllare questo link: CD4000). Combinando opportunamente i componenti puoi ottenere una struttura logica più o meno complicata che svolga le operazioni che ti interessano. Credo che la capacità di chi progetta questi circuiti sia proprio quella di riuscire a risolverli con il minor numero di componenti possibile.
Una mano posso provare a dartela più che volentieri però ti avverto fin d' ora che non sono esperto, le poche esperienze che ho fatto non mi hanno permesso di prendere particolare confidenza con gli integrati digitali.
Per rispondere alla domanda credo che le strade percorribili siano due, la prima è quella di prelevare i livelli logici direttamente dai segmenti dei display e di combinarli (attraverso porte logiche) opportunamente facendo si che soltanto la combinazione esatta dei segmenti riguardanti il numero 11 possa escludere i pulsanti.
La seconda è quella di "parallelare" al 4026 un contatore presettabile che si occupi della gestione logica del segnapunti. Questo nuovo integrato avrà il compito di inviare un segnale che escluda i pulsanti una volta che uno qualsiasi dei display arriva al numero 11.
Cerca di capire quale possa essere la soluzione che preferisci e prima di tutto chiarisciti bene le idee su quali funzioni debba avere il tuo contapunti.....purtroppo cambiare al volo la logica del circuito non è mai una bella idea, riadattarlo alle nuove esigenze non è così semplice e il più delle volte questi "stravolgimenti" richiedono una revisione totale dell' intero schema.
In alternativa puoi sempre prendere in considerazione l' uso di un microcontrollore, in questo caso la parte hardware rimarrebbe pressoché identica e gli interventi verrebbero fatti soltanto via software .... non che questo sia semplice...
Magari aspettiamo anche i consigli di qualcuno più esperto di me... tra i frequentatori di questo forum ce ne sono tanti...
Ciao
dove vorresti usare gli operazionali ? Di solito nei circuiti logici si utilizzano integrati della stessa famiglia che in questo caso è la CD4000 (per la lista puoi controllare questo link: CD4000). Combinando opportunamente i componenti puoi ottenere una struttura logica più o meno complicata che svolga le operazioni che ti interessano. Credo che la capacità di chi progetta questi circuiti sia proprio quella di riuscire a risolverli con il minor numero di componenti possibile.
Una mano posso provare a dartela più che volentieri però ti avverto fin d' ora che non sono esperto, le poche esperienze che ho fatto non mi hanno permesso di prendere particolare confidenza con gli integrati digitali.
Per rispondere alla domanda credo che le strade percorribili siano due, la prima è quella di prelevare i livelli logici direttamente dai segmenti dei display e di combinarli (attraverso porte logiche) opportunamente facendo si che soltanto la combinazione esatta dei segmenti riguardanti il numero 11 possa escludere i pulsanti.
La seconda è quella di "parallelare" al 4026 un contatore presettabile che si occupi della gestione logica del segnapunti. Questo nuovo integrato avrà il compito di inviare un segnale che escluda i pulsanti una volta che uno qualsiasi dei display arriva al numero 11.
Cerca di capire quale possa essere la soluzione che preferisci e prima di tutto chiarisciti bene le idee su quali funzioni debba avere il tuo contapunti.....purtroppo cambiare al volo la logica del circuito non è mai una bella idea, riadattarlo alle nuove esigenze non è così semplice e il più delle volte questi "stravolgimenti" richiedono una revisione totale dell' intero schema.
In alternativa puoi sempre prendere in considerazione l' uso di un microcontrollore, in questo caso la parte hardware rimarrebbe pressoché identica e gli interventi verrebbero fatti soltanto via software .... non che questo sia semplice...
Magari aspettiamo anche i consigli di qualcuno più esperto di me... tra i frequentatori di questo forum ce ne sono tanti...
Ciao
0
voti
davidde ha scritto:Ciao effedue,
dove vorresti usare gli operazionali ? Di solito nei circuiti logici si utilizzano integrati della stessa famiglia che in questo caso è la CD4000 (per la lista puoi controllare questo link: CD4000). Combinando opportunamente i componenti puoi ottenere una struttura logica più o meno complicata che svolga le operazioni che ti interessano. Credo che la capacità di chi progetta questi circuiti sia proprio quella di riuscire a risolverli con il minor numero di componenti possibile.
Una mano posso provare a dartela più che volentieri però ti avverto fin d' ora che non sono esperto, le poche esperienze che ho fatto non mi hanno permesso di prendere particolare confidenza con gli integrati digitali.
Per rispondere alla domanda credo che le strade percorribili siano due, la prima è quella di prelevare i livelli logici direttamente dai segmenti dei display e di combinarli (attraverso porte logiche) opportunamente facendo si che soltanto la combinazione esatta dei segmenti riguardanti il numero 11 possa escludere i pulsanti.
La seconda è quella di "parallelare" al 4026 un contatore presettabile che si occupi della gestione logica del segnapunti. Questo nuovo integrato avrà il compito di inviare un segnale che escluda i pulsanti una volta che uno qualsiasi dei display arriva al numero 11.
Cerca di capire quale possa essere la soluzione che preferisci e prima di tutto chiarisciti bene le idee su quali funzioni debba avere il tuo contapunti.....purtroppo cambiare al volo la logica del circuito non è mai una bella idea, riadattarlo alle nuove esigenze non è così semplice e il più delle volte questi "stravolgimenti" richiedono una revisione totale dell' intero schema.
In alternativa puoi sempre prendere in considerazione l' uso di un microcontrollore, in questo caso la parte hardware rimarrebbe pressoché identica e gli interventi verrebbero fatti soltanto via software .... non che questo sia semplice...
Magari aspettiamo anche i consigli di qualcuno più esperto di me... tra i frequentatori di questo forum ce ne sono tanti...
Ciao
Non avevo visto subito la tua risposta, devi averla scritta mentre caricavo l'immagine, comunque i microcontrollori li escluderei non ho avuto buone esperienze con i PIC, poi vorrei restare sull'hardware e non aggiungere parti che richiedono la programmazione dal PC.
Le altre 2 alternative che restano, come hai scritto tu sono: circuiti logici e un "contatore presettabile che si occupi della gestione logica del segnapunti".
Per me l'ideale sarebbe farlo con i circuiti logici, però non capisco come si possa fare una cosa del genere. Cioè, il circuito che a un numero prestabilito mi da uno saprei anche farlo, però poi non saprei come inibire i pulsanti per bloccare gli schermi sulle cifre a cui erano arrivati.
-

effedue
0 1 3 - CRU - Account cancellato su Richiesta utente
- Messaggi: 96
- Iscritto il: 29 set 2007, 17:39
0
voti
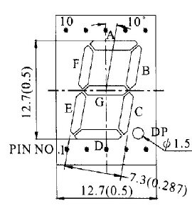
Secondo me puoi semplificare, se osservi la cifra delle decine può essere soltanto 0 oppure 1 è quindi inutile controllare tutti i segmenti. Guardando il datasheet del tuo display :
puoi vedere che se controlli uno qualsiasi dei segmenti A,D,E,F sarai capace di discriminare il numero 0 dal numero 1 risparmiandoti il controllo degli altri sei segmenti....
Non è complicato, basta che vai a cambiare lo stato logico del pin2 (clock inhibit) del 4026. Portandolo a Valim inibisci il clock e quindi una pressione del tasto non incrementa il contatore. Ovviamente lo stesso segnale deve giungere ai quattro integrati che si occupano della visualizzazione del punteggio partita. Prima di prendere per buono quanto ti ho detto fai la prova sul circuito sperimentale, dovrebbe funzionare.
puoi vedere che se controlli uno qualsiasi dei segmenti A,D,E,F sarai capace di discriminare il numero 0 dal numero 1 risparmiandoti il controllo degli altri sei segmenti....
effedue scrive:
Per me l'ideale sarebbe farlo con i circuiti logici, però non capisco come si possa fare una cosa del genere. Cioè, il circuito che a un numero prestabilito mi da uno saprei anche farlo, però poi non saprei come inibire i pulsanti per bloccare gli schermi sulle cifre a cui erano arrivati.
Non è complicato, basta che vai a cambiare lo stato logico del pin2 (clock inhibit) del 4026. Portandolo a Valim inibisci il clock e quindi una pressione del tasto non incrementa il contatore. Ovviamente lo stesso segnale deve giungere ai quattro integrati che si occupano della visualizzazione del punteggio partita. Prima di prendere per buono quanto ti ho detto fai la prova sul circuito sperimentale, dovrebbe funzionare.
0
voti
Allo stesso modo per il controllo delle unità ti basta "osservare" il numero minimo di segmenti.
Se controlli i segmenti: F,A,B,C secondo me sei a posto...
Se controlli i segmenti: F,A,B,C secondo me sei a posto...
Chi c’è in linea
Visitano il forum: Nessuno e 104 ospiti

Elettrotecnica e non solo (admin)
Un gatto tra gli elettroni (IsidoroKZ)
Esperienza e simulazioni (g.schgor)
Moleskine di un idraulico (RenzoDF)
Il Blog di ElectroYou (webmaster)
Idee microcontrollate (TardoFreak)
PICcoli grandi PICMicro (Paolino)
Il blog elettrico di carloc (carloc)
DirtEYblooog (dirtydeeds)
Di tutto... un po' (jordan20)
AK47 (lillo)
Esperienze elettroniche (marco438)
Telecomunicazioni musicali (clavicordo)
Automazione ed Elettronica (gustavo)
Direttive per la sicurezza (ErnestoCappelletti)
EYnfo dall'Alaska (mir)
Apriamo il quadro! (attilio)
H7-25 (asdf)
Passione Elettrica (massimob)
Elettroni a spasso (guidob)
Bloguerra (guerra)

