Se non hai problemi con gli SMD allora l' LT6621 è una validissima soluzione.
Per il 741 sì, è un' operazionale per tensione duale, volendo si potrebbe utilizzare anche in singola modificando il circuito (devo pensarci un po' perché il fotodiodo è usato in modalità fotovoltaica e quindi è importante che ai suoi capi la tensione sia 0V in assenza di illuminazione) ma credo non ne valga molto la pena perché da 0,3V/µs si passa a 0,5V/µs che sono ancora pochini e comunque ben lontani dai 20V/µs dell' LT6221.
Se poi nel circuito finale hai intenzione di stabilizzare a 5V tanto meglio, le escursioni degli operazionali si riducono e perciò la velocità di risposta aumenta.
Barriera laser
Moderatori:
carloc,
g.schgor,
BrunoValente,
IsidoroKZ
0
voti
[52] Re: Barriera laser
Quali alternative ci sono a RS-Components in Italia (e fuori) per piccole quantita'?
A volte mi serve anche solo un componente e la cifra che vorrei spendere in spedizione non vorrei che superasse i 5 euro.
Ci sono realta' alternative oppure RS e' una scelta obbligata?
A volte mi serve anche solo un componente e la cifra che vorrei spendere in spedizione non vorrei che superasse i 5 euro.
Ci sono realta' alternative oppure RS e' una scelta obbligata?
0
voti
[54] Re: Barriera laser
Grazie mille lo stesso.
Avevo in mente un altro quesito a proposito del preampli microfonico per questo mio progetto ma credo che poi sarebbe OT in questo thread, quindi ne apriro' un altro lasciando questo per future consultazioni.
Avevo in mente un altro quesito a proposito del preampli microfonico per questo mio progetto ma credo che poi sarebbe OT in questo thread, quindi ne apriro' un altro lasciando questo per future consultazioni.
0
voti
[55] Re: Barriera laser
Ecco un "assaggio" di cio' che si riesce a fare.

Il proiettile e' sparato da una banalissima pistola softair posta sulla sinistra.
E' "lento" ma e' stato intercettato esattamente in corrispondenza del laser.
Il flash era settato a 1/25.000"
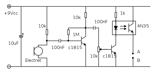
Piuttosto, ho dei problemi coi fotoaccoppiatori e il 4001: le porte del 4001 malgradiscono il carico applicato.
Il led del fotoaccoppiatore (un 4N35) e' alimentato direttamente dall'uscita del 4001 previa resistenza di caduta da 1k.
Quale sistema alternativo (MOLTO veloce) posso usare per chiudere un contatto partendo dal livello logico del 4001?
Vorrei isolare i flash dal circuito, quindi il fotoaccoppiatore ci deve sempre essere.
Sarebbe bello un transistorino eccitato dalla porta del 4001 e che a sua volta piloti il led del 4N35.
Chi mi aiuta a polarizzare detto transistor?

Il proiettile e' sparato da una banalissima pistola softair posta sulla sinistra.
E' "lento" ma e' stato intercettato esattamente in corrispondenza del laser.
Il flash era settato a 1/25.000"
Piuttosto, ho dei problemi coi fotoaccoppiatori e il 4001: le porte del 4001 malgradiscono il carico applicato.
Il led del fotoaccoppiatore (un 4N35) e' alimentato direttamente dall'uscita del 4001 previa resistenza di caduta da 1k.
Quale sistema alternativo (MOLTO veloce) posso usare per chiudere un contatto partendo dal livello logico del 4001?
Vorrei isolare i flash dal circuito, quindi il fotoaccoppiatore ci deve sempre essere.
Sarebbe bello un transistorino eccitato dalla porta del 4001 e che a sua volta piloti il led del 4N35.
Chi mi aiuta a polarizzare detto transistor?
0
voti
[56] Re: Barriera laser
Che bella foto
! Hai idea della velocità del pallino ?
Per quanto riguarda quello che chiedi credo che questo circuito dovrebbe risolvere il problema della corrente erogata dall' uscita del 4001:
Così facendo dall' uscita del 4001 tiri all' incirca 2mA che l' integrato dovrebbe erogare in tranquillità.
! Hai idea della velocità del pallino ?Per quanto riguarda quello che chiedi credo che questo circuito dovrebbe risolvere il problema della corrente erogata dall' uscita del 4001:
Così facendo dall' uscita del 4001 tiri all' incirca 2mA che l' integrato dovrebbe erogare in tranquillità.
0
voti
[57] Re: Barriera laser
davidde ha scritto:Che bella foto! Hai idea della velocità del pallino ?
No ma e' molto veloce perche' e' esattamente all'uscita dalla canna e se te lo spari sulla mano fa un male cane per qualche minuto.
Dovrebbe essere, come quasi tutte le pistole softair da 0.5J, circa 200-250km/h.
Per quanto riguarda quello che chiedi credo che questo circuito dovrebbe risolvere il problema della corrente erogata dall' uscita del 4001: Così facendo dall' uscita del 4001 tiri all' incirca 2mA che l' integrato dovrebbe erogare in tranquillità.
Provero' quanto prima a interporre il transistorino che mi hai suggerito.
Sai dirmi il tempo di salita del BC547?
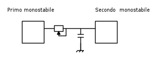
Il circuito funziona fin troppo bene, decisamente sopra le mie aspettative, al punto che adesso quello che mi preoccupa e' la linea di ritardo sulla seconda uscita.
In pratica dal primo monostabile (quello che fa scattare i flash immediatamente col primo fotoaccoppiatore) si va ad un secondo monostabile che attiva un altro fotoaccoppiatore per far scattare altri flash dopo un tempo X.
Questo e' necessario altrimenti avrei la foto del solo proiettile che attraversa il fascio e non dei suoi effetti sull'oggetto da colpire.
Tra il primo e il secondo monostabile, dicevo, c'e' una semplice rete RC.
Un trimmer da 220k in serie al segnale e un condensatore da 470nF verso massa.
Questo sistema e' paleozoico (degno di me) e non mi permette di essere molto preciso specie su tempi brevissimi.
Stavo pensando di usare un commutatore rotativo a N posizioni dove ogni posizione commuti un diverso fondoscala del ritardo per consentirmi di scegliere piu' range di utilizzo e quindi maggior precisione ai tempi bassi.
Ad esempio nella prima posizione metterei un ritardo massimo di 50mS in modo che col potenziometro andrei a variare il ritardo tra zero e 50mS.
Nell'ultima metterei quello di 1000mS dove la precisione non e' cosi' importante (oggetti lenti e comunque dove e' non importante il momento preciso).
L'unico modo in cui saprei farlo (rubando lo schema di qua e di la', e' chiaro
Oppure sto sottovalutando gli NE555?
La commutazione potrei farla in maniera digitale con un contatore e un led per ogni posizione.
Commutare un condensatore e' una cosa che mi sconsigli?
Userei per esempio un 4016 o lo stesso contatore.
Capisco che il top sarebbe un microcontrollore ma dovrei imparare da zero e "ormai" vorrei evitare.
0
voti
[58] Re: Barriera laser
Allora, fammi capire bene....
Non appena il fascio laser viene interrotto si attiva il flash e scatti la prima foto. Fatto ciò tu hai bisogno di scattare un certo numero di foto ad intervalli il più regolari possibili. L' intervallo deve essere regolabile in modo che variando il tempo di attesa tra uno scatto e l' altro possa essere variato il numero di foto che descrivono l' evento.
Per oggetti veloci avrai bisogno di tempi d' attesa inferiori mentre per gli oggetti più lenti si allunga l' intervallo.
Questo discorso non lo comprendo bene. Quando dici il primo monostabile intendi il circuito che abbiamo fatto finora ?
Quando dici: "il secondo monostabile fa scattare altri flash" intendi dire che è lui a dare lo start e poi è la macchina fotografica a preoccuparsi di ripetere i flash ad intervalli regolari ? Oppure è il circuito che deve "premere il pulsante" per ogni flash che sarà generato ?
Ultima domanda. Tra il primo flash e quelli successivi hai bisogno di un ritardo differente? Cioè il primo intervallo deve essere differente da quelli successivi per permettere al proiettile di portarsi in prossimità dell' oggetto da colpire prima di scattare il "treno" di fotografie o no ?
Non appena il fascio laser viene interrotto si attiva il flash e scatti la prima foto. Fatto ciò tu hai bisogno di scattare un certo numero di foto ad intervalli il più regolari possibili. L' intervallo deve essere regolabile in modo che variando il tempo di attesa tra uno scatto e l' altro possa essere variato il numero di foto che descrivono l' evento.
Per oggetti veloci avrai bisogno di tempi d' attesa inferiori mentre per gli oggetti più lenti si allunga l' intervallo.
carsco ha scritto:In pratica dal primo monostabile (quello che fa scattare i flash immediatamente col primo fotoaccoppiatore) si va ad un secondo monostabile che attiva un altro fotoaccoppiatore per far scattare altri flash dopo un tempo X.Questo e' necessario altrimenti avrei la foto del solo proiettile che attraversa il fascio e non dei suoi effetti sull'oggetto da colpire.
Questo discorso non lo comprendo bene. Quando dici il primo monostabile intendi il circuito che abbiamo fatto finora ?
Quando dici: "il secondo monostabile fa scattare altri flash" intendi dire che è lui a dare lo start e poi è la macchina fotografica a preoccuparsi di ripetere i flash ad intervalli regolari ? Oppure è il circuito che deve "premere il pulsante" per ogni flash che sarà generato ?
Ultima domanda. Tra il primo flash e quelli successivi hai bisogno di un ritardo differente? Cioè il primo intervallo deve essere differente da quelli successivi per permettere al proiettile di portarsi in prossimità dell' oggetto da colpire prima di scattare il "treno" di fotografie o no ?
0
voti
[59] Re: Barriera laser
Sara' interessante vedere le foto dei 338LM o anche dei 7mm Rem. MAG.
... o quello che usera' in poligono.
Spero che carsco, in futuro, ci faccia vedere qualche altra bella foto.
Spero che carsco, in futuro, ci faccia vedere qualche altra bella foto.
"La follia sta nel fare sempre la stessa cosa aspettandosi risultati diversi".
"Parla soltanto quando sei sicuro che quello che dirai è più bello del silenzio".
Rispondere è cortesia, ma lasciare l'ultima parola ai cretini è arte.
"Parla soltanto quando sei sicuro che quello che dirai è più bello del silenzio".
Rispondere è cortesia, ma lasciare l'ultima parola ai cretini è arte.
-

TardoFreak
73,9k 8 12 13 - -EY Legend-

- Messaggi: 15754
- Iscritto il: 16 dic 2009, 11:10
- Località: Torino - 3° pianeta del Sistema Solare
0
voti
[60] Re: Barriera laser
davidde ha scritto:Allora, fammi capire bene....
Si perche' forse ho dato troppo poche informazioni.
Sara' meglio fare uno schema a blocchi.
L'attivazione viene fatta in due modi: il laser (con il diodo IR) e una capsula a condensatore.
L'attivatore col laser e' quello che hai fatto tu, quello con la capsula audio l'ho rubato ad un attivatore vocale cinese.
(a tal proposito vedi anche questo:
http://www.electroportal.net/phpBB2/viewtopic.php?f=1&t=20771)
In uscita abbiamo un livello alto quando viene intercettato il fenomeno.
L'uscita di questi due stadi viene commutata da un deviatore a 2 posizioni direttamente nel primo monostabile.
Quindi O funziona il detector IR o quello audio.
Il primo monostabile e' quello classico fatto con due NOR il cui tempo di attivazione e' di circa 1secondo.
Quindi, anche se in ingresso abbiamo un segnale di durata bassissima in uscita abbiamo un livello alto che dura 1 secondo.
Il monostabile e' retrocontrollato da un flip flop fatto con le 2 restanti porte del 4001.
Quindi, una volta che il primo monostabile e' andato a livello alto per 1 secondo torna giu' e ci restera' finche' non premo il tasto di reset nel flip flop.
L'uscita di questo primo monostabile controlla direttamente il primo fotoaccoppiatore a cui sono collegati i flash che sparano senza attendere ritardi. La foto che vedi l'ho fatta con questa uscita, infatti e' scattata con la palla esattamente sul laser.
La stessa uscita del primo monostabile entra, attraverso un trimmer e un condensatore come hai visto prima (il ritardo), in un secondo monostabile uguale in tutto e per tutto.
Questo monostabile "ritardato" comandera' i flash che scatteranno quando mi e' necessario freezare l'evento SUCCESSIVO al rumore o al passaggio dell'oggetto.
Non mi e' quindi necessario scattare flashate in successione, anche perche' i flash che uso possono farmi la strobata di N lampi a N frequenza (ammesso che mi serva).
Il flash ritardato quindi serve SOLO quando voglio catturare l'evento successivo a cio' che ha fatto scattare il primo monostabile.
Ad esempio se volessi fotografare un oggetto colpito dal suddetto proiettile non potrei farlo con il circuito comandato dal primo monostabile perche' il flash scatterebbe non appena la palla colpisce il laser.
Devo quindi collegare il flash all'uscita ritardata del secondo monostabile e settare un tempo minimerrimo di 10-20mS, il tempo che il proiettile percorra lo spazio tra il laser (che ha appena attraversato) e l'oggetto da colpire.
Dipende da cio' che voglio fotografare puo' succedere che mi serva un lampo molto in ritardo rispetto a quando il laser viene tagliato (o da quando viene generato un rumore), per esempio la goccia del latte che si espande.
Quindi il fondo-scala dei tempi deve essere variabile da un minimo di 50nS fino a 1000mS.
Se facessi un FS di 1000mS (come ora) non troverei mai il punto nella corsa del potenziometro per ottenere 20mS!
Se facessi un FS di 50mS non potrei ottenere tempi superiori quando necessario.
In ultimo, ma non meno importante, spiego come si fanno queste foto.
Anche se si fanno piu' flashate la foto e' SEMPRE UNA.
Non esiste nessuna fotocamera commerciale in grado di scattare a queste velocita', quindi non si puo' collegare il trigger alla fotocamera ma si collega ai flash che scatteranno mentre l'otturatore e' aperto.
Quando e' il momento buono ci si mette in condizioni di luce scarsa, si apre l'otturatore della camera per un tempo indefinito e si attende il flash. La luce del flash e' l'unica che verra' impressa sulla pellicola/sensore anche se questo rimarra' aperto per svariati secondi.
La foto che avete visto e' stata scattata con un tempo di 3.2" ma il lampo e' durato 1/25.000" (pochi flash permettono cio').
Chi c’è in linea
Visitano il forum: Nessuno e 49 ospiti

Elettrotecnica e non solo (admin)
Un gatto tra gli elettroni (IsidoroKZ)
Esperienza e simulazioni (g.schgor)
Moleskine di un idraulico (RenzoDF)
Il Blog di ElectroYou (webmaster)
Idee microcontrollate (TardoFreak)
PICcoli grandi PICMicro (Paolino)
Il blog elettrico di carloc (carloc)
DirtEYblooog (dirtydeeds)
Di tutto... un po' (jordan20)
AK47 (lillo)
Esperienze elettroniche (marco438)
Telecomunicazioni musicali (clavicordo)
Automazione ed Elettronica (gustavo)
Direttive per la sicurezza (ErnestoCappelletti)
EYnfo dall'Alaska (mir)
Apriamo il quadro! (attilio)
H7-25 (asdf)
Passione Elettrica (massimob)
Elettroni a spasso (guidob)
Bloguerra (guerra)





