In quel circuito c'e' un integrato della serie 74HC che va alimentato a 5V e basta. Gli altri, quelli della serie 4000 possono essere alimentati da 5 a 15V. Quindi la tensione di alimentazione DEVE essere di 5V altrimenti bruci l' integrato 74HC. Per ottenere l' alimentazione corretta devi usare un regolatore di tensione a 5V ma, visto che lo vuoi alimentare a 6V un regolatore normale non va bene. Ti serve un regolatore a basso dropout (bassa caduta di tensione fra ingresso e uscita).
Quindi hai 3 possibilita':
- sostituire il 74HC393 con uno o piu' integrati della seria 4000 ed alimentare il circuito con una tensione che puo' benissimo essere il 6V di cui hai parlato. Va bene da 5 a 15V, non hai problemi.
- Inserire nello schema un regolatore di tensione come il 7805, fornirgli una tensione in ingresso di 9 o piu' volt ed alimentare il tutto a 5V
- Inserire nello schema un regolatore di tensione a basso dropout, fornirgli una tensione in ingresso di 6V ed alimentare il tutto a 5V
Ma non alimentare gli integrati tramite una resistenza. Non sono carichi costanti e la resistenza introdurrebbe cadute di tensione variabili che ti creerebbero solo casini a non finire.
Semplice circuito per iniziare
Moderatori:
carloc,
g.schgor,
BrunoValente,
IsidoroKZ
1
voti
"La follia sta nel fare sempre la stessa cosa aspettandosi risultati diversi".
"Parla soltanto quando sei sicuro che quello che dirai è più bello del silenzio".
Rispondere è cortesia, ma lasciare l'ultima parola ai cretini è arte.
"Parla soltanto quando sei sicuro che quello che dirai è più bello del silenzio".
Rispondere è cortesia, ma lasciare l'ultima parola ai cretini è arte.
-

TardoFreak
73,9k 8 12 13 - -EY Legend-

- Messaggi: 15754
- Iscritto il: 16 dic 2009, 11:10
- Località: Torino - 3° pianeta del Sistema Solare
1
voti
Guarda posso tranquillamente alimentarlo a 5V!
E quindi basterebbe un circuito di questo tipo?
Funzionerebbe?
Di quanto dovrebbero essere le resistenze per i led?
E quindi basterebbe un circuito di questo tipo?
Funzionerebbe?
Di quanto dovrebbero essere le resistenze per i led?
1
voti
Cosi' il circuito funzionerebbe (per quanto riguarda l' alimentazione, il resto non l'ho verificato).
Per il dimensionamento delle resistenze bisogna leggere il datasheet. Dipende dal valore di corrente con cui vuoi pilotare i segmenti.
Supponiamo di volerli accendere con una corrente di 10mA
Nel datasheet della National a pagina 2 si legge:
VDD = 5V, IOH = 10 mA, VOH = 4.12V
VOH=4,12V e' la tensione di uscita dell' integrato alimentato a 5V con un carico di 10mA.
Con questi dati ti calcoli la resistenza da mettere in serie nello stesso modo in cui l' hai calcolata all' inizio di questa discussione.
Per il dimensionamento delle resistenze bisogna leggere il datasheet. Dipende dal valore di corrente con cui vuoi pilotare i segmenti.
Supponiamo di volerli accendere con una corrente di 10mA
Nel datasheet della National a pagina 2 si legge:
VDD = 5V, IOH = 10 mA, VOH = 4.12V
VOH=4,12V e' la tensione di uscita dell' integrato alimentato a 5V con un carico di 10mA.
Con questi dati ti calcoli la resistenza da mettere in serie nello stesso modo in cui l' hai calcolata all' inizio di questa discussione.
"La follia sta nel fare sempre la stessa cosa aspettandosi risultati diversi".
"Parla soltanto quando sei sicuro che quello che dirai è più bello del silenzio".
Rispondere è cortesia, ma lasciare l'ultima parola ai cretini è arte.
"Parla soltanto quando sei sicuro che quello che dirai è più bello del silenzio".
Rispondere è cortesia, ma lasciare l'ultima parola ai cretini è arte.
-

TardoFreak
73,9k 8 12 13 - -EY Legend-

- Messaggi: 15754
- Iscritto il: 16 dic 2009, 11:10
- Località: Torino - 3° pianeta del Sistema Solare
1
voti
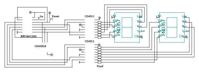
Un contatore elettronico come quello dello schema
non può essere comandato da un semplice pulsante:
perché conti un impulso ad ogni attivazione
occorre prevedere un circuito antirimbalzo.
non può essere comandato da un semplice pulsante:
perché conti un impulso ad ogni attivazione
occorre prevedere un circuito antirimbalzo.
0
voti
Non ho capito bene la questione dell'anti rimbalzo, sinceramente xD
Peccato, mi c'ero impegnato tanto! Ho sfogliato per ore i datasheet degli integrati usati xD
Peccato, mi c'ero impegnato tanto! Ho sfogliato per ore i datasheet degli integrati usati xD
1
voti
Semplicemente che un pulsante non genera
1 impulso, ma con rimbalzi meccanici può
generarne una serie (che verrebbero tutti contati
da un contatore veloce come quello elettronico)
Basta comunque prevedere appunto un circuito
"antirimbalzo".
Vedi anche questo
1 impulso, ma con rimbalzi meccanici può
generarne una serie (che verrebbero tutti contati
da un contatore veloce come quello elettronico)
Basta comunque prevedere appunto un circuito
"antirimbalzo".
Vedi anche questo
0
voti
Capito..
Per caso esistono integrati che funzionano da antirimbalzo?
Perché inserire su una millefori anche questo diventerebbe davvero scomodo, già ho problemi di sbroglio così..
Per il resto il circuito funziona?
Per caso esistono integrati che funzionano da antirimbalzo?
Perché inserire su una millefori anche questo diventerebbe davvero scomodo, già ho problemi di sbroglio così..
Per il resto il circuito funziona?
1
voti
Arkano ha scritto:il circuito funziona?
Osservo che hai scelto un doppio contatore
binario a 4 bit, mentre se vuoi utilizzare
un display a decadi dovresti usare dei contatori BCD
(decimale codificato in binario)
Consiglierei dei 4510 (che puoi trovare qui).
Se ti va, ne riparliamo.
Chi c’è in linea
Visitano il forum: Majestic-12 [Bot] e 132 ospiti

Elettrotecnica e non solo (admin)
Un gatto tra gli elettroni (IsidoroKZ)
Esperienza e simulazioni (g.schgor)
Moleskine di un idraulico (RenzoDF)
Il Blog di ElectroYou (webmaster)
Idee microcontrollate (TardoFreak)
PICcoli grandi PICMicro (Paolino)
Il blog elettrico di carloc (carloc)
DirtEYblooog (dirtydeeds)
Di tutto... un po' (jordan20)
AK47 (lillo)
Esperienze elettroniche (marco438)
Telecomunicazioni musicali (clavicordo)
Automazione ed Elettronica (gustavo)
Direttive per la sicurezza (ErnestoCappelletti)
EYnfo dall'Alaska (mir)
Apriamo il quadro! (attilio)
H7-25 (asdf)
Passione Elettrica (massimob)
Elettroni a spasso (guidob)
Bloguerra (guerra)

