Come gia' ti ho detto, serve vedere uno schema di quello che hai fatto.
Un'immagine vale piu' di mille parole.
Dubbio alimentatore LM3886
Moderatori:
carloc,
g.schgor,
BrunoValente,
IsidoroKZ
0
voti
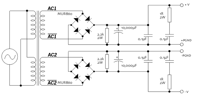
In pratica ho realizzato queste due parti (l'unica differenza sta nel fatto che ho usato un ponte KBU8M al posto dei MUR)
- Allegati
-
- F02-LM3886-power-supply.png (20.4 KiB) Osservato 1265 volte
-
- F01-LM3886-chipamp.png (72.21 KiB) Osservato 1265 volte
0
voti
Direi che, nonostante l'aver provocato la sfiga in maniera così plateale, non è successo altro che il far andare in protezione termica il LM3886. Se gli attacchi un dissipatore DECENTE (non un francobollo di latta), l'amplificatore dovrebbe ritornare a funzionare senza problemi.
Ciao
Piercarlo
Ciao
Piercarlo
Chi c’è in linea
Visitano il forum: Nessuno e 171 ospiti

Elettrotecnica e non solo (admin)
Un gatto tra gli elettroni (IsidoroKZ)
Esperienza e simulazioni (g.schgor)
Moleskine di un idraulico (RenzoDF)
Il Blog di ElectroYou (webmaster)
Idee microcontrollate (TardoFreak)
PICcoli grandi PICMicro (Paolino)
Il blog elettrico di carloc (carloc)
DirtEYblooog (dirtydeeds)
Di tutto... un po' (jordan20)
AK47 (lillo)
Esperienze elettroniche (marco438)
Telecomunicazioni musicali (clavicordo)
Automazione ed Elettronica (gustavo)
Direttive per la sicurezza (ErnestoCappelletti)
EYnfo dall'Alaska (mir)
Apriamo il quadro! (attilio)
H7-25 (asdf)
Passione Elettrica (massimob)
Elettroni a spasso (guidob)
Bloguerra (guerra)



