PONTE AD H con NPN e PNP niente da fare...
Moderatori:
carloc,
g.schgor,
BrunoValente,
IsidoroKZ
2
voti
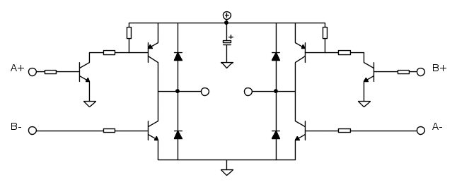
Intendevo dire questo:
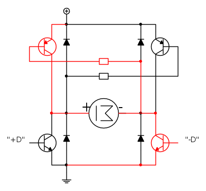
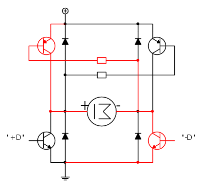
Immaginiamo che il motore stia girando e che i transistor in conduzione siano quelli in rosso
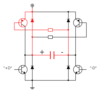
Se ora spegniamo entrambi i transistor NPN e il motore continua a girare per inerzia, esso si comporta inizialmente come un condensatore carico allo stesso valore e con lo stesso verso della tensione che lo stava alimentando precedentemente come è rappresentato in figura.
Se successivamente, quando il motore per inerzia sta ancora girando con la stessa velocità (o quasi), viene chiuso l'altro NPN, si provoca un cortocircuito nel ramo di sinistra.
Immaginiamo che il motore stia girando e che i transistor in conduzione siano quelli in rosso
Se ora spegniamo entrambi i transistor NPN e il motore continua a girare per inerzia, esso si comporta inizialmente come un condensatore carico allo stesso valore e con lo stesso verso della tensione che lo stava alimentando precedentemente come è rappresentato in figura.
Se successivamente, quando il motore per inerzia sta ancora girando con la stessa velocità (o quasi), viene chiuso l'altro NPN, si provoca un cortocircuito nel ramo di sinistra.
-

BrunoValente
39,6k 7 11 13 - G.Master EY

- Messaggi: 7796
- Iscritto il: 8 mag 2007, 14:48
0
voti
Penso male perché non hai letto quello che ti è stato scritto ed in più ai fatto dei corto circuiti, per ora progettuali.
Vedo che il mio odierno post in merito agi hobbysti e le sue digressioni è centrato.
Bisogna darvi la pappa fatta perché tutti i passaggi intermedi non vi sforzate di farli. Per quanto vi si guidi, non vi soffermate a ragionare nulla di nulla. D'altro canto se non replicassi alla tua domanda ora, passerei pure per imbecille io. Insomma, bisognerebbe semplicemente sorvolare su tutto sin dal primo post.
Rileggiti il post dove avevo inserito lo schema.
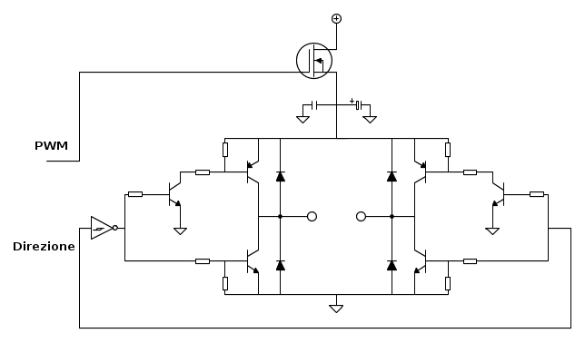
Assicurati di portare n conduzione, (livello alto), le coppie A, oppure B. Assicurati che sulle coppie opposte il livello sia zero, ovvero pochi millivolt in base ai transistor.
Assicurati di garantire un dead-time tra le commutazioni prima di cambiare la coppia, passando per il tutto spento.
Il PWM lo realizzi via software ad applichi al transistor NPN della coppia in conduzione.
Vedo che il mio odierno post in merito agi hobbysti e le sue digressioni è centrato.
Bisogna darvi la pappa fatta perché tutti i passaggi intermedi non vi sforzate di farli. Per quanto vi si guidi, non vi soffermate a ragionare nulla di nulla. D'altro canto se non replicassi alla tua domanda ora, passerei pure per imbecille io. Insomma, bisognerebbe semplicemente sorvolare su tutto sin dal primo post.
Rileggiti il post dove avevo inserito lo schema.
Assicurati di portare n conduzione, (livello alto), le coppie A, oppure B. Assicurati che sulle coppie opposte il livello sia zero, ovvero pochi millivolt in base ai transistor.
Assicurati di garantire un dead-time tra le commutazioni prima di cambiare la coppia, passando per il tutto spento.
Il PWM lo realizzi via software ad applichi al transistor NPN della coppia in conduzione.
-

Candy
32,5k 7 10 13 - CRU - Account cancellato su Richiesta utente
- Messaggi: 10123
- Iscritto il: 14 giu 2010, 22:54
0
voti
andrewto ha scritto:Qualcuno ha altre soluzioni?
Viste le correnti in gioco considererei anche una soluzione con 4 MOS, ci sono anche i MOS driver con ingresso logico.
Per usare proficuamente un simulatore, bisogna sapere molta più elettronica di lui
Plug it in - it works better!
Il 555 sta all'elettronica come Arduino all'informatica! (entrambi loro malgrado)
Se volete risposte rispondete a tutte le mie domande
Plug it in - it works better!
Il 555 sta all'elettronica come Arduino all'informatica! (entrambi loro malgrado)
Se volete risposte rispondete a tutte le mie domande
0
voti
candy ha scritto:ai fatto dei corto circuiti
potresti dirmi dov'è il corto?
candy ha scritto:Bisogna darvi la pappa fatta
di sicuro non sono io, io odio la pappa pronta! e lo stai vedendo con i tuoi occhi, rimango fino a tardi da solo senza altri utenti connessi per postare nuove soluzioni sperimentate anche di notte alle 3.30
candy ha scritto:Assicurati di garantire un dead-time tra le commutazioni prima di cambiare la coppia, passando per il tutto spento.
infatti per questo motivo avevo messo l'inverter
0
voti
BrunoValente ha scritto:Intendevo dire questo:
Chiarissimo, grazie!
Per usare proficuamente un simulatore, bisogna sapere molta più elettronica di lui
Plug it in - it works better!
Il 555 sta all'elettronica come Arduino all'informatica! (entrambi loro malgrado)
Se volete risposte rispondete a tutte le mie domande
Plug it in - it works better!
Il 555 sta all'elettronica come Arduino all'informatica! (entrambi loro malgrado)
Se volete risposte rispondete a tutte le mie domande
0
voti
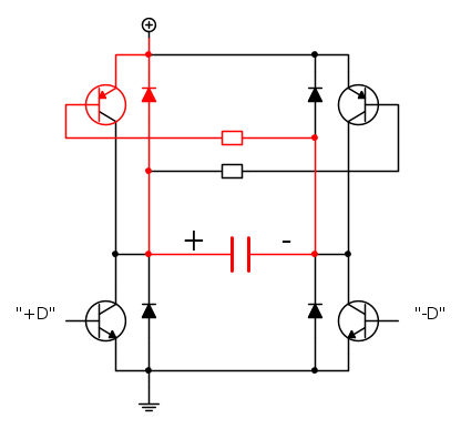
Nella figura 2 la situazione si riassume in questo modo:
Il transistor si trova con la base ad un potenziale negativo rispetto al collettore, ma "flottante" rispetto all'emitter.
Nella figura tre, hai omesso di considerare che i transistor PNP che sono invitati alla conduzione sono due, e dove tu hai colorato in rosso, in verità è forzato a spegnersi dal contrapposto che lo polarizza inversamente, in quanto porta il potenziale di emitter sul suo collettore.
-

Candy
32,5k 7 10 13 - CRU - Account cancellato su Richiesta utente
- Messaggi: 10123
- Iscritto il: 14 giu 2010, 22:54
0
voti
Dopo aver letto l'intervento di
BrunoValente ho finalmente capito il senso dell'obiezione che mi aveva fatto
Candy ieri sera, cosa che rende doverosa una precisazione: il circuito che ho proposto in Fidocad è semplicemente un suggerimento tratto dai datasheet della Philips sui suoi vecchi controller di lettori CD; non c'è neanche un milligrammo di farina mia!
. Il suggerimento era finalizzato a realizzare un driver adatto a controllare nei due sensi di marcia il motorino del cassetto porta-CD che, se manca l'alimentazione al motorino, non gli lascia praticamente nessuna possibilità di fare giri a vuoto - anche perché si tratta proprio di motorino di potenza veramente modesta. Per motori di potenza più consistente occoorre sicuramente fare molta più attenzione a questi dettagli, soprattutto se per un motivo o per l'altro sono accoppiati a masse che possono fare da volano e sostenere per un tempo apprezzabile la rotazione dell'albero anche una volta tolta l'alimentazione.
Ciao
Piercarlo
PS - Va anche detto a onor del vero che la Philips ha suggerito ma poi non ha mai realizzato questo circuito in forma così diretta nei suoi lettori; al suo posto ha sempre utilizzato un integrato che era già per conto suo un driver a ponte completo di tutto il necessario (un BA6109 prodotto da non mi ricordo più chi - non da Philips comunque).
Ciao
Piercarlo
PS - Va anche detto a onor del vero che la Philips ha suggerito ma poi non ha mai realizzato questo circuito in forma così diretta nei suoi lettori; al suo posto ha sempre utilizzato un integrato che era già per conto suo un driver a ponte completo di tutto il necessario (un BA6109 prodotto da non mi ricordo più chi - non da Philips comunque).
2
voti
candy ha scritto:Il transistor si trova con la base ad un potenziale negativo rispetto al collettore, ma "flottante" rispetto all'emitter.
Dimentichi la presenza del diodo
candy ha scritto:Nella figura tre, hai omesso di considerare che i transistor PNP che sono invitati alla conduzione sono due, e dove tu hai colorato in rosso, in verità è forzato a spegnersi dal contrapposto che lo polarizza inversamente, in quanto porta il potenziale di emitter sul suo collettore.
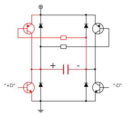
No, mi sembra invece che, come il condensatore carico (motore che gira per inerzia) costringe il PNP di sinistra alla conduzione, così costringe quello di destra all'interdizione
-

BrunoValente
39,6k 7 11 13 - G.Master EY

- Messaggi: 7796
- Iscritto il: 8 mag 2007, 14:48
0
voti
Certo che andare a naso per stabilire il valore delle resistenze......
non è più semplice e SICURO utilizzare la legge di Ohm?
Un consiglio: mai seguire i consigli di chi dice prova ad aggiungere una resistenza qua o la... prima di fare tentativi che possono danneggiare il microcontrollore (in particolare i diodi di clamping che proteggono i pin del micro), meglio ragionare sul circuito e sulle tensioni applicate a base ed emettitore del transistor PNP, come ti è stato suggerito.
Ciao. Paolo
non è più semplice e SICURO utilizzare la legge di Ohm?
- Codice: Seleziona tutto
V=R*I
Un consiglio: mai seguire i consigli di chi dice prova ad aggiungere una resistenza qua o la... prima di fare tentativi che possono danneggiare il microcontrollore (in particolare i diodi di clamping che proteggono i pin del micro), meglio ragionare sul circuito e sulle tensioni applicate a base ed emettitore del transistor PNP, come ti è stato suggerito.
Ciao. Paolo
Chi c’è in linea
Visitano il forum: Nessuno e 123 ospiti

Elettrotecnica e non solo (admin)
Un gatto tra gli elettroni (IsidoroKZ)
Esperienza e simulazioni (g.schgor)
Moleskine di un idraulico (RenzoDF)
Il Blog di ElectroYou (webmaster)
Idee microcontrollate (TardoFreak)
PICcoli grandi PICMicro (Paolino)
Il blog elettrico di carloc (carloc)
DirtEYblooog (dirtydeeds)
Di tutto... un po' (jordan20)
AK47 (lillo)
Esperienze elettroniche (marco438)
Telecomunicazioni musicali (clavicordo)
Automazione ed Elettronica (gustavo)
Direttive per la sicurezza (ErnestoCappelletti)
EYnfo dall'Alaska (mir)
Apriamo il quadro! (attilio)
H7-25 (asdf)
Passione Elettrica (massimob)
Elettroni a spasso (guidob)
Bloguerra (guerra)








