EnChamade ha scritto:Ciao, tutto bene?
Benone grazie!
Sono immerso nello "rispolveramento" dei concetti sulla retroazione (sto prendendo appunti su un documento word).
Al solito a me piace affrontare la cosa in modo
non troppo rigoroso ma semplice ed efficace.
Cosi che tra un po' di tempo, se dovessi scordarmi la cosa, rileggendo quello che scrivo, cerco di ricordare più velocemente i concetti.
E' un po' questo lo scopo dei miei documenti che sto scrivendo qui su EY.
Il fatto è che questo argomento è "bello ampio".
Al solito parto dalle basi, e pian piano cerco di arrivarci.
Ora sono in ballo con:
- perché è utile un sistema retroazionato? Che vantaggi mi da?
- G andata, G feedback, G loop, G ideale...
per ora
SENZA considerare la frequenza., tutto a frequenza zero, quindi in continua.
Poi vorrei applicare questi concetti ad un alimentatore switching, identificare i blocchi appena studiati e cercare di capire quali sono in quel caso G andata, G feedback, G loop, G ideale.
Anche qui SENZA CONSIDERARE sta benedetta frequenza.E già qui avrei domande su domande: una per tutte:
ma quale cavolo è "l'ingresso" in un alimentatore switching ???
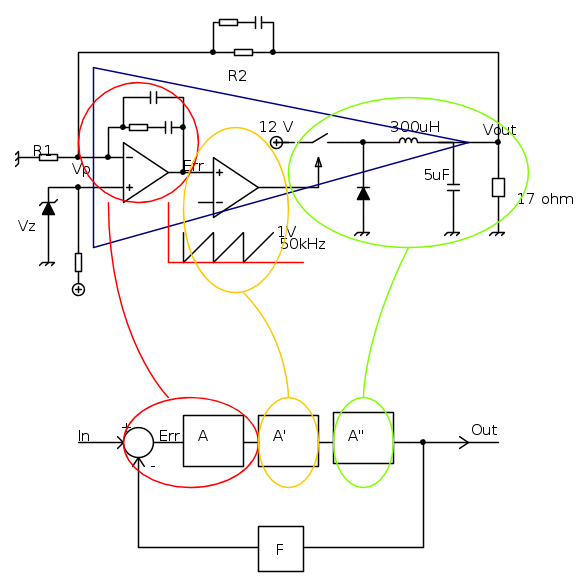
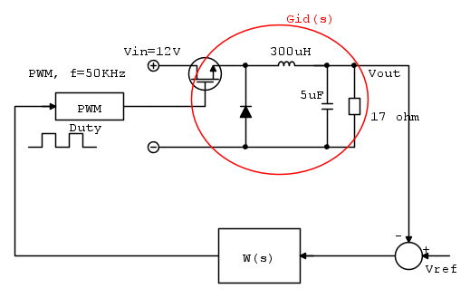
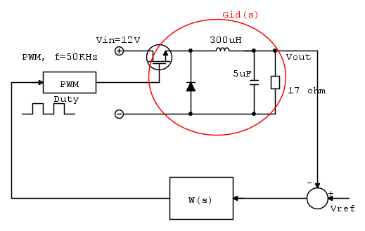
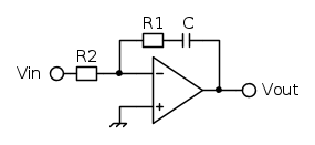
Cioè, considerando questo:
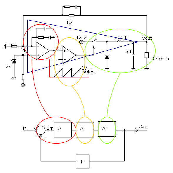
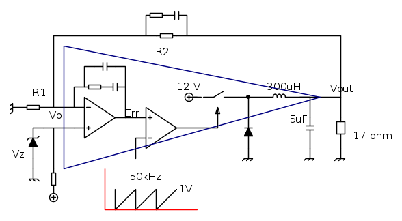
e questo:
Quale è "In" nel caso del circuito sotto?!?! Il 12V? o la Vz? o Vp? Oppure NON ha senso parlare di "Ingresso". L'uscita invece posso considerarla la tensione di uscita?
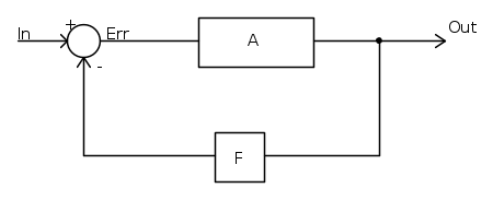
Ovvio che poi dovrò scontrarmi nel trovare quale è A e quale F, sempre nello schema 2 che ho postato
Se non è troppo un casino rispondere a questa domanda, ammetto che mi toglierebbe un po' di dubbi...
EnChamade ha scritto:Tuttavia, se vuoi costruire il buck con controllo di tensione, per me va bene: ci divertiremo in ogni caso

.
Si, dai. Facciamo buck controllato in tensione. 12V in e 6V out. Carico fisso 17 ohm. Funzionamento in CCM come già descritto in post indietro.
EnChamade ha scritto:Per quanto riguarda il sistema di controllo, mi sembra che tu volevi procedere senza utilizzare integrati specifici per il controllo di convertitori, giusto?
Si, si! Assolutamente si!!
Tieni presente che, oltre ad essere un modo per colmare tutte le lacune che ho su questi argomenti, io poi vorrei proprio realizzarlo "davvero"

(sempre considerando che non c'è fretta).
E meno costa ($$), meglio è!
Quindi OK per 555 come oscillatore se non addirittura poter usare un oscillatore a porte NOT come avevo messo in uno dei primissimi messaggi.
Anche se non avesse una limitazione sulla corrente nel carico, no problem. L'importante è la regolazione della Vout al variare della Vin entro certi limiti (che potrebbe essere l'uscita di un trafo lineare 230Vac-12Vac raddrizzato da ponte e livellato da C elettrolitico) e della Rout (sempre entro certi limiti, diciamo +/- 5%).
Infine prendo per oro colato (e ammetto con molta invidia) frasi come:
EnChamade ha scritto:... un regolatore PI...
... Se accetti bande di controllo inferiori a quel famoso

e sei in DCM...
... introdurre un polo nell'origine nel guadagno d'anello che porta ad avere un errore nullo per l'inseguimento al gradino del sistema chiuso in retroazione...
WOW!
Spero di arrivarci anch'io a parlare cosi

Se non ci sentiamo prima.... buona Pasqua!
Stefano
"perché un uomo è grande, GRANDE davvero, quando ritorna bambino di nuovo". Zecchino d'oro '87