Progetto scolastico.
Moderatori:
carloc,
g.schgor,
BrunoValente,
IsidoroKZ
0
voti
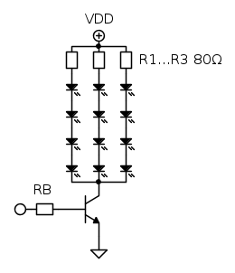
però mi hanno detto che quel circuito non va bene e che i valori delle resistenze alla tensione di 9V non sono giuste
0
voti
0
voti
gentilmente potresti correggere lo schema di donciccio cioè visto che hanno detto che sono sbagliati i valori delle resistenze. puoi farmi il favore di correggerle?? perché almeno seguo quello come schema e intanto capisco come sono messi a disposizione tutti i vari componenti perché con le formule io proprio non so da dove devo partire.
0
voti
Non c'è bisogno di correggere lo schema. Te lo puoi fare da te, come pure i calcoli. Le formule le hai. Per i valori commerciali delle resistenze, se cerchi con Google, li trovi subito.
Nella prima formula del messaggio ho sbagliato un valore. Lascio a te individuare quale.
Se non fai da solo non impari una mazza.
Nella prima formula del messaggio ho sbagliato un valore. Lascio a te individuare quale.
Se non fai da solo non impari una mazza.
0
voti
una domanda l'Hfe del BJT quale valore dovrei prendere?? perché ce ne sono tanti e non so quali mi servono
Chi c’è in linea
Visitano il forum: Nessuno e 149 ospiti

Elettrotecnica e non solo (admin)
Un gatto tra gli elettroni (IsidoroKZ)
Esperienza e simulazioni (g.schgor)
Moleskine di un idraulico (RenzoDF)
Il Blog di ElectroYou (webmaster)
Idee microcontrollate (TardoFreak)
PICcoli grandi PICMicro (Paolino)
Il blog elettrico di carloc (carloc)
DirtEYblooog (dirtydeeds)
Di tutto... un po' (jordan20)
AK47 (lillo)
Esperienze elettroniche (marco438)
Telecomunicazioni musicali (clavicordo)
Automazione ed Elettronica (gustavo)
Direttive per la sicurezza (ErnestoCappelletti)
EYnfo dall'Alaska (mir)
Apriamo il quadro! (attilio)
H7-25 (asdf)
Passione Elettrica (massimob)
Elettroni a spasso (guidob)
Bloguerra (guerra)


di ogni NPN.

