Bobina accensione candele
Moderatori:
carloc,
g.schgor,
BrunoValente,
IsidoroKZ
1
voti
Il post 45 ha un disegno ( che si trova in rete) che non si riferisce alla bobina in esame che mi sembra una della serie fire ( con disegni pieni di marchi non cancellabili e che non si trovano in rete), l'ho messo per dare una idea di come funzionino 'ste accensioni, gli schemi veri e propri sono off limits e non ho né il tempo né la pratica per riportarli su fido. Lo schema del 45 tra l'altro è in comune a due case diverse (GM e Fga)
Ceterum censeo Cartagho delendam esse
-

babbucciodonosor
7.942 5 9 12 - G.Master EY

- Messaggi: 1508
- Iscritto il: 9 mar 2008, 17:47
0
voti
Grazie comunque
babbucciodonosor, se serve un aiuto in campo di automobili sappiamo su chi contare
Grazie a tutti anche per avermi fatto notare il difetto dei cavetti di uno dei miei multimetri, provvederò a cambiarli il prima possibile
La scintilla accende qualsiasi combustibile al primo colpo
, ora sto cercando di capire quale possa essere la capacità ottimale, per ora ho usato un poliestere da 1 uf e sembra funzionare molto bene.
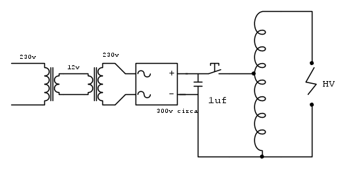
Per ora mi ritrovo con questo schema
Il pulsante che vedete è controllato per motivi di sicurezza mediante un relè da 12 volt.
Ora però non posso collegare a delle ipotetiche puntine il contatto della 300v, dovrei pilotarla con la bassa tensione, servirebbe quindi un transistor che lavori ad alti tensioni, che transistor posso usare per pilotare il contatto della 300v con un segnale di circa 12 volt?

Grazie a tutti anche per avermi fatto notare il difetto dei cavetti di uno dei miei multimetri, provvederò a cambiarli il prima possibile

La scintilla accende qualsiasi combustibile al primo colpo
Per ora mi ritrovo con questo schema
Il pulsante che vedete è controllato per motivi di sicurezza mediante un relè da 12 volt.
Ora però non posso collegare a delle ipotetiche puntine il contatto della 300v, dovrei pilotarla con la bassa tensione, servirebbe quindi un transistor che lavori ad alti tensioni, che transistor posso usare per pilotare il contatto della 300v con un segnale di circa 12 volt?
Alla fine, non ricorderemo le parole dei nostri nemici, ma i silenzi dei nostri amici.
Martin Luther King
Martin Luther King
-

thunderbolt128
1.640 1 8 13 - Expert

- Messaggi: 721
- Iscritto il: 4 set 2012, 13:57
8
voti
Candy ha scritto:Ma più in generale non capisco questa tua distinzione tra trasformatore e induttori accoppiati. (Forse perché i secondi sono appositamente previsti per funzionare con pilotaggio ON - OFF?)
La distinzione fra trasformatore e induttori accoppiati e` l'induttanza di magnetizzazione che nei trasfo deve essere la piu` grande possibile in modo da minimizzare la corrente magnetizzante, che comunque e` una rompiballe.
Invece negli induttori accoppiati l'induttanza di magnetizzazione deve essere bassa e di valore controllato in modo da immagazzinare l'energia che serve. La costruzione e` diversa: gli induttori accoppiati hanno un traferro oppure usano materiale a bassa permeabilita`, in modo da immagazzinare energia. Invece i trasformatori hanno nuclei senza traferro e ad alta permeabilita` in modo da avere poca riluttanza e alta induttanza di magnetizzazione.
Gli induttori accoppiati (usati in un flyback) sono messi con le fasi in modo che quando l'interruttore sul primario e` chiuso, il secondario non eroga potenza perche' c'e` un diodo. Nel caso dell'accensione non c'e` nessun diodo, ma quando l'interruttore e` chiuso la tensione sul secondario e` pari a quella del primario per il rapporto spire e questa tensione NON basta per far scoccare la scintilla.
Quando si apre l'interruttore il flusso magnetico collassa, si incazza e alza la tensione fino a trovare una via di fuga per l'energia immagazzinata, cosa che trova nella conduzione attraverso la scintilla.
La tensione di secondario in questo caso e` quella data dalla scintilla, che funziona CIRCA come uno zener (anzi un diac) quello che cambia al variare della tensione imposta dall'esterno e` in quanto tempo si scarica l'energia immagazzinata nel nucleo.
Anche nei flyback che lavorano in modo discontinuo (la grande maggioranza) capita la stessa cosa: quando viene rilasciata l'energia sul secondario e` la potenza media rilasciata e il valore della resistenza di carico che determinano la tensione di uscita. Il rapporto spire viene usato per avere gi stress di tensione e corrente su interruttore e diodo che non siano troppo alti e per garantire che entro il ciclo successivo tutta l'energia venga scaricata, ma la tensione di uscita, finche' si sta in modo discontinuo, non cambia al variare del rapporto spire.
Per usare proficuamente un simulatore, bisogna sapere molta più elettronica di lui
Plug it in - it works better!
Il 555 sta all'elettronica come Arduino all'informatica! (entrambi loro malgrado)
Se volete risposte rispondete a tutte le mie domande
Plug it in - it works better!
Il 555 sta all'elettronica come Arduino all'informatica! (entrambi loro malgrado)
Se volete risposte rispondete a tutte le mie domande
0
voti
Grazie per la spiegazione
IsidoroKZ, nonostante conosco solo le basi dell'elettronica cerco di capire il più possibile
, esiste un semiconduttore che sia in grado di pilotare la 400 volt con un segnale di bassa tensione? 
, esiste un semiconduttore che sia in grado di pilotare la 400 volt con un segnale di bassa tensione? Alla fine, non ricorderemo le parole dei nostri nemici, ma i silenzi dei nostri amici.
Martin Luther King
Martin Luther King
-

thunderbolt128
1.640 1 8 13 - Expert

- Messaggi: 721
- Iscritto il: 4 set 2012, 13:57
4
voti
Si` certo. Un tiristore potrebbe andare bene, e credo fosse anche quello che era usato in quelle accensioni.
Per usare proficuamente un simulatore, bisogna sapere molta più elettronica di lui
Plug it in - it works better!
Il 555 sta all'elettronica come Arduino all'informatica! (entrambi loro malgrado)
Se volete risposte rispondete a tutte le mie domande
Plug it in - it works better!
Il 555 sta all'elettronica come Arduino all'informatica! (entrambi loro malgrado)
Se volete risposte rispondete a tutte le mie domande
0
voti
Alla fine, non ricorderemo le parole dei nostri nemici, ma i silenzi dei nostri amici.
Martin Luther King
Martin Luther King
-

thunderbolt128
1.640 1 8 13 - Expert

- Messaggi: 721
- Iscritto il: 4 set 2012, 13:57
3
voti
Si` certo, e si spegne quando il condensatore e` tutto scarico (circa, ci sono delle risonanze si spegne quando la corrente va a zero), poi bisogna ricaricare il condensatore per la prossima scintilla. Il condensatore deve essere del valore giusto per fornire l'energia per una scintilla.
Per usare proficuamente un simulatore, bisogna sapere molta più elettronica di lui
Plug it in - it works better!
Il 555 sta all'elettronica come Arduino all'informatica! (entrambi loro malgrado)
Se volete risposte rispondete a tutte le mie domande
Plug it in - it works better!
Il 555 sta all'elettronica come Arduino all'informatica! (entrambi loro malgrado)
Se volete risposte rispondete a tutte le mie domande
1
voti
Nelle accensioni Fga e Gm normalmente il segnale di pilotaggio è un 4,5 V
Ceterum censeo Cartagho delendam esse
-

babbucciodonosor
7.942 5 9 12 - G.Master EY

- Messaggi: 1508
- Iscritto il: 9 mar 2008, 17:47
0
voti
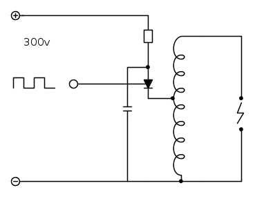
Allora, ho cercato di ragionare un po' e cercando un po' su internet e ragionando un po' ho cercato di buttare giù uno schema su fidocad e spiegarne il funzionamento:
1) la corrente arriva direttamente al condensatore caricandosi a circa 300v
2) arriva il segnale sul gate che chiude il tiristore
3) il condensatore può cosi scaricarsi sulla bobina e generare la scintilla
4) il condensatore ora è scarico e il tiristore si apre
Ora però continua a ronzarmi in testa il fatto che il tiristore rimane chiuso dato che continua a passare la 300v attraverso la resistenza e quindi attraverso il tiristore passando poi per l'avvolgimento...
So che il mio ragionamento non è completamente esatto, dove è che sbaglio?
1) la corrente arriva direttamente al condensatore caricandosi a circa 300v
2) arriva il segnale sul gate che chiude il tiristore
3) il condensatore può cosi scaricarsi sulla bobina e generare la scintilla
4) il condensatore ora è scarico e il tiristore si apre
Ora però continua a ronzarmi in testa il fatto che il tiristore rimane chiuso dato che continua a passare la 300v attraverso la resistenza e quindi attraverso il tiristore passando poi per l'avvolgimento...
So che il mio ragionamento non è completamente esatto, dove è che sbaglio?
Alla fine, non ricorderemo le parole dei nostri nemici, ma i silenzi dei nostri amici.
Martin Luther King
Martin Luther King
-

thunderbolt128
1.640 1 8 13 - Expert

- Messaggi: 721
- Iscritto il: 4 set 2012, 13:57
0
voti
(Ovviamente parlo da neofita)
Chi c’è in linea
Visitano il forum: Nessuno e 160 ospiti

Elettrotecnica e non solo (admin)
Un gatto tra gli elettroni (IsidoroKZ)
Esperienza e simulazioni (g.schgor)
Moleskine di un idraulico (RenzoDF)
Il Blog di ElectroYou (webmaster)
Idee microcontrollate (TardoFreak)
PICcoli grandi PICMicro (Paolino)
Il blog elettrico di carloc (carloc)
DirtEYblooog (dirtydeeds)
Di tutto... un po' (jordan20)
AK47 (lillo)
Esperienze elettroniche (marco438)
Telecomunicazioni musicali (clavicordo)
Automazione ed Elettronica (gustavo)
Direttive per la sicurezza (ErnestoCappelletti)
EYnfo dall'Alaska (mir)
Apriamo il quadro! (attilio)
H7-25 (asdf)
Passione Elettrica (massimob)
Elettroni a spasso (guidob)
Bloguerra (guerra)


