Cos'è ElectroYou | Login Iscriviti

ElectroYou - la comunità dei professionisti del mondo elettrico

Dove prelevare 12V dal sintoamplificatore Denon?

Elettronica lineare e digitale: didattica ed applicazioni

Moderatori: Foto Utentecarloc, Foto Utenteg.schgor, Foto UtenteBrunoValente, Foto UtenteIsidoroKZ

1
voti

[51] Re: Come estraggo i 12 V dal sintoamplificatore Denon?

Messaggioda Foto UtenteFedericoSibona » 17 set 2013, 17:03

Guarda Foto Utenteantonyb, non offenderti, ma viste le problematiche che stanno venendo fuori per delle cose che dovrebbero essere semplici, direi di rimettere gli "spinotti" dove erano, assicurarsi che il sintoampli AV funzioni come prima e chiudere il case prima di fare danni (mi sembra un buon apparecchio di ottima marca, sarebbe un peccato).
Ordina un aggeggio di tal genere: http://www.ebay.com/itm/1-x-EU-DC-12V-1 ... 2ebfe85e7c , applica una presa da pannello coassiale al tuo bellissimo switch-box adatta allo spinotto (rispettando le polarità), e vivi felice.
A me personalmente non andrebbe a genio di manomettere un bell'apparecchio solo per ricavare un 12V per alimentare due piccoli relè, poi vedi tu ;-)
Avatar utente
Foto UtenteFedericoSibona
5.022 3 5 8
Master
Master
 
Messaggi: 3951
Iscritto il: 19 mar 2013, 11:43

0
voti

[52] Re: Come estraggo i 12 V dal sintoamplificatore Denon?

Messaggioda Foto Utenteantonyb » 17 set 2013, 17:08

Il problema è che lo switch lo voglio usare in modo automatico, se compro quell'alimentatore poi dovrò accenderlo in qualche modo, dico bene?

La radio funziona, il resto dovrei collegare tutto, ma in pratica quei spinotti andavano su una schedina piena di fusibili, quindi con quelli staccati è come se fossero saltati i fusibili, certo meglio non giocarci troppo, ma vorrei estrarre i 12V.
Avatar utente
Foto Utenteantonyb
1.969 3 8 12
Expert
Expert
 
Messaggi: 1653
Iscritto il: 11 ago 2011, 10:33

2
voti

[53] Re: Come estraggo i 12 V dal sintoamplificatore Denon?

Messaggioda Foto UtenteFedericoSibona » 17 set 2013, 17:22

Prendi una ciabatta con interruttore che accenda sia il Denon che lo switch-box oppure deriva due cavetti dall'interruttore di accensione del Denon (se accessibile) che vadano ad accendere anche l'alimentatorino.


PS: in alternativa potresti anche costruirti un alimentatorino da 12v con un 7812 come descritto da Foto Utentemarco438, ma lasciando in pace l'alimentazione del Denon, un trasformatorino da 12/15V 300/500mA non costa molto ed il resto (ponte, condensatori, integrato) dovresti comunque metterli.
Ultima modifica di Foto UtenteFedericoSibona il 17 set 2013, 17:32, modificato 1 volta in totale.
Avatar utente
Foto UtenteFedericoSibona
5.022 3 5 8
Master
Master
 
Messaggi: 3951
Iscritto il: 19 mar 2013, 11:43

0
voti

[54] Re: Come estraggo i 12 V dal sintoamplificatore Denon?

Messaggioda Foto Utenteantonyb » 17 set 2013, 17:31

Stavo andando a fare comprere, quindi devo prendere anche un alimentaotre 12V?

Ma che potrebbe succedere all'alimentatore del sinto? non capisco ?%
Avatar utente
Foto Utenteantonyb
1.969 3 8 12
Expert
Expert
 
Messaggi: 1653
Iscritto il: 11 ago 2011, 10:33

1
voti

[55] Re: Come estraggo i 12 V dal sintoamplificatore Denon?

Messaggioda Foto Utentemarco438 » 17 set 2013, 17:34

Facendo le cose per bene, nulla :D
L'importante e' non pasticciare ma ho visto che sei abbastanza preciso nelle realizzazioni.
marco
Avatar utente
Foto Utentemarco438
37,1k 7 11 13
-EY Legend-
-EY Legend-
 
Messaggi: 16323
Iscritto il: 24 mar 2010, 15:09
Località: Versilia

0
voti

[56] Re: Come estraggo i 12 V dal sintoamplificatore Denon?

Messaggioda Foto Utenteantonyb » 17 set 2013, 17:37

Al limite lo butto e ne prendo un altro con uscita trigger, certo poi ricominciamo da capo, visto che il trigger ha pochi mA!!
Avatar utente
Foto Utenteantonyb
1.969 3 8 12
Expert
Expert
 
Messaggi: 1653
Iscritto il: 11 ago 2011, 10:33

0
voti

[57] Re: Come estraggo i 12 V dal sintoamplificatore Denon?

Messaggioda Foto Utenteantonyb » 17 set 2013, 18:26

Eccomi qui ho preso tutto, l'elettrolitico e il 7812 corrispondono, potete controllare se va bene il ceramico e il ponte raddrizzatore?
Poi da dove inizio?
Allegati
2.jpg
2.jpg (106.72 KiB) Osservato 1818 volte
Avatar utente
Foto Utenteantonyb
1.969 3 8 12
Expert
Expert
 
Messaggi: 1653
Iscritto il: 11 ago 2011, 10:33

1
voti

[58] Re: Come estraggo i 12 V dal sintoamplificatore Denon?

Messaggioda Foto Utentemarco438 » 17 set 2013, 18:37

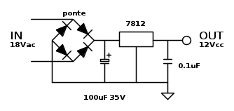
Questo lo sc hema da seguire; non so se vuoi fare un PCB, altrimenti monta su un pezzo di millefori.
marco
Avatar utente
Foto Utentemarco438
37,1k 7 11 13
-EY Legend-
-EY Legend-
 
Messaggi: 16323
Iscritto il: 24 mar 2010, 15:09
Località: Versilia

0
voti

[59] Re: Come estraggo i 12 V dal sintoamplificatore Denon?

Messaggioda Foto Utenteantonyb » 17 set 2013, 18:45

Scusa ma il 7812 va montato su PCB anche lui? non scalda? o meglio metterlo nel telaio del sinto?

Se ci metto un PCB non saprei come fissarlo..
Avatar utente
Foto Utenteantonyb
1.969 3 8 12
Expert
Expert
 
Messaggi: 1653
Iscritto il: 11 ago 2011, 10:33

1
voti

[60] Re: Come estraggo i 12 V dal sintoamplificatore Denon?

Messaggioda Foto Utentemarco438 » 17 set 2013, 18:53

Il consumo e' molto ridotto per cui il regolatore non dovrebbe scaldare molto; in ogni caso lo puoi montare "in piedi" e metterci un piccolo dissipatore.

lm317_amplifier.jpg
lm317_amplifier.jpg (46.37 KiB) Osservato 1811 volte
marco
Avatar utente
Foto Utentemarco438
37,1k 7 11 13
-EY Legend-
-EY Legend-
 
Messaggi: 16323
Iscritto il: 24 mar 2010, 15:09
Località: Versilia

PrecedenteProssimo

Torna a Elettronica generale

Chi c’è in linea

Visitano il forum: Nessuno e 70 ospiti