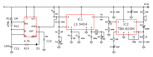
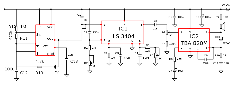
Anch'io ti chiedo di mettere lo schema appena puoi, sono davvero curioso di scoprire come hai fatto, e poi serve molto anche a me per imparare.
Riguardo al libro, il mio preferito (più che un libro un manuale) è Pratical Electronics for Inventors di Paul Scherz, ha un approccio davvero molto pratico, mira a darti rapidamente le conoscenze e le formule di base per poter subito utilizzare i vari componenti ed è ricchissimo di esempi di applicazioni per ognuno di essi, perciò da molta ispirazione.
Non è però un vero e proprio libro di elettronica dato che non ti insegna realmente la teoria, ma perlomeno è semplice e chiaro come chiedevi


Elettrotecnica e non solo (admin)
Un gatto tra gli elettroni (IsidoroKZ)
Esperienza e simulazioni (g.schgor)
Moleskine di un idraulico (RenzoDF)
Il Blog di ElectroYou (webmaster)
Idee microcontrollate (TardoFreak)
PICcoli grandi PICMicro (Paolino)
Il blog elettrico di carloc (carloc)
DirtEYblooog (dirtydeeds)
Di tutto... un po' (jordan20)
AK47 (lillo)
Esperienze elettroniche (marco438)
Telecomunicazioni musicali (clavicordo)
Automazione ed Elettronica (gustavo)
Direttive per la sicurezza (ErnestoCappelletti)
EYnfo dall'Alaska (mir)
Apriamo il quadro! (attilio)
H7-25 (asdf)
Passione Elettrica (massimob)
Elettroni a spasso (guidob)
Bloguerra (guerra)




