
Carica di un condensatore elettrolitico in un multivibratore
Moderatori:
carloc,
g.schgor,
BrunoValente,
IsidoroKZ
0
voti
Pensavo fosse facile spiegare in modo semplice le fasi di un multivibratore, ma alla resa dei conti non è così semplice.
Spero che tu capisca qualcosa con questo poema :)
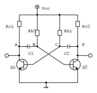
Tralasciamo non il primo, ma il primissimo transitorio all’ accensione del circuito e ammettiamo che uno dei 2 BJT sia andato in saturazione e l’ altro in interdizione.
Ammettiamo che per primo sia stato Q1 ad andare in saturazione e Q2 in interdizione perciò il punto D si trova a Vcc perché caricato velocemente dalla resistenza Rc2 , perciò su Rc2 non scorre corrente e il punto B si trova a circa 0,2 V in quanto il punto A del condensatore C1 si è portato bruscamente a 0,2 V a causa dell’ immediata saturazione di Q1. Questo valore viene trasportato anche sull’ armatura destra ( punto B ) e manda così a maggior ragione in interdizione Q2 .
Ma da questo momento in poi Rb2 caricherà l’ armatura di destra di C1 fino al valore di soglia di conduzione della base di Q2, che perciò comincerà a condurre e abbasserà la tensione sul collettore , cioè sul punto D che si trovava a Vcc. Ma queste variazioni si faranno sentire anche sull’ armatura sinistra di C2 e perciò le avvertirà anche la base di Q1. Allora Q1 tenderà ad uscire dalla saturazione e entrare in zona lineare, facendo ciò, il punto A aumenterà il suo potenziale, ma questo aumento è trasmesso anche sull’ armatura destra di C1 ( punto B ) e perciò sulla base di Q2 che allora andrà ancora più velocemente verso la conduzione, abbassando ancora di più il potenziale sul punto D che abbiamo visto è sentito anche nel punto C perciò sulla base di Q1 che allora condurrà sempre meno alzando il potenziale del punto A avvertito anche sul punto B che allora..etc etc.. Questa si chiama reazione positiva che determina la commutazione velocissima da uno stato di interdizione e saturazione dei BJT che nel nostro case manderà in interdizione Q1 e in saturazione Q2.
Questa reazione deve sempre esistere se vogliamo che il sistema oscilli
Questa è la fase transitoria
Ma facciamo un passo indietro, cioè appena un attimo prima che Q2 vada in saturazione e Q1 in interdizione.
L’armatura sinistra di C2 era ad un potenziale di circa 0,7 V ( il potenziale ella base di Q1 ), mentre l’ armatura destra si trovava a Vcc. Siccome il processo di commutazione dall’ interdizione di Q1 alla saturazione di Q2 è velocissimo, quando questo avviene il condensatore C2 è sempre carico con una d.d.p. di circa Vcc ( Vcc - 0,7 V ), ma approssimiamo a Vcc.
Siccome il punto C si trovava ad un potenziale inferiore di circa Vcc rispetto al punto D e visto che il punto D velocissimamente si è portato a massa ( con la saturazione immediata di Q2 ) allora il punto C si ritrova a meno Vcc rispetto massa , pertanto la base di Q1 va a – Vcc interdicendo fortemente Q1.
Da qui in poi si conta il tempo il primo semiperiodo di oscillazione
A questo punto Rb1 caricherà C2.
La carica avviene con costante di tempo Rb1C2 e partirà da –Vcc con tendenza a + Vcc
( Se l' alimentazione fosse 12 V i due punti avrebbero una d.d.p. di circa 24 V ). Questo perché fra il positivo e il punto C nel primissimo momento c’è una d.d.p.di 2 Vcc , ma si fermerà quando il punto C sarà arrivato al valore di circa 0,7 V che manderà in conduzione Q1 e da quel momento in poi si ripete precisamente quello visto prima nel transitorio, cioè una reazione positiva che porterà velocemente Q1 in saturazione e Q2 in interdizione
Adesso è il punto B che si porterà immediatamente a – Vcc portando la base di Q2 a – Vcc , questo perché nel momento subito precedente il punto B si trovava a 0,7 V mentre il punto A si trovava a Vcc e visto che il punto A va a massa, allora il punto B va a circa - Vcc
e allora sarà attraverso Rb2 che si caricherà C1 fino alla soglia di 0,7 V che manderà nuovamente Q2 in conduzione nuovamente e Q1 in interdizione e così via
Questo è il secondo semiperiodo. Se tutte le Rb e C sono uguali. Allora i due semiperiodi sono uguali

Ultima modifica di
Pixy il 28 gen 2015, 17:51, modificato 1 volta in totale.
1
voti
Pixy ha scritto:Siccome il punto C si trovava ad un potenziale inferiore di circa Vcc rispetto al punto D e visto che il punto D velocissimamente si è portato a massa ( con la saturazione immediata di Q2 ) allora il punto C si ritrova a meno Vcc rispetto massa ,
E cosi` il transistore trovandosi con la giunzione base emettitore polarizzata a rovescio non e` per nulla contento
E poi il potenziale zero e` il potenziale zero, il riferimento, non la massa, vedere qui
Pixy ha scritto: pertanto la base di Q1 va a – Vcc interdendendo fortemente Q1.
Inter... che? Magari interdicendo
Per usare proficuamente un simulatore, bisogna sapere molta più elettronica di lui
Plug it in - it works better!
Il 555 sta all'elettronica come Arduino all'informatica! (entrambi loro malgrado)
Se volete risposte rispondete a tutte le mie domande
Plug it in - it works better!
Il 555 sta all'elettronica come Arduino all'informatica! (entrambi loro malgrado)
Se volete risposte rispondete a tutte le mie domande
0
voti
IsidoroKZ ha scritto:
Inter... che? Magari interdicendo, si coniuga come dire.
Mi scuso, non so come mai ho coniugato in questo modo
L' ho già corretto
Per l' altra osservazione del riferimento a massa, l' ho scritto di proposito pensando che
Ma non so se poi ho fatto bene o no Isidoro
1
voti
P.s. Come sempre sono ben accetti insulti, vituperi e voti negativi se scrivo ca...volate
"Non farei mai parte di un club che accettasse la mia iscrizione" (G. Marx)
-

claudiocedrone
21,3k 4 7 9 - Master EY

- Messaggi: 15303
- Iscritto il: 18 gen 2012, 13:36
2
voti
A me questi circuiti non piacciono anche perché nascondono una condizione di "stallo latente": come ho già accennato, se per qualsiasi motivo entrambi i transistor arrivassero contemporaneamente a saturarsi il circuito smetterebbe di oscillare e si manifesterebbe quindi una condizione di stallo.
Il difetto deriva dal fatto che, per garantire la piena saturazione, il valore del rapporto Rb/Rc è scelto per essere inferiore al valore del guadagno dei transistor.
Per provocare la condizione di stallo basta procedere così:
Togliamo dapprima entrambi i condensatori, succede che i transistor saturano e, ovviamente, il circuito smette di oscillare.
In queste condizioni misuriamo la tensione tra A e B e quella tra C e D (essendo i transistor in saturazione saranno due tensioni tra loro simili e dell'ordine di 0.3-0.4V).
Carichiamo con un alimentatore i due condensatori scollegati dal circuito precisamente a quei valori di tensione e poi colleghiamoli di nuovo ognuno al suo posto: cosa accade?
Non accade nulla perché all'atto del ricollegamento, essendo i condensatori già carichi al valore finale, nessuna corrente scorre e quindi il circuito rimane bloccato con entrambi i transistor saturi.
Visto da un altro punto di vista possiamo immaginare il circuito come fosse costituito da due amplificatori invertenti (i transistor) collegati in cascata da C1 e con l'uscita del secondo stadio chiusa ad anello sull'ingresso del primo stadio da C2: il circuito dovrebbe oscillare perché il guadagno è positivo.. ma se i transistor sono entrambi saturi è sicuramente inferiore all'unità e quindi non si schioda.
Il difetto deriva dal fatto che, per garantire la piena saturazione, il valore del rapporto Rb/Rc è scelto per essere inferiore al valore del guadagno dei transistor.
Per provocare la condizione di stallo basta procedere così:
Togliamo dapprima entrambi i condensatori, succede che i transistor saturano e, ovviamente, il circuito smette di oscillare.
In queste condizioni misuriamo la tensione tra A e B e quella tra C e D (essendo i transistor in saturazione saranno due tensioni tra loro simili e dell'ordine di 0.3-0.4V).
Carichiamo con un alimentatore i due condensatori scollegati dal circuito precisamente a quei valori di tensione e poi colleghiamoli di nuovo ognuno al suo posto: cosa accade?
Non accade nulla perché all'atto del ricollegamento, essendo i condensatori già carichi al valore finale, nessuna corrente scorre e quindi il circuito rimane bloccato con entrambi i transistor saturi.
Visto da un altro punto di vista possiamo immaginare il circuito come fosse costituito da due amplificatori invertenti (i transistor) collegati in cascata da C1 e con l'uscita del secondo stadio chiusa ad anello sull'ingresso del primo stadio da C2: il circuito dovrebbe oscillare perché il guadagno è positivo.. ma se i transistor sono entrambi saturi è sicuramente inferiore all'unità e quindi non si schioda.
-

BrunoValente
39,6k 7 11 13 - G.Master EY

- Messaggi: 7796
- Iscritto il: 8 mag 2007, 14:48
0
voti
molti appunti su cui studiare
ma usando un quarzo in un circuito instabile come questo quali sarebbero gli aspetti negativi e positivi? ne beneficerebbe solo la precisione dell'oscillazione che gestirebbe meglio i due stati?
ma usando un quarzo in un circuito instabile come questo quali sarebbero gli aspetti negativi e positivi? ne beneficerebbe solo la precisione dell'oscillazione che gestirebbe meglio i due stati?
Chi c’è in linea
Visitano il forum: Nessuno e 132 ospiti

Elettrotecnica e non solo (admin)
Un gatto tra gli elettroni (IsidoroKZ)
Esperienza e simulazioni (g.schgor)
Moleskine di un idraulico (RenzoDF)
Il Blog di ElectroYou (webmaster)
Idee microcontrollate (TardoFreak)
PICcoli grandi PICMicro (Paolino)
Il blog elettrico di carloc (carloc)
DirtEYblooog (dirtydeeds)
Di tutto... un po' (jordan20)
AK47 (lillo)
Esperienze elettroniche (marco438)
Telecomunicazioni musicali (clavicordo)
Automazione ed Elettronica (gustavo)
Direttive per la sicurezza (ErnestoCappelletti)
EYnfo dall'Alaska (mir)
Apriamo il quadro! (attilio)
H7-25 (asdf)
Passione Elettrica (massimob)
Elettroni a spasso (guidob)
Bloguerra (guerra)



