Banco di supercondensatori e circuiti di balancing
Moderatori:
carloc,
g.schgor,
BrunoValente,
IsidoroKZ
1
voti
Per quello che consumano quei circuiti puoi attaccarti due o tre supercap piu` in alto, e hai la tensione di alimentazione "gratis", riferita al potenziale che ti serve. Per gli ultimi due supercap, dove non hai a disposizione tensioni piu` positive, fai il circuito complementare, con pmos e ti attacchi due condensatori piu` in basso.
Per usare proficuamente un simulatore, bisogna sapere molta più elettronica di lui
Plug it in - it works better!
Il 555 sta all'elettronica come Arduino all'informatica! (entrambi loro malgrado)
Se volete risposte rispondete a tutte le mie domande
Plug it in - it works better!
Il 555 sta all'elettronica come Arduino all'informatica! (entrambi loro malgrado)
Se volete risposte rispondete a tutte le mie domande
0
voti
Dimenticavo, chi e` il prof. che ti segue?
Per usare proficuamente un simulatore, bisogna sapere molta più elettronica di lui
Plug it in - it works better!
Il 555 sta all'elettronica come Arduino all'informatica! (entrambi loro malgrado)
Se volete risposte rispondete a tutte le mie domande
Plug it in - it works better!
Il 555 sta all'elettronica come Arduino all'informatica! (entrambi loro malgrado)
Se volete risposte rispondete a tutte le mie domande
0
voti
IsidoroKZ ha scritto:Per gli ultimi due supercap, dove non hai a disposizione tensioni piu` positive, fai il circuito complementare, con pmos e ti attacchi due condensatori piu` in basso.
Non capisco perché gli ultimi due, e non l'ultimo soltanto, alla fine con 2 supercap ho 5V, quindi partendo dal primo (che considero il negativo generale del PCB) arrivo al 19esimo che mi prende i 5V sul positivo del 20esimo (che considero il positivo generale del PCB). Il problema quindi è solo come pilotare l'op amp del 20esimo, magari come consigli tu con un circuitino complementare con un Pmos e prendo l'alimentazione tra il 19esimo e 20esimo supercap
IsidoroKZ ha scritto:Dimenticavo, chi e` il prof. che ti segue?
risposto in PM
0
voti
Sto pensando che si in questo modo l'alimentazione è gratis, ma se i supercap sono scarichi non funziona! Mi serve qualcosa che funzioni senza dipendere dallo stato di carica dei supercap
0
voti
Se sono scarichi non hai bisogno di limitarne la tensione, bisogna solo verificare che il circuito funzioni correttamente quando vengono caricati la prima volta o da completamente scarichi, situazione in cui il riferimento di tensione non funziona ancora.
Per usare proficuamente un simulatore, bisogna sapere molta più elettronica di lui
Plug it in - it works better!
Il 555 sta all'elettronica come Arduino all'informatica! (entrambi loro malgrado)
Se volete risposte rispondete a tutte le mie domande
Plug it in - it works better!
Il 555 sta all'elettronica come Arduino all'informatica! (entrambi loro malgrado)
Se volete risposte rispondete a tutte le mie domande
0
voti
mm ok, vediamo che ne pensa il prof.
Eventualmente a livello di costo e/o difficoltà nello sbroglio del PCB cosa mi consiglieresti tra le soluzioni che avevo scritto...oppure altre idee :)
Eventualmente a livello di costo e/o difficoltà nello sbroglio del PCB cosa mi consiglieresti tra le soluzioni che avevo scritto...oppure altre idee :)
0
voti
Se il prof. da` l'OK voglio la citazione 
Non ho seguito con attenzione tutto il thread. Direi solo che mi sembrano da evitare tutti i circuiti con comparatore, sia con che senza isteresi, perche' se il comparatore accende il MOS in conduzione piena cortocircuiti il relativo condensatore. Se metti una resistenza in serie al comunque non va bene perche' non controlli la tensione, e rischi di dissipare inutilmente potenza.
Non ho seguito con attenzione tutto il thread. Direi solo che mi sembrano da evitare tutti i circuiti con comparatore, sia con che senza isteresi, perche' se il comparatore accende il MOS in conduzione piena cortocircuiti il relativo condensatore. Se metti una resistenza in serie al comunque non va bene perche' non controlli la tensione, e rischi di dissipare inutilmente potenza.
Per usare proficuamente un simulatore, bisogna sapere molta più elettronica di lui
Plug it in - it works better!
Il 555 sta all'elettronica come Arduino all'informatica! (entrambi loro malgrado)
Se volete risposte rispondete a tutte le mie domande
Plug it in - it works better!
Il 555 sta all'elettronica come Arduino all'informatica! (entrambi loro malgrado)
Se volete risposte rispondete a tutte le mie domande
0
voti
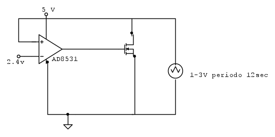
Quando il MOS chiude comunque ci sono i supercap prima e dopo, quindi non si cortocircuita il singolo cap, la corrente scorre sopra e sotto.
0
voti
Mah, forse pensiamo a due schemi diversi. Se devi controllare la tensione su ciascun singolo condensatore, devi avere un MOS su ogni condensatore. Se lo mandi in conduzione piena cortocircuiti il MOS.
Fai uno schema cosi` capisco che cosa hai in mente!
Fai uno schema cosi` capisco che cosa hai in mente!
Per usare proficuamente un simulatore, bisogna sapere molta più elettronica di lui
Plug it in - it works better!
Il 555 sta all'elettronica come Arduino all'informatica! (entrambi loro malgrado)
Se volete risposte rispondete a tutte le mie domande
Plug it in - it works better!
Il 555 sta all'elettronica come Arduino all'informatica! (entrambi loro malgrado)
Se volete risposte rispondete a tutte le mie domande
0
voti
Sempre lo stesso schema, poi tutti i supercap sono messi in serie, 20 supercap per PCB, quindi 20 MOS, e 20 opamp. comunque lo schema lo abbiamo fatto insieme al professore e lui non mi ha esposto questo problema.
Chi c’è in linea
Visitano il forum: Nessuno e 152 ospiti

Elettrotecnica e non solo (admin)
Un gatto tra gli elettroni (IsidoroKZ)
Esperienza e simulazioni (g.schgor)
Moleskine di un idraulico (RenzoDF)
Il Blog di ElectroYou (webmaster)
Idee microcontrollate (TardoFreak)
PICcoli grandi PICMicro (Paolino)
Il blog elettrico di carloc (carloc)
DirtEYblooog (dirtydeeds)
Di tutto... un po' (jordan20)
AK47 (lillo)
Esperienze elettroniche (marco438)
Telecomunicazioni musicali (clavicordo)
Automazione ed Elettronica (gustavo)
Direttive per la sicurezza (ErnestoCappelletti)
EYnfo dall'Alaska (mir)
Apriamo il quadro! (attilio)
H7-25 (asdf)
Passione Elettrica (massimob)
Elettroni a spasso (guidob)
Bloguerra (guerra)



