L'idea di fondo *non* e' mia, ma non ricordo a chi attribuirla / dove l'ho letta.
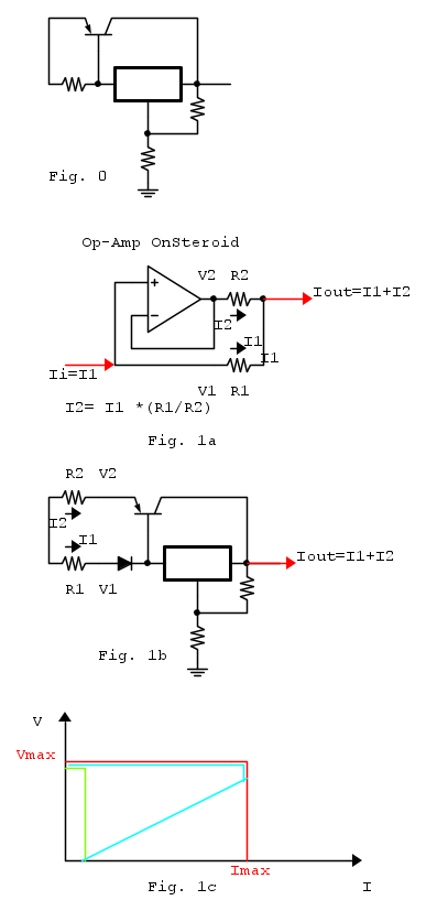
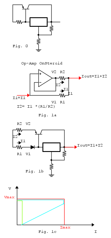
Premetto che lo schema di base di Fig. 0 e' "'na schifezza" ed il tentativo fatto in questo post di aggiustarlo e' il classico "rimedio peggiore del male".
E, ovviamente, richiede un aggiustamento "sul campo" per farlo funzionare.
Partiamo dallo schema di Fig. 1a.
E' un sistema classico di aggiungere un "booster" per avere piu' "birra" in uscita.
Data una corrente Ii, viene aggiunto un Op-Amp capace di erogare la corrente richiesta dal carico (Iout >> Ii) configurato a guadagno unitario e con in serie la resistenza R2. La corrente erogata dall'Op-Amp e' in rapporto di R1 e R2.

Lo schema di principio di Fig. 1a puo' essere realizzato con un regolatore standard a 3 terminali ed un transistor come in Fig. 1b
Il diodo (in prima approx) compensa la Vbe del transistor - nel caso di un darlington occorrono 2 diodi - e l'equazione che governa il funzionamento del circuito e' la stessa del circuito di Fig. 1a (nell'ipotesi che la corrente di base del transistor sia trascurabile)
Guardiamo adesso il diagramma di Fig. 1c
Rappresenta la caratteristica di uscita di vari tipi di alimentatore.
Quando diciamo che un alimentatore (da banco) eroga 0 - 30 V, 0 - 1 A generalmente intendiamo che puo' erogare una corrente compresa tra 0 e 1 A per qualunque valore della tensione di uscita (0 - 30 V).
Questa caratteristica di limitazione e' rappresentata dalla curva rossa (caratteristica "rettangolare").
Se guardiamo le caratteristiche di un LM317 vediamo che puo' erogare fino ad un max di 1.5 A ma con una tensione differenziale di 40 V eroga al max ~ 0.4 A
Questa caratteristica dell'LM317 e' rappresentata (qualitativamente) - sempre nella Fig. 1c - dalla curva celeste (caratteristica "foldback").
Se volessimo quindi realizzare un alimentatore con tensione di ingresso 40 V (37 V max di uscita) e caratteristica "rettangolare" utilizzando un LM317, dovremmo limitarci a 0.4 A di corrente max di uscita.
La caratteristica di questo ipotetico alimentatore con l'LM317 e' rappresentata (qualitativamente) dalla curva verde in cui la Imax vale 0.4 A.
Che c'azzecca (cit) la Fig. 1c con la Fig. 1b?
Molto, anzi, tutto.
Supponiamo di voler dimensionare il circuito di Fig. 1b per una corrente di cortocircuito max di 2.4 A (@ Vin = 40 V). Sappiamo dalla Fig. 1c che la corrente I1 max erogabile da un LM317 e' 0.4 A per cui nel transistor dovra' scorrere una corrente di 2 A.

da cui

Scegliendo arbitrariamente R1 = 1 ohm avremo

Con 40 V in ingresso avremo:
- I1 (LM317) = 0.4 A
- I2 (Tr) = 2 A
Occorre quindi che il transistor abbia una SOA (Safe Operating Area) di 2 A @ 40 V
Se consideramo il TIP33A, che sembra "adeguato", (60 V, 10 A, 80 W) guardando la zona di "second breakdown" della SOA ci accorgiamo che a 40 Vce "regge" solo ~ 1A (a fronte di 2 A necessari).
Se consideriamo invece il 2N3055 (60 V 15 A 115 W) abbiamo poco meno di 3 A @ 40 V e quindi adeguato al nostro scopo.
Ma c'e' un altro punto da considerare: la dissipazione termica.
Con l'uscita in cortocircuito:
- LM317 dissipa 16 W (40 V 0.4 A)
- 2N3055 dissipa 80 W (40 V 2 A)
Questi sono anche i valori massimi (o molto vicino al max) dissipabile per ciascun dispositivo con dissipatore *infinito* (o molto grosso) e questo *non* e' ovviamente il nostro caso.
MA
l'LM317 ha varie protezioni (e' bulletproof), tra cui
Internal Thermal Overload Protection
Questo vuol dire che se la temperatura operativa e' superiore a quella max il dispositivo si "spenge".
E di condeguenza si spenge anche il transistor associato.
A quale conseguenza ci porta questa considerazione?
Dimensioniamo (sottodimensioniamo) il dissipatore dell'LM317 in modo che vada in protezione "rapidamente" e sovradimensioniamo il dissipatore del transistor in modo che la protezione "intrinseca" dell'integrato protegga anche il transistor.
Quest'ultima e' la caratteristica del circuito che non traspare dallo schema disegnato.

Elettrotecnica e non solo (admin)
Un gatto tra gli elettroni (IsidoroKZ)
Esperienza e simulazioni (g.schgor)
Moleskine di un idraulico (RenzoDF)
Il Blog di ElectroYou (webmaster)
Idee microcontrollate (TardoFreak)
PICcoli grandi PICMicro (Paolino)
Il blog elettrico di carloc (carloc)
DirtEYblooog (dirtydeeds)
Di tutto... un po' (jordan20)
AK47 (lillo)
Esperienze elettroniche (marco438)
Telecomunicazioni musicali (clavicordo)
Automazione ed Elettronica (gustavo)
Direttive per la sicurezza (ErnestoCappelletti)
EYnfo dall'Alaska (mir)
Apriamo il quadro! (attilio)
H7-25 (asdf)
Passione Elettrica (massimob)
Elettroni a spasso (guidob)
Bloguerra (guerra)





