
Resurrezione di un alimentatore autocostruito
Moderatori:
carloc,
g.schgor,
BrunoValente,
IsidoroKZ
0
voti
Ma quel diodo vanifica il lavoro della resistenza, toglilo, è per quello che brucia il regolatore, dissiperà 7/8W...
Se togli quel diodo e metti una resistenza da 120 Ohm, il regolatore dissiperà 2W. Per compensare il pilotaggio puoi mettere un PNP TIP32 o similare che pilota un NPN 2N3055 a mo di darlington e il regolatore non soffrirà più.
Se togli quel diodo e metti una resistenza da 120 Ohm, il regolatore dissiperà 2W. Per compensare il pilotaggio puoi mettere un PNP TIP32 o similare che pilota un NPN 2N3055 a mo di darlington e il regolatore non soffrirà più.
-

gianniniivo
9.070 7 11 13 - No Rank
- Messaggi: 2875
- Iscritto il: 5 feb 2019, 23:50
0
voti
Credo che si possa pensare di cambiare completamente il circuito, ma non aggiungere qualcos'altro
Questa è la situazione attuale.
Ciao,
P.
Questa è la situazione attuale.
Ciao,
P.
Ultima modifica di
edgar il 12 dic 2020, 0:28, modificato 1 volta in totale.
Motivazione: Le immagini di 640x480 massimi, vanno allegate usando il tab "invia allegato" dell'editor
Motivazione: Le immagini di 640x480 massimi, vanno allegate usando il tab "invia allegato" dell'editor
0
voti
Comunque ho anche questo
Ciao,
P.
Ciao,
P.
Ultima modifica di
edgar il 12 dic 2020, 0:34, modificato 1 volta in totale.
Motivazione: Le immagini di 640x480 massimi, vanno allegate usando il tab "invia allegato" dell'editor
Motivazione: Le immagini di 640x480 massimi, vanno allegate usando il tab "invia allegato" dell'editor
0
voti
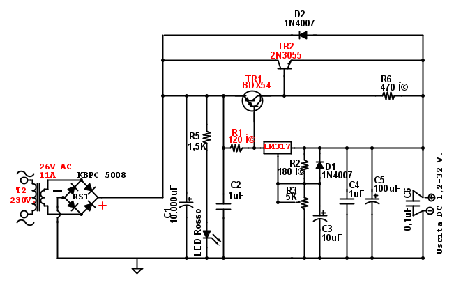
Non vedo il finale e il dissipatore.
Comunque potresti fare anche una modifica di questo tipo:
Così saresti sicuro di pilotare con abbondanza il finale o più di uno, volendo. Ovviamente non con quel piccolo trasformatore. La modifica è utile a far scaldare meno il regolatore...
Comunque potresti fare anche una modifica di questo tipo:
Così saresti sicuro di pilotare con abbondanza il finale o più di uno, volendo. Ovviamente non con quel piccolo trasformatore. La modifica è utile a far scaldare meno il regolatore...
Ultima modifica di
edgar il 12 dic 2020, 0:41, modificato 1 volta in totale.
Motivazione: Sistemato il darlington PNP, era al contrario
Motivazione: Sistemato il darlington PNP, era al contrario
-

gianniniivo
9.070 7 11 13 - No Rank
- Messaggi: 2875
- Iscritto il: 5 feb 2019, 23:50
0
voti
Regolatore, MJ2955 e dissipatori erano all'esterno e ora sono smontati. Erano piccoli perché all'epoca quelli avevo. Ripansandoci oggi mi stupisco della resistenza di questo oggetto. Ho ordinato dissipatori più grandi. Questo per il TO3
https://www.ebay.it/itm/Dissipatore-ter ... 1750991876
e questo per il TO220
https://www.ebay.it/itm/2pz-DISSIPATORE ... 1508859166
Così puoi capire quanto erano piccoli gli altri.
Penso che proverò lo schema che mi hai mandato. Posso montare sul dietro della scatola UN dissipatore per il TO3 e DUE dissipatori per i TO220 (BDX54 e LM317). Sicuramente cambio la resistenza da 15 Ohm e tolgo il diodo. Poi mi procuro BDX54 e 2N3055 e provo il tuo circuito.
Zero spazio sul pannello.
Grazie dei consigli e per stasera, buonanotte.
Ciao,
P.
https://www.ebay.it/itm/Dissipatore-ter ... 1750991876
e questo per il TO220
https://www.ebay.it/itm/2pz-DISSIPATORE ... 1508859166
Così puoi capire quanto erano piccoli gli altri.
Penso che proverò lo schema che mi hai mandato. Posso montare sul dietro della scatola UN dissipatore per il TO3 e DUE dissipatori per i TO220 (BDX54 e LM317). Sicuramente cambio la resistenza da 15 Ohm e tolgo il diodo. Poi mi procuro BDX54 e 2N3055 e provo il tuo circuito.
Zero spazio sul pannello.
Grazie dei consigli e per stasera, buonanotte.
Ciao,
P.
0
voti
Per il regolatore e il pilota non ci sarebbe problema, andrebbe bene anche la lamiera del contenitore, è il finale che è poco dissipato, beh, vorrà dire che richiederai meno corrente a bassa tensione di uscita...
-

gianniniivo
9.070 7 11 13 - No Rank
- Messaggi: 2875
- Iscritto il: 5 feb 2019, 23:50
0
voti
Buonasera, scrivo per seguire la discussione.
Vorrei inoltre segnalare che nello schema a [18] il 2n1711 mi sembra con simbolo errato. Mi sfugge anche l'utilità dello zener da 12V (a parte nel caso in cui la bobina del relè non fosse da 24 V).
Vorrei inoltre segnalare che nello schema a [18] il 2n1711 mi sembra con simbolo errato. Mi sfugge anche l'utilità dello zener da 12V (a parte nel caso in cui la bobina del relè non fosse da 24 V).
0
voti
Ciao
Chris1414, hai ragione quell'alimentatore dubito che funzionerà correttamente anche se dovesse correggere il transistor e lo zener. Stando allo schema il relè dovrebbe essere da 24 V. Spero comunque che pgiagno rinunci alla costruzione del dispositivo basandosi su quello schema.
-

gianniniivo
9.070 7 11 13 - No Rank
- Messaggi: 2875
- Iscritto il: 5 feb 2019, 23:50
Chi c’è in linea
Visitano il forum: Nessuno e 115 ospiti

Elettrotecnica e non solo (admin)
Un gatto tra gli elettroni (IsidoroKZ)
Esperienza e simulazioni (g.schgor)
Moleskine di un idraulico (RenzoDF)
Il Blog di ElectroYou (webmaster)
Idee microcontrollate (TardoFreak)
PICcoli grandi PICMicro (Paolino)
Il blog elettrico di carloc (carloc)
DirtEYblooog (dirtydeeds)
Di tutto... un po' (jordan20)
AK47 (lillo)
Esperienze elettroniche (marco438)
Telecomunicazioni musicali (clavicordo)
Automazione ed Elettronica (gustavo)
Direttive per la sicurezza (ErnestoCappelletti)
EYnfo dall'Alaska (mir)
Apriamo il quadro! (attilio)
H7-25 (asdf)
Passione Elettrica (massimob)
Elettroni a spasso (guidob)
Bloguerra (guerra)





