Grazie Alex. La posizione dell’ultimo schema l’avrei indicata Anch'io ma ieri, a seguito delle verifiche fatte con Bruno, ho voluto rimettere in pristino il circuito ma facendo attivare il duplicatore a circa 40V anziché a 45V, evitando così il ripple. Per modificare la tensione di attivazione del duplicatore ho dovuto modificare il partitore, quindi lo schema. Niente di speciale, solo alcune resistenze, ma lo schema ha subito variazioni e va ripubblicato con le modifiche in evidenza.
Dalle prove fatte sembra funzionare bene. Temo di non aver capito in quali condizioni si potrebbero verificare le reazioni anomale indicate da Bruno.
Sarebbe possibile testare e verificare quelle condizioni passo passo?
COMMUTAZIONE AUTOMATICA DI TENSIONE
Moderatori:
carloc,
g.schgor,
BrunoValente,
IsidoroKZ
3
voti
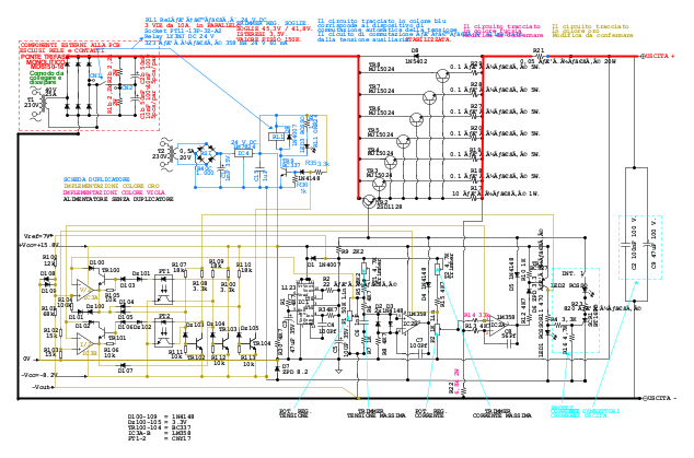
Avrei trovato una soluzione, non molto complicata da realizzare ma molto complicata da spiegare
Nelle intenzioni dovrebbe rendere completamente automatico l'inserimento e il disinserimento del duplicatore senza generare pendolamenti e senza che la tensione o la corrente di uscita saltino da un valore all'altro in tutte le condizioni che possono verificarsi.
Di seguito provo a spiegare cosa dovrebbe fare ma vorrei evitare di spiegare come e perché lo dovrebbe fare: non saprei da che parte cominciare
Pertanto pregherei gli esperti circuitali, in particolare
IsidoroKZ e
carloc, se avessero voglia e tempo, di dargli un'occhiata per verificare anzitutto se ci si capisce qualcosa, poi magari a trovare eventuali difetti.
L'ho controllato e ricontrollato tante volte e mi pare possa funzionare ma spesso in questi casi chi è implicato in prima persona segue sempre gli stessi ragionamenti che potrebbero non mettere in evidenza gli eventuali difetti, per questo sto chiedendo un aiuto.
Quello che dovrebbe fare è abbastanza semplice:
Anzitutto diciamo che i due potenziometri P1 e P2, che servono per l'impostazione del valore della tensione e della corrente in uscita, sono graduati 0-80V e 0-20A, per cui a metà corsa attraversano rispettivamente i valori di 40V e di 10A.
Quando la tensione di uscita sale e attraversa il valore di soglia di 40V si inserisce automaticamente il duplicatore ma solo se durante l'attraversamento la corrente al carico è inferiore a al valore di soglia di 10A.
Invece se durante l'attraversamento il valore della corrente è superiore al valore di soglia di 10A allora la tensione non può oltrepassare il valore di soglia di 40V e il duplicatore non si attiva.
In pratica se il valore della corrente al carico è minore di 10A allora, quando è attiva la regolazione di tensione, la tensione di uscita corrisponde alla graduazione del potenziometro P1 fino a fondo corsa (0-80V), se invece il valore della corrente al carico è maggiore di 10A allora, quando è attiva la regolazione di tensione, la tensione di uscita corrisponde alla graduazione del potenziometro P1 solo fino a metà corsa (40V), ruotando il potenziometro P1 oltre metà corsa la tensione di uscita comunque non supera il valore di 40V.
Dopo che il blocco della tensione a 40V si è attivato resta attivo anche se la corrente torna ad assumere valori inferiori a 10A e si disattiva solo se viene riportato il potenziometro P1 al di sotto del valore di soglia di 40V.
Se il valore della tensione di uscita è maggiore di 40V e quindi il duplicatore è attivo, quello della corrente non può oltrepassare il valore di soglia di 10A.
In pratica se il valore della tensione di uscita è minore di 40V allora, quando è attiva la regolazione di corrente, la corrente al carico corrisponde alla graduazione del potenziometro P2 fino a fondo corsa (0-20A), se invece il valore della tensione di uscita è maggiore di 40V allora la corrente al carico, quando è attiva la regolazione di corrente, corrisponde alla graduazione del potenziometro P2 solo fino a metà corsa (10A), ruotando il potenziometro P2 oltre metà corsa la corrente di uscita comunque non supera il valore di 10A.
Dopo che il blocco della corrente a 10A si è attivato resta attivo anche se la tensione torna ad assumere valori inferiori a 40V, si disattiva solo se viene riportato il potenziometro P2 al di sotto del valore di soglia di 10A.
Come avrete notato c'è una perfetta simmetria di comportamento tra tensione e corrente.
Nelle intenzioni dovrebbe rendere completamente automatico l'inserimento e il disinserimento del duplicatore senza generare pendolamenti e senza che la tensione o la corrente di uscita saltino da un valore all'altro in tutte le condizioni che possono verificarsi.
Di seguito provo a spiegare cosa dovrebbe fare ma vorrei evitare di spiegare come e perché lo dovrebbe fare: non saprei da che parte cominciare
Pertanto pregherei gli esperti circuitali, in particolare
L'ho controllato e ricontrollato tante volte e mi pare possa funzionare ma spesso in questi casi chi è implicato in prima persona segue sempre gli stessi ragionamenti che potrebbero non mettere in evidenza gli eventuali difetti, per questo sto chiedendo un aiuto.
Quello che dovrebbe fare è abbastanza semplice:
Anzitutto diciamo che i due potenziometri P1 e P2, che servono per l'impostazione del valore della tensione e della corrente in uscita, sono graduati 0-80V e 0-20A, per cui a metà corsa attraversano rispettivamente i valori di 40V e di 10A.
Quando la tensione di uscita sale e attraversa il valore di soglia di 40V si inserisce automaticamente il duplicatore ma solo se durante l'attraversamento la corrente al carico è inferiore a al valore di soglia di 10A.
Invece se durante l'attraversamento il valore della corrente è superiore al valore di soglia di 10A allora la tensione non può oltrepassare il valore di soglia di 40V e il duplicatore non si attiva.
In pratica se il valore della corrente al carico è minore di 10A allora, quando è attiva la regolazione di tensione, la tensione di uscita corrisponde alla graduazione del potenziometro P1 fino a fondo corsa (0-80V), se invece il valore della corrente al carico è maggiore di 10A allora, quando è attiva la regolazione di tensione, la tensione di uscita corrisponde alla graduazione del potenziometro P1 solo fino a metà corsa (40V), ruotando il potenziometro P1 oltre metà corsa la tensione di uscita comunque non supera il valore di 40V.
Dopo che il blocco della tensione a 40V si è attivato resta attivo anche se la corrente torna ad assumere valori inferiori a 10A e si disattiva solo se viene riportato il potenziometro P1 al di sotto del valore di soglia di 40V.
Se il valore della tensione di uscita è maggiore di 40V e quindi il duplicatore è attivo, quello della corrente non può oltrepassare il valore di soglia di 10A.
In pratica se il valore della tensione di uscita è minore di 40V allora, quando è attiva la regolazione di corrente, la corrente al carico corrisponde alla graduazione del potenziometro P2 fino a fondo corsa (0-20A), se invece il valore della tensione di uscita è maggiore di 40V allora la corrente al carico, quando è attiva la regolazione di corrente, corrisponde alla graduazione del potenziometro P2 solo fino a metà corsa (10A), ruotando il potenziometro P2 oltre metà corsa la corrente di uscita comunque non supera il valore di 10A.
Dopo che il blocco della corrente a 10A si è attivato resta attivo anche se la tensione torna ad assumere valori inferiori a 40V, si disattiva solo se viene riportato il potenziometro P2 al di sotto del valore di soglia di 10A.
Come avrete notato c'è una perfetta simmetria di comportamento tra tensione e corrente.
-

BrunoValente
39,6k 7 11 13 - G.Master EY

- Messaggi: 7796
- Iscritto il: 8 mag 2007, 14:48
0
voti
HO VISTO!
Che lavorone Bruno! Quando ti ci metti non scherzi eh? Adesso devo vedere se ho i foto accoppiatori perché sono componenti che ho utilizzato poco. Dovrei averne qualcuno ma non so quale sigla abbiano; devo controllare. Poi dovrò capire lo schema e come modificare l'esistente che per me non è cosa da poco...
Già a guardarlo sembra interessante; attendiamo di leggere il parere degli amici che hai taggato. Nel frattempo è pronta la cena e devo chiudere. Grazie, a dopo.
Che lavorone Bruno! Quando ti ci metti non scherzi eh? Adesso devo vedere se ho i foto accoppiatori perché sono componenti che ho utilizzato poco. Dovrei averne qualcuno ma non so quale sigla abbiano; devo controllare. Poi dovrò capire lo schema e come modificare l'esistente che per me non è cosa da poco...
Già a guardarlo sembra interessante; attendiamo di leggere il parere degli amici che hai taggato. Nel frattempo è pronta la cena e devo chiudere. Grazie, a dopo.
-

gianniniivo
9.045 7 11 13 - No Rank
- Messaggi: 2875
- Iscritto il: 5 feb 2019, 23:50
1
voti
Si tratterebbe di montare il tutto su una basetta millefori e realizzare le 8 connessioni all'alimentatore.
-

BrunoValente
39,6k 7 11 13 - G.Master EY

- Messaggi: 7796
- Iscritto il: 8 mag 2007, 14:48
0
voti
Complimenti Bruno.Certamente aspetteremo le valutazioni, ma già il lavoro svolto merita l'elogio, un circuito di logica fatto con l'analogica!
Alex
https://www.facebook.com/Elettronicaeelettrotecnica
<< vedi di pigliare arditamente in mano, il dizionario che ti suona in bocca,
se non altro è schietto e paesano.
(Giuseppe Giusti) <<
https://www.facebook.com/Elettronicaeelettrotecnica
<< vedi di pigliare arditamente in mano, il dizionario che ti suona in bocca,
se non altro è schietto e paesano.
(Giuseppe Giusti) <<
0
voti
Purtroppo quella sigla di optocoupler non ce l'ho. Ne ho altri ma non so se vanno e dovrebbero anche essere vecchiotti dato che non trovo quasi niente sul web: IL-12, TIL112, TIL111...
-

gianniniivo
9.045 7 11 13 - No Rank
- Messaggi: 2875
- Iscritto il: 5 feb 2019, 23:50
0
voti
BrunoValente ha scritto:Si tratterebbe di montare il tutto su una basetta millefori e realizzare le 8 connessioni all'alimentatore.
Il segnale che prelevi dal potenziometro P1 che controlla la tensione mi sembra sia sempre a 0V. Avevo cercato anch'io di lavorare sulla regolazione di tensione, ma questa è fatta con un amplificatore invertente (anche se entra sul positivo!) e quindi quella tensione non si muove!
Per usare proficuamente un simulatore, bisogna sapere molta più elettronica di lui
Plug it in - it works better!
Il 555 sta all'elettronica come Arduino all'informatica! (entrambi loro malgrado)
Se volete risposte rispondete a tutte le mie domande
Plug it in - it works better!
Il 555 sta all'elettronica come Arduino all'informatica! (entrambi loro malgrado)
Se volete risposte rispondete a tutte le mie domande
0
voti
Buon giorno
IsidoroKZ.
Ho fatto un paio di misure:
con il positivo del multimetro sul centrale di P1 e il nero sul negativo di uscita dell’alimentatore, la tensione varia da zero a quasi 80V.
Se il puntale nero lo collego all’alimentazione negativa dell’operazionale la tensione varia di pochi millivolt.
Ho fatto un paio di misure:
con il positivo del multimetro sul centrale di P1 e il nero sul negativo di uscita dell’alimentatore, la tensione varia da zero a quasi 80V.
Se il puntale nero lo collego all’alimentazione negativa dell’operazionale la tensione varia di pochi millivolt.
-

gianniniivo
9.045 7 11 13 - No Rank
- Messaggi: 2875
- Iscritto il: 5 feb 2019, 23:50
0
voti
IsidoroKZ ha scritto:BrunoValente ha scritto:Si tratterebbe di montare il tutto su una basetta millefori e realizzare le 8 connessioni all'alimentatore.
Il segnale che prelevi dal potenziometro P1 che controlla la tensione mi sembra sia sempre a 0V. Avevo cercato anch'io di lavorare sulla regolazione di tensione, ma questa è fatta con un amplificatore invertente (anche se entra sul positivo!) e quindi quella tensione non si muove!
Sì, ho visto, hai ragione, grazie

Ci penso, vedo se riesco a trovare un'alternativa
-

BrunoValente
39,6k 7 11 13 - G.Master EY

- Messaggi: 7796
- Iscritto il: 8 mag 2007, 14:48
0
voti
Ciao Bruno, non saprei se i miei optocoupler possano essere utilizzati. Avrei molti IL-12. Poi ho visto che quelli indicati da te sullo schema, ci sono sia con la base del transistor collegata ad un pin dell'IC oppure anche senza collegamento di base. Quali sarebbero quelli giusti da utilizzare? Perché se i miei non vanno bene compro quelli da te indicati ma vorrei acquistare quelli giusti...
Grazie.
Grazie.
-

gianniniivo
9.045 7 11 13 - No Rank
- Messaggi: 2875
- Iscritto il: 5 feb 2019, 23:50
Chi c’è in linea
Visitano il forum: Nessuno e 146 ospiti

Elettrotecnica e non solo (admin)
Un gatto tra gli elettroni (IsidoroKZ)
Esperienza e simulazioni (g.schgor)
Moleskine di un idraulico (RenzoDF)
Il Blog di ElectroYou (webmaster)
Idee microcontrollate (TardoFreak)
PICcoli grandi PICMicro (Paolino)
Il blog elettrico di carloc (carloc)
DirtEYblooog (dirtydeeds)
Di tutto... un po' (jordan20)
AK47 (lillo)
Esperienze elettroniche (marco438)
Telecomunicazioni musicali (clavicordo)
Automazione ed Elettronica (gustavo)
Direttive per la sicurezza (ErnestoCappelletti)
EYnfo dall'Alaska (mir)
Apriamo il quadro! (attilio)
H7-25 (asdf)
Passione Elettrica (massimob)
Elettroni a spasso (guidob)
Bloguerra (guerra)


