Cos'è ElectroYou | Login Iscriviti

ElectroYou - la comunità dei professionisti del mondo elettrico

Alimentare 3 Led P7

Elettronica lineare e digitale: didattica ed applicazioni

Moderatori: Foto Utentecarloc, Foto Utenteg.schgor, Foto UtenteBrunoValente, Foto UtenteIsidoroKZ

0
voti

[61] Re: Alimentare 3 Led P7

Messaggioda Foto Utentelillo7780 » 18 set 2009, 10:33

Per quanto riguarda il vecchio faro quello non è l'originale ,è di un guzzi 1200 adattato per far + luce anche perche quello originale è come se ci metti una candela e fa + luce :mrgreen:
Allora l'impianto funziona cosi:
La bobbina generatore sta attaccata al carter ed il rotore che giara con l'albero la porta in rotazione poi con tre fili (ovvero massa +dei fari+caricabatteria )passa per un regolatore che implementa i due +(poi allinterno non so di preciso come funziona) penso che con due alimentazione regoli sia la carica della batteria che l'alimentazione dei fari ed il - comune cosi da ripartire le due alimentazioni .
Si ho provato sia a faro spento che acceso ed cambiava poco tipo da 13,70V a faro spento a 13,49 a faro acceso.
perché come detto sopra i fari vanno solo con la moto in moto poi dando gas sale l'intensita fini ad un certo punto poi si attenua anche dando gas a manetta :roll:
Se vuoi ti mando lo schema della moto se riesco a farlo qui al lavoro......mo ce provo
Avatar utente
Foto Utentelillo7780
0 2
New entry
New entry
 
Messaggi: 50
Iscritto il: 28 ago 2009, 2:00

0
voti

[62] Re: Alimentare 3 Led P7

Messaggioda Foto Utentelillo7780 » 18 set 2009, 11:00

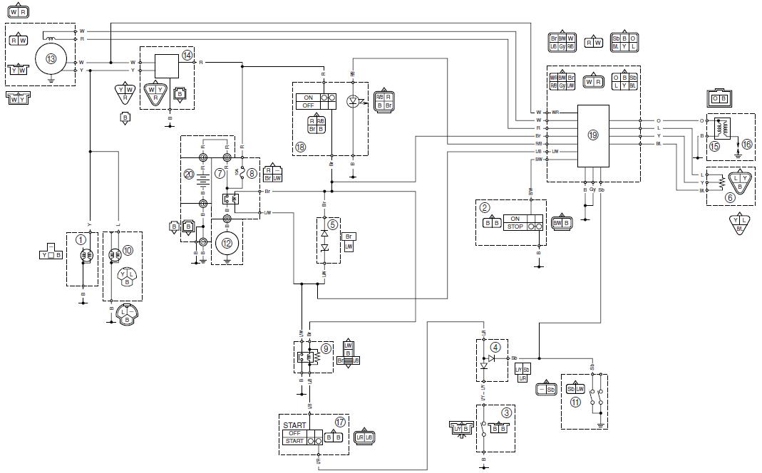
Eccolo completo di leggenda non so quanto puo essere grosso...
Schema moto.JPG
Schema moto.JPG (81.19 KiB) Osservato 3078 volte

Leggenda.JPG
Leggenda.JPG (81.73 KiB) Osservato 3077 volte
Avatar utente
Foto Utentelillo7780
0 2
New entry
New entry
 
Messaggi: 50
Iscritto il: 28 ago 2009, 2:00

0
voti

[63] Re: Alimentare 3 Led P7

Messaggioda Foto Utenteginfizz » 18 set 2009, 16:15

lillo7780 ha scritto:Giusto è alettato ma sto facendo delle prove per poterlo alloggiare altrove ,però la cosa strana(penso)è che il 2n3055 misurandolo sulla calotta con una PT100 la temperatura (con led accesi e funzionamento a 13,5v PER 3 ORE e senza ventola il tutto chiuso come da foto sopra)non sale oltre i 38 gradi...
La domanda è lo posso far lavorare anche diciamo a 50-60° senza rischio o è meglio a 30-40°
Grazie....


Si, non c'e' problema: messo in quella posizione la circolazione d'aria e' garantita: potrebbe arrivare il transistor anche a 100 ° senza problemi. Il problema ci sarebbe stato mettendo il dissipatore nel telaio, quindi con scarsa circolazione d'aria e magari in mezzo ai fili dell'impianto elettrico. Se non gia' fatto assicurati solo che le viti di fissaggio del transistor non possano allentarsi a causa delle vibrazioni.
Piccolo dubbio : Ma non c'e' un problema di omologazione circolando cosi' ? :roll:
Per quanto riguarda lo schema non c'era necessita di inviarlo, ad ogni modo e' evidente che le luci originali sono alimentate direttamente dal generatore e con corrente alternata, e quindi come ai detto si accendono solo a motore acceso.
Nulla si riesce a capire sul tipo di alternatore adottato, ma se dici che anche accendendo il faro originale la tensione scende di pochissimo, direi che c'e' un buon margine di sicurezza
Avatar utente
Foto Utenteginfizz
305 2 4 10
Expert EY
Expert EY
 
Messaggi: 1092
Iscritto il: 21 apr 2007, 9:30

0
voti

[64] Re: Alimentare 3 Led P7

Messaggioda Foto Utentelillo7780 » 19 set 2009, 15:01

Ciaooo...
Allora per il problema dell'omologazione di notte in mezzo alla montagna in mulattiera diventa un dettaglio... :mrgreen: trascurabile ,su strada uso quello normale :D cosi niente problemi.
Sono riuscito finalmente a provare i Led all'aperto(poi ho preso un po d'acqua ma ne è valsa la pena ......)
Guarda le foto....... :mrgreen: :wink:
Allegati
Faro basso stradina.jpg
Faro basso stradina.jpg (25.36 KiB) Osservato 3012 volte
Faro basso campo.jpg
Faro basso campo.jpg (26.78 KiB) Osservato 3005 volte
Faro alto campo.jpg
Faro alto campo.jpg (21.81 KiB) Osservato 3008 volte
Avatar utente
Foto Utentelillo7780
0 2
New entry
New entry
 
Messaggi: 50
Iscritto il: 28 ago 2009, 2:00

0
voti

[65] Re: Alimentare 3 Led P7

Messaggioda Foto Utentelillo7780 » 19 set 2009, 15:02

E queste sono con i led accesi a 2600mA
Allegati
Led+Faro alto stradina.jpg
Led+Faro alto stradina.jpg (50.58 KiB) Osservato 3001 volte
Led stradina.jpg
Led stradina.jpg (48.41 KiB) Osservato 3000 volte
Led campo.jpg
Led campo.jpg (35.01 KiB) Osservato 2995 volte
Avatar utente
Foto Utentelillo7780
0 2
New entry
New entry
 
Messaggi: 50
Iscritto il: 28 ago 2009, 2:00

0
voti

[66] Re: Alimentare 3 Led P7

Messaggioda Foto Utentelillo7780 » 19 set 2009, 15:34

ginfizz ha scritto:[..]

Si, non c'e' problema: messo in quella posizione la circolazione d'aria e' garantita

Allora mo ti chiedo un'altra cosa....
Allora ora ho la ventilazione dei led sempre accesa e volevo(sempre se si puo fare)farla accendere al raggiungimento di 65-70° e spengersi a 30-35°.cosi da limitare il funzionamento solo quando serve,(la ventola è a 12Vcc ed assorbe circa 20-30mA)come si può fare ???
Le temperature sono fittizie mo se si accende a 80° e ferma a 30° va bene lo stesso.
Visto che hai partorito un regolatore ad hoc per l'uso moto mi chiedo cosa tiri fuori sta volta :mrgreen:
Quando vuoi dammi un'idea...... [-o<
E ti ringrazio ancora del tuo tempo dedicatomi =D>
Ciao e buon finesettimana.............. 8)
Avatar utente
Foto Utentelillo7780
0 2
New entry
New entry
 
Messaggi: 50
Iscritto il: 28 ago 2009, 2:00

0
voti

[67] Re: Alimentare 3 Led P7

Messaggioda Foto Utenteginfizz » 19 set 2009, 23:10

lillo7780 ha scritto:Ciaooo...
Allora per il problema dell'omologazione di notte in mezzo alla montagna in mulattiera diventa un dettaglio... :mrgreen: trascurabile ,su strada uso quello normale :D cosi niente problemi.
Sono riuscito finalmente a provare i Led all'aperto(poi ho preso un po d'acqua ma ne è valsa la pena ......)
Guarda le foto....... :mrgreen: :wink:


Direi proprio che si tratterebbe di un dettaglio, se il tipo di strada e' quella che hai detto :D
Le foto sono belle, quei led fanno una luce strepitosa !

Allora ora ho la ventilazione dei led sempre accesa e volevo(sempre se si puo fare)farla accendere al raggiungimento di 65-70° e spengersi a 30-35°.cosi da limitare il funzionamento solo quando serve,(la ventola è a 12Vcc ed assorbe circa 20-30mA)come si può fare ???


L'intervallo di temperatura mi sembra, a mio parere, troppo ampio, perche' non credo che una ventola, attivandosi, riesca a far scendere la temperatura da 65-70° a 30-35°, salvo che non abbia in mente una sistemazione particolare. Quindi una volta attivata resterebbe sempre in funzione .
A meno che non si restringa l'intervallo per es. da da 65-70° a 50-55°, che potrebbe essere una soglia piu' ragionevole.
C'e' proprio qui viewtopic.php?f=1&t=14739 una soluzione al tuo quesito, occhio che lo schema consigliato da Analogik contiene una svista come da lui stesso sottolineato.
Avatar utente
Foto Utenteginfizz
305 2 4 10
Expert EY
Expert EY
 
Messaggi: 1092
Iscritto il: 21 apr 2007, 9:30

0
voti

[68] Re: Alimentare 3 Led P7

Messaggioda Foto Utentelillo7780 » 20 set 2009, 21:34

ginfizz ha scritto:[..]
C'e' proprio qui viewtopic.php?f=1&t=14739 una soluzione al tuo quesito, occhio che lo schema consigliato da Analogik contiene una svista come da lui stesso sottolineato.

Sei grandeeee.....perfetto come sempre grazie di nuovo........
Domani compro assemblo e poi provo hehehhe =D> :mrgreen:
Avatar utente
Foto Utentelillo7780
0 2
New entry
New entry
 
Messaggi: 50
Iscritto il: 28 ago 2009, 2:00

0
voti

[69] Re: Alimentare 3 Led P7

Messaggioda Foto Utenteginfizz » 20 set 2009, 22:16

lillo7780 ha scritto:Sei grandeeee.....perfetto come sempre grazie di nuovo........
Domani compro assemblo e poi provo hehehhe =D> :mrgreen:


Un'ultima cosa, se la tua ventola non assorbe piu' di 100, 150 mA potresti usare un BC337 (tanto per cambiare :-) ) al posto del mosfet, dato che quest'ultimo potrebbe essere di piu' difficile reperibilita'. Procurati magari anche un diodo 1n4148 ed uno stabilizzatore uA7808 + 2 condensatori da 100 nF poliestere, perche' stranamente in quello schema non era prevista nessuna stabilizzazione, ma le variazioni di tensione potrebbero influire diversamente nei due rami del circuito che alimentano gli ingressi dell'operazionale, che sostituirei con un LM358 perche' il TL082 potrebbe lavorare male se la NTC scende troppo come valore, alle piu' alte temperture.
Ho paura che sara' da ricalcolare anche il partitore ...... arghh, dammi qualche giorno di tempo per vedere se trovo uno schema piu' affidabile, oppure se quel partitore va bene per il tuo scopo.
Avatar utente
Foto Utenteginfizz
305 2 4 10
Expert EY
Expert EY
 
Messaggi: 1092
Iscritto il: 21 apr 2007, 9:30

0
voti

[70] Re: Alimentare 3 Led P7

Messaggioda Foto Utentelillo7780 » 21 set 2009, 12:10

ginfizz ha scritto:
lillo7780 ha scritto:Sei grandeeee.....perfetto come sempre grazie di nuovo........
Domani compro assemblo e poi provo hehehhe =D> :mrgreen:


Un'ultima cosa, se la tua ventola non assorbe piu' di 100, 150 mA potresti usare un BC337 (tanto per cambiare :-) ) al posto del mosfet, dato che quest'ultimo potrebbe essere di piu' difficile reperibilita'. Procurati magari anche un diodo 1n4148 ed uno stabilizzatore uA7808 + 2 condensatori da 100 nF poliestere, perche' stranamente in quello schema non era prevista nessuna stabilizzazione, ma le variazioni di tensione potrebbero influire diversamente nei due rami del circuito che alimentano gli ingressi dell'operazionale, che sostituirei con un LM358 perche' il TL082 potrebbe lavorare male se la NTC scende troppo come valore, alle piu' alte temperture.
Ho paura che sara' da ricalcolare anche il partitore ...... arghh, dammi qualche giorno di tempo per vedere se trovo uno schema piu' affidabile, oppure se quel partitore va bene per il tuo scopo.

Meno componenti ci sono meglio è anche perché lo devo inglobare al regolatore senza fare una nuova basetta.
Lo scarto di temperatura non è rilevante l'importante è che non mi faccia accendere la ventola anche se non serve,visto che lo accendo quando serve (avendo il comando al manubrio)e stando davanti in velocità l'aria lo aiuta ulteriromente a raffreddarsi.
Tutto qua... :D
Avatar utente
Foto Utentelillo7780
0 2
New entry
New entry
 
Messaggi: 50
Iscritto il: 28 ago 2009, 2:00

PrecedenteProssimo

Torna a Elettronica generale

Chi c’è in linea

Visitano il forum: Nessuno e 72 ospiti